mobile_sound +7 (930) 655-55-90

Плиты днища Серия 3.702.1-4

Поделиться:
Фильтр по характеристикам
Длина (мм.)
keyboard_arrow_down
мм.
мм.
Ширина (мм.)
keyboard_arrow_down
мм.
мм.
Высота (мм.)
keyboard_arrow_down
мм.
мм.
Вес (кг.)
keyboard_arrow_down
кг.
кг.
Объем бетона (м3)
keyboard_arrow_down
м3
м3
Поделиться:

Завод "Бетон365" производит плиты днища серии 3.702.1-4 — ключевые элементы для создания надежных резервуаров, колодцев и подземных сооружений различного назначения. Эти железобетонные изделия изготавливаются в строгом соответствии с ГОСТ, обеспечивая герметичность конструкции, равномерное распределение нагрузок и долговечность эксплуатации. Применение готовых плит значительно сокращает сроки монтажа и повышает технологичность строительных работ.

Мы реализуем плиты днища серии 3.702.1-4 в Москве и Московской области по конкурентной цене от производителя. Все изделия сопровождаются сертификатами качества и паспортами. Организуем доставку на объект в кратчайшие сроки, предлагаем профессиональные консультации по выбору и монтажу. Чтобы купить качественные ЖБИ с гарантией — обращайтесь к нашим специалистам для расчета стоимости заказа.

ДП 6-1
Плиты днища Серия 3.702.1-4
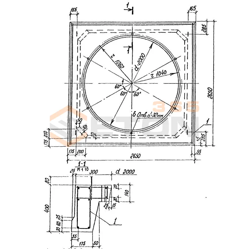
  • Длина 2650 мм.
  • Ширина 2650 мм.
  • Высота 400 мм.
  • Вес 2500 кг.
  • Объем бетона 1 м3
  • Геометрический объем 2,809 м3
Цена: 33950 руб.
Подробнее
ДП 6-2
Плиты днища Серия 3.702.1-4
  • Длина 2625 мм.
  • Ширина 2625 мм.
  • Высота 400 мм.
  • Вес 2300 кг.
  • Объем бетона 0,93 м3
  • Геометрический объем 2,7563 м3
Цена: 31574 руб.
Подробнее

Как правильно выбрать - Плиты днища Серия 3.702.1-4

Плиты днища серии 3.702.1-4 предназначены для устройства оснований сборных железобетонных резервуаров, отстойников и других подземных и наземных емкостных сооружений. Они воспринимают постоянные и временные нагрузки от стеновых конструкций, технологического оборудования и давления грунта. Долговечность и герметичность всей конструкции напрямую зависят от соответствия выбранных плит днища проектным нагрузкам и агрессивности воздействующей среды.

Критерии выбора

  • Марка бетона и защитные свойства: Изделия изготавливаются из тяжелого бетона марки не ниже М300. Ключевое значение имеют водонепроницаемость (W6-W8) и морозостойкость (F150-F200), которые должны соответствовать классу агрессивности среды эксплуатации.
  • Класс арматуры и защитный слой: Применяется напрягаемая и ненапрягаемая арматура классов Ат-IV, А-III. Защитный слой бетона должен обеспечивать коррозионную стойкость арматуры в условиях возможного воздействия грунтовых вод.
  • Типоразмер и конфигурация: Плиты днища серии 3.702.1-4 имеют строго регламентированные габариты и толщину. Необходимо сверять проектную маркировку с фактической, обращая внимание на наличие и расположение закладных деталей для сопряжения со стеновыми панелями.
  • Расчетные нагрузки: Выбор осуществляется на основе расчетного давления от стен, оборудования и обратной засыпки. Несущая способность плит должна быть проверена с учетом всех постоянных и временных нагрузок.
  • Соответствие нормам: Обязательно наличие паспорта качества, подтверждающего изготовление в соответствии с требованиями серии 3.702.1-4 и ГОСТ 13015-2012.

Рекомендации по подбору и монтажу

При составлении спецификации на плиты днища серии 3.702.1-4 необходимо учитывать геологию участка. На слабых и водонасыщенных грунтах критически важна подготовка основания – устройство песчано-щебеночной подушки и бетонной подготовки для равномерного распределения нагрузки и предотвращения просадок. Перед монтажом проверьте горизонтальность основания и целостность плит, особенно в зонах расположения закладных деталей.

Монтаж ведется на выровненное основание с обязательной герметизацией стыков между плитами и в местах примыкания к стеновым элементам. Для этого применяются уплотнительные прокладки и тиксотропные составы, указанные в проекте. Качественная герметизация швов – залог водонепроницаемости всего днища в процессе эксплуатации.

Ответы экспертов на ваши вопросы

Вопрос: Каковы основные области применения плит днища серии 3.702.1-4 и для каких типов резервуаров они предназначены? Ответ: Плиты днища серии 3.702.1-4 предназначены для устройства днищ сборных железобетонных резервуаров чистой воды, канализационных отстойников и других подземных или полузаглубленных емкостей цилиндрической формы. Они применяются в сооружениях, работающих в условиях постоянного или переменного уровня грунтовых вод, и рассчитаны на эксплуатацию в неагрессивной среде.

Вопрос: Какие ключевые прочностные и эксплуатационные характеристики имеют эти плиты (марка бетона, водонепроницаемость, морозостойкость, расчетные нагрузки)? Ответ: Плиты изготавливаются из тяжелого бетона марки не ниже М300 (класс прочности на сжатие В22,5 - В25). Обязательными требованиями являются высокая водонепроницаемость (как правило, марка W6 или W8) и морозостойкость (F100-F150). Конструкция рассчитана на восприятие нагрузок от давления грунта, гидростатического давления жидкости, а также возможных транспортных нагрузок на поверхности земли.

Вопрос: Каковы конструктивные особенности плит (форма, система соединений, наличие закладных деталей) и как обеспечивается герметичность стыков между плитами и со стеновыми кольцами? Ответ: Плиты имеют, как правило, трапециевидную или сегментную форму для сборки в кольцо. В торцах предусмотрены петлевые выпуски или другие виды закладных деталей для строповки и монтажа. Герметичность стыков между плитами, а также соединения "днище-стена" обеспечивается устройством монолитных железобетонных швов (оштукатуриванием) на основе расширяющегося цемента или специальными уплотняющими прокладками и герметиками, предусмотренными проектом.

Вопрос: Какие существуют типоразмеры плит в этой серии и как подбирается необходимая комплектация для резервуара заданного диаметра? Ответ: Серия 3.702.1-4 включает плиты нескольких типоразмеров, различающихся по длине и хорде (ширине), что позволяет собирать днища резервуаров различного диаметра (например, 6, 9, 12, 15 метров). Комплектация для конкретного диаметра определяется по рабочим чертежам серии, где указано количество и маркировка плит каждого типа, необходимых для формирования замкнутого круга.

Вопрос: Каковы основные требования к транспортировке, складированию и монтажу плит днища для предотвращения повреждений? Ответ: Транспортировать и складировать плиты следует в рабочем положении (горизонтально) на прокладках, исключающих контакт с землей и предохраняющих закладные детали от деформации. Строповка должна производиться за все предусмотренные монтажные петли. При монтаже плиты укладываются на выровненное и уплотненное песчаное или щебеночное основание. Не допускается сбрасывание плит, а также их монтаж при наличии трещин или сколов.

Ранее смотрели
Фундаментные блоки сплошные ФБС серия 1.116.1-8 и ГОСТ 13579-78 ФБС 29-4-3 т-2 а (шифр 27Н-83)
ФБС 29-4-3 т-2 а (шифр 27Н-83)
Фундаментные блоки сплошные ФБС серия 1.116.1-8 и ГОСТ 13579-78
Капители ГОСТ 27108-86 КПК 1лев-1-1 (ГОСТ 27108-86)
КПК 1лев-1-1 (ГОСТ 27108-86)
Капители ГОСТ 27108-86
Лестничные марши ребристые с полуплощадками ГОСТ 9818-2015 ЛМП 57-11-17-5-13 (ГОСТ 9818-2015)
ЛМП 57-11-17-5-13 (ГОСТ 9818-2015)
Лестничные марши ребристые с полуплощадками ГОСТ 9818-2015
Люки для кабельных колодцев телефонной канализации ГОСТ 8591-76 Люк тип Т (С250) ГТС с замком
Люк тип Т (С250) ГТС с замком
Люки для кабельных колодцев телефонной канализации ГОСТ 8591-76
Лестничные марши ребристые с полуплощадками ГОСТ 9818-2015 ЛМП 57-11-18-5-13 (ГОСТ 9818-2015)
ЛМП 57-11-18-5-13 (ГОСТ 9818-2015)
Лестничные марши ребристые с полуплощадками ГОСТ 9818-2015
Люки для кабельных колодцев телефонной канализации ГОСТ 8591-76 Люк тип Л (А15) ГТС с запорным устройством
Люк тип Л (А15) ГТС с запорным устройством
Люки для кабельных колодцев телефонной канализации ГОСТ 8591-76
Люки для кабельных колодцев телефонной канализации ГОСТ 8591-76 Люк тип Т (С250) ГТС с запорным устройством
Люк тип Т (С250) ГТС с запорным устройством
Люки для кабельных колодцев телефонной канализации ГОСТ 8591-76

Уведомление о файлах cookie

Мы используем файлы cookie для улучшения вашего опыта просмотра и анализа трафика. Нажимая "Принять все", вы соглашаетесь с нашей политикой конфиденциальности и политикой обработки файлов cookie.

MAX Дзен Телеграм Вконтакте vk