mobile_sound +7 (930) 655-55-90

Плиты днища Серия 3.702-1/79

Поделиться:
Фильтр по характеристикам
Длина (мм.)
keyboard_arrow_down
мм.
мм.
Ширина (мм.)
keyboard_arrow_down
мм.
мм.
Высота (мм.)
keyboard_arrow_down
мм.
мм.
Вес (кг.)
keyboard_arrow_down
кг.
кг.
Объем бетона (м3)
keyboard_arrow_down
м3
м3
Поделиться:

Завод "Бетон365" производит плиты днища Серия 3.702-1/79 — ключевые элементы для создания прочных и герметичных резервуаров, колодцев и подземных сооружений. Эти железобетонные изделия изготавливаются в строгом соответствии с ГОСТ, обеспечивая равномерное распределение нагрузок и долговечность конструкции даже в условиях повышенной влажности и агрессивных сред. Применение готовых плит днища значительно упрощает монтаж и повышает надежность всего объекта, сокращая сроки строительства.

Реализуем плиты днища Серия 3.702-1/79 по конкурентоспособной цене от производителя в Москве и Московской области. Гарантируем соответствие заявленным характеристикам и оперативную доставку на вашу строительную площадку. Чтобы купить качественные ЖБИ с гарантией и профессиональной консультацией, обратитесь к нашим специалистам для оформления заказа.

Д 2
Плиты днища Серия 3.702-1/79
  • Длина 2650 мм.
  • Ширина 2650 мм.
  • Высота 400 мм.
  • Вес 2500 кг.
  • Объем бетона 1 м3
  • Геометрический объем 2,809 м3
Цена: 33950 руб.
Подробнее
Д 3
Плиты днища Серия 3.702-1/79
  • Длина 3670 мм.
  • Ширина 2595 мм.
  • Высота 400 мм.
  • Вес 2300 кг.
  • Объем бетона 0,93 м3
  • Геометрический объем 3,8095 м3
Цена: 31574 руб.
Подробнее

Как правильно выбрать - Плиты днища Серия 3.702-1/79

Плиты днища серии 3.702-1/79 предназначены для устройства днищ сборных железобетонных резервуаров, отстойников и других подобных емкостных сооружений, работающих в условиях постоянного контакта с агрессивными и неагрессивными жидкостями. Их ключевая функция – обеспечение герметичности и несущей способности дна конструкции. Долговечность и надежность всего сооружения определяются точным соответствием выбранных плит днища Серии 3.702-1/79 проектным нагрузкам и специфическим условиям эксплуатации.

Критерии выбора

  • Марка бетона и его характеристики: Изделия изготавливаются из тяжелого бетона марки не ниже М300. Критически важны показатели водонепроницаемости (W6-W8) и морозостойкости (F150-F200), которые должны соответствовать проекту и климатической зоне.
  • Класс арматуры и защитный слой: Применяется напрягаемая и ненапрягаемая арматура классов Ат-IV, А-III. Защитный слой бетона должен обеспечивать коррозионную стойкость в условиях постоянного водонасыщения.
  • Типоразмеры и конфигурация: Серия включает плиты различных размеров и толщины. Необходимо сверять габаритные и присоединительные размеры с монтажной схемой, обращая внимание на расположение и тип закладных деталей для стыковки со стеновыми панелями.
  • Наличие монтажных петель: Проверьте соответствие петель или строповочных отверстий грузоподъемности плиты для безопасного монтажа.
  • Соответствие нормативной документации: Изделие должно строго соответствовать требованиям серии 3.702-1/79 и ГОСТ 13015-2012, что подтверждается паспортом качества и маркировкой на самой плите.

Рекомендации по подбору и монтажу

При составлении спецификации на плиты днища Серии 3.702-1/79 обязательно учитывайте гидрогеологические условия площадки – тип грунта, уровень грунтовых вод и их агрессивность. Это напрямую влияет на требуемый класс водонепроницаемости бетона и мероприятия по дополнительной гидроизоляции швов. Запросите у производителя паспорта качества на всю партию, где указаны фактические прочностные и деформативные характеристики бетона.

Монтаж ведется на тщательно выровненное и уплотненное песчаное или щебеночное основание. Ключевой момент – обеспечение проектного положения плит и герметизация стыков между ними, а также с другими элементами (лотками, стеновыми панелями) с помощью предусмотренных шпоночных соединений и гидрошпонок. Категорически не допускается монтаж плит с видимыми сквозными трещинами, обнажающими арматуру.

Ответы экспертов на ваши вопросы

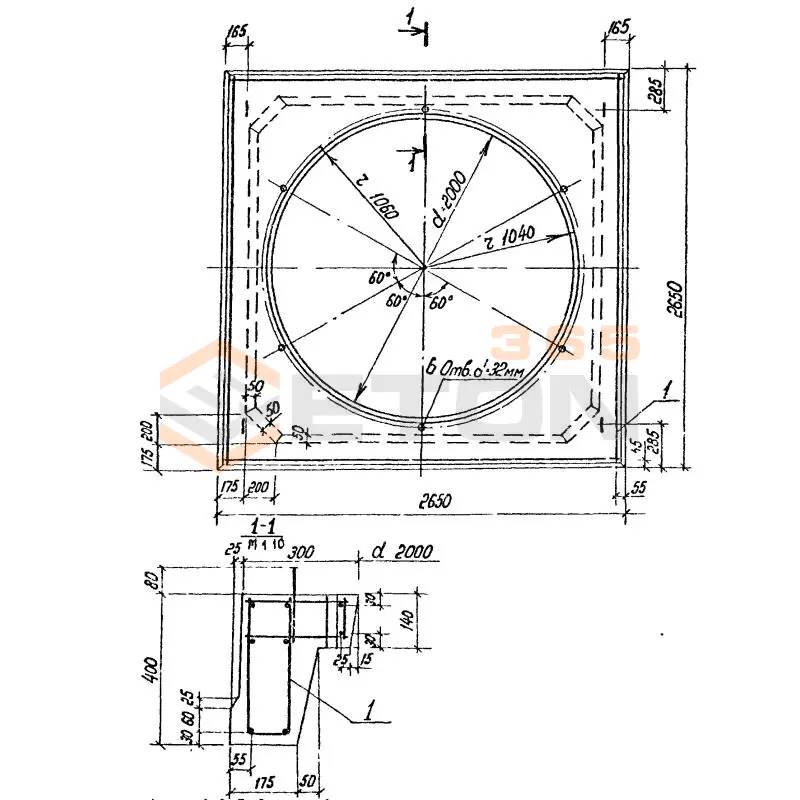
Плиты днища серии 3.702-1/79 представляют собой железобетонные изделия, предназначенные для устройства днищ резервуаров, отстойников и других подобных сооружений. Основные характеристики: толщина плит составляет 100-120 мм, марка бетона не ниже М300 (В22,5), класс арматуры А-III, расчетная нагрузка до 10 кПа. Плиты имеют прямоугольную форму с размерами, кратными 300 мм, и оснащены монтажными петлями из арматуры класса А-I.

Данные плиты применяются в гражданском и промышленном строительстве для устройства днищ:

  • очистных сооружений и отстойников
  • резервуаров для воды и других жидкостей
  • подземных емкостей и коллекторов
  • канализационных и ливневых колодцев
  • других гидротехнических сооружений, требующих герметичного днища

При монтаже плит днища серии 3.702-1/79 необходимо:

  • обеспечить ровное и уплотненное основание из песка или тощего бетона
  • выполнить стыковку плит с обеспечением проектных зазоров
  • осуществить герметизацию швов гидроизоляционными материалами
  • для гидроизоляции применяют битумные мастики, полимерные мембраны или цементные составы
  • обязательна проверка горизонтальности уложенных плит

Армирование плит днища серии 3.702-1/79 выполняется:

  • пространственными арматурными каркасами из стержневой арматуры
  • основной рабочей арматурой класса А-III диаметром 8-12 мм
  • распределительной арматурой класса Вр-I
  • защитный слой бетона для арматуры составляет не менее 20 мм
  • предусмотрены монтажные петли из арматуры класса А-I

Ограничения по применению плит днища серии 3.702-1/79:

  • не рекомендуется использовать в сейсмических районах с балльностью выше 7
  • ограничение по температуре эксплуатации: от -40°C до +50°C
  • не допускается применение в агрессивных средах без дополнительной защиты
  • максимальная расчетная нагрузка не должна превышать 10 кПа
  • требуют устройства надежной гидроизоляции при работе с агрессивными жидкостями
Ранее смотрели
Камни для кладки стен ГОСТ 6133-99 КСР-ПР-ПС 39
КСР-ПР-ПС 39
Камни для кладки стен ГОСТ 6133-99
Сваи анкерные Серия 3.504.1-23 АС 70-30 с
АС 70-30 с
Сваи анкерные Серия 3.504.1-23
Настил коробчатый Серия В 86 Н 2-4,5-1200 (В 86)
Н 2-4,5-1200 (В 86)
Настил коробчатый Серия В 86
РПС 18-37,5-3 АIII
РПС 18-37,5-3 АIII
Полурамы Серия 1.822.1-6
Фундаментные блоки сплошные с вырезом ФБВ Серия 1.116.1-8 ФБВ 9-5-6 с (1.116.1-8)
ФБВ 9-5-6 с (1.116.1-8)
Фундаментные блоки сплошные с вырезом ФБВ Серия 1.116.1-8
Колонны высотой 4,8; 6,0-4,8 м Серия 1.420.1-20с К 10-2 с
К 10-2 с
Колонны высотой 4,8; 6,0-4,8 м Серия 1.420.1-20с
Полурамы Серия 1.822.1-2/82 РПС 12-5
РПС 12-5
Полурамы Серия 1.822.1-2/82
Колонны высотой 4,8; 6,0-4,8 м Серия 1.420.1-20с К 1-26 с
К 1-26 с
Колонны высотой 4,8; 6,0-4,8 м Серия 1.420.1-20с

Уведомление о файлах cookie

Мы используем файлы cookie для улучшения вашего опыта просмотра и анализа трафика. Нажимая "Принять все", вы соглашаетесь с нашей политикой конфиденциальности и политикой обработки файлов cookie.

Дзен Телеграм Вконтакте vk