mobile_sound +7 (930) 655-55-90

Плиты ребристые сантехнические Серия 1.041.1-2

Поделиться:
Фильтр по характеристикам
Длина (мм.)
keyboard_arrow_down
мм.
мм.
Ширина (мм.)
keyboard_arrow_down
мм.
мм.
Высота (мм.)
keyboard_arrow_down
мм.
мм.
Вес (кг.)
keyboard_arrow_down
кг.
кг.
Поделиться:

Завод "Бетон365" производит плиты ребристые сантехнические Серия 1.041.1-2 – специализированные железобетонные конструкции, обеспечивающие повышенную жесткость перекрытий в зонах размещения сантехнического оборудования. Эти изделия отличаются усиленной несущей способностью за счет ребер жесткости, что гарантирует равномерное распределение нагрузок и предотвращает деформации под действием вибраций и веса инженерных систем. Применение таких плит в жилых и промышленных зданиях позволяет оптимизировать монтаж коммуникаций, сокращая сроки строительства и повышая надежность объектов.

Реализуем плиты ребристые сантехнические напрямую от производителя в Москве и МО – вы получаете выгодную цену без посредников и гарантию соответствия ГОСТ. Организуем доставку на объект в кратчайшие сроки, обеспечивая сохранность продукции. Чтобы купить качественные ЖБИ для вашего проекта с оперативной логистикой, обратитесь к нашим специалистам для расчета стоимости и оформления заказа.

ПРС 26-15-12,5 п (1.041.1-2)
Плиты ребристые сантехнические Серия 1.041.1-2
  • Длина 2650 мм.
  • Ширина 1490 мм.
  • Высота 220 мм.
  • Вес 1150 кг.
  • Объем бетона 0,46 м3
  • Геометрический объем 0,8687 м3
Цена: 13386 руб.
Подробнее
ПРС 26-15-10 п (1.041.1-2)
Плиты ребристые сантехнические Серия 1.041.1-2
  • Длина 2650 мм.
  • Ширина 1490 мм.
  • Высота 220 мм.
  • Вес 1150 кг.
  • Объем бетона 0,46 м3
  • Геометрический объем 0,8687 м3
Цена: 13386 руб.
Подробнее
ПРС 26-15-10 т (1.041.1-2)
Плиты ребристые сантехнические Серия 1.041.1-2
  • Длина 2650 мм.
  • Ширина 1490 мм.
  • Высота 220 мм.
  • Вес 1500 кг.
  • Объем бетона 0,6 м3
  • Геометрический объем 0,8687 м3
Цена: 17460 руб.
Подробнее
ПРС 26-15-12,5 т (1.041.1-2)
Плиты ребристые сантехнические Серия 1.041.1-2
  • Длина 2650 мм.
  • Ширина 1490 мм.
  • Высота 220 мм.
  • Вес 1500 кг.
  • Объем бетона 0,6 м3
  • Геометрический объем 0,8687 м3
Цена: 17460 руб.
Подробнее
ПРС 26-15-16 п (1.041.1-2)
Плиты ребристые сантехнические Серия 1.041.1-2
  • Длина 2650 мм.
  • Ширина 1490 мм.
  • Высота 220 мм.
  • Вес 1150 кг.
  • Объем бетона 0,46 м3
  • Геометрический объем 0,8687 м3
Цена: 13386 руб.
Подробнее
ПРС 26-15-16 т (1.041.1-2)
Плиты ребристые сантехнические Серия 1.041.1-2
  • Длина 2650 мм.
  • Ширина 1490 мм.
  • Высота 220 мм.
  • Вес 1500 кг.
  • Объем бетона 0,6 м3
  • Геометрический объем 0,8687 м3
Цена: 17460 руб.
Подробнее
ПРС 26-15-4 п (1.041.1-2)
Плиты ребристые сантехнические Серия 1.041.1-2
  • Длина 2650 мм.
  • Ширина 1490 мм.
  • Высота 220 мм.
  • Вес 1150 кг.
  • Объем бетона 0,46 м3
  • Геометрический объем 0,8687 м3
Цена: 13386 руб.
Подробнее
ПРС 26-15-4 т (1.041.1-2)
Плиты ребристые сантехнические Серия 1.041.1-2
  • Длина 2650 мм.
  • Ширина 1490 мм.
  • Высота 220 мм.
  • Вес 1500 кг.
  • Объем бетона 0,6 м3
  • Геометрический объем 0,8687 м3
Цена: 17460 руб.
Подробнее
ПРС 26-15-6 п (1.041.1-2)
Плиты ребристые сантехнические Серия 1.041.1-2
  • Длина 2650 мм.
  • Ширина 1490 мм.
  • Высота 220 мм.
  • Вес 1150 кг.
  • Объем бетона 0,46 м3
  • Геометрический объем 0,8687 м3
Цена: 13386 руб.
Подробнее
ПРС 26-15-6 т (1.041.1-2)
Плиты ребристые сантехнические Серия 1.041.1-2
  • Длина 2650 мм.
  • Ширина 1490 мм.
  • Высота 220 мм.
  • Вес 1500 кг.
  • Объем бетона 0,6 м3
  • Геометрический объем 0,8687 м3
Цена: 17460 руб.
Подробнее
ПРС 56-15-10 АIV п (1.041.1-2)
Плиты ребристые сантехнические Серия 1.041.1-2
  • Длина 5650 мм.
  • Ширина 1490 мм.
  • Высота 220 мм.
  • Вес 2210 кг.
  • Объем бетона 0,884 м3
  • Геометрический объем 1,8521 м3
Цена: 25724 руб.
Подробнее
ПРС 56-15-10 АIV т (1.041.1-2)
Плиты ребристые сантехнические Серия 1.041.1-2
  • Длина 5650 мм.
  • Ширина 1490 мм.
  • Высота 220 мм.
  • Вес 2890 кг.
  • Объем бетона 1,156 м3
  • Геометрический объем 1,8521 м3
Цена: 33640 руб.
Подробнее
ПРС 56-15-10 АтV п (1.041.1-2)
Плиты ребристые сантехнические Серия 1.041.1-2
  • Длина 5650 мм.
  • Ширина 1490 мм.
  • Высота 220 мм.
  • Вес 2210 кг.
  • Объем бетона 0,884 м3
  • Геометрический объем 1,8521 м3
Цена: 25724 руб.
Подробнее
ПРС 56-15-16 АIV п (1.041.1-2)
Плиты ребристые сантехнические Серия 1.041.1-2
  • Длина 5650 мм.
  • Ширина 1490 мм.
  • Высота 220 мм.
  • Вес 2210 кг.
  • Объем бетона 0,884 м3
  • Геометрический объем 1,8521 м3
Цена: 25724 руб.
Подробнее
ПРС 56-15-10 АтV т (1.041.1-2)
Плиты ребристые сантехнические Серия 1.041.1-2
  • Длина 5650 мм.
  • Ширина 1490 мм.
  • Высота 220 мм.
  • Вес 2890 кг.
  • Объем бетона 1,156 м3
  • Геометрический объем 1,8521 м3
Цена: 33640 руб.
Подробнее
ПРС 56-15-16 АтV п (1.041.1-2)
Плиты ребристые сантехнические Серия 1.041.1-2
  • Длина 5650 мм.
  • Ширина 1490 мм.
  • Высота 220 мм.
  • Вес 2210 кг.
  • Объем бетона 0,884 м3
  • Геометрический объем 1,8521 м3
Цена: 25724 руб.
Подробнее
ПРС 56-15-16 АIV т (1.041.1-2)
Плиты ребристые сантехнические Серия 1.041.1-2
  • Длина 5650 мм.
  • Ширина 1490 мм.
  • Высота 220 мм.
  • Вес 2890 кг.
  • Объем бетона 1,156 м3
  • Геометрический объем 1,8521 м3
Цена: 33640 руб.
Подробнее
ПРС 56-15-16 АтV т (1.041.1-2)
Плиты ребристые сантехнические Серия 1.041.1-2
  • Длина 5650 мм.
  • Ширина 1490 мм.
  • Высота 220 мм.
  • Вес 2890 кг.
  • Объем бетона 1,156 м3
  • Геометрический объем 1,8521 м3
Цена: 33640 руб.
Подробнее
ПРС 56-15-4 АIV п (1.041.1-2)
Плиты ребристые сантехнические Серия 1.041.1-2
  • Длина 5650 мм.
  • Ширина 1490 мм.
  • Высота 220 мм.
  • Вес 2210 кг.
  • Объем бетона 0,884 м3
  • Геометрический объем 1,8521 м3
Цена: 25724 руб.
Подробнее
ПРС 56-15-4 АтV т (1.041.1-2)
Плиты ребристые сантехнические Серия 1.041.1-2
  • Длина 5650 мм.
  • Ширина 1490 мм.
  • Высота 220 мм.
  • Вес 2890 кг.
  • Объем бетона 1,156 м3
  • Геометрический объем 1,8521 м3
Цена: 33640 руб.
Подробнее
ПРС 56-15-4 АIV т (1.041.1-2)
Плиты ребристые сантехнические Серия 1.041.1-2
  • Длина 5650 мм.
  • Ширина 1490 мм.
  • Высота 220 мм.
  • Вес 2890 кг.
  • Объем бетона 1,156 м3
  • Геометрический объем 1,8521 м3
Цена: 33640 руб.
Подробнее
ПРС 56-15-6 АIV п (1.041.1-2)
Плиты ребристые сантехнические Серия 1.041.1-2
  • Длина 5650 мм.
  • Ширина 1490 мм.
  • Высота 220 мм.
  • Вес 2210 кг.
  • Объем бетона 0,884 м3
  • Геометрический объем 1,8521 м3
Цена: 25724 руб.
Подробнее
ПРС 56-15-4 АтV п (1.041.1-2)
Плиты ребристые сантехнические Серия 1.041.1-2
  • Длина 5650 мм.
  • Ширина 1490 мм.
  • Высота 220 мм.
  • Вес 2210 кг.
  • Объем бетона 0,884 м3
  • Геометрический объем 1,8521 м3
Цена: 25724 руб.
Подробнее
ПРС 56-15-6 АIV т (1.041.1-2)
Плиты ребристые сантехнические Серия 1.041.1-2
  • Длина 5650 мм.
  • Ширина 1490 мм.
  • Высота 220 мм.
  • Вес 2890 кг.
  • Объем бетона 1,156 м3
  • Геометрический объем 1,8521 м3
Цена: 33640 руб.
Подробнее
ПРС 56-15-6 АтV п (1.041.1-2)
Плиты ребристые сантехнические Серия 1.041.1-2
  • Длина 5650 мм.
  • Ширина 1490 мм.
  • Высота 220 мм.
  • Вес 2210 кг.
  • Объем бетона 0,884 м3
  • Геометрический объем 1,8521 м3
Цена: 25724 руб.
Подробнее
ПРС 56-15-6 АтV т (1.041.1-2)
Плиты ребристые сантехнические Серия 1.041.1-2
  • Длина 5650 мм.
  • Ширина 1490 мм.
  • Высота 220 мм.
  • Вес 2890 кг.
  • Объем бетона 1,156 м3
  • Геометрический объем 1,8521 м3
Цена: 33640 руб.
Подробнее
ПРС 68-15-10 АIV т (1.041.1-2)
Плиты ребристые сантехнические Серия 1.041.1-2
  • Длина 6850 мм.
  • Ширина 1490 мм.
  • Высота 220 мм.
  • Вес 3625 кг.
  • Объем бетона 1,45 м3
  • Геометрический объем 2,2454 м3
Цена: 42195 руб.
Подробнее
ПРС 68-15-10 АтV т (1.041.1-2)
Плиты ребристые сантехнические Серия 1.041.1-2
  • Длина 6850 мм.
  • Ширина 1490 мм.
  • Высота 220 мм.
  • Вес 3625 кг.
  • Объем бетона 1,45 м3
  • Геометрический объем 2,2454 м3
Цена: 42195 руб.
Подробнее
ПРС 68-15-12,5 АIV п (1.041.1-2)
Плиты ребристые сантехнические Серия 1.041.1-2
  • Длина 6850 мм.
  • Ширина 1490 мм.
  • Высота 220 мм.
  • Вес 2840 кг.
  • Объем бетона 1,136 м3
  • Геометрический объем 2,2454 м3
Цена: 33058 руб.
Подробнее
ПРС 68-15-10 АIV п (1.041.1-2)
Плиты ребристые сантехнические Серия 1.041.1-2
  • Длина 6850 мм.
  • Ширина 1490 мм.
  • Высота 220 мм.
  • Вес 2840 кг.
  • Объем бетона 1,136 м3
  • Геометрический объем 2,2454 м3
Цена: 33058 руб.
Подробнее
ПРС 68-15-10 АтV п (1.041.1-2)
Плиты ребристые сантехнические Серия 1.041.1-2
  • Длина 6850 мм.
  • Ширина 1490 мм.
  • Высота 220 мм.
  • Вес 2840 кг.
  • Объем бетона 1,136 м3
  • Геометрический объем 2,2454 м3
Цена: 33058 руб.
Подробнее
ПРС 68-15-12,5 АIV т (1.041.1-2)
Плиты ребристые сантехнические Серия 1.041.1-2
  • Длина 6850 мм.
  • Ширина 1490 мм.
  • Высота 220 мм.
  • Вес 3625 кг.
  • Объем бетона 1,45 м3
  • Геометрический объем 2,2454 м3
Цена: 42195 руб.
Подробнее
ПРС 68-15-12,5 АтV п (1.041.1-2)
Плиты ребристые сантехнические Серия 1.041.1-2
  • Длина 6850 мм.
  • Ширина 1490 мм.
  • Высота 220 мм.
  • Вес 2840 кг.
  • Объем бетона 1,136 м3
  • Геометрический объем 2,2454 м3
Цена: 33058 руб.
Подробнее
ПРС 68-15-4 АIV т (1.041.1-2)
Плиты ребристые сантехнические Серия 1.041.1-2
  • Длина 6850 мм.
  • Ширина 1490 мм.
  • Высота 220 мм.
  • Вес 3625 кг.
  • Объем бетона 1,45 м3
  • Геометрический объем 2,2454 м3
Цена: 42195 руб.
Подробнее
ПРС 68-15-4 АIV п (1.041.1-2)
Плиты ребристые сантехнические Серия 1.041.1-2
  • Длина 6850 мм.
  • Ширина 1490 мм.
  • Высота 220 мм.
  • Вес 2840 кг.
  • Объем бетона 1,136 м3
  • Геометрический объем 2,2454 м3
Цена: 33058 руб.
Подробнее
ПРС 68-15-4 АтV п (1.041.1-2)
Плиты ребристые сантехнические Серия 1.041.1-2
  • Длина 6850 мм.
  • Ширина 1490 мм.
  • Высота 220 мм.
  • Вес 2840 кг.
  • Объем бетона 1,136 м3
  • Геометрический объем 2,2454 м3
Цена: 33058 руб.
Подробнее
ПРС 68-15-4 АтV т (1.041.1-2)
Плиты ребристые сантехнические Серия 1.041.1-2
  • Длина 6850 мм.
  • Ширина 1490 мм.
  • Высота 220 мм.
  • Вес 3625 кг.
  • Объем бетона 1,45 м3
  • Геометрический объем 2,2454 м3
Цена: 42195 руб.
Подробнее
ПРС 68-15-12,5 АтV т (1.041.1-2)
Плиты ребристые сантехнические Серия 1.041.1-2
  • Длина 6850 мм.
  • Ширина 1490 мм.
  • Высота 220 мм.
  • Вес 3625 кг.
  • Объем бетона 1,45 м3
  • Геометрический объем 2,2454 м3
Цена: 42195 руб.
Подробнее
ПРС 68-15-6 АIV п (1.041.1-2)
Плиты ребристые сантехнические Серия 1.041.1-2
  • Длина 6850 мм.
  • Ширина 1490 мм.
  • Высота 220 мм.
  • Вес 2840 кг.
  • Объем бетона 1,136 м3
  • Геометрический объем 2,2454 м3
Цена: 33058 руб.
Подробнее
ПРС 68-15-6 АIV т (1.041.1-2)
Плиты ребристые сантехнические Серия 1.041.1-2
  • Длина 6850 мм.
  • Ширина 1490 мм.
  • Высота 220 мм.
  • Вес 3625 кг.
  • Объем бетона 1,45 м3
  • Геометрический объем 2,2454 м3
Цена: 42195 руб.
Подробнее
ПРС 68-15-6 АтV п (1.041.1-2)
Плиты ребристые сантехнические Серия 1.041.1-2
  • Длина 6850 мм.
  • Ширина 1490 мм.
  • Высота 220 мм.
  • Вес 2840 кг.
  • Объем бетона 1,136 м3
  • Геометрический объем 2,2454 м3
Цена: 33058 руб.
Подробнее
ПРС 68-15-6 АтV т (1.041.1-2)
Плиты ребристые сантехнические Серия 1.041.1-2
  • Длина 6850 мм.
  • Ширина 1490 мм.
  • Высота 220 мм.
  • Вес 3625 кг.
  • Объем бетона 1,45 м3
  • Геометрический объем 2,2454 м3
Цена: 42195 руб.
Подробнее
ПРС 68-15-8 АIV т (1.041.1-2)
Плиты ребристые сантехнические Серия 1.041.1-2
  • Длина 6850 мм.
  • Ширина 1490 мм.
  • Высота 220 мм.
  • Вес 3625 кг.
  • Объем бетона 1,45 м3
  • Геометрический объем 2,2454 м3
Цена: 42195 руб.
Подробнее
ПРС 68-15-8 АIV п (1.041.1-2)
Плиты ребристые сантехнические Серия 1.041.1-2
  • Длина 6850 мм.
  • Ширина 1490 мм.
  • Высота 220 мм.
  • Вес 2840 кг.
  • Объем бетона 1,136 м3
  • Геометрический объем 2,2454 м3
Цена: 33058 руб.
Подробнее
ПРС 68-15-8 АтV п (1.041.1-2)
Плиты ребристые сантехнические Серия 1.041.1-2
  • Длина 6850 мм.
  • Ширина 1490 мм.
  • Высота 220 мм.
  • Вес 2840 кг.
  • Объем бетона 1,136 м3
  • Геометрический объем 2,2454 м3
Цена: 33058 руб.
Подробнее
ПРС 68-15-8 АтV т (1.041.1-2)
Плиты ребристые сантехнические Серия 1.041.1-2
  • Длина 6850 мм.
  • Ширина 1490 мм.
  • Высота 220 мм.
  • Вес 3625 кг.
  • Объем бетона 1,45 м3
  • Геометрический объем 2,2454 м3
Цена: 42195 руб.
Подробнее
ПРС 86-15-4 АIV п (1.041.1-2)
Плиты ребристые сантехнические Серия 1.041.1-2
  • Длина 8650 мм.
  • Ширина 1490 мм.
  • Высота 220 мм.
  • Вес 3500 кг.
  • Объем бетона 1,4 м3
  • Геометрический объем 2,8355 м3
Цена: 40740 руб.
Подробнее
ПРС 86-15-4 АIV т (1.041.1-2)
Плиты ребристые сантехнические Серия 1.041.1-2
  • Длина 8650 мм.
  • Ширина 1490 мм.
  • Высота 220 мм.
  • Вес 4620 кг.
  • Объем бетона 1,848 м3
  • Геометрический объем 2,8355 м3
Цена: 53777 руб.
Подробнее
ПРС 86-15-4 АтV п (1.041.1-2)
Плиты ребристые сантехнические Серия 1.041.1-2
  • Длина 8650 мм.
  • Ширина 1490 мм.
  • Высота 220 мм.
  • Вес 3500 кг.
  • Объем бетона 1,4 м3
  • Геометрический объем 2,8355 м3
Цена: 40740 руб.
Подробнее
ПРС 86-15-6 АтV п (1.041.1-2)
Плиты ребристые сантехнические Серия 1.041.1-2
  • Длина 8650 мм.
  • Ширина 1490 мм.
  • Высота 220 мм.
  • Вес 3500 кг.
  • Объем бетона 1,4 м3
  • Геометрический объем 2,8355 м3
Цена: 40740 руб.
Подробнее
ПРС 86-15-6 АIV п (1.041.1-2)
Плиты ребристые сантехнические Серия 1.041.1-2
  • Длина 8650 мм.
  • Ширина 1490 мм.
  • Высота 220 мм.
  • Вес 3500 кг.
  • Объем бетона 1,4 м3
  • Геометрический объем 2,8355 м3
Цена: 40740 руб.
Подробнее
ПРС 86-15-6 АтV т (1.041.1-2)
Плиты ребристые сантехнические Серия 1.041.1-2
  • Длина 8650 мм.
  • Ширина 1490 мм.
  • Высота 220 мм.
  • Вес 4620 кг.
  • Объем бетона 1,848 м3
  • Геометрический объем 2,8355 м3
Цена: 53777 руб.
Подробнее
ПРС 86-15-4 АтV т (1.041.1-2)
Плиты ребристые сантехнические Серия 1.041.1-2
  • Длина 8650 мм.
  • Ширина 1490 мм.
  • Высота 220 мм.
  • Вес 4620 кг.
  • Объем бетона 1,848 м3
  • Геометрический объем 2,8355 м3
Цена: 53777 руб.
Подробнее
ПРС 86-15-6 АIV т (1.041.1-2)
Плиты ребристые сантехнические Серия 1.041.1-2
  • Длина 8650 мм.
  • Ширина 1490 мм.
  • Высота 220 мм.
  • Вес 4620 кг.
  • Объем бетона 1,848 м3
  • Геометрический объем 2,8355 м3
Цена: 53777 руб.
Подробнее
ПРС 86-15-8 АIV т (1.041.1-2)
Плиты ребристые сантехнические Серия 1.041.1-2
  • Длина 8650 мм.
  • Ширина 1490 мм.
  • Высота 220 мм.
  • Вес 4620 кг.
  • Объем бетона 1,848 м3
  • Геометрический объем 2,8355 м3
Цена: 53777 руб.
Подробнее
ПРС 86-15-8 АтV т (1.041.1-2)
Плиты ребристые сантехнические Серия 1.041.1-2
  • Длина 8650 мм.
  • Ширина 1490 мм.
  • Высота 220 мм.
  • Вес 4620 кг.
  • Объем бетона 1,848 м3
  • Геометрический объем 2,8355 м3
Цена: 53777 руб.
Подробнее

Как правильно выбрать - Плиты ребристые сантехнические Серия 1.041.1-2

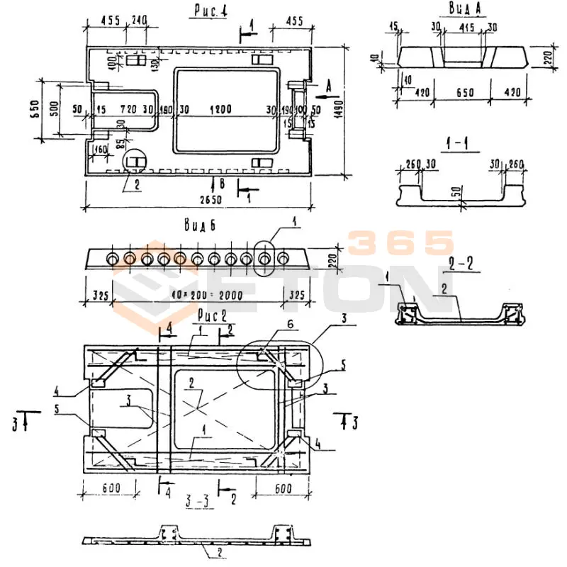
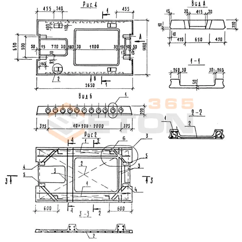
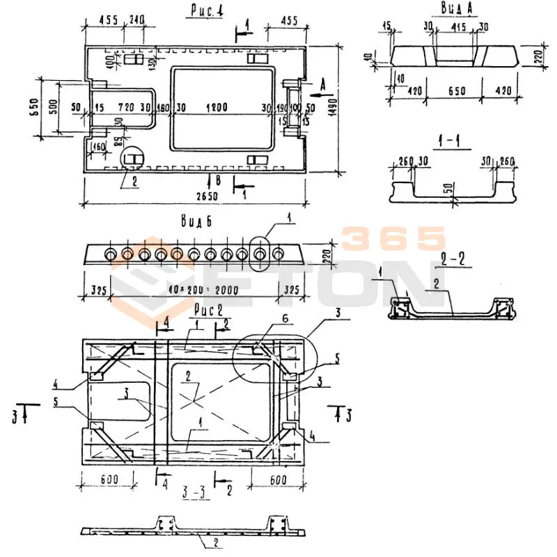
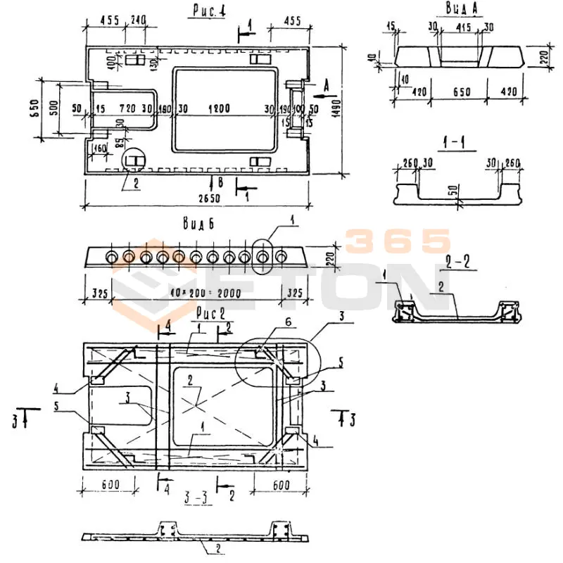
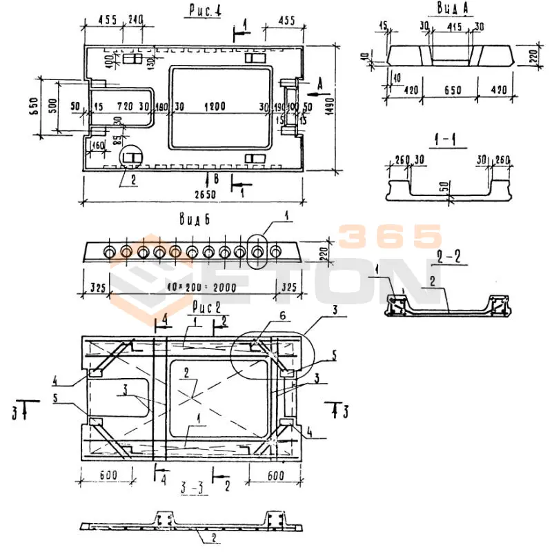
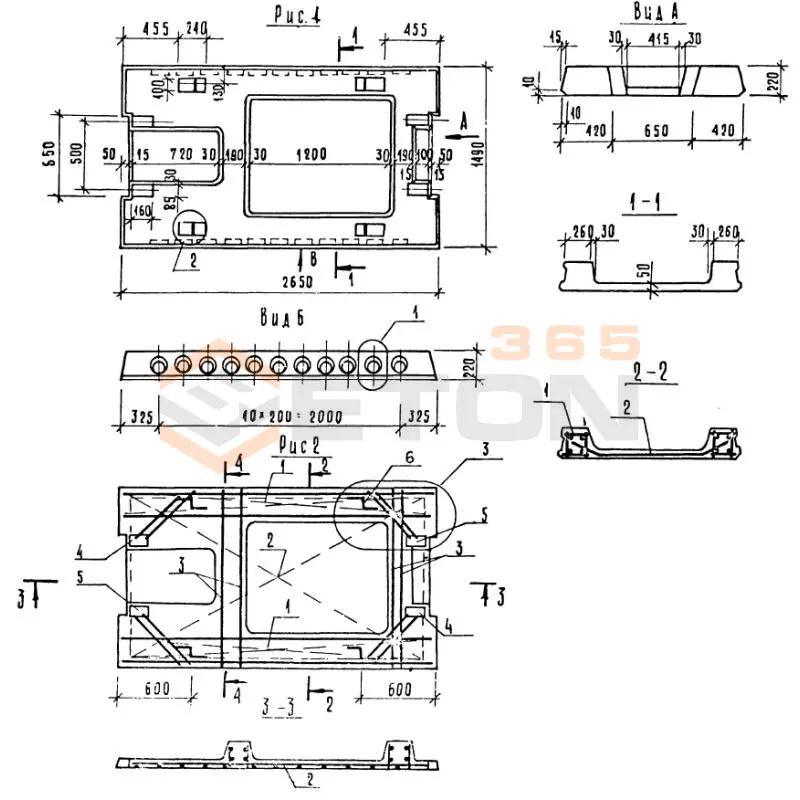
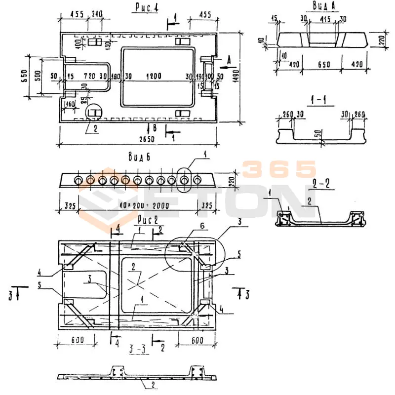
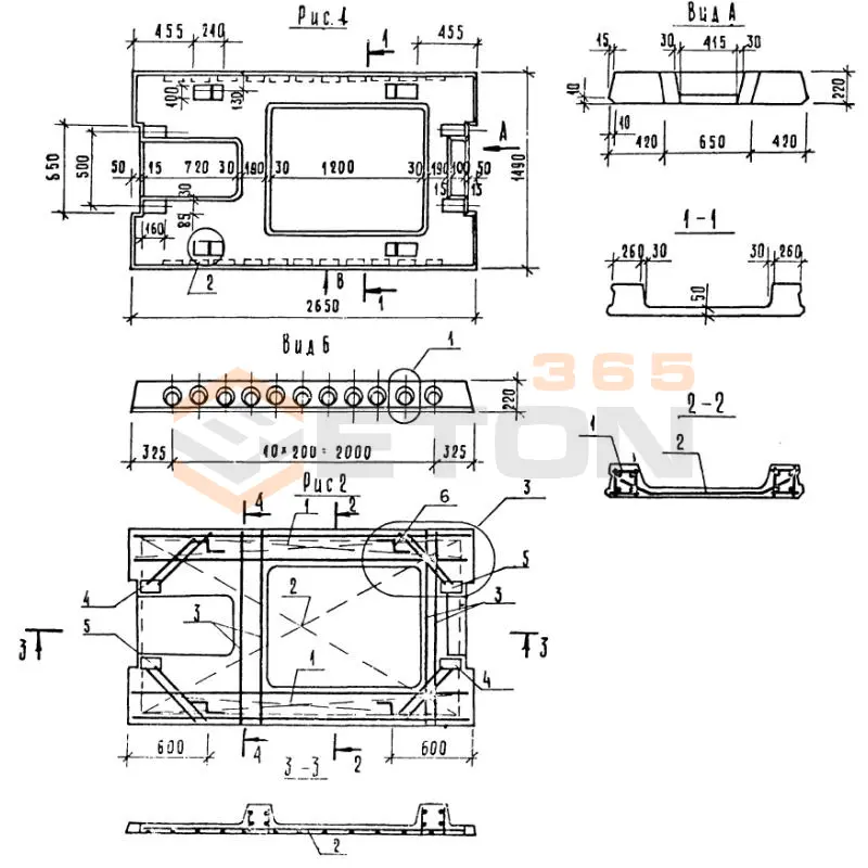
Плиты ребристые сантехнические Серия 1.041.1-2 предназначены для устройства перекрытий в санузлах, душевых и других помещениях с мокрым режимом эксплуатации в жилых, общественных и промышленных зданиях. Их ключевая функция — обеспечение заданного уклона поверхности для организованного стока воды к водоприемным воронкам или трапам. Долговечность и беспроблемная эксплуатация сантехнического узла достигаются только при полном соответствии параметров плит проектным расчетам и реальным условиям монтажа.

Критерии выбора

  • Марка и класс бетона: Изделия изготавливаются из тяжелого бетона марки не ниже М300 (класс В22,5), что обеспечивает необходимую прочность и устойчивость к агрессивной среде.
  • Водонепроницаемость и морозостойкость: Обязательные параметры — водонепроницаемость не ниже W6 и морозостойкость F150-F200 для защиты арматуры от коррозии и разрушения при циклах замораживания-оттаивания.
  • Типоразмер и конфигурация: Тщательно сверьте габаритные размеры и схему расположения ребер с проектом. Плиты ребристые сантехнические Серия 1.041.1-2 имеют строго регламентированные типоразмеры и форму (прямоугольные, с отверстиями под трапы).
  • Наличие закладных и монтажных элементов: Проверьте наличие и соответствие чертежам закладных деталей для анкеровки и монтажных петель для безопасной строповки.
  • Соответствие нормам: Убедитесь, что изделие произведено в строгом соответствии с требованиями серии 1.041.1-2 и сопровождено паспортом качества.

Рекомендации по подбору и монтажу

При составлении спецификации на плиты ребристые сантехнические Серия 1.041.1-2 обязательно указывайте не только типоразмер, но и марку по несущей способности, а также ориентацию плиты на плане. Требуйте от поставщика предоставления полного комплекта документации, включая схемы строповки. Перед монтажом проверьте фактический уклон поверхности и расположение отверстий под инженерное оборудование.

На объекте критически важно обеспечить проектный уклон основания под опорные части плит. Неправильная подготовка приведет к перекосу и нарушению водоотвода. Монтаж следует вести с использованием мягких строп, избегая ударных нагрузок. Сразу после укладки проверьте совпадение отверстий в плите с выпусками канализационных стояков и трапов, так как последующая корректировка практически невозможна.

Ответы экспертов на ваши вопросы

Плиты ребристые сантехнические серии 1.041.1-2 предназначены для устройства сантехкабин в жилых, общественных и промышленных зданиях. Они используются в качестве несущих конструкций санузлов, ванных комнат и других помещений, где требуется размещение сантехнического оборудования и прокладка инженерных коммуникаций.

Основные преимущества включают: высокую заводскую готовность и качество изготовления, сокращение сроков монтажа на строительной площадке, точность геометрических параметров, возможность скрытой прокладки инженерных коммуникаций в специальных каналах, а также снижение трудоемкости работ и расхода материалов на объекте.

Плиты серии 1.041.1-2 рассчитываются на восприятие постоянных и временных нагрузок согласно действующим строительным нормам. Конкретные значения нагрузок указываются в рабочих чертежах и зависят от марки плиты, но обычно они рассчитаны на полезную нагрузку 150-200 кг/м² плюс вес сантехнического оборудования и возможные монтажные нагрузки.

При монтаже необходимо обеспечить: точное позиционирование плит по проектным отметкам, правильное опирание на несущие конструкции, качественную заделку швов и стыков, соблюдение требований по анкеровке, а также особое внимание к местам пропуска инженерных коммуникаций. Важно соблюдать последовательность монтажа, указанную в проекте производства работ.

После монтажа выполняются: заделка монтажных швов цементно-песчаным раствором, устройство гидроизоляции в мокрых зонах, монтаж сантехнического оборудования, прокладка и подключение инженерных систем, а также финишная отделка поверхностей (устройство стяжек, укладка плитки и т.д.).

Ранее смотрели
Настил коробчатый Серия В 86 Н 2-4-900 (В 86)
Н 2-4-900 (В 86)
Настил коробчатый Серия В 86
Кормушки Серия 3.818.9-2 КТ 38-70-37 а
КТ 38-70-37 а
Кормушки Серия 3.818.9-2
Колонны высотой 4,8; 6,0-4,8 м Серия 1.420.1-20с К 10-3 с
К 10-3 с
Колонны высотой 4,8; 6,0-4,8 м Серия 1.420.1-20с
РКВГ 12
РКВГ 12
Рабочие камеры Серия 3.003.1-1/87
Диафрагмы жесткости ДП (ИИ-04Н-5К) ДП 2-28-36
ДП 2-28-36
Диафрагмы жесткости ДП (ИИ-04Н-5К)
Камни для кладки стен ТУ 5741-004-18576628-99 СКЦ 15 д
СКЦ 15 д
Камни для кладки стен ТУ 5741-004-18576628-99
Фундаментные блоки пустотные ФБП серия 1.116.1-8 и ГОСТ 13579-78 ФБП 24-4-6
ФБП 24-4-6
Фундаментные блоки пустотные ФБП серия 1.116.1-8 и ГОСТ 13579-78
Плиты дорожные с нишей для люка ГОСТ 8020-2016 ПД 10 (ГОСТ 8020-2016)
ПД 10 (ГОСТ 8020-2016)
Плиты дорожные с нишей для люка ГОСТ 8020-2016

Уведомление о файлах cookie

Мы используем файлы cookie для улучшения вашего опыта просмотра и анализа трафика. Нажимая "Принять все", вы соглашаетесь с нашей политикой конфиденциальности и политикой обработки файлов cookie.

Дзен Телеграм Вконтакте vk