mobile_sound +7 (930) 655-55-90

Перемычки плитные ПР Серия 1.138-10

Поделиться:
Фильтр по характеристикам
Длина (мм.)
keyboard_arrow_down
мм.
мм.
Ширина (мм.)
keyboard_arrow_down
мм.
мм.
Высота (мм.)
keyboard_arrow_down
мм.
мм.
Вес (кг.)
keyboard_arrow_down
кг.
кг.
Поделиться:

Завод "Бетон365" производит перемычки плитные ПР серии 1.138-10 — ключевые элементы для создания проемов в несущих стенах зданий различного назначения. Эти железобетонные конструкции обеспечивают равномерное распределение нагрузок от вышележащих элементов, гарантируя жесткость и устойчивость всей строительной системы. Изготовленные в строгом соответствии с ГОСТ, наши перемычки отличаются повышенной несущей способностью и долговечностью, что позволяет значительно ускорить монтажные работы без потери качества.

Мы реализуем перемычки плитные ПР серии 1.138-10 напрямую от производителя в Москве и МО по конкурентным ценам. В каталоге представлены изделия с разными параметрами для оптимального решения ваших строительных задач. Предлагаем быструю доставку на объект и гарантию на всю продукцию. Для уточнения характеристик и оформления заказа свяжитесь с нашими специалистами!

2ПР 10-23-51-14
Перемычки плитные ПР Серия 1.138-10
  • Длина 2330 мм.
  • Ширина 510 мм.
  • Высота 190 мм.
  • Вес 565 кг.
  • Объем бетона 0,23 м3
  • Геометрический объем 0,2258 м3
Цена: 4908 руб.
Подробнее
2ПР 11-24-51-19
Перемычки плитные ПР Серия 1.138-10
  • Длина 2460 мм.
  • Ширина 510 мм.
  • Высота 190 мм.
  • Вес 595 кг.
  • Объем бетона 0,24 м3
  • Геометрический объем 0,2384 м3
Цена: 5122 руб.
Подробнее
2ПР 10-29-38-19
Перемычки плитные ПР Серия 1.138-10
  • Длина 2980 мм.
  • Ширина 380 мм.
  • Высота 190 мм.
  • Вес 538 кг.
  • Объем бетона 0,215 м3
  • Геометрический объем 0,2152 м3
Цена: 4588 руб.
Подробнее
2ПР 14-38-22-72 АVт
Перемычки плитные ПР Серия 1.138-10
  • Длина 1420 мм.
  • Ширина 380 мм.
  • Высота 220 мм.
  • Вес 297 кг.
  • Объем бетона 0,11 м3
  • Геометрический объем 0,1187 м3
Цена: 2347 руб.
Подробнее
2ПР 14-38-19-72 АVт
Перемычки плитные ПР Серия 1.138-10
  • Длина 1420 мм.
  • Ширина 380 мм.
  • Высота 190 мм.
  • Вес 256 кг.
  • Объем бетона 0,1 м3
  • Геометрический объем 0,1025 м3
Цена: 2134 руб.
Подробнее
2ПР 14-38-19-72 АIVт
Перемычки плитные ПР Серия 1.138-10
  • Длина 1420 мм.
  • Ширина 380 мм.
  • Высота 190 мм.
  • Вес 256 кг.
  • Объем бетона 0,1 м3
  • Геометрический объем 0,1025 м3
Цена: 2134 руб.
Подробнее
2ПР 14-38-22-72 АIVт
Перемычки плитные ПР Серия 1.138-10
  • Длина 1420 мм.
  • Ширина 380 мм.
  • Высота 220 мм.
  • Вес 297 кг.
  • Объем бетона 0,11 м3
  • Геометрический объем 0,1187 м3
Цена: 2347 руб.
Подробнее
2ПР 13-29-51-19
Перемычки плитные ПР Серия 1.138-10
  • Длина 2980 мм.
  • Ширина 510 мм.
  • Высота 190 мм.
  • Вес 722 кг.
  • Объем бетона 0,288 м3
  • Геометрический объем 0,2888 м3
Цена: 6146 руб.
Подробнее
2ПР 14-51-19-73 АIVт
Перемычки плитные ПР Серия 1.138-10
  • Длина 1420 мм.
  • Ширина 510 мм.
  • Высота 190 мм.
  • Вес 344 кг.
  • Объем бетона 0,137 м3
  • Геометрический объем 0,1376 м3
Цена: 2924 руб.
Подробнее
2ПР 14-51-19-73 АVт
Перемычки плитные ПР Серия 1.138-10
  • Длина 1420 мм.
  • Ширина 510 мм.
  • Высота 190 мм.
  • Вес 344 кг.
  • Объем бетона 0,137 м3
  • Геометрический объем 0,1376 м3
Цена: 2924 руб.
Подробнее
2ПР 14-51-22-73 АIVт
Перемычки плитные ПР Серия 1.138-10
  • Длина 1420 мм.
  • Ширина 510 мм.
  • Высота 220 мм.
  • Вес 398 кг.
  • Объем бетона 0,159 м3
  • Геометрический объем 0,1593 м3
Цена: 3393 руб.
Подробнее
2ПР 14-51-22-73 АVт
Перемычки плитные ПР Серия 1.138-10
  • Длина 1420 мм.
  • Ширина 510 мм.
  • Высота 220 мм.
  • Вес 398 кг.
  • Объем бетона 0,159 м3
  • Геометрический объем 0,1593 м3
Цена: 3393 руб.
Подробнее
2ПР 15-38-22-72 АIVт
Перемычки плитные ПР Серия 1.138-10
  • Длина 1550 мм.
  • Ширина 380 мм.
  • Высота 220 мм.
  • Вес 325 кг.
  • Объем бетона 0,13 м3
  • Геометрический объем 0,1296 м3
Цена: 2774 руб.
Подробнее
2ПР 15-38-19-72 АIVт
Перемычки плитные ПР Серия 1.138-10
  • Длина 1550 мм.
  • Ширина 380 мм.
  • Высота 190 мм.
  • Вес 280 кг.
  • Объем бетона 0,11 м3
  • Геометрический объем 0,1119 м3
Цена: 2347 руб.
Подробнее
2ПР 15-38-19-72 АVт
Перемычки плитные ПР Серия 1.138-10
  • Длина 1550 мм.
  • Ширина 380 мм.
  • Высота 190 мм.
  • Вес 280 кг.
  • Объем бетона 0,11 м3
  • Геометрический объем 0,1119 м3
Цена: 2347 руб.
Подробнее
2ПР 15-38-22-72 АVт
Перемычки плитные ПР Серия 1.138-10
  • Длина 1550 мм.
  • Ширина 380 мм.
  • Высота 220 мм.
  • Вес 325 кг.
  • Объем бетона 0,13 м3
  • Геометрический объем 0,1296 м3
Цена: 2774 руб.
Подробнее
2ПР 15-51-19-73 АIVт
Перемычки плитные ПР Серия 1.138-10
  • Длина 1550 мм.
  • Ширина 510 мм.
  • Высота 190 мм.
  • Вес 375 кг.
  • Объем бетона 0,15 м3
  • Геометрический объем 0,1502 м3
Цена: 3201 руб.
Подробнее
2ПР 15-51-19-73 АVт
Перемычки плитные ПР Серия 1.138-10
  • Длина 1550 мм.
  • Ширина 510 мм.
  • Высота 190 мм.
  • Вес 375 кг.
  • Объем бетона 0,15 м3
  • Геометрический объем 0,1502 м3
Цена: 3201 руб.
Подробнее
2ПР 18-38-19-72 АIVт
Перемычки плитные ПР Серия 1.138-10
  • Длина 1810 мм.
  • Ширина 380 мм.
  • Высота 190 мм.
  • Вес 327 кг.
  • Объем бетона 0,13 м3
  • Геометрический объем 0,1307 м3
Цена: 2774 руб.
Подробнее
2ПР 15-51-22-73 АVт
Перемычки плитные ПР Серия 1.138-10
  • Длина 1550 мм.
  • Ширина 510 мм.
  • Высота 220 мм.
  • Вес 435 кг.
  • Объем бетона 0,173 м3
  • Геометрический объем 0,1739 м3
Цена: 3692 руб.
Подробнее
2ПР 15-51-22-73 АIVт
Перемычки плитные ПР Серия 1.138-10
  • Длина 1550 мм.
  • Ширина 510 мм.
  • Высота 220 мм.
  • Вес 435 кг.
  • Объем бетона 0,173 м3
  • Геометрический объем 0,1739 м3
Цена: 3692 руб.
Подробнее
2ПР 18-38-19-72 АVт
Перемычки плитные ПР Серия 1.138-10
  • Длина 1810 мм.
  • Ширина 380 мм.
  • Высота 190 мм.
  • Вес 327 кг.
  • Объем бетона 0,13 м3
  • Геометрический объем 0,1307 м3
Цена: 2774 руб.
Подробнее
2ПР 18-38-22-72 АIVт
Перемычки плитные ПР Серия 1.138-10
  • Длина 1810 мм.
  • Ширина 380 мм.
  • Высота 220 мм.
  • Вес 378 кг.
  • Объем бетона 0,15 м3
  • Геометрический объем 0,1513 м3
Цена: 3201 руб.
Подробнее
2ПР 18-38-22-72 АVт
Перемычки плитные ПР Серия 1.138-10
  • Длина 1810 мм.
  • Ширина 380 мм.
  • Высота 220 мм.
  • Вес 378 кг.
  • Объем бетона 0,15 м3
  • Геометрический объем 0,1513 м3
Цена: 3201 руб.
Подробнее
2ПР 18-51-22-73 АVт
Перемычки плитные ПР Серия 1.138-10
  • Длина 1810 мм.
  • Ширина 510 мм.
  • Высота 220 мм.
  • Вес 508 кг.
  • Объем бетона 0,2 м3
  • Геометрический объем 0,2031 м3
Цена: 4268 руб.
Подробнее
2ПР 18-51-22-73 АIVт
Перемычки плитные ПР Серия 1.138-10
  • Длина 1810 мм.
  • Ширина 510 мм.
  • Высота 220 мм.
  • Вес 508 кг.
  • Объем бетона 0,2 м3
  • Геометрический объем 0,2031 м3
Цена: 4268 руб.
Подробнее
2ПР 18-51-19-73 АVт
Перемычки плитные ПР Серия 1.138-10
  • Длина 1810 мм.
  • Ширина 510 мм.
  • Высота 190 мм.
  • Вес 438 кг.
  • Объем бетона 0,175 м3
  • Геометрический объем 0,1754 м3
Цена: 3735 руб.
Подробнее
2ПР 20-38-19-72 АIVт
Перемычки плитные ПР Серия 1.138-10
  • Длина 2070 мм.
  • Ширина 380 мм.
  • Высота 190 мм.
  • Вес 374 кг.
  • Объем бетона 0,15 м3
  • Геометрический объем 0,1495 м3
Цена: 3201 руб.
Подробнее
2ПР 18-51-19-73 АIVт
Перемычки плитные ПР Серия 1.138-10
  • Длина 1810 мм.
  • Ширина 510 мм.
  • Высота 190 мм.
  • Вес 438 кг.
  • Объем бетона 0,175 м3
  • Геометрический объем 0,1754 м3
Цена: 3735 руб.
Подробнее
2ПР 20-38-19-72 АVт
Перемычки плитные ПР Серия 1.138-10
  • Длина 2070 мм.
  • Ширина 380 мм.
  • Высота 190 мм.
  • Вес 374 кг.
  • Объем бетона 0,15 м3
  • Геометрический объем 0,1495 м3
Цена: 3201 руб.
Подробнее
2ПР 20-38-22-72 АIVт
Перемычки плитные ПР Серия 1.138-10
  • Длина 2070 мм.
  • Ширина 380 мм.
  • Высота 220 мм.
  • Вес 433 кг.
  • Объем бетона 0,17 м3
  • Геометрический объем 0,1731 м3
Цена: 3628 руб.
Подробнее
2ПР 20-38-22-72 АVт
Перемычки плитные ПР Серия 1.138-10
  • Длина 2070 мм.
  • Ширина 380 мм.
  • Высота 220 мм.
  • Вес 433 кг.
  • Объем бетона 0,17 м3
  • Геометрический объем 0,1731 м3
Цена: 3628 руб.
Подробнее
2ПР 20-51-19-73 АIVт
Перемычки плитные ПР Серия 1.138-10
  • Длина 2070 мм.
  • Ширина 510 мм.
  • Высота 190 мм.
  • Вес 501 кг.
  • Объем бетона 0,2 м3
  • Геометрический объем 0,2006 м3
Цена: 4268 руб.
Подробнее
2ПР 20-51-22-73 АIVт
Перемычки плитные ПР Серия 1.138-10
  • Длина 2070 мм.
  • Ширина 510 мм.
  • Высота 220 мм.
  • Вес 581 кг.
  • Объем бетона 0,23 м3
  • Геометрический объем 0,2323 м3
Цена: 4908 руб.
Подробнее
2ПР 20-51-19-73 АVт
Перемычки плитные ПР Серия 1.138-10
  • Длина 2070 мм.
  • Ширина 510 мм.
  • Высота 190 мм.
  • Вес 501 кг.
  • Объем бетона 0,2 м3
  • Геометрический объем 0,2006 м3
Цена: 4268 руб.
Подробнее
2ПР 27-38-19-72 АIVт
Перемычки плитные ПР Серия 1.138-10
  • Длина 2720 мм.
  • Ширина 380 мм.
  • Высота 190 мм.
  • Вес 491 кг.
  • Объем бетона 0,196 м3
  • Геометрический объем 0,1964 м3
Цена: 4183 руб.
Подробнее
2ПР 20-51-22-73 АVт
Перемычки плитные ПР Серия 1.138-10
  • Длина 2070 мм.
  • Ширина 510 мм.
  • Высота 220 мм.
  • Вес 581 кг.
  • Объем бетона 0,23 м3
  • Геометрический объем 0,2323 м3
Цена: 4908 руб.
Подробнее
2ПР 27-38-19-72 АVт
Перемычки плитные ПР Серия 1.138-10
  • Длина 2720 мм.
  • Ширина 380 мм.
  • Высота 190 мм.
  • Вес 491 кг.
  • Объем бетона 0,196 м3
  • Геометрический объем 0,1964 м3
Цена: 4183 руб.
Подробнее
2ПР 27-38-22-72 АIVт
Перемычки плитные ПР Серия 1.138-10
  • Длина 2720 мм.
  • Ширина 380 мм.
  • Высота 220 мм.
  • Вес 568 кг.
  • Объем бетона 0,22 м3
  • Геометрический объем 0,2274 м3
Цена: 4695 руб.
Подробнее
2ПР 27-51-19-73 АIVт
Перемычки плитные ПР Серия 1.138-10
  • Длина 2720 мм.
  • Ширина 510 мм.
  • Высота 190 мм.
  • Вес 659 кг.
  • Объем бетона 0,26 м3
  • Геометрический объем 0,2636 м3
Цена: 5548 руб.
Подробнее
2ПР 27-51-22-73 АIVт
Перемычки плитные ПР Серия 1.138-10
  • Длина 2720 мм.
  • Ширина 510 мм.
  • Высота 220 мм.
  • Вес 763 кг.
  • Объем бетона 0,3 м3
  • Геометрический объем 0,3052 м3
Цена: 6402 руб.
Подробнее
2ПР 27-51-22-73 АVт
Перемычки плитные ПР Серия 1.138-10
  • Длина 2720 мм.
  • Ширина 510 мм.
  • Высота 220 мм.
  • Вес 763 кг.
  • Объем бетона 0,3 м3
  • Геометрический объем 0,3052 м3
Цена: 6402 руб.
Подробнее
2ПР 27-51-19-73 АVт
Перемычки плитные ПР Серия 1.138-10
  • Длина 2720 мм.
  • Ширина 510 мм.
  • Высота 190 мм.
  • Вес 659 кг.
  • Объем бетона 0,26 м3
  • Геометрический объем 0,2636 м3
Цена: 5548 руб.
Подробнее
2ПР 27-38-22-72 АVт
Перемычки плитные ПР Серия 1.138-10
  • Длина 2720 мм.
  • Ширина 380 мм.
  • Высота 220 мм.
  • Вес 568 кг.
  • Объем бетона 0,22 м3
  • Геометрический объем 0,2274 м3
Цена: 4695 руб.
Подробнее
2ПР 3-11-38-9
Перемычки плитные ПР Серия 1.138-10
  • Длина 1160 мм.
  • Ширина 380 мм.
  • Высота 90 мм.
  • Вес 99 кг.
  • Объем бетона 0,0396 м3
  • Геометрический объем 0,0397 м3
Цена: 845 руб.
Подробнее
2ПР 4-11-51-9
Перемычки плитные ПР Серия 1.138-10
  • Длина 1160 мм.
  • Ширина 510 мм.
  • Высота 90 мм.
  • Вес 133 кг.
  • Объем бетона 0,0532 м3
  • Геометрический объем 0,0532 м3
Цена: 1135 руб.
Подробнее
2ПР 4-14-38-9
Перемычки плитные ПР Серия 1.138-10
  • Длина 1420 мм.
  • Ширина 380 мм.
  • Высота 90 мм.
  • Вес 121 кг.
  • Объем бетона 0,0484 м3
  • Геометрический объем 0,0486 м3
Цена: 1033 руб.
Подробнее
2ПР 6-20-38-19
Перемычки плитные ПР Серия 1.138-10
  • Длина 2070 мм.
  • Ширина 380 мм.
  • Высота 190 мм.
  • Вес 374 кг.
  • Объем бетона 0,15 м3
  • Геометрический объем 0,1495 м3
Цена: 3201 руб.
Подробнее
2ПР 5-18-38-19
Перемычки плитные ПР Серия 1.138-10
  • Длина 1810 мм.
  • Ширина 380 мм.
  • Высота 190 мм.
  • Вес 327 кг.
  • Объем бетона 0,13 м3
  • Геометрический объем 0,1307 м3
Цена: 2774 руб.
Подробнее
2ПР 5-16-38-19
Перемычки плитные ПР Серия 1.138-10
  • Длина 1680 мм.
  • Ширина 380 мм.
  • Высота 190 мм.
  • Вес 303 кг.
  • Объем бетона 0,12 м3
  • Геометрический объем 0,1213 м3
Цена: 2561 руб.
Подробнее
2ПР 5-14-51-9
Перемычки плитные ПР Серия 1.138-10
  • Длина 1420 мм.
  • Ширина 510 мм.
  • Высота 90 мм.
  • Вес 163 кг.
  • Объем бетона 0,065 м3
  • Геометрический объем 0,0652 м3
Цена: 1387 руб.
Подробнее
2ПР 6-16-51-9
Перемычки плитные ПР Серия 1.138-10
  • Длина 1680 мм.
  • Ширина 510 мм.
  • Высота 90 мм.
  • Вес 193 кг.
  • Объем бетона 0,077 м3
  • Геометрический объем 0,0771 м3
Цена: 1643 руб.
Подробнее
2ПР 7-18-51-19
Перемычки плитные ПР Серия 1.138-10
  • Длина 1810 мм.
  • Ширина 510 мм.
  • Высота 190 мм.
  • Вес 438 кг.
  • Объем бетона 0,175 м3
  • Геометрический объем 0,1754 м3
Цена: 3735 руб.
Подробнее
2ПР 7-23-38-19
Перемычки плитные ПР Серия 1.138-10
  • Длина 2330 мм.
  • Ширина 380 мм.
  • Высота 190 мм.
  • Вес 421 кг.
  • Объем бетона 0,168 м3
  • Геометрический объем 0,1682 м3
Цена: 3585 руб.
Подробнее
2ПР 72-18-38-19 у
Перемычки плитные ПР Серия 1.138-10
  • Длина 1810 мм.
  • Ширина 380 мм.
  • Высота 190 мм.
  • Вес 327 кг.
  • Объем бетона 0,13 м3
  • Геометрический объем 0,1307 м3
Цена: 2774 руб.
Подробнее
2ПР 72-20-38-19 у
Перемычки плитные ПР Серия 1.138-10
  • Длина 2070 мм.
  • Ширина 380 мм.
  • Высота 190 мм.
  • Вес 374 кг.
  • Объем бетона 0,15 м3
  • Геометрический объем 0,1495 м3
Цена: 3201 руб.
Подробнее
2ПР 72-15-38-19 у
Перемычки плитные ПР Серия 1.138-10
  • Длина 1550 мм.
  • Ширина 380 мм.
  • Высота 190 мм.
  • Вес 280 кг.
  • Объем бетона 0,11 м3
  • Геометрический объем 0,1119 м3
Цена: 2347 руб.
Подробнее
2ПР 72-27-38-19 у
Перемычки плитные ПР Серия 1.138-10
  • Длина 2720 мм.
  • Ширина 380 мм.
  • Высота 190 мм.
  • Вес 491 кг.
  • Объем бетона 0,196 м3
  • Геометрический объем 0,1964 м3
Цена: 4183 руб.
Подробнее
2ПР 72-14-38-19 у
Перемычки плитные ПР Серия 1.138-10
  • Длина 1420 мм.
  • Ширина 380 мм.
  • Высота 190 мм.
  • Вес 256 кг.
  • Объем бетона 0,1 м3
  • Геометрический объем 0,1025 м3
Цена: 2134 руб.
Подробнее
2ПР 73-14-51-19 у
Перемычки плитные ПР Серия 1.138-10
  • Длина 1420 мм.
  • Ширина 510 мм.
  • Высота 190 мм.
  • Вес 344 кг.
  • Объем бетона 0,137 м3
  • Геометрический объем 0,1376 м3
Цена: 2924 руб.
Подробнее

Как правильно выбрать - Перемычки плитные ПР Серия 1.138-10

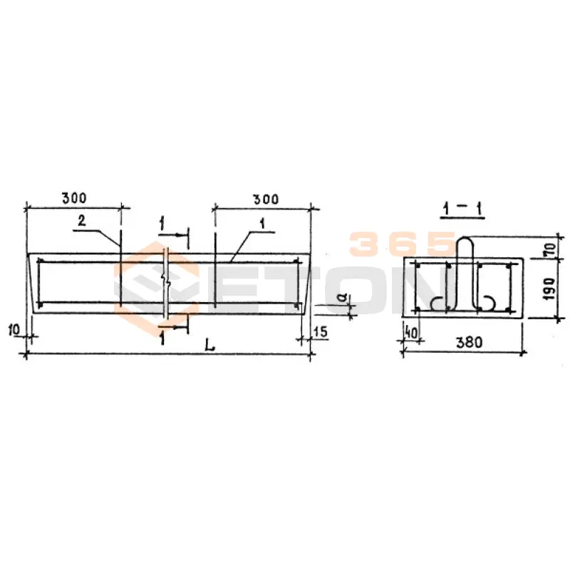
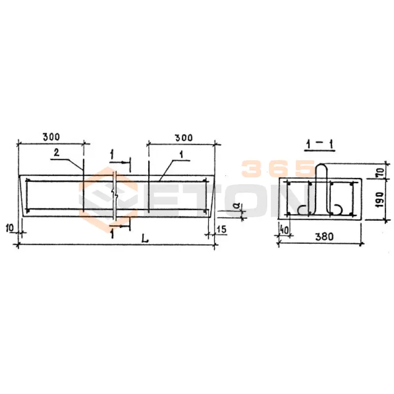
Перемычки плитные ПР Серия 1.138-10 предназначены для перекрытия проемов в стенах из кирпича, мелких блоков и панелей в жилых, гражданских и промышленных зданиях. Они воспринимают нагрузку от вышележащей кладки и передают ее на простенки, обеспечивая жесткость и устойчивость конструкции. Долговечность и безопасность узла опирания напрямую зависят от соответствия выбранных плитных перемычек проектным схемам нагрузок и условиям эксплуатации.

Критерии выбора

  • Типоразмер и несущая способность: Основной параметр – длина и ширина изделия, которые должны строго соответствовать ширине проема и толщине стены. Номер перемычки (например, 2ПР-17-4-п) указывает на ее габариты и расчетную нагрузку.
  • Марка бетона и прочностные характеристики: Изделия изготавливаются из тяжелого бетона марки не ниже М250, что обеспечивает требуемую прочность на сжатие. Обращайте внимание на фактический класс бетона (В20).
  • Армирование: Каркас выполнен из стальной арматурной стали классов А-I и А-III. Проверяйте паспорт на соответствие проекту по классу и диаметру арматуры.
  • Морозостойкость и водонепроницаемость: Для большинства регионов достаточно морозостойкости F50, но для фасадных элементов в условиях агрессивной среды требуются перемычки с показателем F100-F200. Водонепроницаемость, как правило, W2-W4.
  • Наличие монтажных петель: Все плитные перемычки ПР оснащены закладными деталями (петлями) для безопасного монтажа. Убедитесь в их целостности и правильном положении.
  • Соответствие нормам: Изделие должно строго соответствовать требованиям Серии 1.138-10 и ГОСТ 948-84 на железобетонные перемычки.

Рекомендации по подбору и монтажу

При составлении спецификации на перемычки плитные ПР обязательно учитывайте не только статические нагрузки от кладки, но и динамические воздействия (например, вибрацию от транспорта в смежных помещениях). Тщательно проверяйте сопроводительную документацию, где должны быть указаны марка бетона, дата изготовления и результаты контрольных испытаний. Для проемов сложной формы или при больших нагрузках может потребоваться применение балочных перемычек.

Монтаж плитных перемычек Серии 1.138-10 требует подготовки надежного основания – опорной площадки из кладочного раствора. Минимальная глубина опирания должна составлять не менее 200 мм с каждой стороны. Перед укладкой проверьте горизонтальность основания с помощью уровня. Категорически запрещается использовать поврежденные изделия или производить подгонку перемычек по месту путем их скола. Правильный подбор и монтаж этих ЖБИ – залог прочности и долговечности стеновых конструкций.

Ответы экспертов на ваши вопросы

Перемычки плитные ПР серии 1.138-10 обладают несколькими ключевыми преимуществами: высокая несущая способность при относительно небольшом собственном весе, стандартизированные размеры, обеспечивающие простоту монтажа и проектирования, универсальность применения для различных типов зданий, а также промышленное изготовление, гарантирующее стабильное качество и соответствие нормативным требованиям.

Основными нормативными документами являются: Серия 1.138-10 "Перемычки железобетонные для зданий с кирпичными стенами", ГОСТ 948-2016 "Перемычки железобетонные для зданий с кирпичными стенами", а также СП 70.13330.2012 "Несущие и ограждающие конструкции" с актуальными изменениями.

Подбор осуществляется на основе расчетной нагрузки, ширины проема и толщины стены. В серии 1.138-10 предусмотрена маркировка, где указываются несущая способность и геометрические параметры. Для точного подбора необходимо выполнить расчет нагрузки от вышележащих конструкций и свериться с таблицами несущей способности в технической документации серии.

Монтаж осуществляется на подготовленное основание (опорные площадки) с обеспечением минимальной глубины опирания 250 мм. Перемычки укладываются на цементно-песчаный раствор марки не ниже М100. При монтаже необходимо контролировать горизонтальность и равномерность опирания, а также обеспечить анкеровку в случае необходимости.

Основные ограничения включают: применение в зданиях с расчетной сейсмичностью не более 9 баллов, температуру эксплуатации не ниже -40°C, невозможность использования в агрессивных средах без дополнительной защиты, а также необходимость индивидуального расчета при значительных динамических или особых нагрузках.

Ранее смотрели
Колонны верхних этажей высотой 3,6; 4,8 и 6,0 м Серия 1.420-12 вып. 4 К 76-3-1
К 76-3-1
Колонны верхних этажей высотой 3,6; 4,8 и 6,0 м Серия 1.420-12 вып. 4
Блоки шахт лифтов Серия 1.089.1-1 БШЛ 100-12 п-2 б
БШЛ 100-12 п-2 б
Блоки шахт лифтов Серия 1.089.1-1
Панели перекрытий ребристые Альбом ВИ 37-76 БП 213 у (Альбом ВИ 37-76)
БП 213 у (Альбом ВИ 37-76)
Панели перекрытий ребристые Альбом ВИ 37-76
Плиты тротуарные ТП 501-259 ТП 8 (ТП 501-259)
ТП 8 (ТП 501-259)
Плиты тротуарные ТП 501-259
Вкладыши Серия ИИ 01-02 Л 10 (ИИ 01-02)
Л 10 (ИИ 01-02)
Вкладыши Серия ИИ 01-02
Лестничные площадки Альбом НК 33-07 ЛП 32-16 (Альбом НК 33-07)
ЛП 32-16 (Альбом НК 33-07)
Лестничные площадки Альбом НК 33-07
Блоки шахт лифтов Серия 1.089.1-1 БШЛ 100-12 п-4 б
БШЛ 100-12 п-4 б
Блоки шахт лифтов Серия 1.089.1-1
Блоки шахт лифтов Серия 1.089.1-1 БШЛ 100-12 п-3 б
БШЛ 100-12 п-3 б
Блоки шахт лифтов Серия 1.089.1-1

Уведомление о файлах cookie

Мы используем файлы cookie для улучшения вашего опыта просмотра и анализа трафика. Нажимая "Принять все", вы соглашаетесь с нашей политикой конфиденциальности и политикой обработки файлов cookie.

Дзен Телеграм Вконтакте vk