mobile_sound +7 (930) 655-55-90

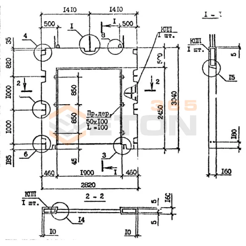
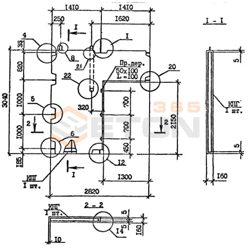
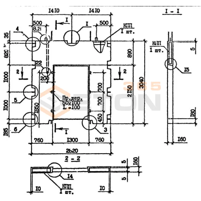
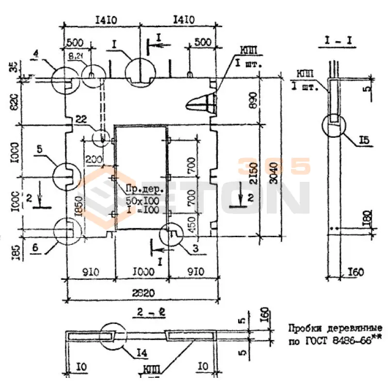
Панели внутренних стен Серия 1.090.1-7с

Поделиться:
Фильтр по характеристикам
Длина (мм.)
keyboard_arrow_down
мм.
мм.
Ширина (мм.)
keyboard_arrow_down
мм.
мм.
Высота (мм.)
keyboard_arrow_down
мм.
мм.
Вес (кг.)
keyboard_arrow_down
кг.
кг.
Поделиться:

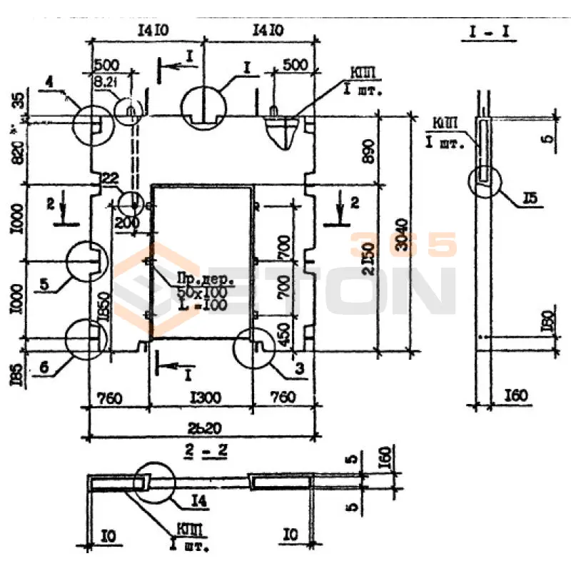
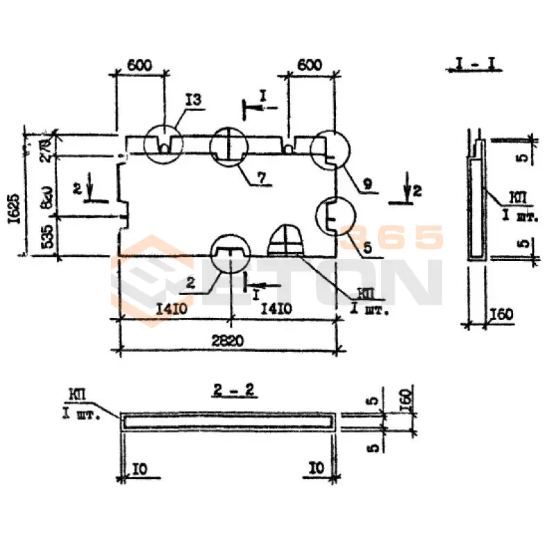
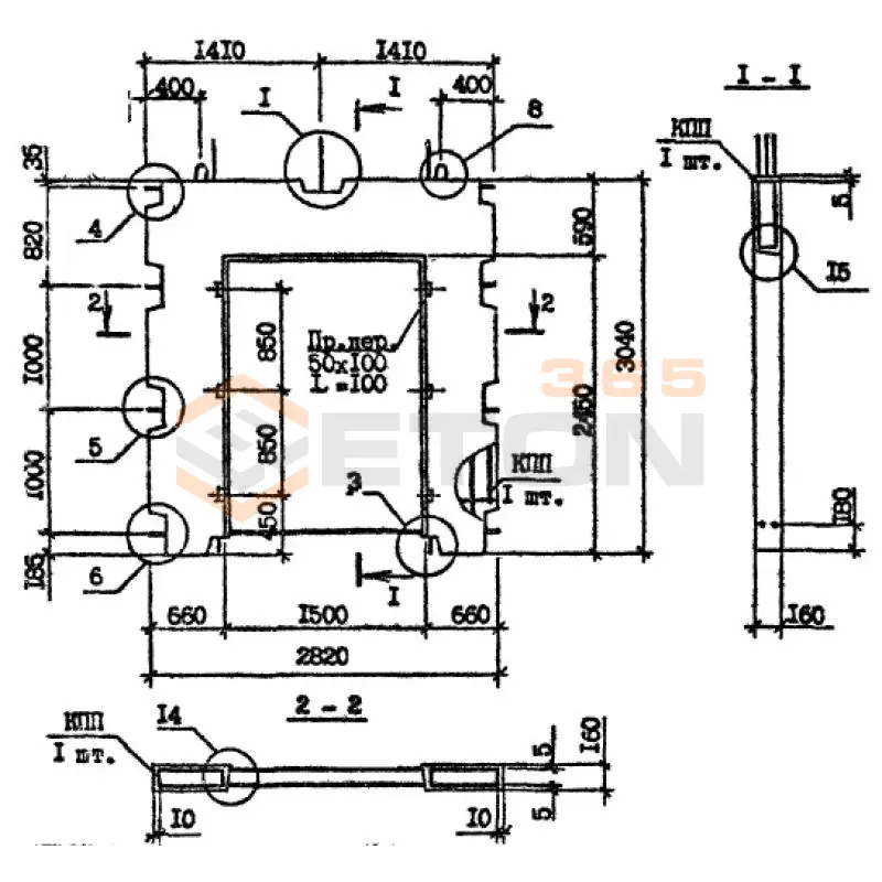
Завод "Бетон365" производит панели внутренних стен серии 1.090.1-7с — ключевые элементы для формирования надежных несущих конструкций в жилых и общественных зданиях. Эти железобетонные изделия соответствуют строгим требованиям ГОСТ, обеспечивая оптимальное распределение нагрузок между этажами и создавая жесткий каркас сооружения. Применение готовых стеновых панелей промышленного производства позволяет значительно сократить сроки строительства при гарантированной долговечности и сейсмической устойчивости объектов.

Реализуем панели внутренних стен серии 1.090.1-7с напрямую от производителя в Москве и Московской области. В нашем каталоге представлена продукция с детализированными техническими характеристиками и конкурентными ценами. Организуем доставку на объект и предоставим полную консультацию по монтажу изделий. Чтобы купить качественные ЖБИ с гарантией и оперативной отгрузкой — обращайтесь к нашим специалистам для расчета стоимости заказа.

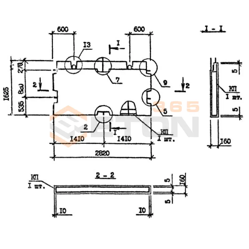
1ПВ 28-16-1 тс (1.090.1-7с)
Панели внутренних стен Серия 1.090.1-7с
  • Длина 2820 мм.
  • Ширина 160 мм.
  • Высота 1625 мм.
  • Вес 1600 кг.
  • Объем бетона 0,64 м3
  • Геометрический объем 0,7332 м3
Цена: 21728 руб.
Подробнее
1ПВ 28-16-1 тс9 (1.090.1-7с)
Панели внутренних стен Серия 1.090.1-7с
  • Длина 2820 мм.
  • Ширина 160 мм.
  • Высота 1625 мм.
  • Вес 1600 кг.
  • Объем бетона 0,64 м3
  • Геометрический объем 0,7332 м3
Цена: 21728 руб.
Подробнее
ПВ 10-30-1 тс9 (1.090.1-7с)
Панели внутренних стен Серия 1.090.1-7с
  • Длина 1020 мм.
  • Ширина 160 мм.
  • Высота 3040 мм.
  • Вес 1130 кг.
  • Объем бетона 0,45 м3
  • Геометрический объем 0,4961 м3
Цена: 15278 руб.
Подробнее
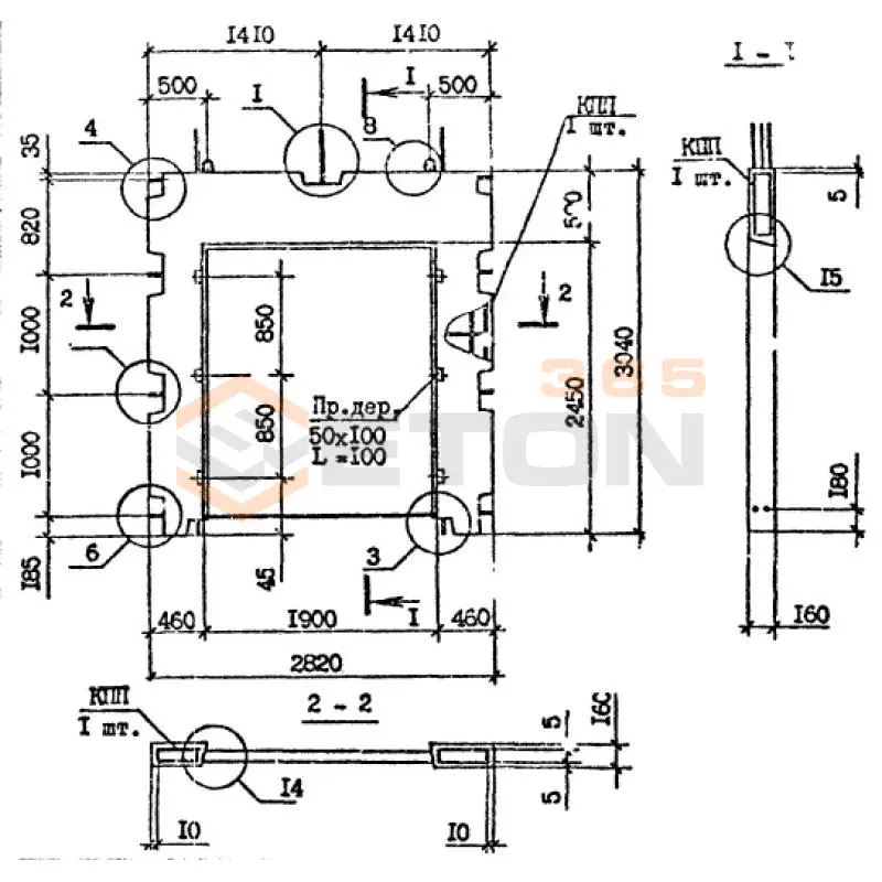
1ПВП 28-30-13-1 тс9 (1.090.1-7с)
Панели внутренних стен Серия 1.090.1-7с
  • Длина 2820 мм.
  • Ширина 160 мм.
  • Высота 3040 мм.
  • Вес 2170 кг.
  • Объем бетона 0,87 м3
  • Геометрический объем 1,3716 м3
Цена: 29537 руб.
Подробнее
1ПВП 28-30-13-1 тс (1.090.1-7с)
Панели внутренних стен Серия 1.090.1-7с
  • Длина 2820 мм.
  • Ширина 160 мм.
  • Высота 3040 мм.
  • Вес 2170 кг.
  • Объем бетона 0,87 м3
  • Геометрический объем 1,3716 м3
Цена: 29537 руб.
Подробнее
ПВ 10-30-1 тс (1.090.1-7с)
Панели внутренних стен Серия 1.090.1-7с
  • Длина 1020 мм.
  • Ширина 160 мм.
  • Высота 3040 мм.
  • Вес 1130 кг.
  • Объем бетона 0,45 м3
  • Геометрический объем 0,4961 м3
Цена: 15278 руб.
Подробнее
ПВ 16-30-1 тс9 (1.090.1-7с)
Панели внутренних стен Серия 1.090.1-7с
  • Длина 1620 мм.
  • Ширина 160 мм.
  • Высота 3040 мм.
  • Вес 1820 кг.
  • Объем бетона 0,73 м3
  • Геометрический объем 0,788 м3
Цена: 24784 руб.
Подробнее
ПВ 16-30-1 тс (1.090.1-7с)
Панели внутренних стен Серия 1.090.1-7с
  • Длина 1620 мм.
  • Ширина 160 мм.
  • Высота 3040 мм.
  • Вес 1820 кг.
  • Объем бетона 0,73 м3
  • Геометрический объем 0,788 м3
Цена: 24784 руб.
Подробнее
ПВ 28-30-1 твс9 (1.090.1-7с)
Панели внутренних стен Серия 1.090.1-7с
  • Длина 2820 мм.
  • Ширина 160 мм.
  • Высота 3040 мм.
  • Вес 3180 кг.
  • Объем бетона 1,27 м3
  • Геометрический объем 1,3716 м3
Цена: 43117 руб.
Подробнее
ПВ 22-30-1 тс9 (1.090.1-7с)
Панели внутренних стен Серия 1.090.1-7с
  • Длина 2220 мм.
  • Ширина 160 мм.
  • Высота 3040 мм.
  • Вес 2550 кг.
  • Объем бетона 1,02 м3
  • Геометрический объем 1,0798 м3
Цена: 34629 руб.
Подробнее
ПВ 22-30-1 тс (1.090.1-7с)
Панели внутренних стен Серия 1.090.1-7с
  • Длина 2220 мм.
  • Ширина 160 мм.
  • Высота 3040 мм.
  • Вес 2550 кг.
  • Объем бетона 1,02 м3
  • Геометрический объем 1,0798 м3
Цена: 34629 руб.
Подробнее
ПВ 28-16-1 тс (1.090.1-7с)
Панели внутренних стен Серия 1.090.1-7с
  • Длина 2820 мм.
  • Ширина 160 мм.
  • Высота 1625 мм.
  • Вес 1600 кг.
  • Объем бетона 0,64 м3
  • Геометрический объем 0,7332 м3
Цена: 21728 руб.
Подробнее
ПВ 28-16-1 тс9 (1.090.1-7с)
Панели внутренних стен Серия 1.090.1-7с
  • Длина 2820 мм.
  • Ширина 160 мм.
  • Высота 1625 мм.
  • Вес 1600 кг.
  • Объем бетона 0,64 м3
  • Геометрический объем 0,7332 м3
Цена: 21728 руб.
Подробнее
ПВ 28-30-1 твс (1.090.1-7с)
Панели внутренних стен Серия 1.090.1-7с
  • Длина 2820 мм.
  • Ширина 160 мм.
  • Высота 3040 мм.
  • Вес 3180 кг.
  • Объем бетона 1,27 м3
  • Геометрический объем 1,3716 м3
Цена: 43117 руб.
Подробнее
ПВ 28-30-1 тс (1.090.1-7с)
Панели внутренних стен Серия 1.090.1-7с
  • Длина 2820 мм.
  • Ширина 160 мм.
  • Высота 3040 мм.
  • Вес 3280 кг.
  • Объем бетона 1,31 м3
  • Геометрический объем 1,3716 м3
Цена: 44475 руб.
Подробнее
ПВ 58-30-1 тс9 (1.090.1-7с)
Панели внутренних стен Серия 1.090.1-7с
  • Длина 5820 мм.
  • Ширина 160 мм.
  • Высота 3040 мм.
  • Вес 6850 кг.
  • Объем бетона 2,74 м3
  • Геометрический объем 2,8308 м3
Цена: 93023 руб.
Подробнее
ПВ 28-30-1 тс9 (1.090.1-7с)
Панели внутренних стен Серия 1.090.1-7с
  • Длина 2820 мм.
  • Ширина 160 мм.
  • Высота 3040 мм.
  • Вес 3280 кг.
  • Объем бетона 1,31 м3
  • Геометрический объем 1,3716 м3
Цена: 44475 руб.
Подробнее
ПВ 58-30-1 тс (1.090.1-7с)
Панели внутренних стен Серия 1.090.1-7с
  • Длина 5820 мм.
  • Ширина 160 мм.
  • Высота 3040 мм.
  • Вес 6850 кг.
  • Объем бетона 2,74 м3
  • Геометрический объем 2,8308 м3
Цена: 93023 руб.
Подробнее
ПВГ 28-30-10-1 тс (1.090.1-7с)
Панели внутренних стен Серия 1.090.1-7с
  • Длина 2820 мм.
  • Ширина 160 мм.
  • Высота 3040 мм.
  • Вес 2430 кг.
  • Объем бетона 0,97 м3
  • Геометрический объем 1,3716 м3
Цена: 32932 руб.
Подробнее
ПВГ 28-30-10-1 тс9 (1.090.1-7с)
Панели внутренних стен Серия 1.090.1-7с
  • Длина 2820 мм.
  • Ширина 160 мм.
  • Высота 3040 мм.
  • Вес 2430 кг.
  • Объем бетона 0,97 м3
  • Геометрический объем 1,3716 м3
Цена: 32932 руб.
Подробнее
ПВГ 28-30-13-1 тс (1.090.1-7с)
Панели внутренних стен Серия 1.090.1-7с
  • Длина 2820 мм.
  • Ширина 160 мм.
  • Высота 3040 мм.
  • Вес 2200 кг.
  • Объем бетона 0,88 м3
  • Геометрический объем 1,3716 м3
Цена: 29876 руб.
Подробнее
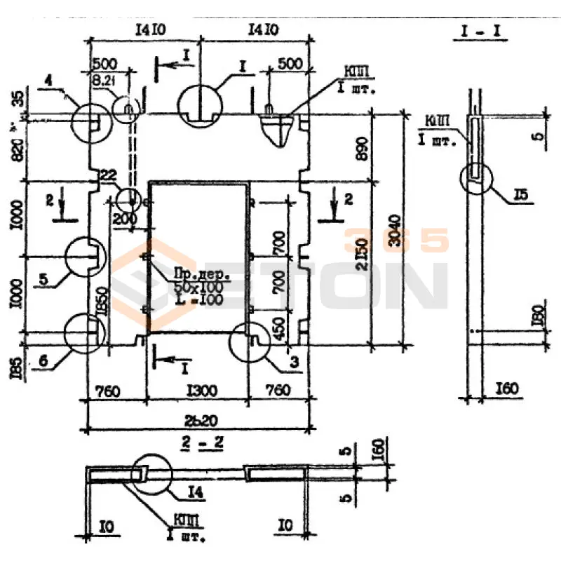
ПВП 28-30-10-1 тс (1.090.1-7с)
Панели внутренних стен Серия 1.090.1-7с
  • Длина 2820 мм.
  • Ширина 160 мм.
  • Высота 3040 мм.
  • Вес 2420 кг.
  • Объем бетона 0,97 м3
  • Геометрический объем 1,3716 м3
Цена: 32932 руб.
Подробнее
ПВП 28-30-10-1 тс9 (1.090.1-7с)
Панели внутренних стен Серия 1.090.1-7с
  • Длина 2820 мм.
  • Ширина 160 мм.
  • Высота 3040 мм.
  • Вес 2420 кг.
  • Объем бетона 0,97 м3
  • Геометрический объем 1,3716 м3
Цена: 32932 руб.
Подробнее
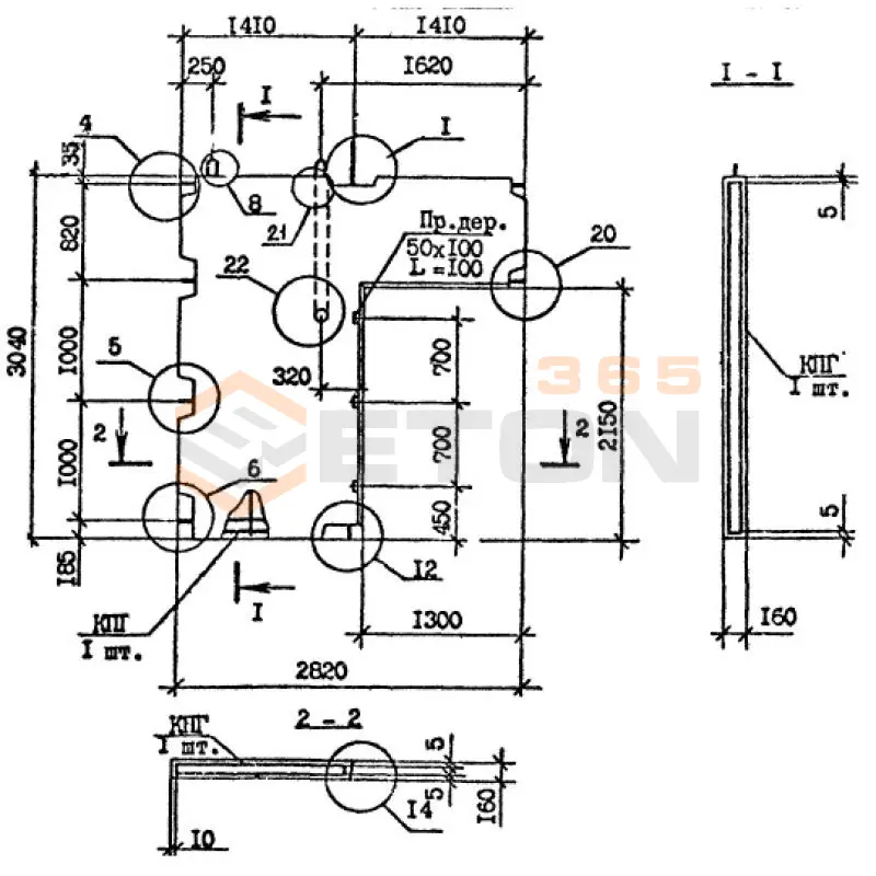
ПВП 28-30-13-1 тс (1.090.1-7с)
Панели внутренних стен Серия 1.090.1-7с
  • Длина 2820 мм.
  • Ширина 160 мм.
  • Высота 3040 мм.
  • Вес 2170 кг.
  • Объем бетона 0,87 м3
  • Геометрический объем 1,3716 м3
Цена: 29537 руб.
Подробнее
ПВП 28-30-13-1 тс9 (1.090.1-7с)
Панели внутренних стен Серия 1.090.1-7с
  • Длина 2820 мм.
  • Ширина 160 мм.
  • Высота 3040 мм.
  • Вес 2170 кг.
  • Объем бетона 0,87 м3
  • Геометрический объем 1,3716 м3
Цена: 29537 руб.
Подробнее
ПВГ 28-30-13-1 тс9 (1.090.1-7с)
Панели внутренних стен Серия 1.090.1-7с
  • Длина 2820 мм.
  • Ширина 160 мм.
  • Высота 3040 мм.
  • Вес 2200 кг.
  • Объем бетона 0,88 м3
  • Геометрический объем 1,3716 м3
Цена: 29876 руб.
Подробнее
ПВП 58-30-10-1 тс (1.090.1-7с)
Панели внутренних стен Серия 1.090.1-7с
  • Длина 5820 мм.
  • Ширина 160 мм.
  • Высота 3040 мм.
  • Вес 5000 кг.
  • Объем бетона 2,4 м3
  • Геометрический объем 2,8308 м3
Цена: 81480 руб.
Подробнее
ПВП 58-30-10-1 тс9 (1.090.1-7с)
Панели внутренних стен Серия 1.090.1-7с
  • Длина 5820 мм.
  • Ширина 160 мм.
  • Высота 3040 мм.
  • Вес 5000 кг.
  • Объем бетона 2,4 м3
  • Геометрический объем 2,8308 м3
Цена: 81480 руб.
Подробнее
ПВП 58-30-15-1 тс (1.090.1-7с)
Панели внутренних стен Серия 1.090.1-7с
  • Длина 5820 мм.
  • Ширина 160 мм.
  • Высота 3040 мм.
  • Вес 5590 кг.
  • Объем бетона 2,24 м3
  • Геометрический объем 2,8308 м3
Цена: 76048 руб.
Подробнее
ПВП 58-30-15-1 тс9 (1.090.1-7с)
Панели внутренних стен Серия 1.090.1-7с
  • Длина 5820 мм.
  • Ширина 160 мм.
  • Высота 3040 мм.
  • Вес 5590 кг.
  • Объем бетона 2,24 м3
  • Геометрический объем 2,8308 м3
Цена: 76048 руб.
Подробнее
ПВР 28-30-15-3 тс (1.090.1-7с)
Панели внутренних стен Серия 1.090.1-7с
  • Длина 2820 мм.
  • Ширина 160 мм.
  • Высота 3040 мм.
  • Вес 1810 кг.
  • Объем бетона 0,73 м3
  • Геометрический объем 1,3716 м3
Цена: 24784 руб.
Подробнее
ПВР 28-30-15-3 тс9 (1.090.1-7с)
Панели внутренних стен Серия 1.090.1-7с
  • Длина 2820 мм.
  • Ширина 160 мм.
  • Высота 3040 мм.
  • Вес 1810 кг.
  • Объем бетона 0,73 м3
  • Геометрический объем 1,3716 м3
Цена: 24784 руб.
Подробнее
ПВР 28-30-19-3 тс (1.090.1-7с)
Панели внутренних стен Серия 1.090.1-7с
  • Длина 2820 мм.
  • Ширина 160 мм.
  • Высота 3040 мм.
  • Вес 1420 кг.
  • Объем бетона 0,57 м3
  • Геометрический объем 1,3716 м3
Цена: 19352 руб.
Подробнее
ПВР 28-30-15-7 тс (1.090.1-7с)
Панели внутренних стен Серия 1.090.1-7с
  • Длина 2820 мм.
  • Ширина 160 мм.
  • Высота 3040 мм.
  • Вес 1810 кг.
  • Объем бетона 0,73 м3
  • Геометрический объем 1,3716 м3
Цена: 24784 руб.
Подробнее
ПВР 28-30-15-7 тс9 (1.090.1-7с)
Панели внутренних стен Серия 1.090.1-7с
  • Длина 2820 мм.
  • Ширина 160 мм.
  • Высота 3040 мм.
  • Вес 1810 кг.
  • Объем бетона 0,73 м3
  • Геометрический объем 1,3716 м3
Цена: 24784 руб.
Подробнее
ПВР 28-30-19-7 тс (1.090.1-7с)
Панели внутренних стен Серия 1.090.1-7с
  • Длина 2820 мм.
  • Ширина 160 мм.
  • Высота 3040 мм.
  • Вес 1420 кг.
  • Объем бетона 0,57 м3
  • Геометрический объем 1,3716 м3
Цена: 19352 руб.
Подробнее
ПВР 28-30-19-3 тс9 (1.090.1-7с)
Панели внутренних стен Серия 1.090.1-7с
  • Длина 2820 мм.
  • Ширина 160 мм.
  • Высота 3040 мм.
  • Вес 1420 кг.
  • Объем бетона 0,57 м3
  • Геометрический объем 1,3716 м3
Цена: 19352 руб.
Подробнее
ПВР 28-30-19-7 тс9 (1.090.1-7с)
Панели внутренних стен Серия 1.090.1-7с
  • Длина 2820 мм.
  • Ширина 160 мм.
  • Высота 3040 мм.
  • Вес 1420 кг.
  • Объем бетона 0,57 м3
  • Геометрический объем 1,3716 м3
Цена: 19352 руб.
Подробнее
ПВР 58-30-42-3 тс (1.090.1-7с)
Панели внутренних стен Серия 1.090.1-7с
  • Длина 5820 мм.
  • Ширина 160 мм.
  • Высота 3040 мм.
  • Вес 2790 кг.
  • Объем бетона 1,12 м3
  • Геометрический объем 2,8308 м3
Цена: 38024 руб.
Подробнее
ПВР 58-30-42-3 тс9 (1.090.1-7с)
Панели внутренних стен Серия 1.090.1-7с
  • Длина 5820 мм.
  • Ширина 160 мм.
  • Высота 3040 мм.
  • Вес 2790 кг.
  • Объем бетона 1,12 м3
  • Геометрический объем 2,8308 м3
Цена: 38024 руб.
Подробнее
ПВР 58-30-42-7 тс (1.090.1-7с)
Панели внутренних стен Серия 1.090.1-7с
  • Длина 5820 мм.
  • Ширина 160 мм.
  • Высота 3040 мм.
  • Вес 2790 кг.
  • Объем бетона 1,12 м3
  • Геометрический объем 2,8308 м3
Цена: 38024 руб.
Подробнее
ПВР 70-30-56-3 тс (1.090.1-7с)
Панели внутренних стен Серия 1.090.1-7с
  • Длина 7020 мм.
  • Ширина 160 мм.
  • Высота 3040 мм.
  • Вес 2860 кг.
  • Объем бетона 1,15 м3
  • Геометрический объем 3,4145 м3
Цена: 39043 руб.
Подробнее
ПВР 58-30-42-7 тс9 (1.090.1-7с)
Панели внутренних стен Серия 1.090.1-7с
  • Длина 5820 мм.
  • Ширина 160 мм.
  • Высота 3040 мм.
  • Вес 2790 кг.
  • Объем бетона 1,12 м3
  • Геометрический объем 2,8308 м3
Цена: 38024 руб.
Подробнее
ПВР 70-30-56-3 тс9 (1.090.1-7с)
Панели внутренних стен Серия 1.090.1-7с
  • Длина 7020 мм.
  • Ширина 160 мм.
  • Высота 3040 мм.
  • Вес 2860 кг.
  • Объем бетона 1,15 м3
  • Геометрический объем 3,4145 м3
Цена: 39043 руб.
Подробнее
ПВР 70-30-56-7 тс (1.090.1-7с)
Панели внутренних стен Серия 1.090.1-7с
  • Длина 7020 мм.
  • Ширина 160 мм.
  • Высота 3040 мм.
  • Вес 2860 кг.
  • Объем бетона 1,15 м3
  • Геометрический объем 3,4145 м3
Цена: 39043 руб.
Подробнее
ПВР 70-30-56-7 тс9 (1.090.1-7с)
Панели внутренних стен Серия 1.090.1-7с
  • Длина 7020 мм.
  • Ширина 160 мм.
  • Высота 3040 мм.
  • Вес 2860 кг.
  • Объем бетона 1,15 м3
  • Геометрический объем 3,4145 м3
Цена: 39043 руб.
Подробнее

Как правильно выбрать - Панели внутренних стен Серия 1.090.1-7с

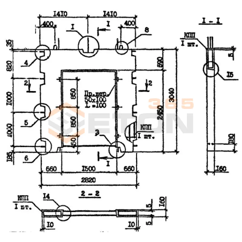
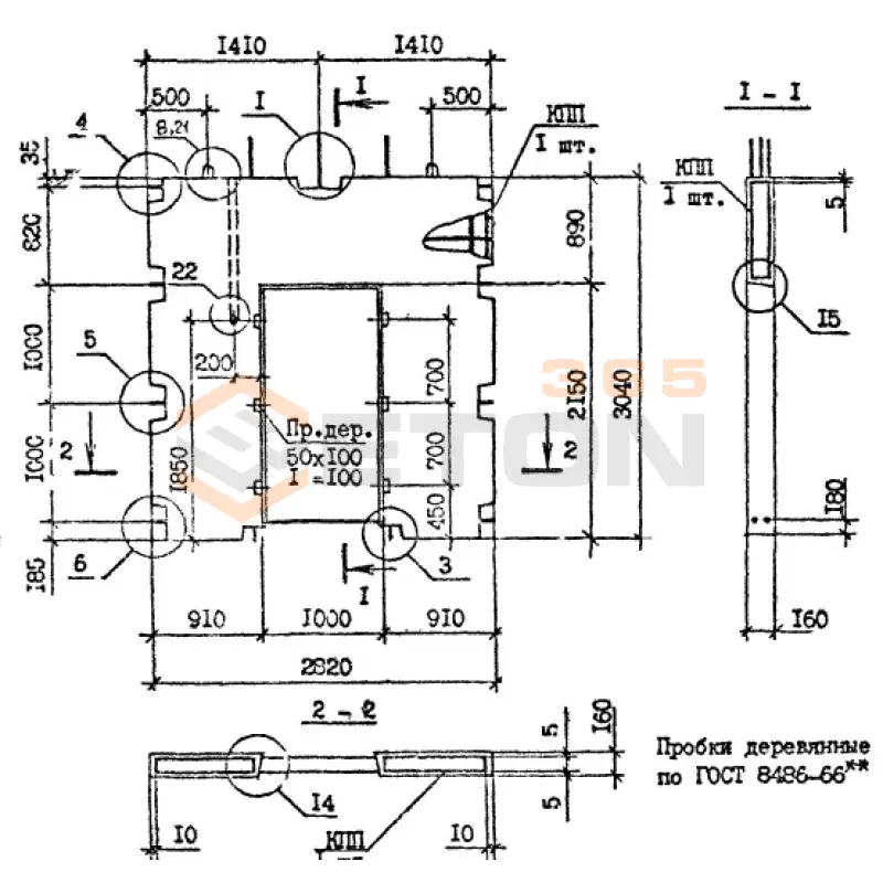
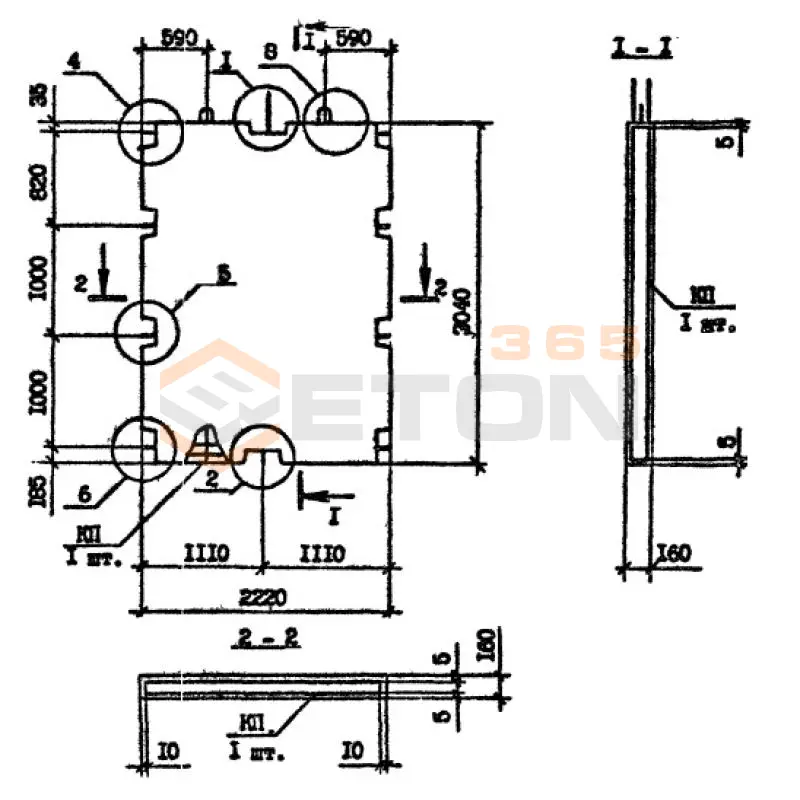
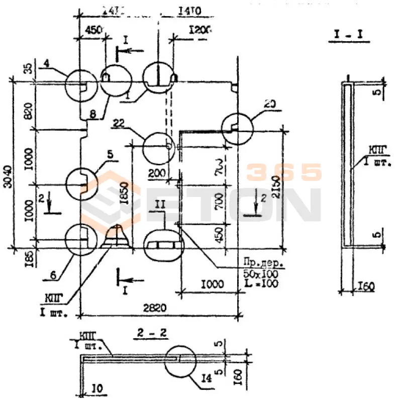
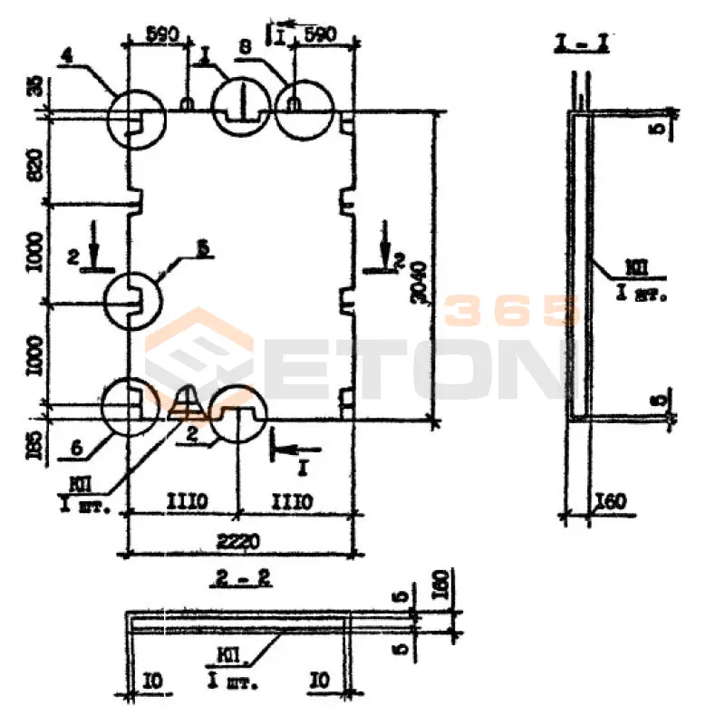
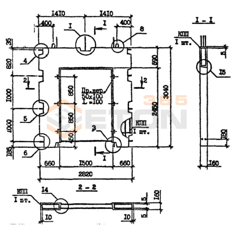
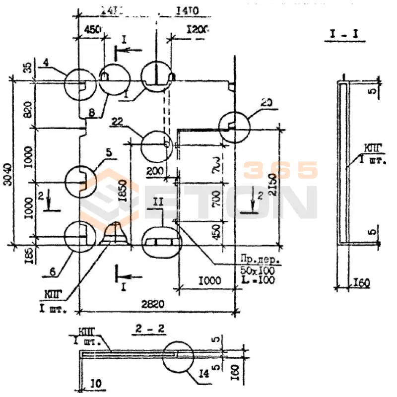
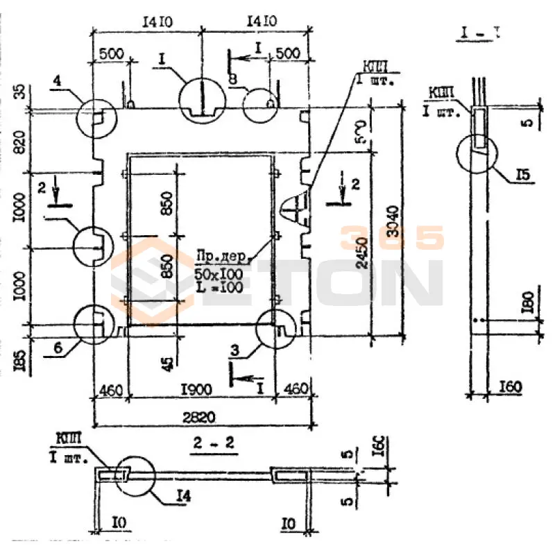
Панели внутренних стен Серия 1.090.1-7с предназначены для возведения несущих и самонесущих внутренних стен в жилых, общественных и промышленных зданиях. Они обеспечивают пространственную жесткость каркаса и формируют планировочную структуру здания. Долговечность и надежность всей конструкции напрямую зависят от грамотного подбора панелей в соответствии с проектными расчетами и спецификой объекта.

Критерии выбора

  • Марка бетона и прочность: Изделия изготавливаются из тяжелого бетона марки не ниже М200 (класс прочности на сжатие В15). Убедитесь в наличии паспорта, подтверждающего соответствие.
  • Геометрические параметры: Строгое соответствие типоразмерам по серии (толщина 140, 160, 180, 200 мм) и проектным длине/высоте. Проверяйте отклонения от номинальных размеров, которые не должны превышать допустимых по ГОСТ.
  • Арматурный каркас: Наличие предусмотренных проектом монтажных петель и закладных деталей из стержневой арматуры класса А-I и А-III. Конфигурация каркаса должна обеспечивать проектную несущую способность.
  • Эксплуатационные характеристики бетона: Для большинства внутренних конструкций достаточно морозостойкости F50 и водонепроницаемости W2, но для помещений с влажным режимом эти параметры должны быть выше.
  • Качество поверхности: Отсутствие сквозных трещин, раковин и других дефектов, затрудняющих отделку. Поверхность должна быть ровной, готовой под штукатурку или облицовку.
  • Нормативная документация: Соответствие требованиям серии 1.090.1-7с и ГОСТ 12504-80, регламентирующего панели стен внутренних.

Рекомендации по подбору и монтажу

При составлении спецификации на панели внутренних стен Серии 1.090.1-7с обязательно учитывайте поэтажные разрезы и схемы раскладки. Требуйте от поставщика комплектность партии, соответствующей захватке, чтобы избежать простоев. Перед монтажом сверьте маркировку каждой панели с рабочими чертежами. Особое внимание уделите проверке наличия и доступности всех закладных деталей для последующего соединения с соседними конструкциями.

Монтаж следует вести на выверенное основание, используя гибкие связи или сварку выпусков арматуры согласно проекту. Герметизацию вертикальных и горизонтальных швов необходимо выполнять сразу после установки и выверки панели, используя материалы, указанные в проектной документации. Это предотвратит продувание и обеспечит монолитность конструкции.

Ответы экспертов на ваши вопросы

Панели внутренних стен серии 1.090.1-7с обладают следующими преимуществами:

  • Высокая заводская готовность и точность геометрических параметров
  • Сокращение сроков строительства за счет монтажной готовности
  • Хорошие звукоизоляционные характеристики
  • Огнестойкость соответствует требованиям СНиП
  • Унификация размеров и типовых решений
  • Возможность устройства различных видов отделки

Производство и применение панелей регламентируется:

  • Серия 1.090.1-7с "Панели внутренних стен"
  • ГОСТ 12504-2015 "Панели стеновые железобетонные"
  • СП 63.13330.2018 "Бетонные и железобетонные конструкции"
  • Технические условия производителя
  • Проектная документация на конкретный объект

Типоразмеры и маркировка включают:

  • Высота панелей: 2800, 3000 мм
  • Толщина: 80, 100, 120, 140, 160 мм
  • Маркировка по серии: например, 1ПС39.12.35-1.090.1-7с
  • Цифры обозначают: тип панели, длину, высоту, дополнительные характеристики
  • Имеются панели с дверными и оконными проемами

Особенности монтажа:

  • Монтаж осуществляется краном грузоподъемностью не менее 3-5 тонн
  • Стыки между панелями заполняются цементно-песчаным раствором
  • Вертикальность установки контролируется отвесом или лазерным уровнем
  • Панели крепятся к перекрытиям с помощью сварки закладных деталей
  • Допустимое отклонение от вертикали - не более 5 мм на этаж

Требования к транспортировке и хранению:

  • Перевозка в вертикальном положении в специальных контейнерах
  • Углы и кромки должны быть защищены от повреждений
  • Складирование на ровных площадках с деревянными прокладками
  • Высота штабеля не более 2 метров
  • Защита от атмосферных воздействий при длительном хранении
Ранее смотрели
Гипсобетонные и шлакобетонные перегородки Серия ИИ 03-04 ПГ 8-13 а (ИИ 03-04)
ПГ 8-13 а (ИИ 03-04)
Гипсобетонные и шлакобетонные перегородки Серия ИИ 03-04
Гипсобетонные и шлакобетонные перегородки Серия ИИ 03-04 ПГ 7-13 а (ИИ 03-04)
ПГ 7-13 а (ИИ 03-04)
Гипсобетонные и шлакобетонные перегородки Серия ИИ 03-04
Гипсобетонные и шлакобетонные перегородки Серия ИИ 03-04 ПГ 6-13 а (ИИ 03-04)
ПГ 6-13 а (ИИ 03-04)
Гипсобетонные и шлакобетонные перегородки Серия ИИ 03-04
Гипсобетонные и шлакобетонные перегородки Серия ИИ 03-04 ПГ 2 а (ИИ 03-04)
ПГ 2 а (ИИ 03-04)
Гипсобетонные и шлакобетонные перегородки Серия ИИ 03-04
Гипсобетонные и шлакобетонные перегородки Серия ИИ 03-04 ПГ 1 а (ИИ 03-04)
ПГ 1 а (ИИ 03-04)
Гипсобетонные и шлакобетонные перегородки Серия ИИ 03-04
ПШ 6 а (ИИ 03-04)
ПШ 6 а (ИИ 03-04)
Гипсобетонные и шлакобетонные перегородки Серия ИИ 03-04
Гипсобетонные и шлакобетонные перегородки Серия ИИ 03-04 ПГ 10-13 а (ИИ 03-04)
ПГ 10-13 а (ИИ 03-04)
Гипсобетонные и шлакобетонные перегородки Серия ИИ 03-04
Гипсобетонные и шлакобетонные перегородки Серия ИИ 03-04 ПШ 4 (ИИ 03-04)
ПШ 4 (ИИ 03-04)
Гипсобетонные и шлакобетонные перегородки Серия ИИ 03-04

Уведомление о файлах cookie

Мы используем файлы cookie для улучшения вашего опыта просмотра и анализа трафика. Нажимая "Принять все", вы соглашаетесь с нашей политикой конфиденциальности и политикой обработки файлов cookie.

Дзен Телеграм Вконтакте vk