mobile_sound +7 (930) 655-55-90

Панели внутренних стен нулевого цикла Серия 1.090.1-7с

Поделиться:
Фильтр по характеристикам
Длина (мм.)
keyboard_arrow_down
мм.
мм.
Ширина (мм.)
keyboard_arrow_down
мм.
мм.
Высота (мм.)
keyboard_arrow_down
мм.
мм.
Вес (кг.)
keyboard_arrow_down
кг.
кг.
Поделиться:

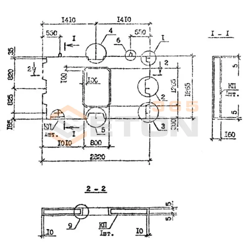
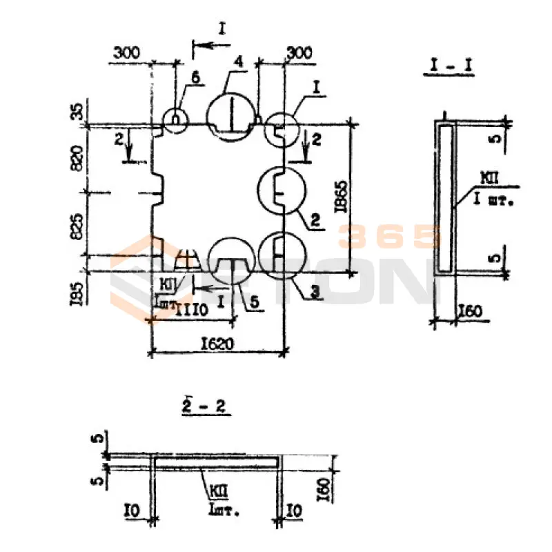
Завод "Бетон365" производит панели внутренних стен нулевого цикла серии 1.090.1-7с — ключевые элементы для формирования надежных подземных конструкций зданий. Эти железобетонные изделия обеспечивают жесткость каркаса и равномерное распределение нагрузок, что особенно важно при строительстве технических этажей, цоколей и подвальных помещений. Использование сертифицированных панелей гарантирует соответствие ГОСТам и значительно сокращает сроки монтажа по сравнению с монолитными технологиями.

Мы реализуем панели внутренних стен нулевого цикла серии 1.090.1-7с в Москве и МО по конкурентной цене от производителя. Предлагаем полный комплекс услуг — от помощи в выборе оптимальных технических решений до организации доставки на объект. Гарантируем качество продукции и оперативное выполнение заказов любой сложности. Свяжитесь с нами для расчета стоимости и получения подробных технических характеристик!

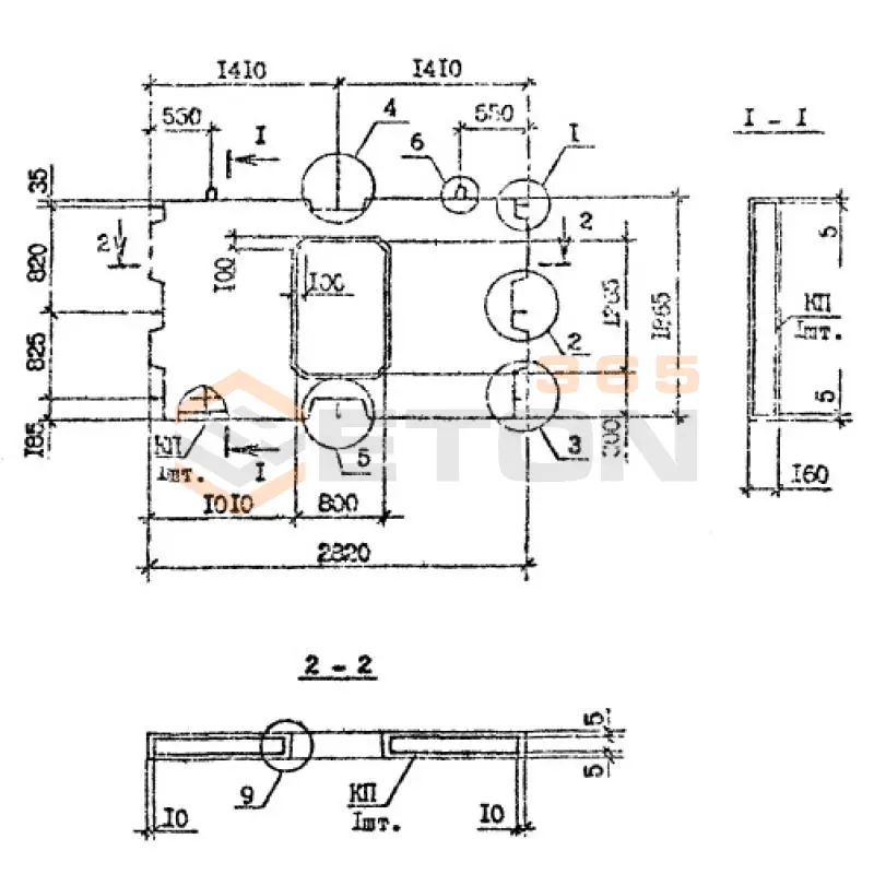
1ПВЦ 28-19-1 тс (1.090.1-7с)
Панели внутренних стен нулевого цикла Серия 1.090.1-7с
  • Длина 2820 мм.
  • Ширина 160 мм.
  • Высота 1865 мм.
  • Вес 1580 кг.
  • Объем бетона 0,63 м3
  • Геометрический объем 0,8415 м3
Цена: 21389 руб.
Подробнее
1ПВЦ 28-19-1 тс9 (1.090.1-7с)
Панели внутренних стен нулевого цикла Серия 1.090.1-7с
  • Длина 2820 мм.
  • Ширина 160 мм.
  • Высота 1865 мм.
  • Вес 1580 кг.
  • Объем бетона 0,63 м3
  • Геометрический объем 0,8415 м3
Цена: 21389 руб.
Подробнее
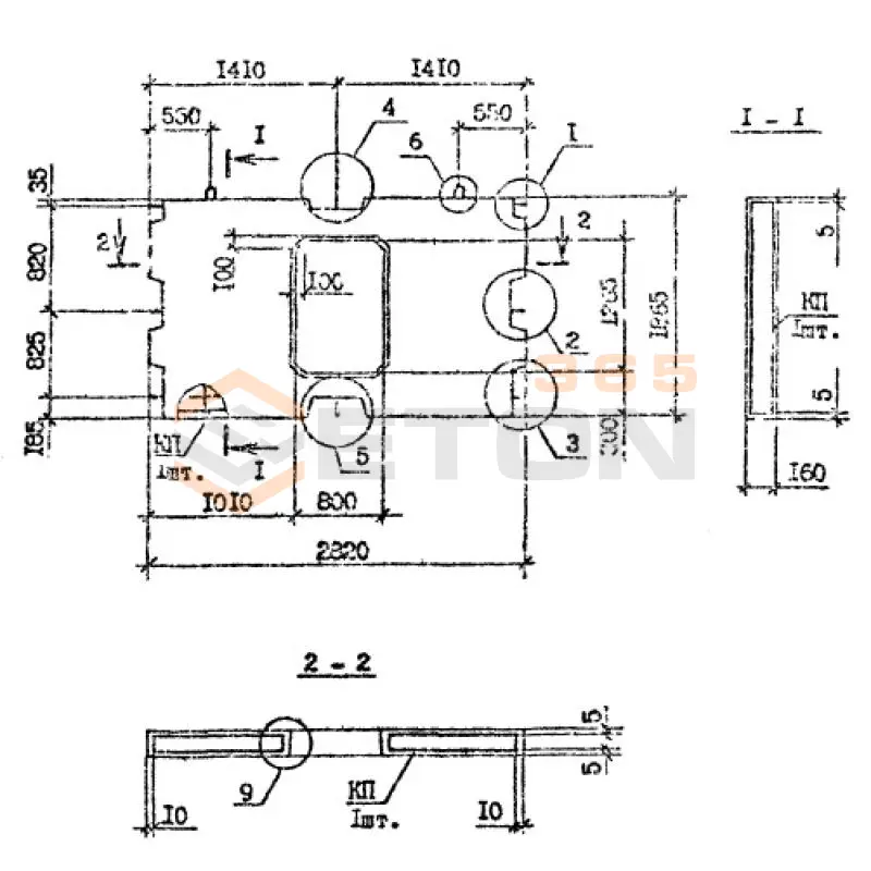
2ПВЦ 28-19-1 тс (1.090.1-7с)
Панели внутренних стен нулевого цикла Серия 1.090.1-7с
  • Длина 2820 мм.
  • Ширина 160 мм.
  • Высота 1865 мм.
  • Вес 1580 кг.
  • Объем бетона 0,63 м3
  • Геометрический объем 0,8415 м3
Цена: 21389 руб.
Подробнее
ПВЦ 10-19-1 тс9 (1.090.1-7с)
Панели внутренних стен нулевого цикла Серия 1.090.1-7с
  • Длина 1020 мм.
  • Ширина 160 мм.
  • Высота 1865 мм.
  • Вес 680 кг.
  • Объем бетона 0,27 м3
  • Геометрический объем 0,3044 м3
Цена: 9167 руб.
Подробнее
2ПВЦ 28-19-1 тс9 (1.090.1-7с)
Панели внутренних стен нулевого цикла Серия 1.090.1-7с
  • Длина 2820 мм.
  • Ширина 160 мм.
  • Высота 1865 мм.
  • Вес 1580 кг.
  • Объем бетона 0,63 м3
  • Геометрический объем 0,8415 м3
Цена: 21389 руб.
Подробнее
ПВЦ 10-19-1 тс (1.090.1-7с)
Панели внутренних стен нулевого цикла Серия 1.090.1-7с
  • Длина 1020 мм.
  • Ширина 160 мм.
  • Высота 1865 мм.
  • Вес 680 кг.
  • Объем бетона 0,27 м3
  • Геометрический объем 0,3044 м3
Цена: 9167 руб.
Подробнее
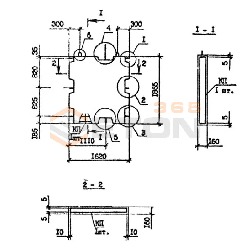
ПВЦ 16-19-1 тс (1.090.1-7с)
Панели внутренних стен нулевого цикла Серия 1.090.1-7с
  • Длина 1620 мм.
  • Ширина 160 мм.
  • Высота 1865 мм.
  • Вес 1100 кг.
  • Объем бетона 0,44 м3
  • Геометрический объем 0,4834 м3
Цена: 14938 руб.
Подробнее
ПВЦ 16-19-1 тс9 (1.090.1-7с)
Панели внутренних стен нулевого цикла Серия 1.090.1-7с
  • Длина 1620 мм.
  • Ширина 160 мм.
  • Высота 1865 мм.
  • Вес 1100 кг.
  • Объем бетона 0,44 м3
  • Геометрический объем 0,4834 м3
Цена: 14938 руб.
Подробнее
ПВЦ 59-19-1 тс (1.090.1-7с)
Панели внутренних стен нулевого цикла Серия 1.090.1-7с
  • Длина 5820 мм.
  • Ширина 160 мм.
  • Высота 1865 мм.
  • Вес 2980 кг.
  • Объем бетона 1,19 м3
  • Геометрический объем 1,7367 м3
Цена: 40401 руб.
Подробнее
ПВЦ 59-19-1 тс9 (1.090.1-7с)
Панели внутренних стен нулевого цикла Серия 1.090.1-7с
  • Длина 5820 мм.
  • Ширина 160 мм.
  • Высота 1865 мм.
  • Вес 2980 кг.
  • Объем бетона 1,19 м3
  • Геометрический объем 1,7367 м3
Цена: 40401 руб.
Подробнее
ПВЦ 28-19-1 тс9 (1.090.1-7с)
Панели внутренних стен нулевого цикла Серия 1.090.1-7с
  • Длина 2820 мм.
  • Ширина 160 мм.
  • Высота 1865 мм.
  • Вес 1980 кг.
  • Объем бетона 0,79 м3
  • Геометрический объем 0,8415 м3
Цена: 26821 руб.
Подробнее
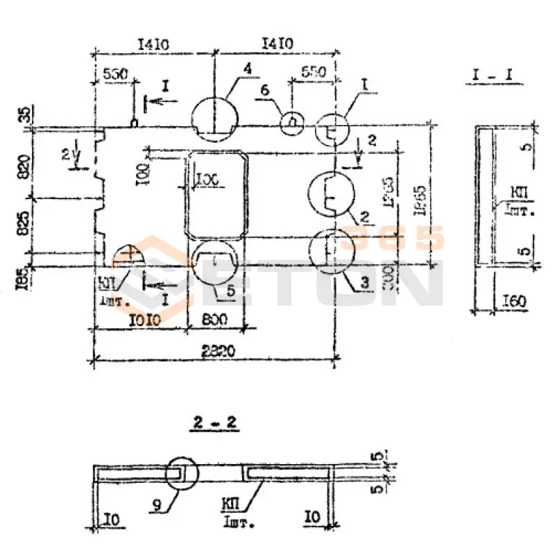
ПВЦ 28-19-1 тс (1.090.1-7с)
Панели внутренних стен нулевого цикла Серия 1.090.1-7с
  • Длина 2820 мм.
  • Ширина 160 мм.
  • Высота 1865 мм.
  • Вес 1980 кг.
  • Объем бетона 0,79 м3
  • Геометрический объем 0,8415 м3
Цена: 26821 руб.
Подробнее

Как правильно выбрать - Панели внутренних стен нулевого цикла Серия 1.090.1-7с

Панели внутренних стен нулевого цикла Серия 1.090.1-7с предназначены для возведения подземных частей зданий — стен подвалов, технических подполий и цокольных этажей. Они выполняют ключевую ограждающую и несущую функцию, работая в условиях постоянного контакта с грунтом и грунтовыми водами. Долговечность всей подземной конструкции в значительной степени определяется грамотным подбором панелей внутренних стен нулевого цикла по проектным и эксплуатационным критериям.

Критерии выбора

  • Класс бетона и защитные свойства: Изделия изготавливаются из тяжелого бетона класса не ниже В25, с нормируемой водонепроницаемостью W6 и морозостойкостью F150, что критически важно для работы в обводненных грунтах.
  • Армирование: Обращайте внимание на класс применяемой арматуры (как правило, А400-А500) и схему армирования, обеспечивающую восприятие бокового давления грунта и вертикальных нагрузок.
  • Типоразмеры и конфигурация: Панели серии 1.090.1-7с имеют строго регламентированные габариты и толщину. Проверяйте соответствие паспортных размеров проектным, а также наличие и расположение монтажных петель или строповочных отверстий.
  • Наличие закладных деталей: Уточняйте комплектацию закладными элементами для соединения со смежными конструкциями (перекрытиями, фундаментными плитами) и обеспечения проектной анкеровки.
  • Соответствие нормативной документации: Все панели должны строго соответствовать требованиям серии 1.090.1-7с и ГОСТ 18979-90, что подтверждается паспортом качества на партию.

Рекомендации по подбору и монтажу

При составлении спецификации на панели внутренних стен нулевого цикла Серия 1.090.1-7с обязательно учитывайте гидрогеологические условия площадки. При высоком уровне грунтовых вод может потребоваться дополнительная обмазочная или оклеечная гидроизоляция поверхностей. Требуйте от поставщика комплектную поставку с полным набором паспортов, где указаны фактические прочностные и деформативные характеристики бетона.

Монтаж следует вести на тщательно выровненное и уплотненное основание (подготовку). Первыми устанавливают маячные панели, после чего натягивают причальный шнур. Герметизация вертикальных швов между панелями внутренних стен нулевого цикла выполняется с помощью уплотнительных шнуров и инъекционных составов, что исключает проникновение влаги. Контролируйте вертикальность установки и надежность соединения закладных деталей с арматурой фундаментной плиты.

Ответы экспертов на ваши вопросы

Панели внутренних стен нулевого цикла серии 1.090.1-7с представляют собой железобетонные изделия, предназначенные для возведения подземных частей зданий. Основные характеристики: толщина 200-300 мм, высота до 3,3 м, длина до 6,0 м, класс бетона В15-В25, армирование сварными сетками и каркасами, наличие монтажных петель и закладных деталей для соединения с другими конструкциями.

Монтаж осуществляется с применением грузоподъемных механизмов грузоподъемностью не менее 5 тонн. Панели устанавливаются на подготовленное основание с выверкой по вертикали и горизонтали. Соединение между панелями выполняется с помощью сварки закладных деталей, стыки заполняются бетоном класса не ниже В15. Особое внимание уделяется гидроизоляции стыков в подземной части.

Основные преимущества: сокращение сроков строительства за счет заводской готовности элементов, высокое качество поверхности и геометрии, снижение трудозатрат на объекте, возможность ведения работ в зимний период. По сравнению с монолитным строительством исключаются работы по устройству опалубки и выдержке бетона.

Армирование выполняется пространственными каркасами и сварными сетками из стержневой арматуры класса А-III. В зонах концентрации напряжений (у монтажных петель, проемов) предусмотрено дополнительное армирование. Защитный слой бетона составляет не менее 25 мм для обеспечения долговечности конструкции.

Панели воспринимают вертикальные нагрузки от вышележащих конструкций и горизонтальное давление грунта. Несущая способность обеспечивается правильным подбором класса бетона (В15-В25) и расчетным армированием. Для условий агрессивной среды возможно применение бетонов с повышенной плотностью и добавками, повышающими коррозионную стойкость.

Ранее смотрели
Гипсобетонные и шлакобетонные перегородки Серия ИИ 03-04 ПШ 1 а (ИИ 03-04)
ПШ 1 а (ИИ 03-04)
Гипсобетонные и шлакобетонные перегородки Серия ИИ 03-04
Гипсобетонные и шлакобетонные перегородки Серия ИИ 03-04 ПГ 8-13 а (ИИ 03-04)
ПГ 8-13 а (ИИ 03-04)
Гипсобетонные и шлакобетонные перегородки Серия ИИ 03-04
Гипсобетонные и шлакобетонные перегородки Серия ИИ 03-04 ПГ 7-13 а (ИИ 03-04)
ПГ 7-13 а (ИИ 03-04)
Гипсобетонные и шлакобетонные перегородки Серия ИИ 03-04
Гипсобетонные и шлакобетонные перегородки Серия ИИ 03-04 ПГ 6-13 а (ИИ 03-04)
ПГ 6-13 а (ИИ 03-04)
Гипсобетонные и шлакобетонные перегородки Серия ИИ 03-04
Гипсобетонные и шлакобетонные перегородки Серия ИИ 03-04 ПГ 2 а (ИИ 03-04)
ПГ 2 а (ИИ 03-04)
Гипсобетонные и шлакобетонные перегородки Серия ИИ 03-04
Гипсобетонные и шлакобетонные перегородки Серия ИИ 03-04 ПГ 1 а (ИИ 03-04)
ПГ 1 а (ИИ 03-04)
Гипсобетонные и шлакобетонные перегородки Серия ИИ 03-04
ПШ 6 а (ИИ 03-04)
ПШ 6 а (ИИ 03-04)
Гипсобетонные и шлакобетонные перегородки Серия ИИ 03-04
Гипсобетонные и шлакобетонные перегородки Серия ИИ 03-04 ПГ 10-13 а (ИИ 03-04)
ПГ 10-13 а (ИИ 03-04)
Гипсобетонные и шлакобетонные перегородки Серия ИИ 03-04

Уведомление о файлах cookie

Мы используем файлы cookie для улучшения вашего опыта просмотра и анализа трафика. Нажимая "Принять все", вы соглашаетесь с нашей политикой конфиденциальности и политикой обработки файлов cookie.

Дзен Телеграм Вконтакте vk