mobile_sound +7 (930) 655-55-90

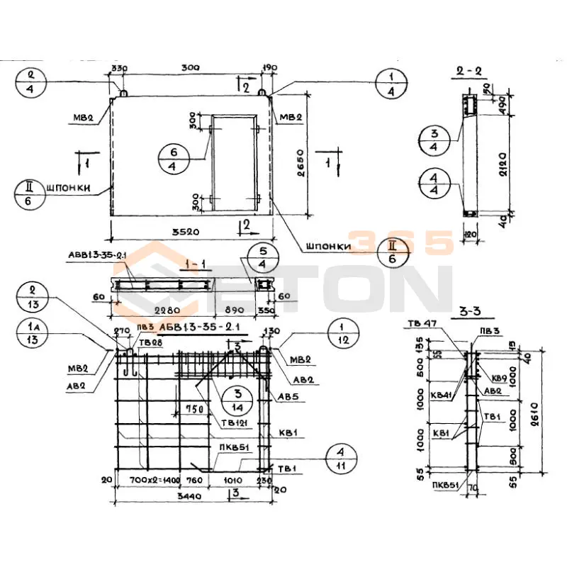
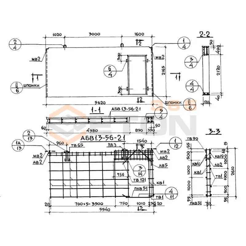
Панели внутренних продольных стен Серия 1.131-1

Поделиться:
Фильтр по характеристикам
Длина (мм.)
keyboard_arrow_down
мм.
мм.
Ширина (мм.)
keyboard_arrow_down
мм.
мм.
Высота (мм.)
keyboard_arrow_down
мм.
мм.
Вес (кг.)
keyboard_arrow_down
кг.
кг.
Объем бетона (м3)
keyboard_arrow_down
м3
м3
Поделиться:

Завод "Бетон365" производит панели внутренних продольных стен серии 1.131-1 — ключевые элементы для формирования устойчивого каркаса зданий различного назначения. Эти железобетонные изделия обеспечивают пространственную жесткость сооружения, равномерно распределяя нагрузки между несущими конструкциями. Благодаря строгому соответствию ГОСТ и применению высокомарочного бетона, наши панели гарантируют долговечность и безопасность эксплуатации объектов, значительно сокращая сроки монтажа за счет готовности к установке.

Реализуем панели внутренних продольных стен серии 1.131-1 напрямую от производителя в Москве и Московской области с гарантией качества. В каталоге представлены изделия с оптимальным соотношением цены и характеристик, доступные для заказа с доставкой на объект. Для уточнения технических параметров и стоимости рекомендуем связаться с нашими специалистами — поможем подобрать решение для вашего проекта!

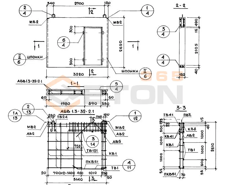
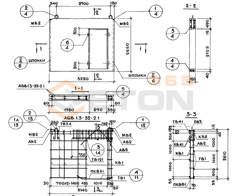
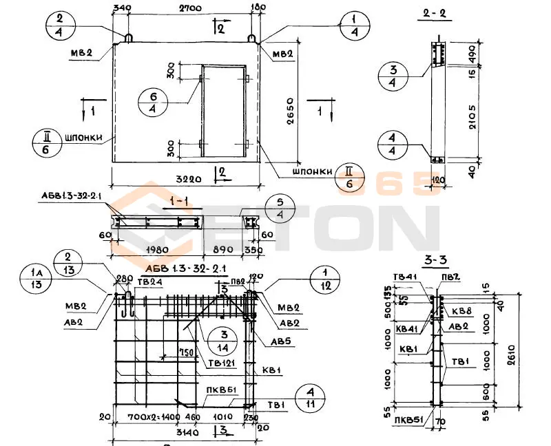
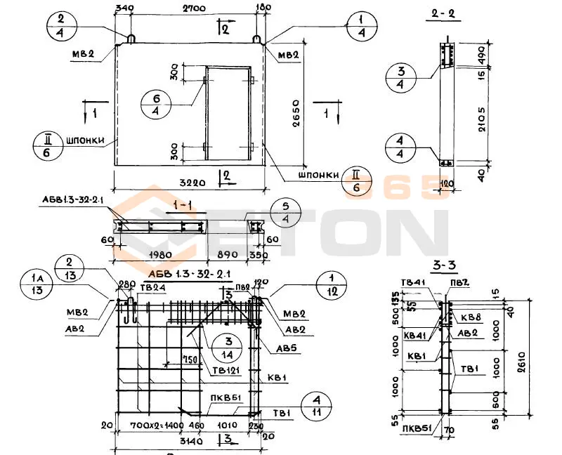
В 1,3-23-27-12-2,2
Панели внутренних продольных стен Серия 1.131-1
  • Длина 2320 мм.
  • Ширина 120 мм.
  • Высота 2650 мм.
  • Вес 1260 кг.
  • Объем бетона 0,501 м3
  • Геометрический объем 0,7378 м3
Цена: 17009 руб.
Подробнее
В 1,3-23-27-12-1
Панели внутренних продольных стен Серия 1.131-1
  • Длина 2320 мм.
  • Ширина 120 мм.
  • Высота 2650 мм.
  • Вес 1820 кг.
  • Объем бетона 0,726 м3
  • Геометрический объем 0,7378 м3
Цена: 24648 руб.
Подробнее
В 1,3-23-27-12-2,1
Панели внутренних продольных стен Серия 1.131-1
  • Длина 2320 мм.
  • Ширина 120 мм.
  • Высота 2650 мм.
  • Вес 1260 кг.
  • Объем бетона 0,501 м3
  • Геометрический объем 0,7378 м3
Цена: 17009 руб.
Подробнее
В 1,3-23-27-12-2,3
Панели внутренних продольных стен Серия 1.131-1
  • Длина 2320 мм.
  • Ширина 120 мм.
  • Высота 2650 мм.
  • Вес 1260 кг.
  • Объем бетона 0,501 м3
  • Геометрический объем 0,7378 м3
Цена: 17009 руб.
Подробнее
В 1,3-26-27-12-2,1
Панели внутренних продольных стен Серия 1.131-1
  • Длина 2620 мм.
  • Ширина 120 мм.
  • Высота 2650 мм.
  • Вес 1500 кг.
  • Объем бетона 0,597 м3
  • Геометрический объем 0,8332 м3
Цена: 20268 руб.
Подробнее
В 1,3-26-27-12-1
Панели внутренних продольных стен Серия 1.131-1
  • Длина 2620 мм.
  • Ширина 120 мм.
  • Высота 2650 мм.
  • Вес 2060 кг.
  • Объем бетона 0,822 м3
  • Геометрический объем 0,8332 м3
Цена: 27907 руб.
Подробнее
В 1,3-26-27-12-2,2
Панели внутренних продольных стен Серия 1.131-1
  • Длина 2620 мм.
  • Ширина 120 мм.
  • Высота 2650 мм.
  • Вес 1500 кг.
  • Объем бетона 0,597 м3
  • Геометрический объем 0,8332 м3
Цена: 20268 руб.
Подробнее
В 1,3-26-27-12-2,3
Панели внутренних продольных стен Серия 1.131-1
  • Длина 2620 мм.
  • Ширина 120 мм.
  • Высота 2650 мм.
  • Вес 1500 кг.
  • Объем бетона 0,597 м3
  • Геометрический объем 0,8332 м3
Цена: 20268 руб.
Подробнее
В 1,3-26-27-12-2,4
Панели внутренних продольных стен Серия 1.131-1
  • Длина 2620 мм.
  • Ширина 120 мм.
  • Высота 2650 мм.
  • Вес 1500 кг.
  • Объем бетона 0,597 м3
  • Геометрический объем 0,8332 м3
Цена: 20268 руб.
Подробнее
В 1,3-29-27-12-1
Панели внутренних продольных стен Серия 1.131-1
  • Длина 2920 мм.
  • Ширина 120 мм.
  • Высота 2650 мм.
  • Вес 2300 кг.
  • Объем бетона 0,918 м3
  • Геометрический объем 0,9286 м3
Цена: 31166 руб.
Подробнее
В 1,3-29-27-12-2,1
Панели внутренних продольных стен Серия 1.131-1
  • Длина 2920 мм.
  • Ширина 120 мм.
  • Высота 2650 мм.
  • Вес 1740 кг.
  • Объем бетона 0,693 м3
  • Геометрический объем 0,9286 м3
Цена: 23527 руб.
Подробнее
В 1,3-29-27-12-2,3
Панели внутренних продольных стен Серия 1.131-1
  • Длина 2920 мм.
  • Ширина 120 мм.
  • Высота 2650 мм.
  • Вес 1740 кг.
  • Объем бетона 0,693 м3
  • Геометрический объем 0,9286 м3
Цена: 23527 руб.
Подробнее
В 1,3-29-27-12-2,2
Панели внутренних продольных стен Серия 1.131-1
  • Длина 2920 мм.
  • Ширина 120 мм.
  • Высота 2650 мм.
  • Вес 1740 кг.
  • Объем бетона 0,693 м3
  • Геометрический объем 0,9286 м3
Цена: 23527 руб.
Подробнее
В 1,3-29-27-12-2,4
Панели внутренних продольных стен Серия 1.131-1
  • Длина 2920 мм.
  • Ширина 120 мм.
  • Высота 2650 мм.
  • Вес 1740 кг.
  • Объем бетона 0,693 м3
  • Геометрический объем 0,9286 м3
Цена: 23527 руб.
Подробнее
В 1,3-29-27-12-2,5
Панели внутренних продольных стен Серия 1.131-1
  • Длина 2920 мм.
  • Ширина 120 мм.
  • Высота 2650 мм.
  • Вес 1740 кг.
  • Объем бетона 0,693 м3
  • Геометрический объем 0,9286 м3
Цена: 23527 руб.
Подробнее
В 1,3-29-27-12-2,6
Панели внутренних продольных стен Серия 1.131-1
  • Длина 2920 мм.
  • Ширина 120 мм.
  • Высота 2650 мм.
  • Вес 1740 кг.
  • Объем бетона 0,693 м3
  • Геометрический объем 0,9286 м3
Цена: 23527 руб.
Подробнее
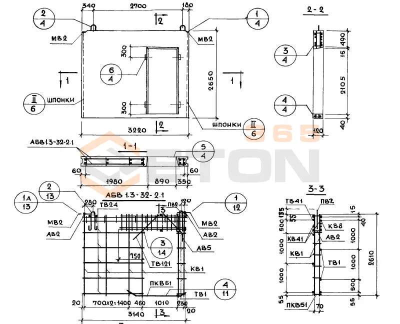
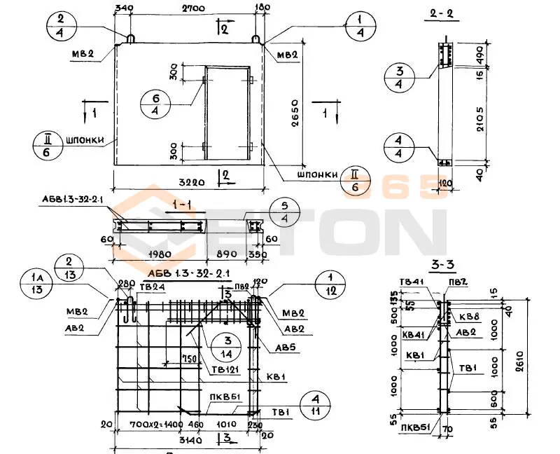
В 1,3-32-27-12-1
Панели внутренних продольных стен Серия 1.131-1
  • Длина 3220 мм.
  • Ширина 120 мм.
  • Высота 2650 мм.
  • Вес 2540 кг.
  • Объем бетона 1,014 м3
  • Геометрический объем 1,024 м3
Цена: 34425 руб.
Подробнее
В 1,3-32-27-12-2,1
Панели внутренних продольных стен Серия 1.131-1
  • Длина 3220 мм.
  • Ширина 120 мм.
  • Высота 2650 мм.
  • Вес 1980 кг.
  • Объем бетона 0,789 м3
  • Геометрический объем 1,024 м3
Цена: 26787 руб.
Подробнее
В 1,3-32-27-12-2,3
Панели внутренних продольных стен Серия 1.131-1
  • Длина 3220 мм.
  • Ширина 120 мм.
  • Высота 2650 мм.
  • Вес 1980 кг.
  • Объем бетона 0,789 м3
  • Геометрический объем 1,024 м3
Цена: 26787 руб.
Подробнее
В 1,3-32-27-12-2,2
Панели внутренних продольных стен Серия 1.131-1
  • Длина 3220 мм.
  • Ширина 120 мм.
  • Высота 2650 мм.
  • Вес 1980 кг.
  • Объем бетона 0,789 м3
  • Геометрический объем 1,024 м3
Цена: 26787 руб.
Подробнее
В 1,3-32-27-12-2,4
Панели внутренних продольных стен Серия 1.131-1
  • Длина 3220 мм.
  • Ширина 120 мм.
  • Высота 2650 мм.
  • Вес 1980 кг.
  • Объем бетона 0,789 м3
  • Геометрический объем 1,024 м3
Цена: 26787 руб.
Подробнее
В 1,3-32-27-12-2,5
Панели внутренних продольных стен Серия 1.131-1
  • Длина 3220 мм.
  • Ширина 120 мм.
  • Высота 2650 мм.
  • Вес 1980 кг.
  • Объем бетона 0,789 м3
  • Геометрический объем 1,024 м3
Цена: 26787 руб.
Подробнее
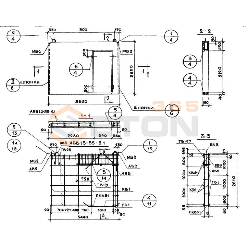
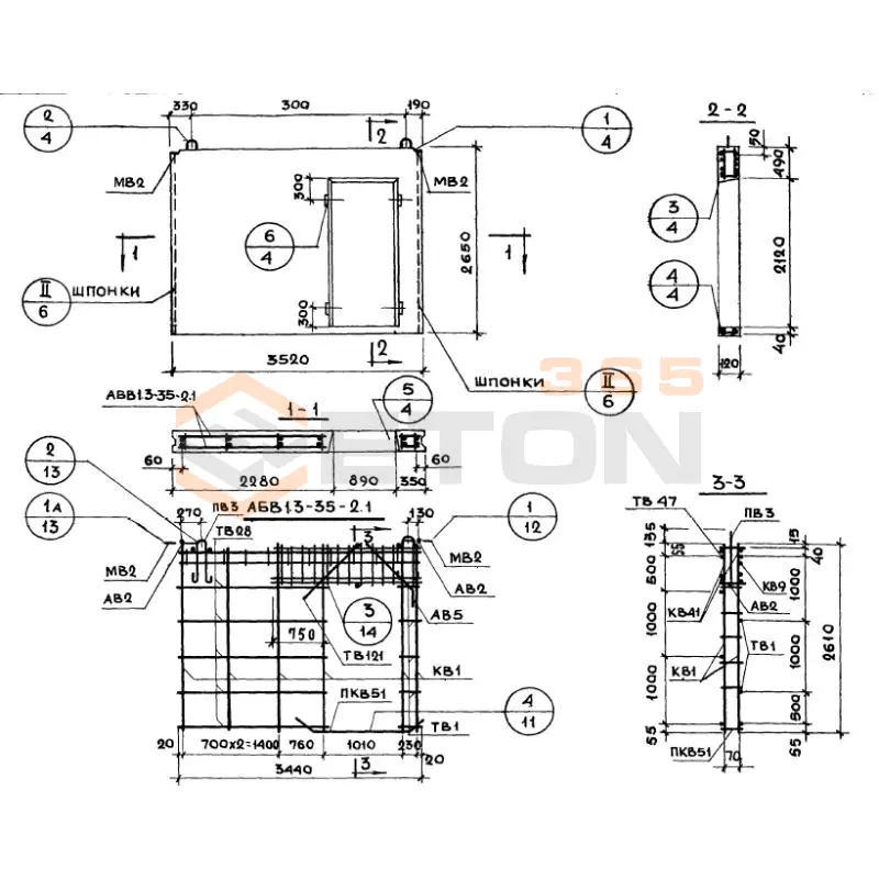
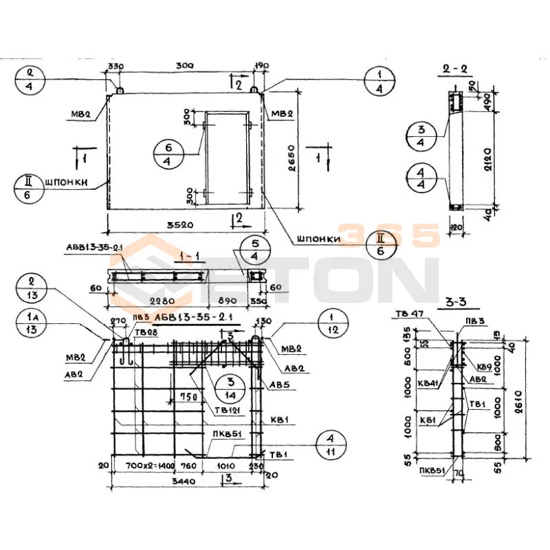
В 1,3-35-27-12-2,1
Панели внутренних продольных стен Серия 1.131-1
  • Длина 3520 мм.
  • Ширина 120 мм.
  • Высота 2650 мм.
  • Вес 2220 кг.
  • Объем бетона 0,885 м3
  • Геометрический объем 1,1194 м3
Цена: 30046 руб.
Подробнее
В 1,3-32-27-12-2,6
Панели внутренних продольных стен Серия 1.131-1
  • Длина 3220 мм.
  • Ширина 120 мм.
  • Высота 2650 мм.
  • Вес 1980 кг.
  • Объем бетона 0,789 м3
  • Геометрический объем 1,024 м3
Цена: 26787 руб.
Подробнее
В 1,3-32-27-12-2,7
Панели внутренних продольных стен Серия 1.131-1
  • Длина 3220 мм.
  • Ширина 120 мм.
  • Высота 2650 мм.
  • Вес 1980 кг.
  • Объем бетона 0,789 м3
  • Геометрический объем 1,024 м3
Цена: 26787 руб.
Подробнее
В 1,3-35-27-12-2,2
Панели внутренних продольных стен Серия 1.131-1
  • Длина 3520 мм.
  • Ширина 120 мм.
  • Высота 2650 мм.
  • Вес 2220 кг.
  • Объем бетона 0,885 м3
  • Геометрический объем 1,1194 м3
Цена: 30046 руб.
Подробнее
В 1,3-35-27-12-1
Панели внутренних продольных стен Серия 1.131-1
  • Длина 3520 мм.
  • Ширина 120 мм.
  • Высота 2650 мм.
  • Вес 2780 кг.
  • Объем бетона 1,11 м3
  • Геометрический объем 1,1194 м3
Цена: 37685 руб.
Подробнее
В 1,3-35-27-12-2,3
Панели внутренних продольных стен Серия 1.131-1
  • Длина 3520 мм.
  • Ширина 120 мм.
  • Высота 2650 мм.
  • Вес 2220 кг.
  • Объем бетона 0,885 м3
  • Геометрический объем 1,1194 м3
Цена: 30046 руб.
Подробнее
В 1,3-35-27-12-2,5
Панели внутренних продольных стен Серия 1.131-1
  • Длина 3520 мм.
  • Ширина 120 мм.
  • Высота 2650 мм.
  • Вес 2220 кг.
  • Объем бетона 0,885 м3
  • Геометрический объем 1,1194 м3
Цена: 30046 руб.
Подробнее
В 1,3-35-27-12-2,6
Панели внутренних продольных стен Серия 1.131-1
  • Длина 3520 мм.
  • Ширина 120 мм.
  • Высота 2650 мм.
  • Вес 2220 кг.
  • Объем бетона 0,885 м3
  • Геометрический объем 1,1194 м3
Цена: 30046 руб.
Подробнее
В 1,3-47-27-12-1
Панели внутренних продольных стен Серия 1.131-1
  • Длина 4720 мм.
  • Ширина 120 мм.
  • Высота 2650 мм.
  • Вес 3720 кг.
  • Объем бетона 1,488 м3
  • Геометрический объем 1,501 м3
Цена: 50518 руб.
Подробнее
В 1,3-35-27-12-2,4
Панели внутренних продольных стен Серия 1.131-1
  • Длина 3520 мм.
  • Ширина 120 мм.
  • Высота 2650 мм.
  • Вес 2220 кг.
  • Объем бетона 0,885 м3
  • Геометрический объем 1,1194 м3
Цена: 30046 руб.
Подробнее
В 1,3-47-27-12-2,1
Панели внутренних продольных стен Серия 1.131-1
  • Длина 4720 мм.
  • Ширина 120 мм.
  • Высота 2650 мм.
  • Вес 3160 кг.
  • Объем бетона 1,263 м3
  • Геометрический объем 1,501 м3
Цена: 42879 руб.
Подробнее
В 1,3-35-27-12-2,7
Панели внутренних продольных стен Серия 1.131-1
  • Длина 3520 мм.
  • Ширина 120 мм.
  • Высота 2650 мм.
  • Вес 2220 кг.
  • Объем бетона 0,885 м3
  • Геометрический объем 1,1194 м3
Цена: 30046 руб.
Подробнее
В 1,3-47-27-12-2,4
Панели внутренних продольных стен Серия 1.131-1
  • Длина 4720 мм.
  • Ширина 120 мм.
  • Высота 2650 мм.
  • Вес 3160 кг.
  • Объем бетона 1,263 м3
  • Геометрический объем 1,501 м3
Цена: 42879 руб.
Подробнее
В 1,3-47-27-12-2,5
Панели внутренних продольных стен Серия 1.131-1
  • Длина 4720 мм.
  • Ширина 120 мм.
  • Высота 2650 мм.
  • Вес 3160 кг.
  • Объем бетона 1,263 м3
  • Геометрический объем 1,501 м3
Цена: 42879 руб.
Подробнее
В 1,3-47-27-12-2,7
Панели внутренних продольных стен Серия 1.131-1
  • Длина 4720 мм.
  • Ширина 120 мм.
  • Высота 2650 мм.
  • Вес 3160 кг.
  • Объем бетона 1,263 м3
  • Геометрический объем 1,501 м3
Цена: 42879 руб.
Подробнее
В 1,3-47-27-12-2,2
Панели внутренних продольных стен Серия 1.131-1
  • Длина 4720 мм.
  • Ширина 120 мм.
  • Высота 2650 мм.
  • Вес 3160 кг.
  • Объем бетона 1,263 м3
  • Геометрический объем 1,501 м3
Цена: 42879 руб.
Подробнее
В 1,3-47-27-12-2,3
Панели внутренних продольных стен Серия 1.131-1
  • Длина 4720 мм.
  • Ширина 120 мм.
  • Высота 2650 мм.
  • Вес 3160 кг.
  • Объем бетона 1,263 м3
  • Геометрический объем 1,501 м3
Цена: 42879 руб.
Подробнее
В 1,3-47-27-12-2,6
Панели внутренних продольных стен Серия 1.131-1
  • Длина 4720 мм.
  • Ширина 120 мм.
  • Высота 2650 мм.
  • Вес 3160 кг.
  • Объем бетона 1,263 м3
  • Геометрический объем 1,501 м3
Цена: 42879 руб.
Подробнее
В 1,3-50-27-12-1
Панели внутренних продольных стен Серия 1.131-1
  • Длина 5020 мм.
  • Ширина 120 мм.
  • Высота 2650 мм.
  • Вес 3960 кг.
  • Объем бетона 1,584 м3
  • Геометрический объем 1,5964 м3
Цена: 53777 руб.
Подробнее
В 1,3-50-27-12-2,1
Панели внутренних продольных стен Серия 1.131-1
  • Длина 5020 мм.
  • Ширина 120 мм.
  • Высота 2650 мм.
  • Вес 3400 кг.
  • Объем бетона 1,359 м3
  • Геометрический объем 1,5964 м3
Цена: 46138 руб.
Подробнее
В 1,3-50-27-12-2,2
Панели внутренних продольных стен Серия 1.131-1
  • Длина 5020 мм.
  • Ширина 120 мм.
  • Высота 2650 мм.
  • Вес 3400 кг.
  • Объем бетона 1,359 м3
  • Геометрический объем 1,5964 м3
Цена: 46138 руб.
Подробнее
В 1,3-50-27-12-2,3
Панели внутренних продольных стен Серия 1.131-1
  • Длина 5020 мм.
  • Ширина 120 мм.
  • Высота 2650 мм.
  • Вес 3400 кг.
  • Объем бетона 1,359 м3
  • Геометрический объем 1,5964 м3
Цена: 46138 руб.
Подробнее
В 1,3-50-27-12-2,4
Панели внутренних продольных стен Серия 1.131-1
  • Длина 5020 мм.
  • Ширина 120 мм.
  • Высота 2650 мм.
  • Вес 3400 кг.
  • Объем бетона 1,359 м3
  • Геометрический объем 1,5964 м3
Цена: 46138 руб.
Подробнее
В 1,3-50-27-12-2,5
Панели внутренних продольных стен Серия 1.131-1
  • Длина 5020 мм.
  • Ширина 120 мм.
  • Высота 2650 мм.
  • Вес 3400 кг.
  • Объем бетона 1,359 м3
  • Геометрический объем 1,5964 м3
Цена: 46138 руб.
Подробнее
В 1,3-50-27-12-2,6
Панели внутренних продольных стен Серия 1.131-1
  • Длина 5020 мм.
  • Ширина 120 мм.
  • Высота 2650 мм.
  • Вес 3400 кг.
  • Объем бетона 1,359 м3
  • Геометрический объем 1,5964 м3
Цена: 46138 руб.
Подробнее
В 1,3-50-27-12-2,7
Панели внутренних продольных стен Серия 1.131-1
  • Длина 5020 мм.
  • Ширина 120 мм.
  • Высота 2650 мм.
  • Вес 3400 кг.
  • Объем бетона 1,359 м3
  • Геометрический объем 1,5964 м3
Цена: 46138 руб.
Подробнее
В 1,3-53-27-12-2,2
Панели внутренних продольных стен Серия 1.131-1
  • Длина 5320 мм.
  • Ширина 120 мм.
  • Высота 2650 мм.
  • Вес 3640 кг.
  • Объем бетона 1,455 м3
  • Геометрический объем 1,6918 м3
Цена: 49397 руб.
Подробнее
В 1,3-53-27-12-1
Панели внутренних продольных стен Серия 1.131-1
  • Длина 5320 мм.
  • Ширина 120 мм.
  • Высота 2650 мм.
  • Вес 4200 кг.
  • Объем бетона 1,68 м3
  • Геометрический объем 1,6918 м3
Цена: 57036 руб.
Подробнее
В 1,3-53-27-12-2,3
Панели внутренних продольных стен Серия 1.131-1
  • Длина 5320 мм.
  • Ширина 120 мм.
  • Высота 2650 мм.
  • Вес 3640 кг.
  • Объем бетона 1,455 м3
  • Геометрический объем 1,6918 м3
Цена: 49397 руб.
Подробнее
В 1,3-53-27-12-2,1
Панели внутренних продольных стен Серия 1.131-1
  • Длина 5320 мм.
  • Ширина 120 мм.
  • Высота 2650 мм.
  • Вес 3640 кг.
  • Объем бетона 1,455 м3
  • Геометрический объем 1,6918 м3
Цена: 49397 руб.
Подробнее
В 1,3-53-27-12-2,4
Панели внутренних продольных стен Серия 1.131-1
  • Длина 5320 мм.
  • Ширина 120 мм.
  • Высота 2650 мм.
  • Вес 3640 кг.
  • Объем бетона 1,455 м3
  • Геометрический объем 1,6918 м3
Цена: 49397 руб.
Подробнее
В 1,3-53-27-12-2,5
Панели внутренних продольных стен Серия 1.131-1
  • Длина 5320 мм.
  • Ширина 120 мм.
  • Высота 2650 мм.
  • Вес 3640 кг.
  • Объем бетона 1,455 м3
  • Геометрический объем 1,6918 м3
Цена: 49397 руб.
Подробнее
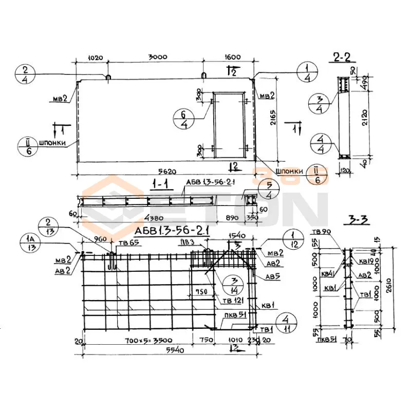
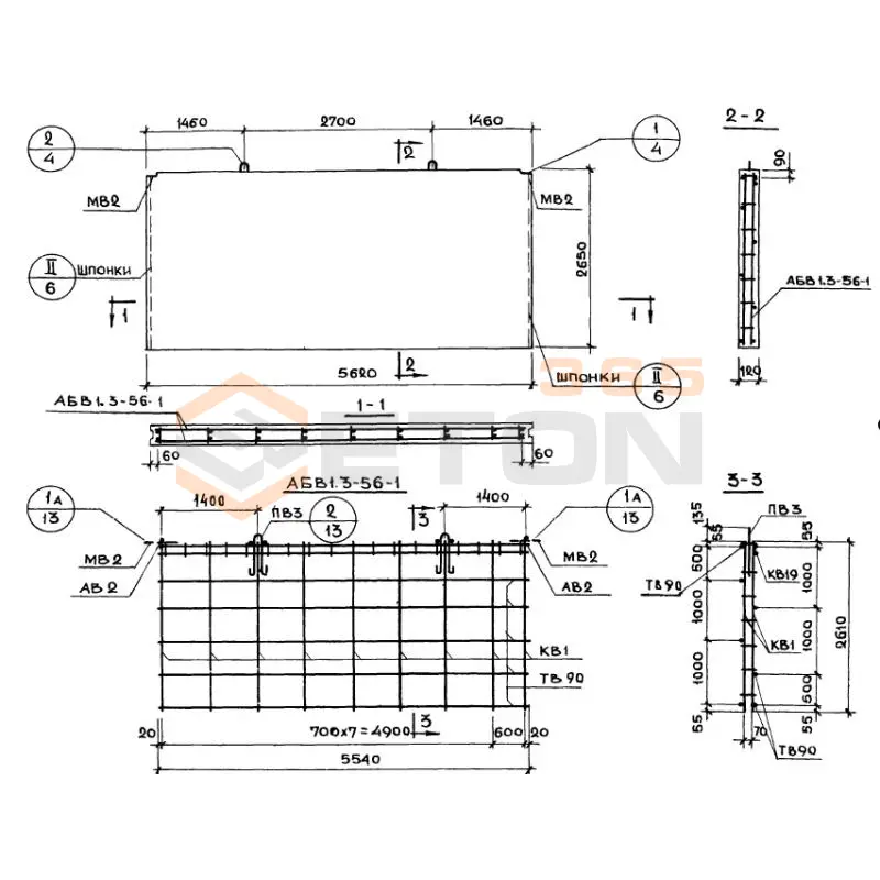
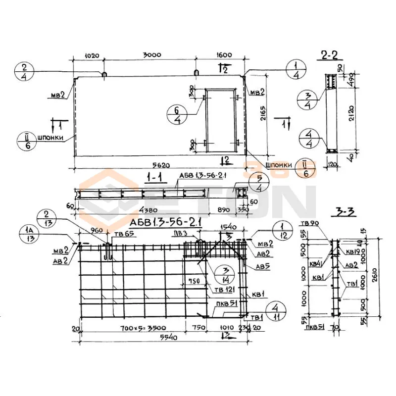
В 1,3-56-27-12-1
Панели внутренних продольных стен Серия 1.131-1
  • Длина 5620 мм.
  • Ширина 120 мм.
  • Высота 2650 мм.
  • Вес 4440 кг.
  • Объем бетона 1,776 м3
  • Геометрический объем 1,7872 м3
Цена: 60295 руб.
Подробнее
В 1,3-53-27-12-2,6
Панели внутренних продольных стен Серия 1.131-1
  • Длина 5320 мм.
  • Ширина 120 мм.
  • Высота 2650 мм.
  • Вес 3640 кг.
  • Объем бетона 1,455 м3
  • Геометрический объем 1,6918 м3
Цена: 49397 руб.
Подробнее
В 1,3-56-27-12-2,1
Панели внутренних продольных стен Серия 1.131-1
  • Длина 5620 мм.
  • Ширина 120 мм.
  • Высота 2650 мм.
  • Вес 3880 кг.
  • Объем бетона 1,554 м3
  • Геометрический объем 1,7872 м3
Цена: 52758 руб.
Подробнее
В 1,3-53-27-12-2,7
Панели внутренних продольных стен Серия 1.131-1
  • Длина 5320 мм.
  • Ширина 120 мм.
  • Высота 2650 мм.
  • Вес 3640 кг.
  • Объем бетона 1,455 м3
  • Геометрический объем 1,6918 м3
Цена: 49397 руб.
Подробнее
В 1,3-56-27-12-2,2
Панели внутренних продольных стен Серия 1.131-1
  • Длина 5620 мм.
  • Ширина 120 мм.
  • Высота 2650 мм.
  • Вес 3880 кг.
  • Объем бетона 1,554 м3
  • Геометрический объем 1,7872 м3
Цена: 52758 руб.
Подробнее
В 1,3-56-27-12-2,4
Панели внутренних продольных стен Серия 1.131-1
  • Длина 5620 мм.
  • Ширина 120 мм.
  • Высота 2650 мм.
  • Вес 3880 кг.
  • Объем бетона 1,554 м3
  • Геометрический объем 1,7872 м3
Цена: 52758 руб.
Подробнее

Как правильно выбрать - Панели внутренних продольных стен Серия 1.131-1

Панели внутренних продольных стен Серия 1.131-1 предназначены для возведения несущих внутренних стен в жилых, общественных и промышленных зданиях. Они воспринимают вертикальные нагрузки от вышележащих конструкций и обеспечивают пространственную жесткость каркаса. Долговечность и надежность всей строительной системы в значительной степени определяются грамотным подбором панелей данной серии в соответствии с проектными решениями.

Критерии выбора

  • Марка бетона и прочностные характеристики: Изделия изготавливаются из тяжелого бетона марки не ниже М300 (класс прочности на сжатие В22,5) с показателями морозостойкости F100 и водонепроницаемости W4, что обеспечивает необходимую долговечность в условиях эксплуатации внутри отапливаемых помещений.
  • Армирование: Класс напрягаемой арматуры для предварительно напряженных панелей – Ат-V, Ат-VI. Необходимо проверять соответствие паспорта изделия проектным требованиям по несущей способности.
  • Геометрические параметры и конфигурация: Строгое соответствие типоразмерам по серии (высота этажа, толщина) и наличие проектных монтажных петель, отверстий для пропуска инженерных коммуникаций, гнезд для сопряжения с поперечными стенами и перекрытиями.
  • Расчетные нагрузки: Учет всех постоянных и временных нагрузок, включая нагрузку от перекрытий, перегородок и оборудования, для которых предназначены панели внутренних продольных стен Серия 1.131-1.
  • Соответствие нормам: Обязательное соответствие ГОСТ 12504-80 (Панели стеновые внутренние) и требованиям серийной документации 1.131-1.

Рекомендации по подбору и монтажу

При составлении спецификации на панели внутренних продольных стен Серия 1.131-1 особое внимание уделите проверке монтажных чертежей – расположение и тип выпусков арматуры должны точно совпадать с проектными решениями для обеспечения надежного соединения со смежными конструкциями. Требуйте от поставщика предоставления паспортов на каждую партию, где указаны фактические прочностные характеристики бетона и марка стали.

На этапе монтажа критически важна правильная строповка за все предусмотренные петли для исключения возникновения трещин. Перед установкой проверьте опорные поверхности нижележащих конструкций, которые должны быть выверены по горизонтали и очищены. Стыки между панелями продольных стен должны герметизироваться в соответствии с проектом, обеспечивая как прочность, так и требуемые звукоизоляционные качества ограждающих конструкций.

Ответы экспертов на ваши вопросы

Ответ: Панели внутренних продольных стен серии 1.131-1 изготавливаются из тяжелого бетона класса В15-В25, имеют толщину 140, 160 и 180 мм, стандартную высоту 2800 мм и длину от 1180 до 7180 мм. Панели армируются сварными сетками и каркасами, имеют маркировку по несущей способности, предусматривают монтажные петли и могут иметь дверные проемы согласно проекту.

Ответ: Монтаж панелей осуществляется с применением грузоподъемных механизмов грузоподъемностью не менее 3-5 тонн. Панели устанавливаются на слой цементно-песчаного раствора толщиной 10-20 мм с выверкой по вертикали и горизонтали. Стыки между панелями замоноличиваются бетоном после проверки правильности установки. Обязательно закрепление панелей временными связями до завершения монтажа этажа.

Ответ: Панели серии 1.131-1 имеют вертикальные стыки с петлевыми выпусками арматуры, которые соединяются сваркой и замоноличиваются бетоном. В горизонтальных стыках предусмотрены опорные площадки на растворной постели. В местах примыкания к другим конструкциям устанавливаются закладные детали для соединения сваркой. Все стыки должны обеспечивать проектную прочность и жесткость стеновой конструкции.

Ответ: Панели серии 1.131-1 предназначены для применения в зданиях высотой до 25 этажей в сейсмических районах до 7 баллов. Не допускается применение в агрессивных средах без дополнительной защиты, в помещениях с влажностью более 75% без гидроизоляции. Панели не предназначены для восприятия значительных горизонтальных нагрузок без дополнительного усиления.

Ответ: Панели внутренних продольных стен серии 1.131-1 обеспечивают звукоизоляцию до 45-50 дБ, что соответствует нормам для межквартирных стен. Теплоизоляционные свойства обеспечиваются самой конструкцией из тяжелого бетона, однако для наружных стен требуются дополнительные теплоизоляционные слои. При необходимости повышения звукоизоляции возможно устройство дополнительных облицовок или применение звукопоглощающих материалов в стыках.

Ранее смотрели
Гипсобетонные и шлакобетонные перегородки Серия ИИ 03-04 ПШ 1 а (ИИ 03-04)
ПШ 1 а (ИИ 03-04)
Гипсобетонные и шлакобетонные перегородки Серия ИИ 03-04
Гипсобетонные и шлакобетонные перегородки Серия ИИ 03-04 ПГ 8-13 а (ИИ 03-04)
ПГ 8-13 а (ИИ 03-04)
Гипсобетонные и шлакобетонные перегородки Серия ИИ 03-04
Гипсобетонные и шлакобетонные перегородки Серия ИИ 03-04 ПГ 7-13 а (ИИ 03-04)
ПГ 7-13 а (ИИ 03-04)
Гипсобетонные и шлакобетонные перегородки Серия ИИ 03-04
Гипсобетонные и шлакобетонные перегородки Серия ИИ 03-04 ПГ 6-13 а (ИИ 03-04)
ПГ 6-13 а (ИИ 03-04)
Гипсобетонные и шлакобетонные перегородки Серия ИИ 03-04
Гипсобетонные и шлакобетонные перегородки Серия ИИ 03-04 ПГ 2 а (ИИ 03-04)
ПГ 2 а (ИИ 03-04)
Гипсобетонные и шлакобетонные перегородки Серия ИИ 03-04
Гипсобетонные и шлакобетонные перегородки Серия ИИ 03-04 ПГ 1 а (ИИ 03-04)
ПГ 1 а (ИИ 03-04)
Гипсобетонные и шлакобетонные перегородки Серия ИИ 03-04
ПШ 6 а (ИИ 03-04)
ПШ 6 а (ИИ 03-04)
Гипсобетонные и шлакобетонные перегородки Серия ИИ 03-04
Гипсобетонные и шлакобетонные перегородки Серия ИИ 03-04 ПГ 10-13 а (ИИ 03-04)
ПГ 10-13 а (ИИ 03-04)
Гипсобетонные и шлакобетонные перегородки Серия ИИ 03-04

Уведомление о файлах cookie

Мы используем файлы cookie для улучшения вашего опыта просмотра и анализа трафика. Нажимая "Принять все", вы соглашаетесь с нашей политикой конфиденциальности и политикой обработки файлов cookie.

Дзен Телеграм Вконтакте vk