mobile_sound +7 (930) 655-55-90

Панели стеновые нулевого цикла (цокольные) Серия 1.090.1-1/88

Поделиться:
Фильтр по характеристикам
Длина (мм.)
keyboard_arrow_down
мм.
мм.
Ширина (мм.)
keyboard_arrow_down
мм.
мм.
Высота (мм.)
keyboard_arrow_down
мм.
мм.
Вес (кг.)
keyboard_arrow_down
кг.
кг.
Поделиться:

Завод "Бетон365" производит панели стеновые нулевого цикла серии 1.090.1-1/88 — ключевые элементы для возведения надёжных цокольных этажей и подземных сооружений. Эти железобетонные конструкции выполняют роль несущих стен, обеспечивая равномерное распределение нагрузок от вышележащих этажей и защищая здание от грунтовых вод и промерзания. Изготовленные в строгом соответствии с ГОСТ, панели демонстрируют повышенную прочность, морозостойкость и долговечность, что позволяет использовать их в жилых, коммерческих и промышленных объектах.

В Москве и МО мы реализуем цокольные панели напрямую от производителя, что гарантирует конкурентную цену и контроль качества на всех этапах. Предлагаем купить панели стеновые нулевого цикла серии 1.090.1-1/88 с доставкой на объект — наш автопарк обеспечит своевременную поставку даже на сложные участки. Для расчёта стоимости и уточнения технических параметров обратитесь к нашим специалистам.

1ПСЦ 11-21-3,0
Панели стеновые нулевого цикла (цокольные) Серия 1.090.1-1/88
  • Длина 1100 мм.
  • Ширина 2100 мм.
  • Высота 300 мм.
  • Вес 850 кг.
  • Объем бетона 0,587 м3
  • Геометрический объем 0,693 м3
Цена: 24484 руб.
Подробнее
1ПСЦ 11-21-3,5
Панели стеновые нулевого цикла (цокольные) Серия 1.090.1-1/88
  • Длина 1100 мм.
  • Ширина 2100 мм.
  • Высота 350 мм.
  • Вес 970 кг.
  • Объем бетона 0,679 м3
  • Геометрический объем 0,8085 м3
Цена: 28321 руб.
Подробнее
1ПСЦ 14-21-3,5
Панели стеновые нулевого цикла (цокольные) Серия 1.090.1-1/88
  • Длина 1355 мм.
  • Ширина 2100 мм.
  • Высота 350 мм.
  • Вес 970 кг.
  • Объем бетона 0,689 м3
  • Геометрический объем 0,9959 м3
Цена: 28738 руб.
Подробнее
1ПСЦ 14-21-3,0
Панели стеновые нулевого цикла (цокольные) Серия 1.090.1-1/88
  • Длина 1355 мм.
  • Ширина 2100 мм.
  • Высота 300 мм.
  • Вес 840 кг.
  • Объем бетона 0,591 м3
  • Геометрический объем 0,8537 м3
Цена: 24651 руб.
Подробнее
1ПСЦ 29-21-3,0
Панели стеновые нулевого цикла (цокольные) Серия 1.090.1-1/88
  • Длина 2900 мм.
  • Ширина 2100 мм.
  • Высота 300 мм.
  • Вес 2330 кг.
  • Объем бетона 1,606 м3
  • Геометрический объем 1,827 м3
Цена: 66986 руб.
Подробнее
1ПСЦ 17-21-3,0
Панели стеновые нулевого цикла (цокольные) Серия 1.090.1-1/88
  • Длина 1700 мм.
  • Ширина 2100 мм.
  • Высота 300 мм.
  • Вес 1390 кг.
  • Объем бетона 0,83 м3
  • Геометрический объем 1,071 м3
Цена: 34619 руб.
Подробнее
1ПСЦ 17-21-3,5
Панели стеновые нулевого цикла (цокольные) Серия 1.090.1-1/88
  • Длина 1700 мм.
  • Ширина 2100 мм.
  • Высота 350 мм.
  • Вес 1590 кг.
  • Объем бетона 0,988 м3
  • Геометрический объем 1,2495 м3
Цена: 41209 руб.
Подробнее
1ПСЦ 29-21-3,5
Панели стеновые нулевого цикла (цокольные) Серия 1.090.1-1/88
  • Длина 2900 мм.
  • Ширина 2100 мм.
  • Высота 350 мм.
  • Вес 2700 кг.
  • Объем бетона 1,887 м3
  • Геометрический объем 2,1315 м3
Цена: 78707 руб.
Подробнее
1ПСЦ 30-21-3,0
Панели стеновые нулевого цикла (цокольные) Серия 1.090.1-1/88
  • Длина 2990 мм.
  • Ширина 2100 мм.
  • Высота 300 мм.
  • Вес 2340 кг.
  • Объем бетона 1,619 м3
  • Геометрический объем 1,8837 м3
Цена: 67528 руб.
Подробнее
1ПСЦ 30-21-3,5
Панели стеновые нулевого цикла (цокольные) Серия 1.090.1-1/88
  • Длина 2990 мм.
  • Ширина 2100 мм.
  • Высота 350 мм.
  • Вес 2720 кг.
  • Объем бетона 1,905 м3
  • Геометрический объем 2,1976 м3
Цена: 79458 руб.
Подробнее
1ПСЦ 60-21-3,5
Панели стеновые нулевого цикла (цокольные) Серия 1.090.1-1/88
  • Длина 5990 мм.
  • Ширина 2100 мм.
  • Высота 350 мм.
  • Вес 5550 кг.
  • Объем бетона 3,884 м3
  • Геометрический объем 4,4027 м3
Цена: 162002 руб.
Подробнее
2ПСЦ 11-21-3,0
Панели стеновые нулевого цикла (цокольные) Серия 1.090.1-1/88
  • Длина 1100 мм.
  • Ширина 2100 мм.
  • Высота 300 мм.
  • Вес 850 кг.
  • Объем бетона 0,587 м3
  • Геометрический объем 0,693 м3
Цена: 24484 руб.
Подробнее
2ПСЦ 14-21-3,0
Панели стеновые нулевого цикла (цокольные) Серия 1.090.1-1/88
  • Длина 1355 мм.
  • Ширина 2100 мм.
  • Высота 300 мм.
  • Вес 840 кг.
  • Объем бетона 0,591 м3
  • Геометрический объем 0,8537 м3
Цена: 24651 руб.
Подробнее
1ПСЦ 60-21-3,0
Панели стеновые нулевого цикла (цокольные) Серия 1.090.1-1/88
  • Длина 5990 мм.
  • Ширина 2100 мм.
  • Высота 300 мм.
  • Вес 4760 кг.
  • Объем бетона 3,289 м3
  • Геометрический объем 3,7737 м3
Цена: 137184 руб.
Подробнее
2ПСЦ 11-21-3,5
Панели стеновые нулевого цикла (цокольные) Серия 1.090.1-1/88
  • Длина 1100 мм.
  • Ширина 2100 мм.
  • Высота 350 мм.
  • Вес 970 кг.
  • Объем бетона 0,679 м3
  • Геометрический объем 0,8085 м3
Цена: 28321 руб.
Подробнее
2ПСЦ 14-21-3,5
Панели стеновые нулевого цикла (цокольные) Серия 1.090.1-1/88
  • Длина 1355 мм.
  • Ширина 2100 мм.
  • Высота 350 мм.
  • Вес 970 кг.
  • Объем бетона 0,689 м3
  • Геометрический объем 0,9959 м3
Цена: 28738 руб.
Подробнее
2ПСЦ 17-21-3,0
Панели стеновые нулевого цикла (цокольные) Серия 1.090.1-1/88
  • Длина 1700 мм.
  • Ширина 2100 мм.
  • Высота 300 мм.
  • Вес 1390 кг.
  • Объем бетона 0,83 м3
  • Геометрический объем 1,071 м3
Цена: 34619 руб.
Подробнее
2ПСЦ 17-21-3,5
Панели стеновые нулевого цикла (цокольные) Серия 1.090.1-1/88
  • Длина 1700 мм.
  • Ширина 2100 мм.
  • Высота 350 мм.
  • Вес 1590 кг.
  • Объем бетона 0,988 м3
  • Геометрический объем 1,2495 м3
Цена: 41209 руб.
Подробнее
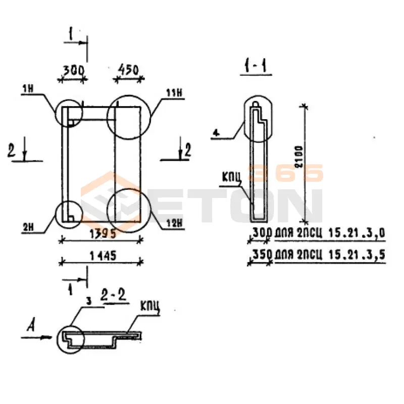
2ПСЦ 15-21-3,5
Панели стеновые нулевого цикла (цокольные) Серия 1.090.1-1/88
  • Длина 1445 мм.
  • Ширина 2100 мм.
  • Высота 350 мм.
  • Вес 1090 кг.
  • Объем бетона 0,776 м3
  • Геометрический объем 1,0621 м3
Цена: 32367 руб.
Подробнее
2ПСЦ 15-21-3,0
Панели стеновые нулевого цикла (цокольные) Серия 1.090.1-1/88
  • Длина 1445 мм.
  • Ширина 2100 мм.
  • Высота 300 мм.
  • Вес 930 кг.
  • Объем бетона 0,653 м3
  • Геометрический объем 0,9103 м3
Цена: 27237 руб.
Подробнее
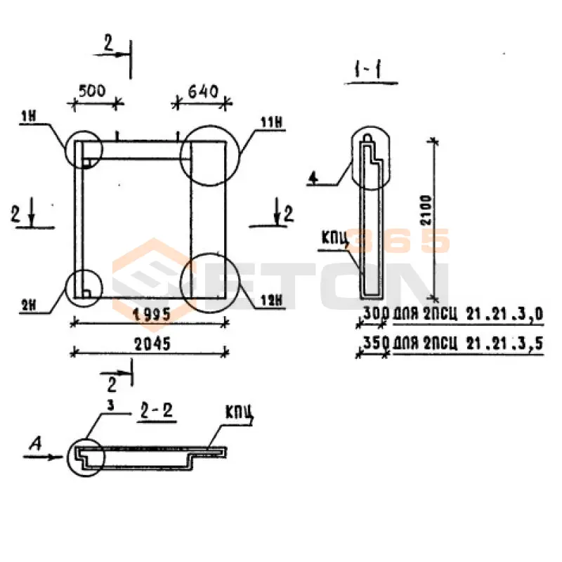
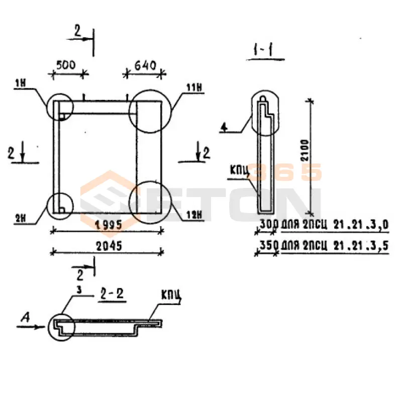
2ПСЦ 21-21-3,5
Панели стеновые нулевого цикла (цокольные) Серия 1.090.1-1/88
  • Длина 2045 мм.
  • Ширина 2100 мм.
  • Высота 350 мм.
  • Вес 1650 кг.
  • Объем бетона 1,165 м3
  • Геометрический объем 1,5031 м3
Цена: 48592 руб.
Подробнее
2ПСЦ 21-21-3,0
Панели стеновые нулевого цикла (цокольные) Серия 1.090.1-1/88
  • Длина 2045 мм.
  • Ширина 2100 мм.
  • Высота 300 мм.
  • Вес 1420 кг.
  • Объем бетона 0,993 м3
  • Геометрический объем 1,2884 м3
Цена: 41418 руб.
Подробнее
2ПСЦ 29-21-3,0
Панели стеновые нулевого цикла (цокольные) Серия 1.090.1-1/88
  • Длина 2900 мм.
  • Ширина 2100 мм.
  • Высота 300 мм.
  • Вес 2330 кг.
  • Объем бетона 1,606 м3
  • Геометрический объем 1,827 м3
Цена: 66986 руб.
Подробнее
2ПСЦ 29-21-3,5
Панели стеновые нулевого цикла (цокольные) Серия 1.090.1-1/88
  • Длина 2900 мм.
  • Ширина 2100 мм.
  • Высота 350 мм.
  • Вес 2700 кг.
  • Объем бетона 1,887 м3
  • Геометрический объем 2,1315 м3
Цена: 78707 руб.
Подробнее
2ПСЦ 33-21-3,5
Панели стеновые нулевого цикла (цокольные) Серия 1.090.1-1/88
  • Длина 3245 мм.
  • Ширина 2100 мм.
  • Высота 350 мм.
  • Вес 2830 кг.
  • Объем бетона 1,984 м3
  • Геометрический объем 2,3851 м3
Цена: 82753 руб.
Подробнее
2ПСЦ 30-21-3,0
Панели стеновые нулевого цикла (цокольные) Серия 1.090.1-1/88
  • Длина 2990 мм.
  • Ширина 2100 мм.
  • Высота 300 мм.
  • Вес 1750 кг.
  • Объем бетона 1,268 м3
  • Геометрический объем 1,8837 м3
Цена: 52888 руб.
Подробнее
2ПСЦ 30-21-3,5
Панели стеновые нулевого цикла (цокольные) Серия 1.090.1-1/88
  • Длина 2990 мм.
  • Ширина 2100 мм.
  • Высота 350 мм.
  • Вес 2030 кг.
  • Объем бетона 1,482 м3
  • Геометрический объем 2,1976 м3
Цена: 61814 руб.
Подробнее
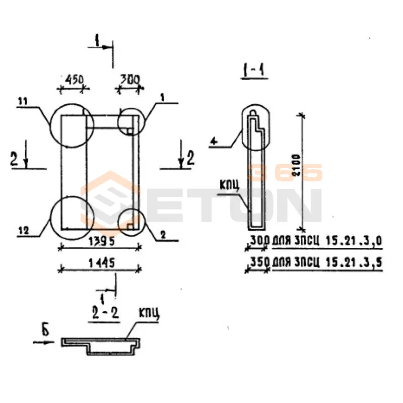
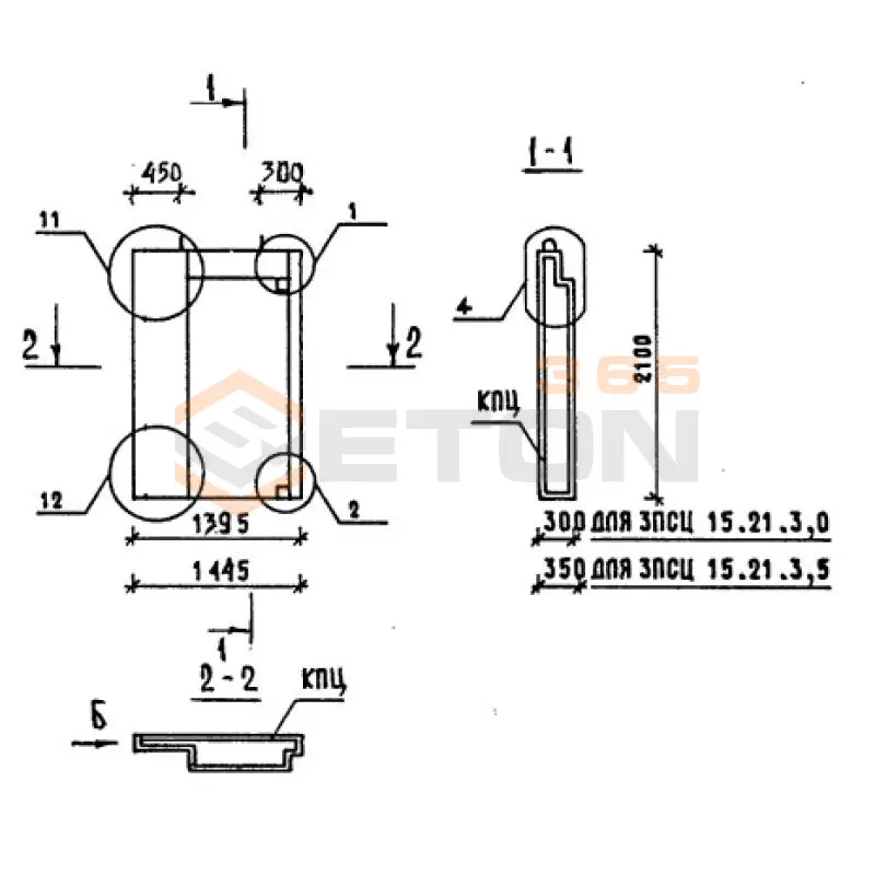
3ПСЦ 15-21-3,0
Панели стеновые нулевого цикла (цокольные) Серия 1.090.1-1/88
  • Длина 1445 мм.
  • Ширина 2100 мм.
  • Высота 300 мм.
  • Вес 930 кг.
  • Объем бетона 0,653 м3
  • Геометрический объем 0,9103 м3
Цена: 27237 руб.
Подробнее
3ПСЦ 15-21-3,5
Панели стеновые нулевого цикла (цокольные) Серия 1.090.1-1/88
  • Длина 1445 мм.
  • Ширина 2100 мм.
  • Высота 350 мм.
  • Вес 1090 кг.
  • Объем бетона 0,776 м3
  • Геометрический объем 1,0621 м3
Цена: 32367 руб.
Подробнее
2ПСЦ 33-21-3,0
Панели стеновые нулевого цикла (цокольные) Серия 1.090.1-1/88
  • Длина 3245 мм.
  • Ширина 2100 мм.
  • Высота 300 мм.
  • Вес 2400 кг.
  • Объем бетона 1,672 м3
  • Геометрический объем 2,0444 м3
Цена: 69739 руб.
Подробнее
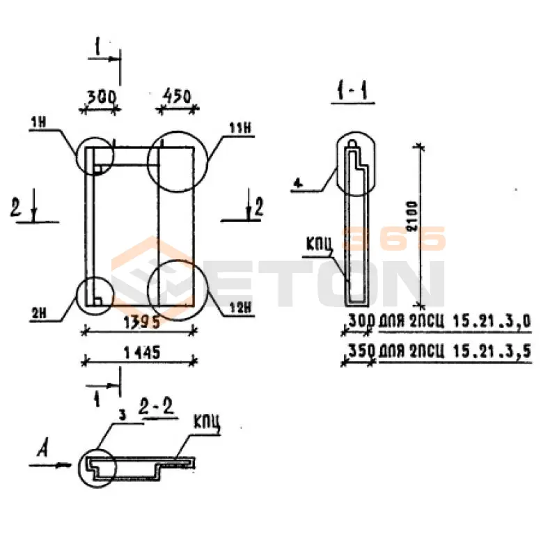
3ПСЦ 21-21-3,0
Панели стеновые нулевого цикла (цокольные) Серия 1.090.1-1/88
  • Длина 2045 мм.
  • Ширина 2100 мм.
  • Высота 300 мм.
  • Вес 1420 кг.
  • Объем бетона 0,993 м3
  • Геометрический объем 1,2884 м3
Цена: 41418 руб.
Подробнее
3ПСЦ 21-21-3,5
Панели стеновые нулевого цикла (цокольные) Серия 1.090.1-1/88
  • Длина 2045 мм.
  • Ширина 2100 мм.
  • Высота 350 мм.
  • Вес 1650 кг.
  • Объем бетона 1,165 м3
  • Геометрический объем 1,5031 м3
Цена: 48592 руб.
Подробнее
3ПСЦ 33-21-3,0
Панели стеновые нулевого цикла (цокольные) Серия 1.090.1-1/88
  • Длина 3245 мм.
  • Ширина 2100 мм.
  • Высота 300 мм.
  • Вес 2400 кг.
  • Объем бетона 1,672 м3
  • Геометрический объем 2,0444 м3
Цена: 69739 руб.
Подробнее
ПСЦ 12-21-3,0
Панели стеновые нулевого цикла (цокольные) Серия 1.090.1-1/88
  • Длина 1190 мм.
  • Ширина 2100 мм.
  • Высота 300 мм.
  • Вес 790 кг.
  • Объем бетона 0,548 м3
  • Геометрический объем 0,7497 м3
Цена: 22857 руб.
Подробнее
3ПСЦ 33-21-3,5
Панели стеновые нулевого цикла (цокольные) Серия 1.090.1-1/88
  • Длина 3245 мм.
  • Ширина 2100 мм.
  • Высота 350 мм.
  • Вес 2830 кг.
  • Объем бетона 1,984 м3
  • Геометрический объем 2,3851 м3
Цена: 82753 руб.
Подробнее
ПСЦ 18-21-3,0
Панели стеновые нулевого цикла (цокольные) Серия 1.090.1-1/88
  • Длина 1790 мм.
  • Ширина 2100 мм.
  • Высота 300 мм.
  • Вес 1280 кг.
  • Объем бетона 0,888 м3
  • Геометрический объем 1,1277 м3
Цена: 37038 руб.
Подробнее
ПСЦ 12-21-3,5
Панели стеновые нулевого цикла (цокольные) Серия 1.090.1-1/88
  • Длина 1190 мм.
  • Ширина 2100 мм.
  • Высота 350 мм.
  • Вес 910 кг.
  • Объем бетона 0,637 м3
  • Геометрический объем 0,8747 м3
Цена: 26569 руб.
Подробнее
ПСЦ 28-21-3,0
Панели стеновые нулевого цикла (цокольные) Серия 1.090.1-1/88
  • Длина 2810 мм.
  • Ширина 2100 мм.
  • Высота 300 мм.
  • Вес 2280 кг.
  • Объем бетона 1,566 м3
  • Геометрический объем 1,7703 м3
Цена: 65318 руб.
Подробнее
ПСЦ 18-21-3,5
Панели стеновые нулевого цикла (цокольные) Серия 1.090.1-1/88
  • Длина 1790 мм.
  • Ширина 2100 мм.
  • Высота 350 мм.
  • Вес 1480 кг.
  • Объем бетона 1,04 м3
  • Геометрический объем 1,3156 м3
Цена: 43378 руб.
Подробнее
ПСЦ 28-21-3,5
Панели стеновые нулевого цикла (цокольные) Серия 1.090.1-1/88
  • Длина 2810 мм.
  • Ширина 2100 мм.
  • Высота 350 мм.
  • Вес 2640 кг.
  • Объем бетона 1,835 м3
  • Геометрический объем 2,0654 м3
Цена: 76538 руб.
Подробнее

Как правильно выбрать - Панели стеновые нулевого цикла (цокольные) Серия 1.090.1-1/88

Панели стеновые нулевого цикла Серия 1.090.1-1/88 предназначены для возведения подземных частей зданий — фундаментных стен, стен подвалов и технических подполий. Эти цокольные панели работают в условиях постоянного контакта с грунтом, грунтовыми водами и знакопеременными температурами, выполняя несущую и ограждающую функции. Долговечность всей конструкции определяется соответствием характеристик панелей стеновых нулевого цикла проектным нагрузкам и агрессивности среды эксплуатации.

Критерии выбора

  • Бетон и его характеристики: Обязательно уточняйте марку бетона по прочности (не ниже В25), морозостойкость (F200 и выше) и водонепроницаемость (W6-W8), так как панели цокольные Серии 1.090.1-1/88 постоянно подвержены воздействию влаги.
  • Армирование: Проверяйте класс и схему армирования. Как правило, применяется напрягаемая или ненапрягаемая арматура классов А-III или Ат-IV, обеспечивающая восприятие бокового давления грунта.
  • Типоразмеры и конфигурация: Сверяйте габаритные размеры и толщину панели с проектом. Обращайте внимание на наличие и расположение монтажных петель, закладных деталей и выпусков арматуры для связи с другими конструкциями.
  • Эксплуатационные нагрузки: Убедитесь, что расчетные нагрузки на панели стеновые нулевого цикла (давление грунта, нагрузка от вышележащих конструкций) соответствуют проектным значениям.
  • Нормативная база: Изделие должно строго соответствовать требованиям серии 1.090.1-1/88 и сопровождаться паспортом качества.

Рекомендации по подбору и монтажу

При закупке панелей стеновых нулевого цикла Серии 1.090.1-1/88 требуйте от производителя полный комплект документации, включая результаты испытаний контрольных образцов на водонепроницаемость и морозостойкость. В спецификации обязательно указывайте не только типоразмер, но и марку бетона по водонепроницаемости, которая критична для данных условий эксплуатации.

На этапе монтажа ключевое значение имеет подготовка основания — оно должно быть выверено по проектным отметкам и горизонтали. Стыки между панелями необходимо герметизировать специальными составами, устойчивыми к влаге и биологическому воздействию. Сразу после установки организуйте обратную засыпку пазух котлована послойно, с тщательным уплотнением, чтобы избежать неравномерного бокового давления на смонтированные цокольные панели.

Ответы экспертов на ваши вопросы

Панели стеновые нулевого цикла Серии 1.090.1-1/88 представляют собой железобетонные изделия для подземной части зданий. Основные характеристики: толщина панелей 200-300 мм, марка бетона не ниже В15 (М200), класс арматуры А-I, А-III, водонепроницаемость W4-W6, морозостойкость F100-F150. Панели предназначены для восприятия нагрузок от грунта и вышележащих конструкций.

Монтаж осуществляется на подготовленное основание с выверкой по осям и отметкам. Стыки между панелями должны герметизироваться бетоном класса не ниже В15 с добавками для повышения водонепроницаемости. Вертикальные стыки выполняются с помощью петлевых стыков с последующим замоноличиванием. Обязательна проверка вертикальности и проектного положения каждой панели.

Панели проектируются с учетом необходимости наружной гидроизоляции. Рекомендуется устройство обмазочной или оклеечной гидроизоляции по наружной поверхности с защитой от механических повреждений. Внутренняя поверхность может покрываться проникающей гидроизоляцией. Особое внимание уделяется герметизации рабочих швов и мест ввода коммуникаций.

При проектировании учитываются: постоянные нагрузки от собственного веса и вышележащих конструкций, временные нагрузки от грунта обратной засыпки, боковое давление грунта, гидростатическое давление грунтовых вод, сейсмические нагрузки (для сейсмических районов), температурно-усадочные воздействия. Расчет выполняется по предельным состояниям.

Наиболее частые дефекты: трещины в бетоне (до 0,3 мм - поверхностная заделка, свыше - инъектирование), нарушение герметичности стыков (расчистка и повторное замоноличивание), повреждение гидроизоляции (восстановление защитного слоя). При значительных повреждениях несущей способности требуется усиление конструкций или замена панелей.

Ранее смотрели
Гипсобетонные и шлакобетонные перегородки Серия ИИ 03-04 ПГ 14 а (ИИ 03-04)
ПГ 14 а (ИИ 03-04)
Гипсобетонные и шлакобетонные перегородки Серия ИИ 03-04
Панели перекрытия ребристые Серия 1.220.1-2 ПР 30-12-8 АIII
ПР 30-12-8 АIII
Панели перекрытия ребристые Серия 1.220.1-2
МСП 60-30-16-8-6
МСП 60-30-16-8-6
Двухмодульные панели перекрытия Серия КУБ 2,5
Плиты тротуарные Серия 3.501-108 П 7 с (3.501-108)
П 7 с (3.501-108)
Плиты тротуарные Серия 3.501-108
Гипсобетонные и шлакобетонные перегородки Серия ИИ 03-04 ПГ 4 (ИИ 03-04)
ПГ 4 (ИИ 03-04)
Гипсобетонные и шлакобетонные перегородки Серия ИИ 03-04
Гипсобетонные и шлакобетонные перегородки Серия ИИ 03-04 ПГ 11 (ИИ 03-04)
ПГ 11 (ИИ 03-04)
Гипсобетонные и шлакобетонные перегородки Серия ИИ 03-04
Анкера ригельные Арх Л56-97 РАж 1 (Арх Л56-97)
РАж 1 (Арх Л56-97)
Анкера ригельные Арх Л56-97

Уведомление о файлах cookie

Мы используем файлы cookie для улучшения вашего опыта просмотра и анализа трафика. Нажимая "Принять все", вы соглашаетесь с нашей политикой конфиденциальности и политикой обработки файлов cookie.

Дзен Телеграм Вконтакте vk