mobile_sound +7 (930) 655-55-90

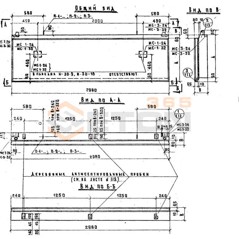
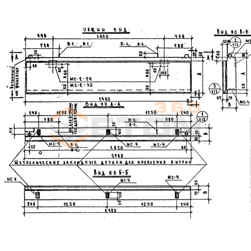
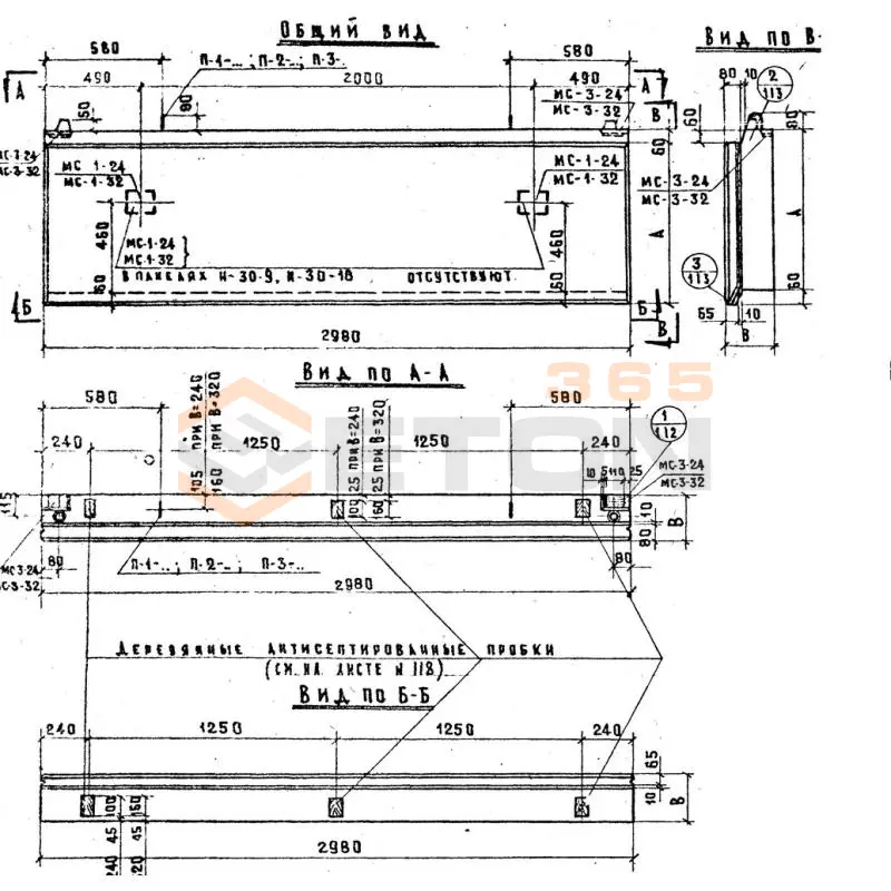
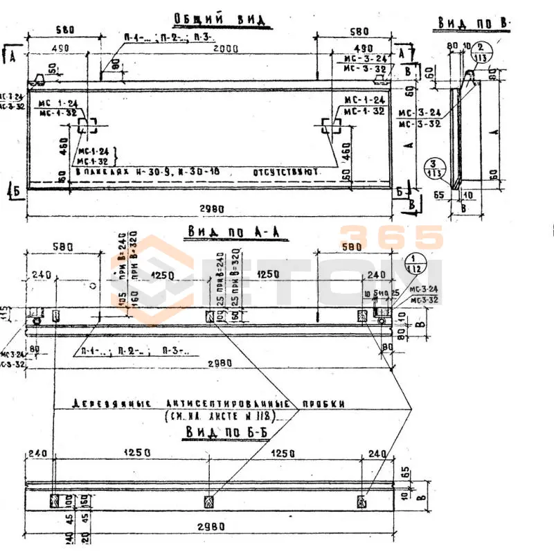
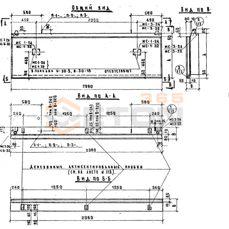
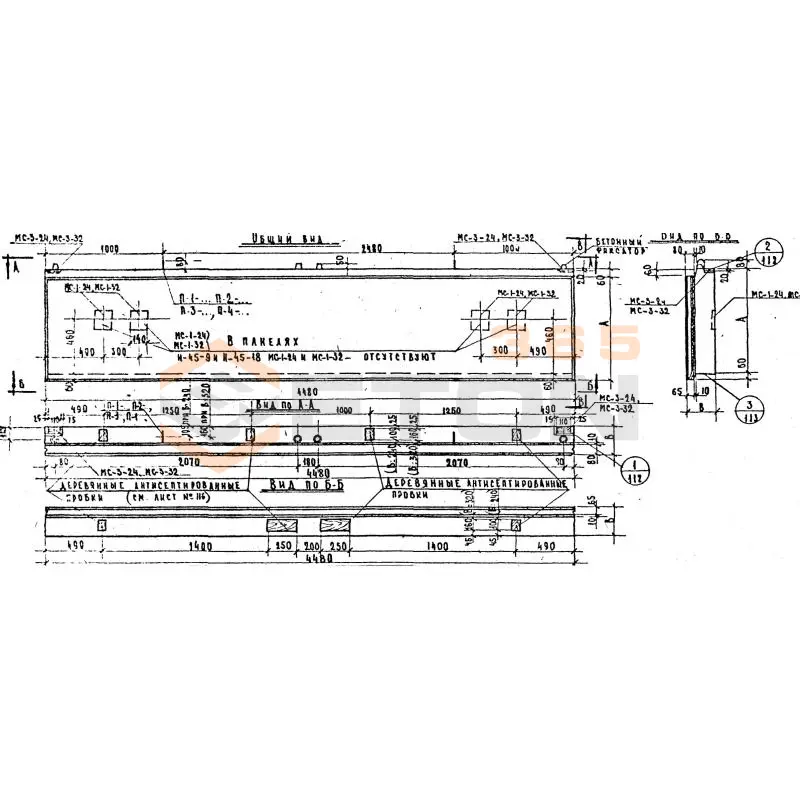
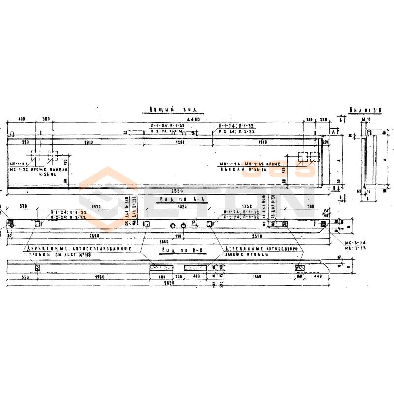
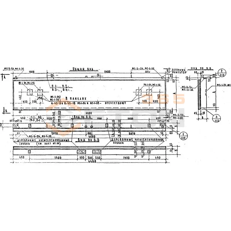
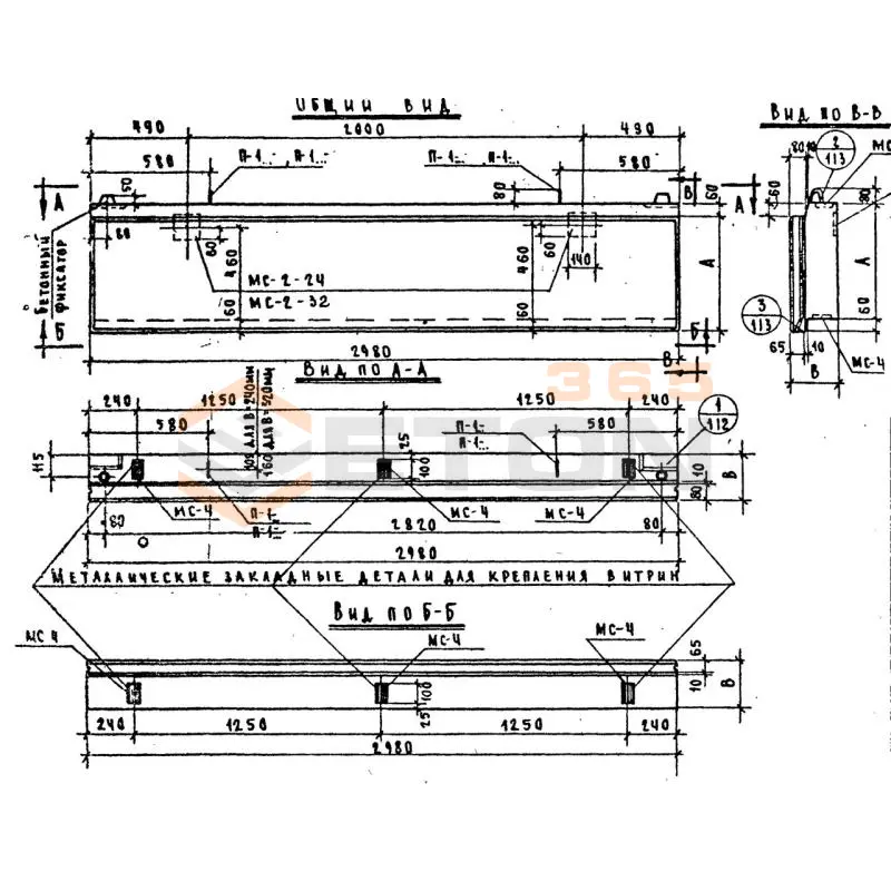
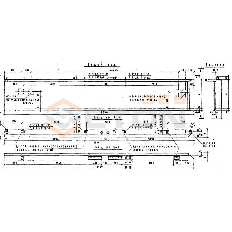
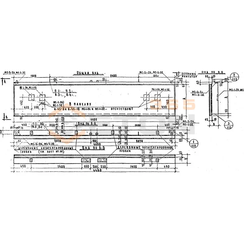
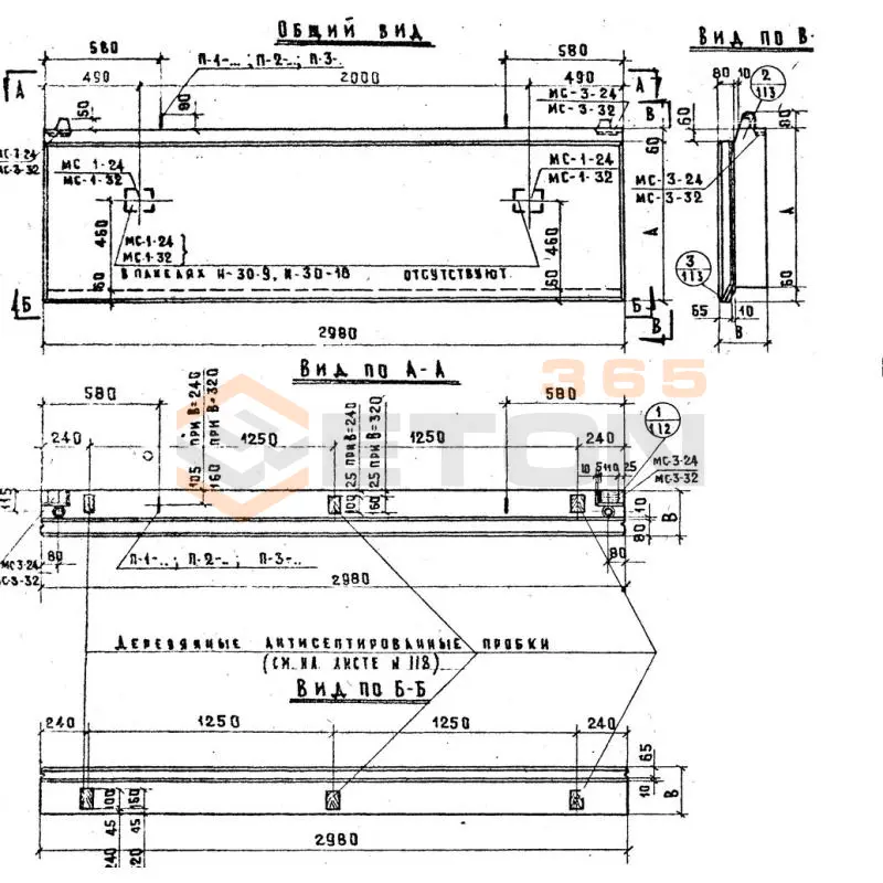
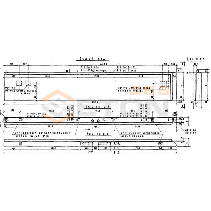
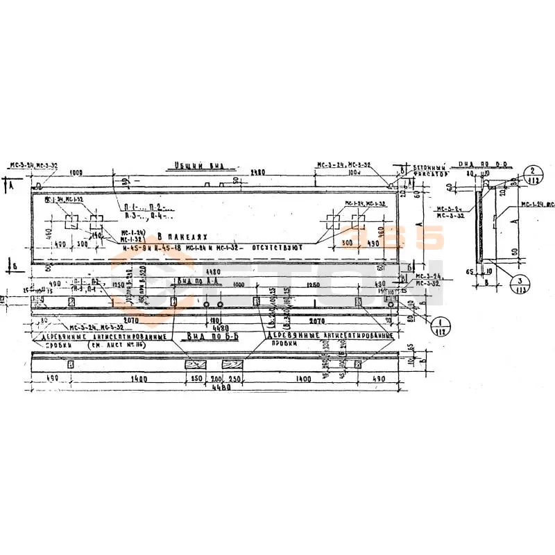
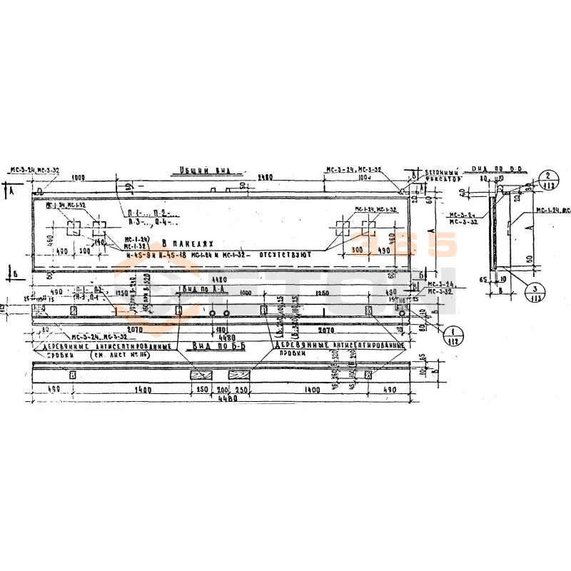
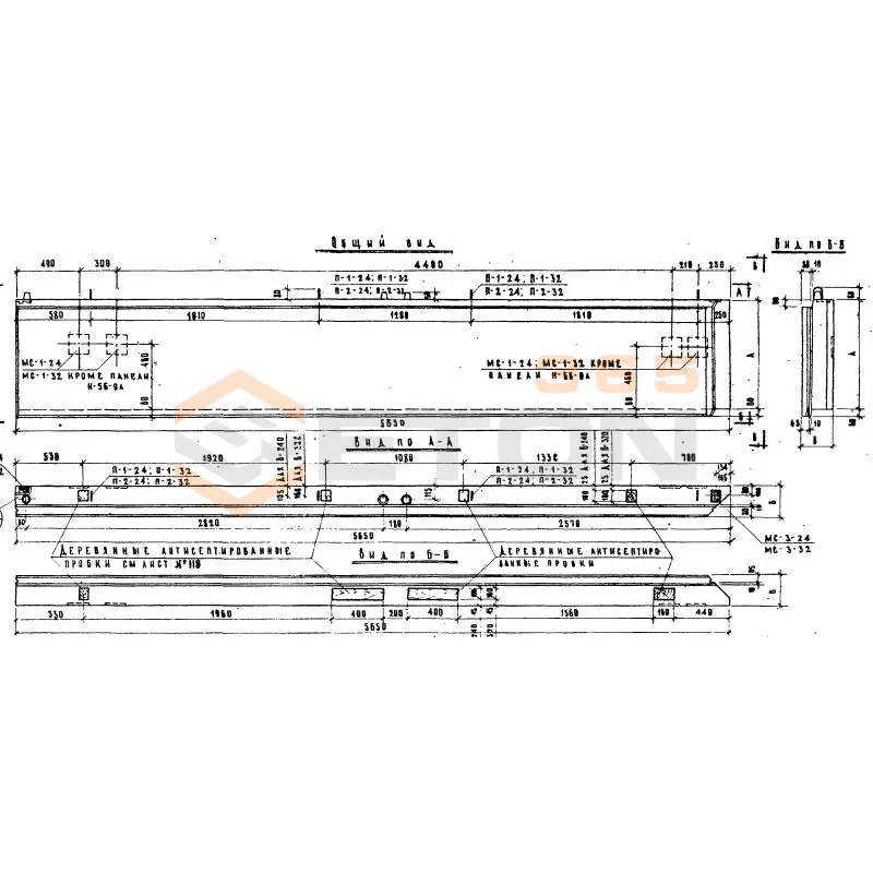
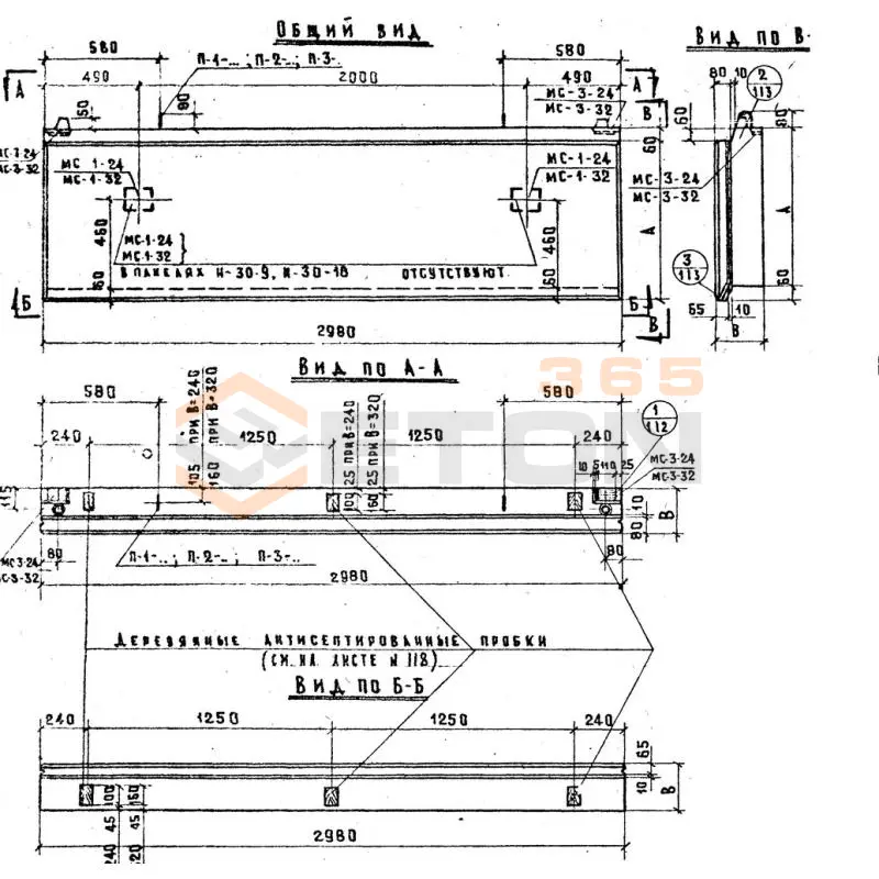
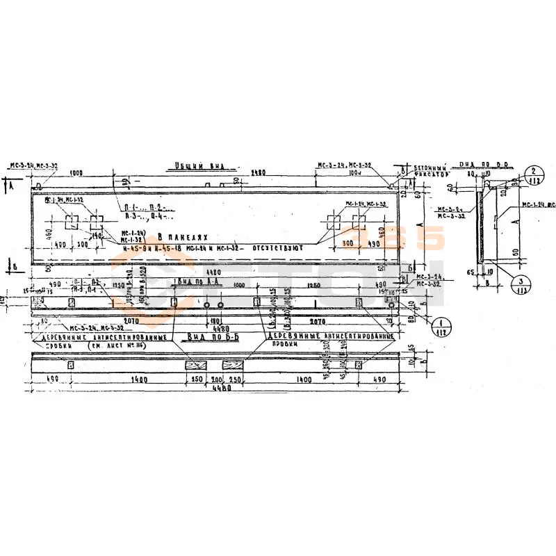
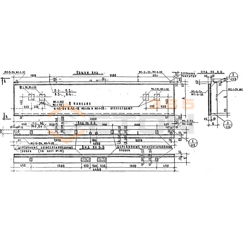
Панели стеновые керамзитобетонные толщиной 24 и 32 см Серия ИИ 04-5

Поделиться:
Фильтр по характеристикам
Длина (мм.)
keyboard_arrow_down
мм.
мм.
Ширина (мм.)
keyboard_arrow_down
мм.
мм.
Высота (мм.)
keyboard_arrow_down
мм.
мм.
Вес (кг.)
keyboard_arrow_down
кг.
кг.
Поделиться:

Завод "Бетон365" производит стеновые керамзитобетонные панели серии ИИ 04-5 толщиной 24 и 32 см – современное решение для эффективного возведения несущих стен гражданских и промышленных объектов. Эти железобетонные изделия, соответствующие требованиям ГОСТ, сочетают повышенную прочность с улучшенными теплоизоляционными свойствами благодаря применению керамзитобетона. Использование готовых панелей позволяет значительно сократить сроки строительства при одновременном обеспечении надежной пространственной жесткости конструкций и оптимального распределения нагрузок.

Мы реализуем керамзитобетонные стеновые панели серии ИИ 04-5 напрямую от производителя в Москве и МО по конкурентным ценам. Вам доступны различные варианты толщины для решения конкретных проектных задач с гарантией качества и оперативной доставкой на объект. Чтобы купить стеновые панели в Мск и получить профессиональную консультацию по их применению, обратитесь к нашим специалистам для расчета оптимальной комплектации.

Н 3-12
Панели стеновые керамзитобетонные толщиной 24 и 32 см Серия ИИ 04-5
  • Длина 420 мм.
  • Ширина 240 мм.
  • Высота 1180 мм.
  • Вес 120 кг.
  • Объем бетона 0,07 м3
  • Геометрический объем 0,1189 м3
Цена: 2377 руб.
Подробнее
Н 3-12
Панели стеновые керамзитобетонные толщиной 24 и 32 см Серия ИИ 04-5
  • Длина 420 мм.
  • Ширина 320 мм.
  • Высота 1180 мм.
  • Вес 150 кг.
  • Объем бетона 0,1 м3
  • Геометрический объем 0,1586 м3
Цена: 3395 руб.
Подробнее
Н 3-12 л
Панели стеновые керамзитобетонные толщиной 24 и 32 см Серия ИИ 04-5
  • Длина 350 мм.
  • Ширина 240 мм.
  • Высота 1180 мм.
  • Вес 110 кг.
  • Объем бетона 0,07 м3
  • Геометрический объем 0,0991 м3
Цена: 2377 руб.
Подробнее
Н 3-12 л
Панели стеновые керамзитобетонные толщиной 24 и 32 см Серия ИИ 04-5
  • Длина 350 мм.
  • Ширина 320 мм.
  • Высота 1180 мм.
  • Вес 140 кг.
  • Объем бетона 0,1 м3
  • Геометрический объем 0,1322 м3
Цена: 3395 руб.
Подробнее
Н 3-12 пр
Панели стеновые керамзитобетонные толщиной 24 и 32 см Серия ИИ 04-5
  • Длина 350 мм.
  • Ширина 240 мм.
  • Высота 1180 мм.
  • Вес 110 кг.
  • Объем бетона 0,07 м3
  • Геометрический объем 0,0991 м3
Цена: 2377 руб.
Подробнее
Н 3-12 пр
Панели стеновые керамзитобетонные толщиной 24 и 32 см Серия ИИ 04-5
  • Длина 350 мм.
  • Ширина 320 мм.
  • Высота 1180 мм.
  • Вес 140 кг.
  • Объем бетона 0,1 м3
  • Геометрический объем 0,1322 м3
Цена: 3395 руб.
Подробнее
Н 3-18
Панели стеновые керамзитобетонные толщиной 24 и 32 см Серия ИИ 04-5
  • Длина 420 мм.
  • Ширина 240 мм.
  • Высота 1780 мм.
  • Вес 180 кг.
  • Объем бетона 0,11 м3
  • Геометрический объем 0,1794 м3
Цена: 3735 руб.
Подробнее
Н 3-18
Панели стеновые керамзитобетонные толщиной 24 и 32 см Серия ИИ 04-5
  • Длина 420 мм.
  • Ширина 320 мм.
  • Высота 1780 мм.
  • Вес 220 кг.
  • Объем бетона 0,15 м3
  • Геометрический объем 0,2392 м3
Цена: 5093 руб.
Подробнее
Н 3-18 л
Панели стеновые керамзитобетонные толщиной 24 и 32 см Серия ИИ 04-5
  • Длина 350 мм.
  • Ширина 240 мм.
  • Высота 1780 мм.
  • Вес 170 кг.
  • Объем бетона 0,1 м3
  • Геометрический объем 0,1495 м3
Цена: 3395 руб.
Подробнее
Н 3-18 л
Панели стеновые керамзитобетонные толщиной 24 и 32 см Серия ИИ 04-5
  • Длина 350 мм.
  • Ширина 320 мм.
  • Высота 1780 мм.
  • Вес 210 кг.
  • Объем бетона 0,15 м3
  • Геометрический объем 0,1994 м3
Цена: 5093 руб.
Подробнее
Н 3-18 пр
Панели стеновые керамзитобетонные толщиной 24 и 32 см Серия ИИ 04-5
  • Длина 350 мм.
  • Ширина 240 мм.
  • Высота 1780 мм.
  • Вес 170 кг.
  • Объем бетона 0,1 м3
  • Геометрический объем 0,1495 м3
Цена: 3395 руб.
Подробнее
Н 3-18 пр
Панели стеновые керамзитобетонные толщиной 24 и 32 см Серия ИИ 04-5
  • Длина 350 мм.
  • Ширина 320 мм.
  • Высота 1780 мм.
  • Вес 210 кг.
  • Объем бетона 0,15 м3
  • Геометрический объем 0,1994 м3
Цена: 5093 руб.
Подробнее
Н 3-21
Панели стеновые керамзитобетонные толщиной 24 и 32 см Серия ИИ 04-5
  • Длина 420 мм.
  • Ширина 240 мм.
  • Высота 2080 мм.
  • Вес 200 кг.
  • Объем бетона 0,13 м3
  • Геометрический объем 0,2097 м3
Цена: 4414 руб.
Подробнее
Н 3-21
Панели стеновые керамзитобетонные толщиной 24 и 32 см Серия ИИ 04-5
  • Длина 420 мм.
  • Ширина 320 мм.
  • Высота 2080 мм.
  • Вес 240 кг.
  • Объем бетона 0,17 м3
  • Геометрический объем 0,2796 м3
Цена: 5772 руб.
Подробнее
Н 3-21 л
Панели стеновые керамзитобетонные толщиной 24 и 32 см Серия ИИ 04-5
  • Длина 350 мм.
  • Ширина 240 мм.
  • Высота 2080 мм.
  • Вес 190 кг.
  • Объем бетона 0,12 м3
  • Геометрический объем 0,1747 м3
Цена: 4074 руб.
Подробнее
Н 3-21 л
Панели стеновые керамзитобетонные толщиной 24 и 32 см Серия ИИ 04-5
  • Длина 350 мм.
  • Ширина 320 мм.
  • Высота 2080 мм.
  • Вес 240 кг.
  • Объем бетона 0,17 м3
  • Геометрический объем 0,233 м3
Цена: 5772 руб.
Подробнее
Н 3-21 пр
Панели стеновые керамзитобетонные толщиной 24 и 32 см Серия ИИ 04-5
  • Длина 350 мм.
  • Ширина 240 мм.
  • Высота 2080 мм.
  • Вес 190 кг.
  • Объем бетона 0,12 м3
  • Геометрический объем 0,1747 м3
Цена: 4074 руб.
Подробнее
Н 3-21 пр
Панели стеновые керамзитобетонные толщиной 24 и 32 см Серия ИИ 04-5
  • Длина 350 мм.
  • Ширина 320 мм.
  • Высота 2080 мм.
  • Вес 240 кг.
  • Объем бетона 0,17 м3
  • Геометрический объем 0,233 м3
Цена: 5772 руб.
Подробнее
Н 3-27
Панели стеновые керамзитобетонные толщиной 24 и 32 см Серия ИИ 04-5
  • Длина 420 мм.
  • Ширина 240 мм.
  • Высота 2680 мм.
  • Вес 260 кг.
  • Объем бетона 0,16 м3
  • Геометрический объем 0,2701 м3
Цена: 5432 руб.
Подробнее
Н 3-27
Панели стеновые керамзитобетонные толщиной 24 и 32 см Серия ИИ 04-5
  • Длина 420 мм.
  • Ширина 320 мм.
  • Высота 2680 мм.
  • Вес 330 кг.
  • Объем бетона 0,23 м3
  • Геометрический объем 0,3602 м3
Цена: 7809 руб.
Подробнее
Н 3-27 л
Панели стеновые керамзитобетонные толщиной 24 и 32 см Серия ИИ 04-5
  • Длина 350 мм.
  • Ширина 240 мм.
  • Высота 2680 мм.
  • Вес 250 кг.
  • Объем бетона 0,16 м3
  • Геометрический объем 0,2251 м3
Цена: 5432 руб.
Подробнее
Н 3-27 пр
Панели стеновые керамзитобетонные толщиной 24 и 32 см Серия ИИ 04-5
  • Длина 350 мм.
  • Ширина 240 мм.
  • Высота 2680 мм.
  • Вес 250 кг.
  • Объем бетона 0,16 м3
  • Геометрический объем 0,2251 м3
Цена: 5432 руб.
Подробнее
Н 3-27 л
Панели стеновые керамзитобетонные толщиной 24 и 32 см Серия ИИ 04-5
  • Длина 350 мм.
  • Ширина 320 мм.
  • Высота 2680 мм.
  • Вес 310 кг.
  • Объем бетона 0,22 м3
  • Геометрический объем 0,3002 м3
Цена: 7469 руб.
Подробнее
Н 3-27 пр
Панели стеновые керамзитобетонные толщиной 24 и 32 см Серия ИИ 04-5
  • Длина 350 мм.
  • Ширина 320 мм.
  • Высота 2680 мм.
  • Вес 310 кг.
  • Объем бетона 0,22 м3
  • Геометрический объем 0,3002 м3
Цена: 7469 руб.
Подробнее
Н 30-12
Панели стеновые керамзитобетонные толщиной 24 и 32 см Серия ИИ 04-5
  • Длина 2980 мм.
  • Ширина 240 мм.
  • Высота 1180 мм.
  • Вес 1040 кг.
  • Объем бетона 0,7 м3
  • Геометрический объем 0,8439 м3
Цена: 23765 руб.
Подробнее
Н 30-12
Панели стеновые керамзитобетонные толщиной 24 и 32 см Серия ИИ 04-5
  • Длина 2980 мм.
  • Ширина 320 мм.
  • Высота 1180 мм.
  • Вес 1300 кг.
  • Объем бетона 0,97 м3
  • Геометрический объем 1,1252 м3
Цена: 32932 руб.
Подробнее
Н 30-15
Панели стеновые керамзитобетонные толщиной 24 и 32 см Серия ИИ 04-5
  • Длина 2980 мм.
  • Ширина 240 мм.
  • Высота 1480 мм.
  • Вес 1300 кг.
  • Объем бетона 0,9 м3
  • Геометрический объем 1,0585 м3
Цена: 30555 руб.
Подробнее
Н 30-15
Панели стеновые керамзитобетонные толщиной 24 и 32 см Серия ИИ 04-5
  • Длина 2980 мм.
  • Ширина 320 мм.
  • Высота 1480 мм.
  • Вес 1630 кг.
  • Объем бетона 1,25 м3
  • Геометрический объем 1,4113 м3
Цена: 42438 руб.
Подробнее
Н 30-18
Панели стеновые керамзитобетонные толщиной 24 и 32 см Серия ИИ 04-5
  • Длина 2980 мм.
  • Ширина 240 мм.
  • Высота 1780 мм.
  • Вес 1540 кг.
  • Объем бетона 1,06 м3
  • Геометрический объем 1,2731 м3
Цена: 35987 руб.
Подробнее
Н 30-18
Панели стеновые керамзитобетонные толщиной 24 и 32 см Серия ИИ 04-5
  • Длина 2980 мм.
  • Ширина 320 мм.
  • Высота 1780 мм.
  • Вес 1940 кг.
  • Объем бетона 1,47 м3
  • Геометрический объем 1,6974 м3
Цена: 49907 руб.
Подробнее
Н 30-21
Панели стеновые керамзитобетонные толщиной 24 и 32 см Серия ИИ 04-5
  • Длина 2980 мм.
  • Ширина 240 мм.
  • Высота 2080 мм.
  • Вес 1810 кг.
  • Объем бетона 1,22 м3
  • Геометрический объем 1,4876 м3
Цена: 41419 руб.
Подробнее
Н 30-21
Панели стеновые керамзитобетонные толщиной 24 и 32 см Серия ИИ 04-5
  • Длина 2980 мм.
  • Ширина 320 мм.
  • Высота 2080 мм.
  • Вес 2300 кг.
  • Объем бетона 1,71 м3
  • Геометрический объем 1,9835 м3
Цена: 58055 руб.
Подробнее
Н 30-6
Панели стеновые керамзитобетонные толщиной 24 и 32 см Серия ИИ 04-5
  • Длина 2480 мм.
  • Ширина 240 мм.
  • Высота 580 мм.
  • Вес 540 кг.
  • Объем бетона 0,33 м3
  • Геометрический объем 0,3452 м3
Цена: 11204 руб.
Подробнее
Н 30-6
Панели стеновые керамзитобетонные толщиной 24 и 32 см Серия ИИ 04-5
  • Длина 2480 мм.
  • Ширина 320 мм.
  • Высота 580 мм.
  • Вес 670 кг.
  • Объем бетона 0,43 м3
  • Геометрический объем 0,4603 м3
Цена: 14599 руб.
Подробнее
Н 30-9
Панели стеновые керамзитобетонные толщиной 24 и 32 см Серия ИИ 04-5
  • Длина 2980 мм.
  • Ширина 240 мм.
  • Высота 880 мм.
  • Вес 760 кг.
  • Объем бетона 0,52 м3
  • Геометрический объем 0,6294 м3
Цена: 17654 руб.
Подробнее
Н 30-9
Панели стеновые керамзитобетонные толщиной 24 и 32 см Серия ИИ 04-5
  • Длина 2980 мм.
  • Ширина 320 мм.
  • Высота 880 мм.
  • Вес 970 кг.
  • Объем бетона 0,73 м3
  • Геометрический объем 0,8392 м3
Цена: 24784 руб.
Подробнее
Н 45-12
Панели стеновые керамзитобетонные толщиной 24 и 32 см Серия ИИ 04-5
  • Длина 4480 мм.
  • Ширина 320 мм.
  • Высота 1180 мм.
  • Вес 1990 кг.
  • Объем бетона 1,45 м3
  • Геометрический объем 1,6916 м3
Цена: 49228 руб.
Подробнее
Н 45-12
Панели стеновые керамзитобетонные толщиной 24 и 32 см Серия ИИ 04-5
  • Длина 4480 мм.
  • Ширина 240 мм.
  • Высота 1180 мм.
  • Вес 1570 кг.
  • Объем бетона 1,03 м3
  • Геометрический объем 1,2687 м3
Цена: 34969 руб.
Подробнее
Н 45-15
Панели стеновые керамзитобетонные толщиной 24 и 32 см Серия ИИ 04-5
  • Длина 4480 мм.
  • Ширина 240 мм.
  • Высота 1480 мм.
  • Вес 1970 кг.
  • Объем бетона 1,29 м3
  • Геометрический объем 1,5913 м3
Цена: 43796 руб.
Подробнее
Н 45-15
Панели стеновые керамзитобетонные толщиной 24 и 32 см Серия ИИ 04-5
  • Длина 4480 мм.
  • Ширина 320 мм.
  • Высота 247 мм.
  • Вес 1,81 кг.
  • Объем бетона 1,29 м3
  • Геометрический объем 0,3541 м3
Цена: 43796 руб.
Подробнее
Н 45-18
Панели стеновые керамзитобетонные толщиной 24 и 32 см Серия ИИ 04-5
  • Длина 4480 мм.
  • Ширина 320 мм.
  • Высота 1780 мм.
  • Вес 2850 кг.
  • Объем бетона 2,2 м3
  • Геометрический объем 2,5518 м3
Цена: 74690 руб.
Подробнее
Н 45-18
Панели стеновые керамзитобетонные толщиной 24 и 32 см Серия ИИ 04-5
  • Длина 4480 мм.
  • Ширина 240 мм.
  • Высота 1780 мм.
  • Вес 2260 кг.
  • Объем бетона 1,54 м3
  • Геометрический объем 1,9139 м3
Цена: 52283 руб.
Подробнее
Н 45-6
Панели стеновые керамзитобетонные толщиной 24 и 32 см Серия ИИ 04-5
  • Длина 4480 мм.
  • Ширина 240 мм.
  • Высота 580 мм.
  • Вес 890 кг.
  • Объем бетона 0,49 м3
  • Геометрический объем 0,6236 м3
Цена: 16636 руб.
Подробнее
Н 45-21
Панели стеновые керамзитобетонные толщиной 24 и 32 см Серия ИИ 04-5
  • Длина 4480 мм.
  • Ширина 240 мм.
  • Высота 2080 мм.
  • Вес 2680 кг.
  • Объем бетона 1,83 м3
  • Геометрический объем 2,2364 м3
Цена: 62129 руб.
Подробнее
Н 45-21
Панели стеновые керамзитобетонные толщиной 24 и 32 см Серия ИИ 04-5
  • Длина 4480 мм.
  • Ширина 320 мм.
  • Высота 2080 мм.
  • Вес 3460 кг.
  • Объем бетона 2,63 м3
  • Геометрический объем 2,9819 м3
Цена: 89289 руб.
Подробнее
Н 45-6
Панели стеновые керамзитобетонные толщиной 24 и 32 см Серия ИИ 04-5
  • Длина 4480 мм.
  • Ширина 320 мм.
  • Высота 580 мм.
  • Вес 990 кг.
  • Объем бетона 0,7 м3
  • Геометрический объем 0,8315 м3
Цена: 23765 руб.
Подробнее
Н 45-9
Панели стеновые керамзитобетонные толщиной 24 и 32 см Серия ИИ 04-5
  • Длина 4480 мм.
  • Ширина 240 мм.
  • Высота 880 мм.
  • Вес 1170 кг.
  • Объем бетона 0,75 м3
  • Геометрический объем 0,9462 м3
Цена: 25463 руб.
Подробнее
Н 45-9
Панели стеновые керамзитобетонные толщиной 24 и 32 см Серия ИИ 04-5
  • Длина 4480 мм.
  • Ширина 320 мм.
  • Высота 880 мм.
  • Вес 1480 кг.
  • Объем бетона 1,07 м3
  • Геометрический объем 1,2616 м3
Цена: 36327 руб.
Подробнее
Н 56-12 л
Панели стеновые керамзитобетонные толщиной 24 и 32 см Серия ИИ 04-5
  • Длина 5650 мм.
  • Ширина 240 мм.
  • Высота 1180 мм.
  • Вес 1980 кг.
  • Объем бетона 1,31 м3
  • Геометрический объем 1,6001 м3
Цена: 44475 руб.
Подробнее
Н 56-12 л
Панели стеновые керамзитобетонные толщиной 24 и 32 см Серия ИИ 04-5
  • Длина 5650 мм.
  • Ширина 320 мм.
  • Высота 1180 мм.
  • Вес 2500 кг.
  • Объем бетона 1,84 м3
  • Геометрический объем 2,1334 м3
Цена: 62468 руб.
Подробнее
Н 56-12 пр
Панели стеновые керамзитобетонные толщиной 24 и 32 см Серия ИИ 04-5
  • Длина 5650 мм.
  • Ширина 240 мм.
  • Высота 1180 мм.
  • Вес 1980 кг.
  • Объем бетона 1,31 м3
  • Геометрический объем 1,6001 м3
Цена: 44475 руб.
Подробнее
Н 56-12 пр
Панели стеновые керамзитобетонные толщиной 24 и 32 см Серия ИИ 04-5
  • Длина 5650 мм.
  • Ширина 320 мм.
  • Высота 1180 мм.
  • Вес 2500 кг.
  • Объем бетона 1,84 м3
  • Геометрический объем 2,1334 м3
Цена: 62468 руб.
Подробнее
Н 56-15 л
Панели стеновые керамзитобетонные толщиной 24 и 32 см Серия ИИ 04-5
  • Длина 5650 мм.
  • Ширина 240 мм.
  • Высота 1480 мм.
  • Вес 2460 кг.
  • Объем бетона 1,85 м3
  • Геометрический объем 2,0069 м3
Цена: 62808 руб.
Подробнее
Н 56-15 л
Панели стеновые керамзитобетонные толщиной 24 и 32 см Серия ИИ 04-5
  • Длина 5650 мм.
  • Ширина 320 мм.
  • Высота 1480 мм.
  • Вес 307 кг.
  • Объем бетона 2,3 м3
  • Геометрический объем 2,6758 м3
Цена: 78085 руб.
Подробнее
Н 56-15 пр
Панели стеновые керамзитобетонные толщиной 24 и 32 см Серия ИИ 04-5
  • Длина 5650 мм.
  • Ширина 240 мм.
  • Высота 1480 мм.
  • Вес 2460 кг.
  • Объем бетона 1,85 м3
  • Геометрический объем 2,0069 м3
Цена: 62808 руб.
Подробнее
Н 56-15 пр
Панели стеновые керамзитобетонные толщиной 24 и 32 см Серия ИИ 04-5
  • Длина 5650 мм.
  • Ширина 320 мм.
  • Высота 1480 мм.
  • Вес 307 кг.
  • Объем бетона 2,3 м3
  • Геометрический объем 2,6758 м3
Цена: 78085 руб.
Подробнее
Н 56-6 л
Панели стеновые керамзитобетонные толщиной 24 и 32 см Серия ИИ 04-5
  • Длина 5650 мм.
  • Ширина 240 мм.
  • Высота 580 мм.
  • Вес 1000 кг.
  • Объем бетона 0,54 м3
  • Геометрический объем 0,7865 м3
Цена: 18333 руб.
Подробнее
Н 56-6 л
Панели стеновые керамзитобетонные толщиной 24 и 32 см Серия ИИ 04-5
  • Длина 5650 мм.
  • Ширина 320 мм.
  • Высота 580 мм.
  • Вес 1280 кг.
  • Объем бетона 0,88 м3
  • Геометрический объем 1,0486 м3
Цена: 29876 руб.
Подробнее
Н 56-6 пр
Панели стеновые керамзитобетонные толщиной 24 и 32 см Серия ИИ 04-5
  • Длина 5650 мм.
  • Ширина 320 мм.
  • Высота 580 мм.
  • Вес 1280 кг.
  • Объем бетона 0,88 м3
  • Геометрический объем 1,0486 м3
Цена: 29876 руб.
Подробнее
Н 56-6 пр
Панели стеновые керамзитобетонные толщиной 24 и 32 см Серия ИИ 04-5
  • Длина 5650 мм.
  • Ширина 240 мм.
  • Высота 580 мм.
  • Вес 1000 кг.
  • Объем бетона 0,54 м3
  • Геометрический объем 0,7865 м3
Цена: 18333 руб.
Подробнее

Как правильно выбрать - Панели стеновые керамзитобетонные толщиной 24 и 32 см Серия ИИ 04-5

Панели стеновые керамзитобетонные по серии ИИ 04-5 предназначены для возведения наружных и внутренних стен жилых, общественных и промышленных зданий. Их ключевая функция – создание энергоэффективных ограждающих конструкций с улучшенными теплоизоляционными свойствами благодаря применению керамзитобетона. Долговечность и тепловой комфорт здания определяются точным соответствием характеристик этих панелей проектным решениям и климатическим условиям эксплуатации.

Критерии выбора

  • Марка бетона и ключевые показатели: Убедитесь, что панели изготовлены из керамзитобетона марки не ниже М150, с морозостойкостью F50-F75 и водонепроницаемостью W4, что критично для наружных стен.
  • Класс арматуры и армирование: Проверьте класс применяемой арматуры (А-III, Ат-IIIC), схему армирования и наличие закладных деталей (монтажных петель, анкеров) согласно рабочим чертежам серии.
  • Типоразмеры и конфигурация: Сверьте габаритные размеры (длину, высоту), толщину (24 см для внутренних/менее нагруженных стен, 32 см для наружных), а также расположение и размеры проемов.
  • Расчетные нагрузки: Подтвердите, что несущая способность панелей стеновых керамзитобетонных толщиной 32 см соответствует расчетным ветровым и нагрузкам от вышележащих конструкций.
  • Соответствие нормативам: Требуйте паспорт качества, подтверждающий изготовление по серии ИИ 04-5 и ГОСТ 11024-84, 31310-2015.

Рекомендации по подбору и монтажу

При составлении спецификации на панели стеновые керамзитобетонные серии ИИ 04-5 обязательно указывайте не только типоразмер, но и маркировку, отражающую положение в здании (например, для угловых элементов или панелей с проемами). Это обеспечит комплектную поставку и исключит простои. Перед монтажом проверьте геометрию изделий и состояние опорных поверхностей.

Монтаж следует вести с применением грузозахватных устройств, соответствующих паспортным схемам строповки. Особое внимание уделите герметизации швов: для керамзитобетонных панелей толщиной 24 и 32 см необходимо применять специальные уплотняющие материалы, совместимые с основанием и обеспечивающие требуемое сопротивление теплопередаче стыка. Анкеровку выполняйте строго по проекту, контролируя отсутствие мостиков холода.

Ответы экспертов на ваши вопросы

Панели стеновые керамзитобетонные серии ИИ 04-5 обладают рядом значительных преимуществ: высокая прочность и долговечность, отличные теплоизоляционные свойства благодаря керамзитобетону, быстрота монтажа за счет крупноразмерности панелей, хорошая звукоизоляция, пожаробезопасность и экологическая чистота материалов. По сравнению с кирпичными стенами они обеспечивают более высокую скорость возведения зданий, а по теплотехническим характеристикам превосходят тяжелые бетоны.

Панели толщиной 24 см применяются преимущественно для ненесущих стен и внутренних перегородок, тогда как панели толщиной 32 см используются как несущие стеновые конструкции в зданиях различной этажности. Несущая способность панелей 32 см позволяет использовать их в жилых, общественных и промышленных зданиях высотой до 9 этажей. Конкретные значения несущей способности определяются расчетом в зависимости от марки бетона и армирования.

Монтаж панелей осуществляется с помощью кранового оборудования. Особое внимание уделяется герметизации стыков - вертикальные и горизонтальные стыки заполняются упругими прокладками и герметизируются мастиками. Панели имеют монтажные петли для подъема и специальные замковые соединения для точной стыковки. Важно соблюдать последовательность монтажа и контролировать вертикальность устанавливаемых панелей.

Транспортировка осуществляется на специальных панелевозах с использованием деревянных прокладок для предотвращения повреждений. Панели должны храниться в горизонтальном положении на ровной площадке с деревянными подкладками высотой не менее 10 см. Штабелирование допускается не более 2-3 ярусов в зависимости от толщины панелей. Необходимо защищать панели от прямого воздействия атмосферных осадков и механических повреждений.

Панели серии ИИ 04-5 могут применяться в сейсмических районах с сейсмичностью до 7 баллов включительно при условии выполнения дополнительных мероприятий по усилению стыков и применении специальных конструктивных решений. Для районов с сейсмичностью 8-9 баллов требуется разработка индивидуальных проектных решений с дополнительным армированием и специальными соединительными элементами.

Ранее смотрели
Гипсобетонные и шлакобетонные перегородки Серия ИИ 03-04 ПГ 10 (ИИ 03-04)
ПГ 10 (ИИ 03-04)
Гипсобетонные и шлакобетонные перегородки Серия ИИ 03-04
Гипсобетонные и шлакобетонные перегородки Серия ИИ 03-04 ПГ 6 (ИИ 03-04)
ПГ 6 (ИИ 03-04)
Гипсобетонные и шлакобетонные перегородки Серия ИИ 03-04
Панели перекрытия ребристые Серия 1.220.1-2 ПР 72-15-8 АтVт
ПР 72-15-8 АтVт
Панели перекрытия ребристые Серия 1.220.1-2
Гипсобетонные и шлакобетонные перегородки Серия ИИ 03-04 ПГ 7 (ИИ 03-04)
ПГ 7 (ИИ 03-04)
Гипсобетонные и шлакобетонные перегородки Серия ИИ 03-04
Гипсобетонные и шлакобетонные перегородки Серия ИИ 03-04 ПГ 11 ба (ИИ 03-04)
ПГ 11 ба (ИИ 03-04)
Гипсобетонные и шлакобетонные перегородки Серия ИИ 03-04
Гипсобетонные и шлакобетонные перегородки Серия ИИ 03-04 ПГ 5 (ИИ 03-04)
ПГ 5 (ИИ 03-04)
Гипсобетонные и шлакобетонные перегородки Серия ИИ 03-04
Насадки для устоев и промежуточных опор Серия 3.501.1-150 3НУм 34-1 с
3НУм 34-1 с
Насадки для устоев и промежуточных опор Серия 3.501.1-150
4,2НМП 49-30-16-12-8
4,2НМП 49-30-16-12-8
Двухмодульные панели перекрытия Серия КУБ 2,5

Уведомление о файлах cookie

Мы используем файлы cookie для улучшения вашего опыта просмотра и анализа трафика. Нажимая "Принять все", вы соглашаетесь с нашей политикой конфиденциальности и политикой обработки файлов cookie.

Дзен Телеграм Вконтакте vk