mobile_sound +7 (930) 655-55-90

Панели перегородок железобетонные для зданий промышленных и сельскохозяйственных предприятий Серия 1.030.9-2

Поделиться:
Фильтр по характеристикам
Длина (мм.)
keyboard_arrow_down
мм.
мм.
Ширина (мм.)
keyboard_arrow_down
мм.
мм.
Высота (мм.)
keyboard_arrow_down
мм.
мм.
Вес (кг.)
keyboard_arrow_down
кг.
кг.
Объем бетона (м3)
keyboard_arrow_down
м3
м3
Поделиться:

Завод "Бетон365" производит панели перегородок железобетонные серии 1.030.9-2 – оптимальное решение для быстрого возведения внутренних стен промышленных и сельскохозяйственных объектов. Эти ЖБИ отличаются точной геометрией и повышенной прочностью, что обеспечивает эффективное зонирование пространства и устойчивость конструкций. Применение готовых панелей значительно сокращает сроки монтажа и трудозатраты по сравнению с традиционными методами строительства.

Мы реализуем панели перегородок железобетонные серии 1.030.9-2 напрямую от производителя в Москве и МО по конкурентным ценам. В каталоге представлены изделия с гарантией соответствия ГОСТам и техническим требованиям. Организуем расчет оптимального количества материалов и доставку на объект в кратчайшие сроки. Предлагаем получить консультацию специалиста для точного подбора продукции под ваши задачи!

ПГ 24-12-2 л
Панели перегородок железобетонные для зданий промышленных и сельскохозяйственных предприятий Серия 1.030.9-2
  • Длина 2385 мм.
  • Ширина 80 мм.
  • Высота 1185 мм.
  • Вес 340 кг.
  • Объем бетона 0,21 м3
  • Геометрический объем 0,2261 м3
Цена: 8148 руб.
Подробнее
ПГ 24-12
Панели перегородок железобетонные для зданий промышленных и сельскохозяйственных предприятий Серия 1.030.9-2
  • Длина 2385 мм.
  • Ширина 80 мм.
  • Высота 1185 мм.
  • Вес 562 кг.
  • Объем бетона 0,226 м3
  • Геометрический объем 0,2261 м3
Цена: 8769 руб.
Подробнее
ПГ 24-15
Панели перегородок железобетонные для зданий промышленных и сельскохозяйственных предприятий Серия 1.030.9-2
  • Длина 2385 мм.
  • Ширина 80 мм.
  • Высота 1485 мм.
  • Вес 700 кг.
  • Объем бетона 0,28 м3
  • Геометрический объем 0,2833 м3
Цена: 10864 руб.
Подробнее
ПГ 24-15-2 л
Панели перегородок железобетонные для зданий промышленных и сельскохозяйственных предприятий Серия 1.030.9-2
  • Длина 2385 мм.
  • Ширина 80 мм.
  • Высота 1485 мм.
  • Вес 450 кг.
  • Объем бетона 0,28 м3
  • Геометрический объем 0,2833 м3
Цена: 10864 руб.
Подробнее
ПГ 24-12-2 т
Панели перегородок железобетонные для зданий промышленных и сельскохозяйственных предприятий Серия 1.030.9-2
  • Длина 2385 мм.
  • Ширина 80 мм.
  • Высота 1185 мм.
  • Вес 500 кг.
  • Объем бетона 0,21 м3
  • Геометрический объем 0,2261 м3
Цена: 8148 руб.
Подробнее
ПГ 24-15-2 т
Панели перегородок железобетонные для зданий промышленных и сельскохозяйственных предприятий Серия 1.030.9-2
  • Длина 2385 мм.
  • Ширина 80 мм.
  • Высота 1485 мм.
  • Вес 670 кг.
  • Объем бетона 0,28 м3
  • Геометрический объем 0,2833 м3
Цена: 10864 руб.
Подробнее
ПГ 24-6-2 т
Панели перегородок железобетонные для зданий промышленных и сельскохозяйственных предприятий Серия 1.030.9-2
  • Длина 2385 мм.
  • Ширина 80 мм.
  • Высота 585 мм.
  • Вес 260 кг.
  • Объем бетона 0,11 м3
  • Геометрический объем 0,1116 м3
Цена: 4268 руб.
Подробнее
ПГ 25-12 г
Панели перегородок железобетонные для зданий промышленных и сельскохозяйственных предприятий Серия 1.030.9-2
  • Длина 2540 мм.
  • Ширина 80 мм.
  • Высота 1185 мм.
  • Вес 300 кг.
  • Объем бетона 0,24 м3
  • Геометрический объем 0,2408 м3
Цена: 9312 руб.
Подробнее
ПГ 24-6-2 л
Панели перегородок железобетонные для зданий промышленных и сельскохозяйственных предприятий Серия 1.030.9-2
  • Длина 2385 мм.
  • Ширина 80 мм.
  • Высота 585 мм.
  • Вес 180 кг.
  • Объем бетона 0,11 м3
  • Геометрический объем 0,1116 м3
Цена: 4268 руб.
Подробнее
ПГ 25-12-2 л
Панели перегородок железобетонные для зданий промышленных и сельскохозяйственных предприятий Серия 1.030.9-2
  • Длина 2540 мм.
  • Ширина 80 мм.
  • Высота 1185 мм.
  • Вес 380 кг.
  • Объем бетона 0,24 м3
  • Геометрический объем 0,2408 м3
Цена: 9312 руб.
Подробнее
ПГ 24-6
Панели перегородок железобетонные для зданий промышленных и сельскохозяйственных предприятий Серия 1.030.9-2
  • Длина 2385 мм.
  • Ширина 80 мм.
  • Высота 585 мм.
  • Вес 280 кг.
  • Объем бетона 0,112 м3
  • Геометрический объем 0,1116 м3
Цена: 4346 руб.
Подробнее
ПГ 25-12-2 т
Панели перегородок железобетонные для зданий промышленных и сельскохозяйственных предприятий Серия 1.030.9-2
  • Длина 2540 мм.
  • Ширина 80 мм.
  • Высота 1185 мм.
  • Вес 580 кг.
  • Объем бетона 0,24 м3
  • Геометрический объем 0,2408 м3
Цена: 9312 руб.
Подробнее
ПГ 25-27 г
Панели перегородок железобетонные для зданий промышленных и сельскохозяйственных предприятий Серия 1.030.9-2
  • Длина 2540 мм.
  • Ширина 80 мм.
  • Высота 2735 мм.
  • Вес 700 кг.
  • Объем бетона 0,556 м3
  • Геометрический объем 0,5558 м3
Цена: 21573 руб.
Подробнее
ПГ 25-27-2 л
Панели перегородок железобетонные для зданий промышленных и сельскохозяйственных предприятий Серия 1.030.9-2
  • Длина 2540 мм.
  • Ширина 80 мм.
  • Высота 2735 мм.
  • Вес 910 кг.
  • Объем бетона 0,56 м3
  • Геометрический объем 0,5558 м3
Цена: 21728 руб.
Подробнее
ПГ 25-27-2 т д1
Панели перегородок железобетонные для зданий промышленных и сельскохозяйственных предприятий Серия 1.030.9-2
  • Длина 2540 мм.
  • Ширина 80 мм.
  • Высота 2735 мм.
  • Вес 910 кг.
  • Объем бетона 0,56 м3
  • Геометрический объем 0,5558 м3
Цена: 21728 руб.
Подробнее
ПГ 25-30 г
Панели перегородок железобетонные для зданий промышленных и сельскохозяйственных предприятий Серия 1.030.9-2
  • Длина 2540 мм.
  • Ширина 80 мм.
  • Высота 2985 мм.
  • Вес 760 кг.
  • Объем бетона 0,61 м3
  • Геометрический объем 0,6066 м3
Цена: 23668 руб.
Подробнее
ПГ 25-27-2 л д1
Панели перегородок железобетонные для зданий промышленных и сельскохозяйственных предприятий Серия 1.030.9-2
  • Длина 2540 мм.
  • Ширина 80 мм.
  • Высота 2735 мм.
  • Вес 610 кг.
  • Объем бетона 0,56 м3
  • Геометрический объем 0,5558 м3
Цена: 21728 руб.
Подробнее
ПГ 25-30-2 л
Панели перегородок железобетонные для зданий промышленных и сельскохозяйственных предприятий Серия 1.030.9-2
  • Длина 2540 мм.
  • Ширина 80 мм.
  • Высота 2985 мм.
  • Вес 980 кг.
  • Объем бетона 0,6 м3
  • Геометрический объем 0,6066 м3
Цена: 23280 руб.
Подробнее
ПГ 25-30-2 л д1
Панели перегородок железобетонные для зданий промышленных и сельскохозяйственных предприятий Серия 1.030.9-2
  • Длина 2540 мм.
  • Ширина 80 мм.
  • Высота 2985 мм.
  • Вес 660 кг.
  • Объем бетона 0,6 м3
  • Геометрический объем 0,6066 м3
Цена: 23280 руб.
Подробнее
ПГ 25-27-2 т
Панели перегородок железобетонные для зданий промышленных и сельскохозяйственных предприятий Серия 1.030.9-2
  • Длина 2540 мм.
  • Ширина 80 мм.
  • Высота 2735 мм.
  • Вес 1340 кг.
  • Объем бетона 0,56 м3
  • Геометрический объем 0,5558 м3
Цена: 21728 руб.
Подробнее
ПГ 25-30-2 т д1
Панели перегородок железобетонные для зданий промышленных и сельскохозяйственных предприятий Серия 1.030.9-2
  • Длина 2540 мм.
  • Ширина 80 мм.
  • Высота 2985 мм.
  • Вес 980 кг.
  • Объем бетона 0,6 м3
  • Геометрический объем 0,6066 м3
Цена: 23280 руб.
Подробнее
ПГ 25-30-2 т
Панели перегородок железобетонные для зданий промышленных и сельскохозяйственных предприятий Серия 1.030.9-2
  • Длина 2540 мм.
  • Ширина 80 мм.
  • Высота 2985 мм.
  • Вес 1460 кг.
  • Объем бетона 0,6 м3
  • Геометрический объем 0,6066 м3
Цена: 23280 руб.
Подробнее
ПГ 25-6
Панели перегородок железобетонные для зданий промышленных и сельскохозяйственных предприятий Серия 1.030.9-2
  • Длина 2540 мм.
  • Ширина 80 мм.
  • Высота 585 мм.
  • Вес 300 кг.
  • Объем бетона 0,12 м3
  • Геометрический объем 0,1189 м3
Цена: 4656 руб.
Подробнее
ПГ 25-6-2 т
Панели перегородок железобетонные для зданий промышленных и сельскохозяйственных предприятий Серия 1.030.9-2
  • Длина 2540 мм.
  • Ширина 80 мм.
  • Высота 585 мм.
  • Вес 290 кг.
  • Объем бетона 0,12 м3
  • Геометрический объем 0,1189 м3
Цена: 4656 руб.
Подробнее
ПГ 25-6-2 л
Панели перегородок железобетонные для зданий промышленных и сельскохозяйственных предприятий Серия 1.030.9-2
  • Длина 2540 мм.
  • Ширина 80 мм.
  • Высота 585 мм.
  • Вес 190 кг.
  • Объем бетона 0,12 м3
  • Геометрический объем 0,1189 м3
Цена: 4656 руб.
Подробнее
ПГ 25-9
Панели перегородок железобетонные для зданий промышленных и сельскохозяйственных предприятий Серия 1.030.9-2
  • Длина 2540 мм.
  • Ширина 80 мм.
  • Высота 885 мм.
  • Вес 450 кг.
  • Объем бетона 0,18 м3
  • Геометрический объем 0,1798 м3
Цена: 6984 руб.
Подробнее
ПГ 25-9-2 л
Панели перегородок железобетонные для зданий промышленных и сельскохозяйственных предприятий Серия 1.030.9-2
  • Длина 2540 мм.
  • Ширина 80 мм.
  • Высота 885 мм.
  • Вес 430 кг.
  • Объем бетона 0,18 м3
  • Геометрический объем 0,1798 м3
Цена: 6984 руб.
Подробнее
ПГ 25-9-2 т
Панели перегородок железобетонные для зданий промышленных и сельскохозяйственных предприятий Серия 1.030.9-2
  • Длина 2540 мм.
  • Ширина 80 мм.
  • Высота 885 мм.
  • Вес 430 кг.
  • Объем бетона 0,18 м3
  • Геометрический объем 0,1798 м3
Цена: 6984 руб.
Подробнее
ПГ 26-27-2 т
Панели перегородок железобетонные для зданий промышленных и сельскохозяйственных предприятий Серия 1.030.9-2
  • Длина 2640 мм.
  • Ширина 80 мм.
  • Высота 2735 мм.
  • Вес 1390 кг.
  • Объем бетона 0,58 м3
  • Геометрический объем 0,5776 м3
Цена: 22504 руб.
Подробнее
ПГ 26-27 г
Панели перегородок железобетонные для зданий промышленных и сельскохозяйственных предприятий Серия 1.030.9-2
  • Длина 2640 мм.
  • Ширина 80 мм.
  • Высота 2735 мм.
  • Вес 730 кг.
  • Объем бетона 0,578 м3
  • Геометрический объем 0,5776 м3
Цена: 22426 руб.
Подробнее
ПГ 26-27-2 л д1
Панели перегородок железобетонные для зданий промышленных и сельскохозяйственных предприятий Серия 1.030.9-2
  • Длина 2640 мм.
  • Ширина 80 мм.
  • Высота 2735 мм.
  • Вес 640 кг.
  • Объем бетона 0,58 м3
  • Геометрический объем 0,5776 м3
Цена: 22504 руб.
Подробнее
ПГ 26-27-2 л
Панели перегородок железобетонные для зданий промышленных и сельскохозяйственных предприятий Серия 1.030.9-2
  • Длина 2640 мм.
  • Ширина 80 мм.
  • Высота 2735 мм.
  • Вес 930 кг.
  • Объем бетона 0,58 м3
  • Геометрический объем 0,5776 м3
Цена: 22504 руб.
Подробнее
ПГ 26-27-2 т д1
Панели перегородок железобетонные для зданий промышленных и сельскохозяйственных предприятий Серия 1.030.9-2
  • Длина 2640 мм.
  • Ширина 80 мм.
  • Высота 2735 мм.
  • Вес 960 кг.
  • Объем бетона 0,58 м3
  • Геометрический объем 0,5776 м3
Цена: 22504 руб.
Подробнее
ПГ 26-30 г
Панели перегородок железобетонные для зданий промышленных и сельскохозяйственных предприятий Серия 1.030.9-2
  • Длина 2640 мм.
  • Ширина 80 мм.
  • Высота 2985 мм.
  • Вес 790 кг.
  • Объем бетона 0,63 м3
  • Геометрический объем 0,6304 м3
Цена: 24444 руб.
Подробнее
ПГ 26-30-2 т
Панели перегородок железобетонные для зданий промышленных и сельскохозяйственных предприятий Серия 1.030.9-2
  • Длина 2640 мм.
  • Ширина 80 мм.
  • Высота 2985 мм.
  • Вес 1510 кг.
  • Объем бетона 0,63 м3
  • Геометрический объем 0,6304 м3
Цена: 24444 руб.
Подробнее
ПГ 26-30-2 л
Панели перегородок железобетонные для зданий промышленных и сельскохозяйственных предприятий Серия 1.030.9-2
  • Длина 2640 мм.
  • Ширина 80 мм.
  • Высота 2985 мм.
  • Вес 1010 кг.
  • Объем бетона 0,63 м3
  • Геометрический объем 0,6304 м3
Цена: 24444 руб.
Подробнее
ПГ 26-30-2 л д1
Панели перегородок железобетонные для зданий промышленных и сельскохозяйственных предприятий Серия 1.030.9-2
  • Длина 2640 мм.
  • Ширина 80 мм.
  • Высота 2985 мм.
  • Вес 690 кг.
  • Объем бетона 0,63 м3
  • Геометрический объем 0,6304 м3
Цена: 24444 руб.
Подробнее
ПГ 26-6-2 л
Панели перегородок железобетонные для зданий промышленных и сельскохозяйственных предприятий Серия 1.030.9-2
  • Длина 2640 мм.
  • Ширина 80 мм.
  • Высота 585 мм.
  • Вес 190 кг.
  • Объем бетона 0,12 м3
  • Геометрический объем 0,1236 м3
Цена: 4656 руб.
Подробнее
ПГ 26-30-2 т д1
Панели перегородок железобетонные для зданий промышленных и сельскохозяйственных предприятий Серия 1.030.9-2
  • Длина 2640 мм.
  • Ширина 80 мм.
  • Высота 2985 мм.
  • Вес 1030 кг.
  • Объем бетона 0,63 м3
  • Геометрический объем 0,6304 м3
Цена: 24444 руб.
Подробнее
ПГ 26-6
Панели перегородок железобетонные для зданий промышленных и сельскохозяйственных предприятий Серия 1.030.9-2
  • Длина 2640 мм.
  • Ширина 80 мм.
  • Высота 585 мм.
  • Вес 310 кг.
  • Объем бетона 0,124 м3
  • Геометрический объем 0,1236 м3
Цена: 4811 руб.
Подробнее
ПГ 26-6-2 т
Панели перегородок железобетонные для зданий промышленных и сельскохозяйственных предприятий Серия 1.030.9-2
  • Длина 2640 мм.
  • Ширина 80 мм.
  • Высота 585 мм.
  • Вес 290 кг.
  • Объем бетона 0,12 м3
  • Геометрический объем 0,1236 м3
Цена: 4656 руб.
Подробнее
ПГ 26-9-2 л
Панели перегородок железобетонные для зданий промышленных и сельскохозяйственных предприятий Серия 1.030.9-2
  • Длина 2640 мм.
  • Ширина 80 мм.
  • Высота 885 мм.
  • Вес 300 кг.
  • Объем бетона 0,19 м3
  • Геометрический объем 0,1869 м3
Цена: 7372 руб.
Подробнее
ПГ 26-9
Панели перегородок железобетонные для зданий промышленных и сельскохозяйственных предприятий Серия 1.030.9-2
  • Длина 2640 мм.
  • Ширина 80 мм.
  • Высота 885 мм.
  • Вес 475 кг.
  • Объем бетона 0,19 м3
  • Геометрический объем 0,1869 м3
Цена: 7372 руб.
Подробнее
ПГ 26-9-2 т
Панели перегородок железобетонные для зданий промышленных и сельскохозяйственных предприятий Серия 1.030.9-2
  • Длина 2640 мм.
  • Ширина 80 мм.
  • Высота 885 мм.
  • Вес 460 кг.
  • Объем бетона 0,19 м3
  • Геометрический объем 0,1869 м3
Цена: 7372 руб.
Подробнее
ПГ 30-12 г
Панели перегородок железобетонные для зданий промышленных и сельскохозяйственных предприятий Серия 1.030.9-2
  • Длина 2980 мм.
  • Ширина 80 мм.
  • Высота 1185 мм.
  • Вес 350 кг.
  • Объем бетона 0,28 м3
  • Геометрический объем 0,2825 м3
Цена: 10864 руб.
Подробнее
ПГ 30-12 г В1
Панели перегородок железобетонные для зданий промышленных и сельскохозяйственных предприятий Серия 1.030.9-2
  • Длина 2980 мм.
  • Ширина 80 мм.
  • Высота 1185 мм.
  • Вес 670 кг.
  • Объем бетона 0,28 м3
  • Геометрический объем 0,2825 м3
Цена: 10864 руб.
Подробнее
ПГ 30-12 г В2
Панели перегородок железобетонные для зданий промышленных и сельскохозяйственных предприятий Серия 1.030.9-2
  • Длина 2980 мм.
  • Ширина 80 мм.
  • Высота 1185 мм.
  • Вес 670 кг.
  • Объем бетона 0,28 м3
  • Геометрический объем 0,2825 м3
Цена: 10864 руб.
Подробнее
ПГ 30-12-2 л
Панели перегородок железобетонные для зданий промышленных и сельскохозяйственных предприятий Серия 1.030.9-2
  • Длина 2980 мм.
  • Ширина 80 мм.
  • Высота 1185 мм.
  • Вес 450 кг.
  • Объем бетона 0,28 м3
  • Геометрический объем 0,2825 м3
Цена: 10864 руб.
Подробнее
ПГ 30-12-2 л В2
Панели перегородок железобетонные для зданий промышленных и сельскохозяйственных предприятий Серия 1.030.9-2
  • Длина 2980 мм.
  • Ширина 80 мм.
  • Высота 1185 мм.
  • Вес 430 кг.
  • Объем бетона 0,28 м3
  • Геометрический объем 0,2825 м3
Цена: 10864 руб.
Подробнее
ПГ 30-12-2 л В1
Панели перегородок железобетонные для зданий промышленных и сельскохозяйственных предприятий Серия 1.030.9-2
  • Длина 2980 мм.
  • Ширина 80 мм.
  • Высота 1185 мм.
  • Вес 430 кг.
  • Объем бетона 0,28 м3
  • Геометрический объем 0,2825 м3
Цена: 10864 руб.
Подробнее
ПГ 30-12-2 т В1
Панели перегородок железобетонные для зданий промышленных и сельскохозяйственных предприятий Серия 1.030.9-2
  • Длина 2980 мм.
  • Ширина 80 мм.
  • Высота 1185 мм.
  • Вес 670 кг.
  • Объем бетона 0,28 м3
  • Геометрический объем 0,2825 м3
Цена: 10864 руб.
Подробнее
ПГ 30-12-2 т В2
Панели перегородок железобетонные для зданий промышленных и сельскохозяйственных предприятий Серия 1.030.9-2
  • Длина 2980 мм.
  • Ширина 80 мм.
  • Высота 1185 мм.
  • Вес 670 кг.
  • Объем бетона 0,28 м3
  • Геометрический объем 0,2825 м3
Цена: 10864 руб.
Подробнее
ПГ 30-15 г В1
Панели перегородок железобетонные для зданий промышленных и сельскохозяйственных предприятий Серия 1.030.9-2
  • Длина 2980 мм.
  • Ширина 80 мм.
  • Высота 1485 мм.
  • Вес 810 кг.
  • Объем бетона 0,34 м3
  • Геометрический объем 0,354 м3
Цена: 13192 руб.
Подробнее
ПГ 30-12-2 т
Панели перегородок железобетонные для зданий промышленных и сельскохозяйственных предприятий Серия 1.030.9-2
  • Длина 2980 мм.
  • Ширина 80 мм.
  • Высота 1185 мм.
  • Вес 670 кг.
  • Объем бетона 0,28 м3
  • Геометрический объем 0,2825 м3
Цена: 10864 руб.
Подробнее
ПГ 30-15 г
Панели перегородок железобетонные для зданий промышленных и сельскохозяйственных предприятий Серия 1.030.9-2
  • Длина 2980 мм.
  • Ширина 80 мм.
  • Высота 1485 мм.
  • Вес 440 кг.
  • Объем бетона 0,354 м3
  • Геометрический объем 0,354 м3
Цена: 13735 руб.
Подробнее
ПГ 30-15 г В2
Панели перегородок железобетонные для зданий промышленных и сельскохозяйственных предприятий Серия 1.030.9-2
  • Длина 2980 мм.
  • Ширина 80 мм.
  • Высота 1485 мм.
  • Вес 810 кг.
  • Объем бетона 0,34 м3
  • Геометрический объем 0,354 м3
Цена: 13192 руб.
Подробнее
ПГ 30-15 г В3
Панели перегородок железобетонные для зданий промышленных и сельскохозяйственных предприятий Серия 1.030.9-2
  • Длина 2980 мм.
  • Ширина 80 мм.
  • Высота 1485 мм.
  • Вес 810 кг.
  • Объем бетона 0,34 м3
  • Геометрический объем 0,354 м3
Цена: 13192 руб.
Подробнее
ПГ 30-15-2 л
Панели перегородок железобетонные для зданий промышленных и сельскохозяйственных предприятий Серия 1.030.9-2
  • Длина 2980 мм.
  • Ширина 80 мм.
  • Высота 1485 мм.
  • Вес 560 кг.
  • Объем бетона 0,35 м3
  • Геометрический объем 0,354 м3
Цена: 13580 руб.
Подробнее
ПГ 30-15-2 л В1
Панели перегородок железобетонные для зданий промышленных и сельскохозяйственных предприятий Серия 1.030.9-2
  • Длина 2980 мм.
  • Ширина 80 мм.
  • Высота 1485 мм.
  • Вес 540 кг.
  • Объем бетона 0,34 м3
  • Геометрический объем 0,354 м3
Цена: 13192 руб.
Подробнее
ПГ 30-15-2 л В2
Панели перегородок железобетонные для зданий промышленных и сельскохозяйственных предприятий Серия 1.030.9-2
  • Длина 2980 мм.
  • Ширина 80 мм.
  • Высота 1485 мм.
  • Вес 540 кг.
  • Объем бетона 0,34 м3
  • Геометрический объем 0,354 м3
Цена: 13192 руб.
Подробнее

Как правильно выбрать - Панели перегородок железобетонные для зданий промышленных и сельскохозяйственных предприятий Серия 1.030.9-2

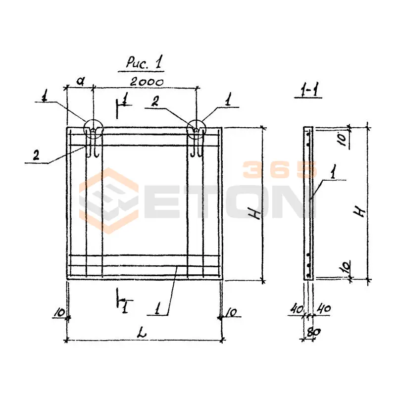
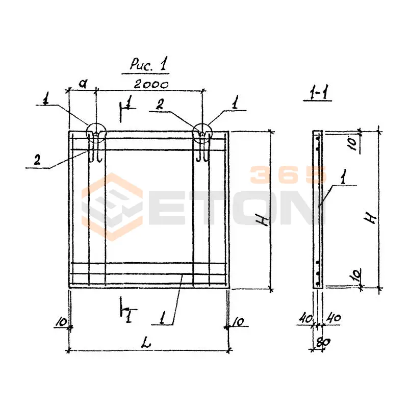
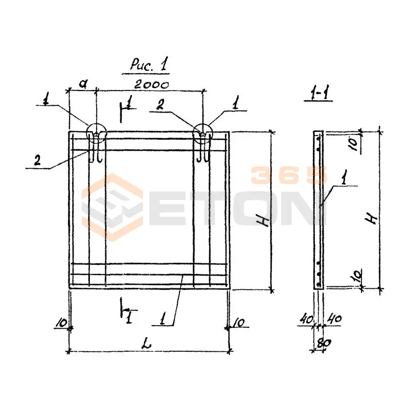
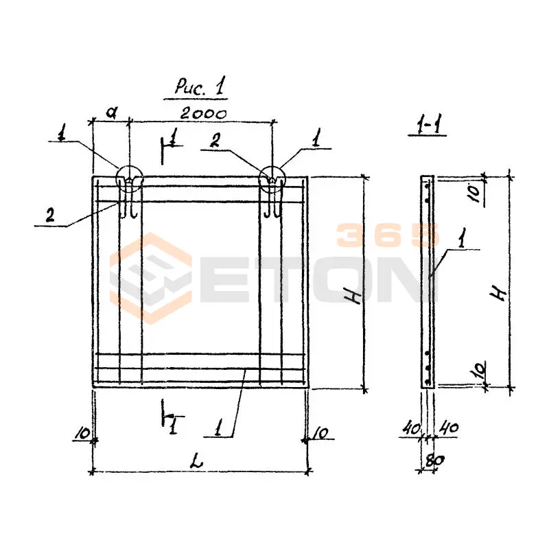
Панели перегородок железобетонные для зданий промышленных и сельскохозяйственных предприятий Серия 1.030.9-2 предназначены для устройства внутренних ненесущих стен в производственных, складских и агропромышленных зданиях. Они обеспечивают эффективное зонирование пространства, отвечая требованиям по прочности и долговечности в условиях возможных вибрационных и температурных воздействий. Грамотный подбор данных панелей перегородок – залог их беспроблемной эксплуатации и соответствия проектному заданию.

Критерии выбора

  • Марка бетона и эксплуатационные характеристики: Изделия изготавливаются из тяжелого бетона марки не ниже М200, с морозостойкостью F50 и водонепроницаемостью W4, что обеспечивает стойкость в условиях сельскохозяйственных предприятий.
  • Армирование: Конструкция армируется сварными сетками из стальной арматуры классов А-I и А-III, что гарантирует отсутствие трещин при транспортировке и монтаже.
  • Типоразмеры и конфигурация: Строгое соответствие номенклатуре серии по длине (до 6 м), высоте (1.2, 1.5, 1.8 м) и толщине (80, 100, 120 мм). Наличие монтажных петель или отверстий для строповки обязательно.
  • Наличие закладных деталей: Проверьте проект на необходимость закладных элементов для крепления технологического оборудования или коммуникаций к панелям перегородок.
  • Соответствие нормативной документации: Все панели перегородок железобетонные Серия 1.030.9-2 должны изготавливаться в строгом соответствии с требованиями серии и ГОСТ 12504-80.

Рекомендации по подбору и монтажу

При закупке панелей перегородок для зданий промышленных и сельскохозяйственных предприятий Серия 1.030.9-2 требуйте паспорт качества на каждую партию, где указаны фактические прочностные характеристики бетона и марка стали арматуры. Убедитесь в комплектности поставки, включая все необходимые доборные элементы. При проектировании учтите агрессивность среды помещения (например, наличие паров аммиака в животноводческих комплексах) – это может потребовать применения бетона с повышенной плотностью или защитного покрытия.

Монтаж панелей перегородок ведут по предварительно выверенному цоколю или фундаменту. Ключевой момент – надежное крепление панелей между собой и к несущим конструкциям здания (колоннам, фермам) с помощью предусмотренных проектом связей. Зазоры между панелями и каркасом здания тщательно герметизируют для предотвращения сквозняков и проникновения влаги. Не допускается монтаж панелей с видимыми сквозными трещинами или сколами углов.

Ответы экспертов на ваши вопросы

Панели перегородок железобетонные серии 1.030.9-2 предназначены для возведения внутренних несущих и самонесущих стен в зданиях промышленного и сельскохозяйственного назначения. Основные характеристики:

  • Изготовлены из тяжелого бетона классов В15-В25.
  • Стандартная толщина панелей: 120 мм, 160 мм, 200 мм (зависит от типа и несущей способности).
  • Стандартная высота: как правило, соответствует этажной (например, 2,8 м, 3,0 м, 3,6 м).
  • Наличие закладных деталей (металлических пластин, выпусков арматуры) для соединения с каркасом здания и между собой.
  • Панели могут быть глухими или с проемами (дверными, оконными) согласно рабочим чертежам серии.
  • Расчетная нагрузка, масса и маркировка указываются в проектной документации и на самой панели.

Использование панелей серии 1.030.9-2 в промышленных и сельскохозяйственных зданиях дает ряд преимуществ:

  1. Высокая прочность и долговечность: Железобетон обеспечивает несущую способность, устойчивость к механическим воздействиям и долгий срок службы.
  2. Индустриальность и скорость монтажа: Панели изготавливаются на заводе, что гарантирует качество и геометрическую точность. Их установка с помощью крана значительно ускоряет процесс возведения здания.
  3. Огнестойкость: Бетон обладает высокими противопожарными свойствами, что критически важно для промышленных объектов.
  4. Унификация: Серия разработана как типовой проект, что упрощает проектирование, подбор сопрягаемых элементов и снижает стоимость.
  5. Стабильность геометрии: Панели не подвержены усадке и короблению в отличие от некоторых других материалов, что обеспечивает стабильность внутреннего пространства.

Монтаж панелей перегородок серии 1.030.9-2 должен производиться в строгом соответствии с проектом производства работ (ППР) и серией. Основные этапы и принципы:

  1. Подготовка: Проверка опорных поверхностей (ригелей, фундаментов), очистка от грязи, снега, наледи. Разметка осей установки.
  2. Строповка и подъем: Панель стропуется за специальные монтажные петли или с помощью траверс. Подъем осуществляется краном плавно, без рывков.
  3. Установка: Панель устанавливается на проектное место. Выверяется вертикальность и положение в плане с помощью временных раскреплений.
  4. Соединение: Постоянное крепление осуществляется к элементам каркаса (колоннам, ригелям) через предусмотренные закладные детали с помощью сварки. Стыки между панелями, как правило, замоноличиваются бетонной смесью.
  5. Важно: Все сварные швы должны быть выполнены качественно и защищены от коррозии (окрашены). Работы должны проводиться квалифицированными монтажниками.

При работе с панелями серии 1.030.9-2 необходимо учитывать следующие ограничения и важные аспекты:

  1. Назначение: Панели предназначены для использования внутри отапливаемых и неотапливаемых зданий с нормальной и агрессивной средой (при соответствующем проектировании марки бетона). Они не предназначены для наружных стен.
  2. Нагрузки: Нельзя превышать расчетные нагрузки, указанные в проекте. Самонесущие панели воспринимают только собственную массу и нагрузку от ветра в пределах этажа, а несущие — дополнительно нагрузки от перекрытий и крыши.
  3. Проемы: Размещение и размеры проемов (дверей, окон) должны строго соответствовать рабочим чертежам серии. Несанкционированная вырезка проемов запрещена, так как она ослабляет конструкцию.
  4. Транспортировка и складирование: Панели должны перевозиться и складироваться в рабочем (вертикальном или с небольшим наклоном) положении на специальных прокладках, чтобы избежать трещин и сколов.
  5. Актуальность серии: Следует проверять, не устарела ли серия 1.030.9-2 и не заменена ли она более новой нормативной документацией для конкретного проекта.

Маркировка панелей перегородок серии 1.030.9-2 осуществляется в соответствии с ГОСТ 23009. Марка панели представляет собой алфавитно-цифровой код, например, 1ПС30.18.12, где:

  • 1 — тип изделия (панель стены).
  • ПС — панель стеновая.
  • 30 — длина в дециметрах (3,0 м).
  • 18 — высота в дециметрах (1,8 м, если это не полная высота этажа).
  • 12 — толщина в сантиметрах (12 см).

Подробные рабочие чертежи, схемы, спецификации элементов и узлов соединений содержатся в альбомах самой Серии 1.030.9-2. Эти документы являются основой для проектирования и изготовления. Найти их можно в специализированных фондах нормативно-технической документации (например, ГУП "НИИЖБ", ЦНИИПромзданий), в проектных организациях или в библиотеках технической литературы.

Ранее смотрели
Гипсобетонные и шлакобетонные перегородки Серия ИИ 03-04 ПГ 8-13 а (ИИ 03-04)
ПГ 8-13 а (ИИ 03-04)
Гипсобетонные и шлакобетонные перегородки Серия ИИ 03-04
Гипсобетонные и шлакобетонные перегородки Серия ИИ 03-04 ПГ 7-13 а (ИИ 03-04)
ПГ 7-13 а (ИИ 03-04)
Гипсобетонные и шлакобетонные перегородки Серия ИИ 03-04
Гипсобетонные и шлакобетонные перегородки Серия ИИ 03-04 ПГ 6-13 а (ИИ 03-04)
ПГ 6-13 а (ИИ 03-04)
Гипсобетонные и шлакобетонные перегородки Серия ИИ 03-04
Гипсобетонные и шлакобетонные перегородки Серия ИИ 03-04 ПГ 2 а (ИИ 03-04)
ПГ 2 а (ИИ 03-04)
Гипсобетонные и шлакобетонные перегородки Серия ИИ 03-04
Гипсобетонные и шлакобетонные перегородки Серия ИИ 03-04 ПГ 1 а (ИИ 03-04)
ПГ 1 а (ИИ 03-04)
Гипсобетонные и шлакобетонные перегородки Серия ИИ 03-04
ПШ 6 а (ИИ 03-04)
ПШ 6 а (ИИ 03-04)
Гипсобетонные и шлакобетонные перегородки Серия ИИ 03-04
Гипсобетонные и шлакобетонные перегородки Серия ИИ 03-04 ПГ 10-13 а (ИИ 03-04)
ПГ 10-13 а (ИИ 03-04)
Гипсобетонные и шлакобетонные перегородки Серия ИИ 03-04
Гипсобетонные и шлакобетонные перегородки Серия ИИ 03-04 ПШ 4 (ИИ 03-04)
ПШ 4 (ИИ 03-04)
Гипсобетонные и шлакобетонные перегородки Серия ИИ 03-04

Уведомление о файлах cookie

Мы используем файлы cookie для улучшения вашего опыта просмотра и анализа трафика. Нажимая "Принять все", вы соглашаетесь с нашей политикой конфиденциальности и политикой обработки файлов cookie.

Дзен Телеграм Вконтакте vk