mobile_sound +7 (930) 655-55-90

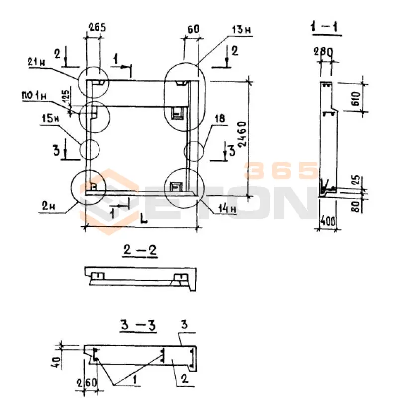
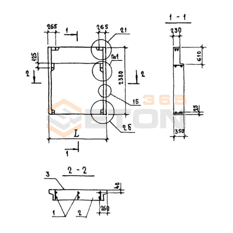
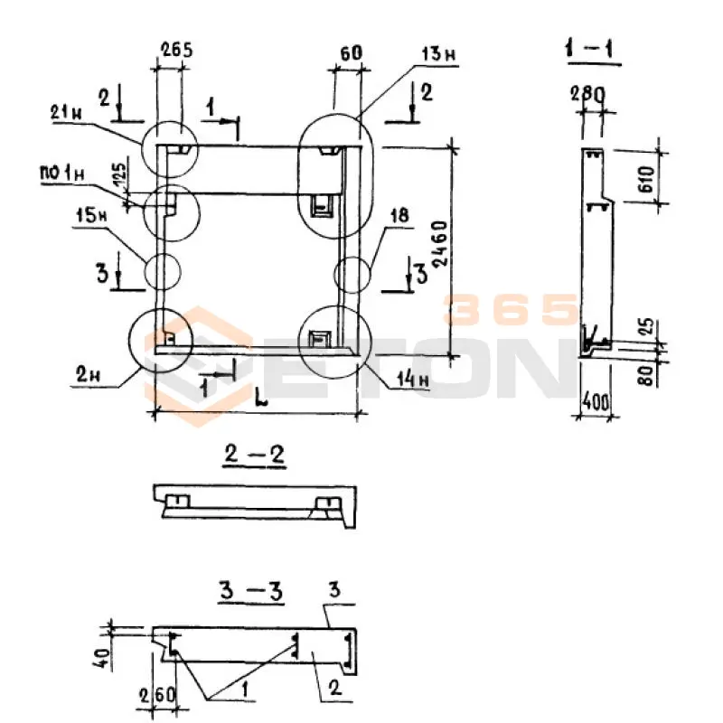
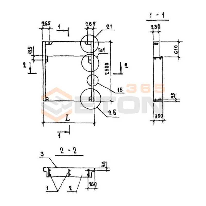
Панели парапета Серия 1.138.1-17

Поделиться:
Фильтр по характеристикам
Длина (мм.)
keyboard_arrow_down
мм.
мм.
Ширина (мм.)
keyboard_arrow_down
мм.
мм.
Высота (мм.)
keyboard_arrow_down
мм.
мм.
Вес (кг.)
keyboard_arrow_down
кг.
кг.
Объем бетона (м3)
keyboard_arrow_down
м3
м3
Поделиться:

Завод "Бетон365" производит панели парапета серии 1.138.1-17 — ключевые элементы для безопасного и эстетичного оформления кровельных ограждений. Эти железобетонные изделия обеспечивают необходимую жесткость конструкции, защищают от падения с высоты и равномерно распределяют ветровые нагрузки, соответствуя строгим требованиям ГОСТ. Применение готовых парапетных панелей значительно сокращает сроки монтажа и повышает надежность зданий различного назначения.

В Москве и МО мы реализуем панели парапета напрямую от производителя с гарантией качества и доступной ценой. Купить данную продукцию в компании "Бетон365" — значит получить оптимальное решение с оперативной доставкой на объект и профессиональными консультациями по выбору. Предлагаем заказать надежные парапетные панели для вашего строительного проекта!

1НЧ 12-25-35-50 л-5,7,2 (1.138.1-17)
Панели парапета Серия 1.138.1-17
  • Длина 1185 мм.
  • Ширина 350 мм.
  • Высота 2460 мм.
  • Вес 1150 кг.
  • Объем бетона 0,87 м3
  • Геометрический объем 1,0203 м3
Цена: 29537 руб.
Подробнее
1НЧ 12-25-35-50 л-5,7 (1.138.1-17)
Панели парапета Серия 1.138.1-17
  • Длина 1185 мм.
  • Ширина 350 мм.
  • Высота 2460 мм.
  • Вес 1150 кг.
  • Объем бетона 0,87 м3
  • Геометрический объем 1,0203 м3
Цена: 29537 руб.
Подробнее
1НЧ 12-25-35-50 л-7,5 (1.138.1-17)
Панели парапета Серия 1.138.1-17
  • Длина 1185 мм.
  • Ширина 350 мм.
  • Высота 2460 мм.
  • Вес 1150 кг.
  • Объем бетона 0,87 м3
  • Геометрический объем 1,0203 м3
Цена: 29537 руб.
Подробнее
1НЧ 12-25-40-50 л-5,7 (1.138.1-17)
Панели парапета Серия 1.138.1-17
  • Длина 1185 мм.
  • Ширина 400 мм.
  • Высота 2460 мм.
  • Вес 1300 кг.
  • Объем бетона 0,98 м3
  • Геометрический объем 1,166 м3
Цена: 33271 руб.
Подробнее
1НЧ 12-25-35-50 л-7,5,2 (1.138.1-17)
Панели парапета Серия 1.138.1-17
  • Длина 1185 мм.
  • Ширина 350 мм.
  • Высота 2460 мм.
  • Вес 1150 кг.
  • Объем бетона 0,87 м3
  • Геометрический объем 1,0203 м3
Цена: 29537 руб.
Подробнее
1НЧ 12-25-40-50 л-5,7,2 (1.138.1-17)
Панели парапета Серия 1.138.1-17
  • Длина 1185 мм.
  • Ширина 400 мм.
  • Высота 2460 мм.
  • Вес 1300 кг.
  • Объем бетона 0,98 м3
  • Геометрический объем 1,166 м3
Цена: 33271 руб.
Подробнее
1НЧ 12-25-40-50 л-7,5 (1.138.1-17)
Панели парапета Серия 1.138.1-17
  • Длина 1185 мм.
  • Ширина 400 мм.
  • Высота 2460 мм.
  • Вес 1300 кг.
  • Объем бетона 0,98 м3
  • Геометрический объем 1,166 м3
Цена: 33271 руб.
Подробнее
1НЧ 12-25-40-50 л-7,5,2 (1.138.1-17)
Панели парапета Серия 1.138.1-17
  • Длина 1185 мм.
  • Ширина 400 мм.
  • Высота 2460 мм.
  • Вес 1300 кг.
  • Объем бетона 0,98 м3
  • Геометрический объем 1,166 м3
Цена: 33271 руб.
Подробнее
1НЧ 14-24-40-50 л-5,5 (1.138.1-17)
Панели парапета Серия 1.138.1-17
  • Длина 1370 мм.
  • Ширина 400 мм.
  • Высота 2380 мм.
  • Вес 1330 кг.
  • Объем бетона 1,02 м3
  • Геометрический объем 1,3042 м3
Цена: 34629 руб.
Подробнее
1НЧ 14-24-35-50 л-5,5 (1.138.1-17)
Панели парапета Серия 1.138.1-17
  • Длина 1420 мм.
  • Ширина 350 мм.
  • Высота 2380 мм.
  • Вес 1250 кг.
  • Объем бетона 0,95 м3
  • Геометрический объем 1,1829 м3
Цена: 32253 руб.
Подробнее
1НЧ 14-25-35-50 л-5,5 (1.138.1-17)
Панели парапета Серия 1.138.1-17
  • Длина 1420 мм.
  • Ширина 350 мм.
  • Высота 2460 мм.
  • Вес 1300 кг.
  • Объем бетона 0,96 м3
  • Геометрический объем 1,2226 м3
Цена: 32592 руб.
Подробнее
1НЧ 18-25-35-50 л-5,7 (1.138.1-17)
Панели парапета Серия 1.138.1-17
  • Длина 1785 мм.
  • Ширина 350 мм.
  • Высота 2460 мм.
  • Вес 1700 кг.
  • Объем бетона 1,27 м3
  • Геометрический объем 1,5369 м3
Цена: 43117 руб.
Подробнее
1НЧ 14-25-40-50 л-5,5 (1.138.1-17)
Панели парапета Серия 1.138.1-17
  • Длина 1370 мм.
  • Ширина 400 мм.
  • Высота 2460 мм.
  • Вес 1350 кг.
  • Объем бетона 1,03 м3
  • Геометрический объем 1,3481 м3
Цена: 34969 руб.
Подробнее
1НЧ 18-25-35-50 л-7,5 (1.138.1-17)
Панели парапета Серия 1.138.1-17
  • Длина 1785 мм.
  • Ширина 350 мм.
  • Высота 2460 мм.
  • Вес 1700 кг.
  • Объем бетона 1,27 м3
  • Геометрический объем 1,5369 м3
Цена: 43117 руб.
Подробнее
1НЧ 18-25-40-50 л-5,7 (1.138.1-17)
Панели парапета Серия 1.138.1-17
  • Длина 1785 мм.
  • Ширина 400 мм.
  • Высота 2460 мм.
  • Вес 1900 кг.
  • Объем бетона 1,47 м3
  • Геометрический объем 1,7564 м3
Цена: 49907 руб.
Подробнее
1НЧ 18-25-35-50 л-5,7,2 (1.138.1-17)
Панели парапета Серия 1.138.1-17
  • Длина 1785 мм.
  • Ширина 350 мм.
  • Высота 2460 мм.
  • Вес 1700 кг.
  • Объем бетона 1,27 м3
  • Геометрический объем 1,5369 м3
Цена: 43117 руб.
Подробнее
1НЧ 18-25-35-50 л-7,5,2 (1.138.1-17)
Панели парапета Серия 1.138.1-17
  • Длина 1785 мм.
  • Ширина 350 мм.
  • Высота 2460 мм.
  • Вес 1700 кг.
  • Объем бетона 1,27 м3
  • Геометрический объем 1,5369 м3
Цена: 43117 руб.
Подробнее
1НЧ 18-25-40-50 л-5,7,2 (1.138.1-17)
Панели парапета Серия 1.138.1-17
  • Длина 1785 мм.
  • Ширина 400 мм.
  • Высота 2460 мм.
  • Вес 1900 кг.
  • Объем бетона 1,47 м3
  • Геометрический объем 1,7564 м3
Цена: 49907 руб.
Подробнее
1НЧ 18-25-40-50 л-7,5,2 (1.138.1-17)
Панели парапета Серия 1.138.1-17
  • Длина 1785 мм.
  • Ширина 400 мм.
  • Высота 2460 мм.
  • Вес 1900 кг.
  • Объем бетона 1,47 м3
  • Геометрический объем 1,7564 м3
Цена: 49907 руб.
Подробнее
1НЧ 18-25-40-50 л-7,5 (1.138.1-17)
Панели парапета Серия 1.138.1-17
  • Длина 1785 мм.
  • Ширина 400 мм.
  • Высота 2460 мм.
  • Вес 1900 кг.
  • Объем бетона 1,47 м3
  • Геометрический объем 1,7564 м3
Цена: 49907 руб.
Подробнее
1НЧ 20-25-35-50 л-5,5 (1.138.1-17)
Панели парапета Серия 1.138.1-17
  • Длина 2020 мм.
  • Ширина 350 мм.
  • Высота 2460 мм.
  • Вес 1850 кг.
  • Объем бетона 1,38 м3
  • Геометрический объем 1,7392 м3
Цена: 46851 руб.
Подробнее
1НЧ 20-24-35-50 л-5,5 (1.138.1-17)
Панели парапета Серия 1.138.1-17
  • Длина 2020 мм.
  • Ширина 350 мм.
  • Высота 2380 мм.
  • Вес 1800 кг.
  • Объем бетона 1,37 м3
  • Геометрический объем 1,6827 м3
Цена: 46512 руб.
Подробнее
1НЧ 24-24-35-50 л-1,1 (1.138.1-17)
Панели парапета Серия 1.138.1-17
  • Длина 2390 мм.
  • Ширина 350 мм.
  • Высота 2380 мм.
  • Вес 2400 кг.
  • Объем бетона 1,64 м3
  • Геометрический объем 1,9909 м3
Цена: 55678 руб.
Подробнее
1НЧ 24-24-40-50 л-1,1 (1.138.1-17)
Панели парапета Серия 1.138.1-17
  • Длина 2390 мм.
  • Ширина 400 мм.
  • Высота 2380 мм.
  • Вес 2650 кг.
  • Объем бетона 1,9 м3
  • Геометрический объем 2,2753 м3
Цена: 64505 руб.
Подробнее
1НЧ 20-24-40-50 л-5,5 (1.138.1-17)
Панели парапета Серия 1.138.1-17
  • Длина 1970 мм.
  • Ширина 400 мм.
  • Высота 2380 мм.
  • Вес 1950 кг.
  • Объем бетона 1,51 м3
  • Геометрический объем 1,8754 м3
Цена: 51265 руб.
Подробнее
1НЧ 24-25-35-50 л-1,1 (1.138.1-17)
Панели парапета Серия 1.138.1-17
  • Длина 2390 мм.
  • Ширина 350 мм.
  • Высота 2460 мм.
  • Вес 2450 кг.
  • Объем бетона 1,64 м3
  • Геометрический объем 2,0578 м3
Цена: 55678 руб.
Подробнее
1НЧ 20-25-40-50 л-5,5 (1.138.1-17)
Панели парапета Серия 1.138.1-17
  • Длина 1970 мм.
  • Ширина 400 мм.
  • Высота 2460 мм.
  • Вес 2000 кг.
  • Объем бетона 1,52 м3
  • Геометрический объем 1,9385 м3
Цена: 51604 руб.
Подробнее
1НЧ 24-25-35-50 л-5,7,2 (1.138.1-17)
Панели парапета Серия 1.138.1-17
  • Длина 2385 мм.
  • Ширина 350 мм.
  • Высота 2460 мм.
  • Вес 2250 кг.
  • Объем бетона 1,7 м3
  • Геометрический объем 2,0535 м3
Цена: 57715 руб.
Подробнее
1НЧ 24-25-40-50 л-5,7 (1.138.1-17)
Панели парапета Серия 1.138.1-17
  • Длина 2385 мм.
  • Ширина 400 мм.
  • Высота 2460 мм.
  • Вес 2900 кг.
  • Объем бетона 1,96 м3
  • Геометрический объем 2,3468 м3
Цена: 66542 руб.
Подробнее
1НЧ 24-25-35-50 л-5,7 (1.138.1-17)
Панели парапета Серия 1.138.1-17
  • Длина 2385 мм.
  • Ширина 350 мм.
  • Высота 2460 мм.
  • Вес 2250 кг.
  • Объем бетона 1,7 м3
  • Геометрический объем 2,0535 м3
Цена: 57715 руб.
Подробнее
1НЧ 24-25-40-50 л-5,7,2 (1.138.1-17)
Панели парапета Серия 1.138.1-17
  • Длина 2385 мм.
  • Ширина 400 мм.
  • Высота 2460 мм.
  • Вес 2900 кг.
  • Объем бетона 1,96 м3
  • Геометрический объем 2,3468 м3
Цена: 66542 руб.
Подробнее
1НЧ 24-25-35-50 л-7,5,2 (1.138.1-17)
Панели парапета Серия 1.138.1-17
  • Длина 2385 мм.
  • Ширина 350 мм.
  • Высота 2460 мм.
  • Вес 2250 кг.
  • Объем бетона 1,7 м3
  • Геометрический объем 2,0535 м3
Цена: 57715 руб.
Подробнее
1НЧ 24-25-35-50 л-7,5 (1.138.1-17)
Панели парапета Серия 1.138.1-17
  • Длина 2385 мм.
  • Ширина 350 мм.
  • Высота 2460 мм.
  • Вес 2250 кг.
  • Объем бетона 1,7 м3
  • Геометрический объем 2,0535 м3
Цена: 57715 руб.
Подробнее
1НЧ 24-25-40-50 л-1,1 (1.138.1-17)
Панели парапета Серия 1.138.1-17
  • Длина 2390 мм.
  • Ширина 400 мм.
  • Высота 2460 мм.
  • Вес 2750 кг.
  • Объем бетона 1,9 м3
  • Геометрический объем 2,3518 м3
Цена: 64505 руб.
Подробнее
1НЧ 28-24-35-50 л-3,3 (1.138.1-17)
Панели парапета Серия 1.138.1-17
  • Длина 2800 мм.
  • Ширина 350 мм.
  • Высота 2460 мм.
  • Вес 2700 кг.
  • Объем бетона 1,94 м3
  • Геометрический объем 2,4108 м3
Цена: 65863 руб.
Подробнее
1НЧ 24-25-40-50 л-7,5,2 (1.138.1-17)
Панели парапета Серия 1.138.1-17
  • Длина 2385 мм.
  • Ширина 400 мм.
  • Высота 2460 мм.
  • Вес 2900 кг.
  • Объем бетона 1,96 м3
  • Геометрический объем 2,3468 м3
Цена: 66542 руб.
Подробнее
1НЧ 28-24-40-50 л-3,3 (1.138.1-17)
Панели парапета Серия 1.138.1-17
  • Длина 2800 мм.
  • Ширина 400 мм.
  • Высота 2380 мм.
  • Вес 3150 кг.
  • Объем бетона 2,23 м3
  • Геометрический объем 2,6656 м3
Цена: 75709 руб.
Подробнее
1НЧ 24-25-40-50 л-7,5 (1.138.1-17)
Панели парапета Серия 1.138.1-17
  • Длина 2385 мм.
  • Ширина 400 мм.
  • Высота 2460 мм.
  • Вес 2900 кг.
  • Объем бетона 1,96 м3
  • Геометрический объем 2,3468 м3
Цена: 66542 руб.
Подробнее
1НЧ 29-24-35-50 л-1,3 (1.138.1-17)
Панели парапета Серия 1.138.1-17
  • Длина 2895 мм.
  • Ширина 350 мм.
  • Высота 2460 мм.
  • Вес 2850 кг.
  • Объем бетона 2 м3
  • Геометрический объем 2,4926 м3
Цена: 67900 руб.
Подробнее
1НЧ 28-25-35-50 л-3,3 (1.138.1-17)
Панели парапета Серия 1.138.1-17
  • Длина 2800 мм.
  • Ширина 350 мм.
  • Высота 2460 мм.
  • Вес 2750 кг.
  • Объем бетона 1,94 м3
  • Геометрический объем 2,4108 м3
Цена: 65863 руб.
Подробнее
1НЧ 28-25-40-50 л-3,3 (1.138.1-17)
Панели парапета Серия 1.138.1-17
  • Длина 2800 мм.
  • Ширина 400 мм.
  • Высота 2460 мм.
  • Вес 3150 кг.
  • Объем бетона 2,23 м3
  • Геометрический объем 2,7552 м3
Цена: 75709 руб.
Подробнее
1НЧ 29-24-35-50 л-3,1 (1.138.1-17)
Панели парапета Серия 1.138.1-17
  • Длина 2895 мм.
  • Ширина 350 мм.
  • Высота 2460 мм.
  • Вес 2850 кг.
  • Объем бетона 2 м3
  • Геометрический объем 2,4926 м3
Цена: 67900 руб.
Подробнее
1НЧ 29-24-40-50 л-1,3 (1.138.1-17)
Панели парапета Серия 1.138.1-17
  • Длина 2895 мм.
  • Ширина 400 мм.
  • Высота 2380 мм.
  • Вес 3250 кг.
  • Объем бетона 2,31 м3
  • Геометрический объем 2,756 м3
Цена: 78425 руб.
Подробнее
1НЧ 29-24-40-50 л-3,1 (1.138.1-17)
Панели парапета Серия 1.138.1-17
  • Длина 2895 мм.
  • Ширина 400 мм.
  • Высота 2380 мм.
  • Вес 3250 кг.
  • Объем бетона 2,31 м3
  • Геометрический объем 2,756 м3
Цена: 78425 руб.
Подробнее
1НЧ 29-25-35-50 л-1,3 (1.138.1-17)
Панели парапета Серия 1.138.1-17
  • Длина 2895 мм.
  • Ширина 350 мм.
  • Высота 2460 мм.
  • Вес 2850 кг.
  • Объем бетона 2 м3
  • Геометрический объем 2,4926 м3
Цена: 67900 руб.
Подробнее
1НЧ 29-25-40-50 л-1,3 (1.138.1-17)
Панели парапета Серия 1.138.1-17
  • Длина 2895 мм.
  • Ширина 400 мм.
  • Высота 2460 мм.
  • Вес 3300 кг.
  • Объем бетона 2,31 м3
  • Геометрический объем 2,8487 м3
Цена: 78425 руб.
Подробнее
1НЧ 29-25-35-50 л-3,1 (1.138.1-17)
Панели парапета Серия 1.138.1-17
  • Длина 2895 мм.
  • Ширина 350 мм.
  • Высота 2460 мм.
  • Вес 2850 кг.
  • Объем бетона 2 м3
  • Геометрический объем 2,4926 м3
Цена: 67900 руб.
Подробнее
1НЧ 29-25-40-50 л-3,1 (1.138.1-17)
Панели парапета Серия 1.138.1-17
  • Длина 2895 мм.
  • Ширина 400 мм.
  • Высота 2460 мм.
  • Вес 3300 кг.
  • Объем бетона 2,31 м3
  • Геометрический объем 2,8487 м3
Цена: 78425 руб.
Подробнее
1НЧ 30-24-35-50 л-1,1 (1.138.1-17)
Панели парапета Серия 1.138.1-17
  • Длина 2990 мм.
  • Ширина 350 мм.
  • Высота 2460 мм.
  • Вес 3000 кг.
  • Объем бетона 2,07 м3
  • Геометрический объем 2,5744 м3
Цена: 70277 руб.
Подробнее
1НЧ 30-25-35-50 л-1,1 (1.138.1-17)
Панели парапета Серия 1.138.1-17
  • Длина 2990 мм.
  • Ширина 350 мм.
  • Высота 2460 мм.
  • Вес 3050 кг.
  • Объем бетона 2,07 м3
  • Геометрический объем 2,5744 м3
Цена: 70277 руб.
Подробнее
1НЧ 30-24-40-50 л-1,1 (1.138.1-17)
Панели парапета Серия 1.138.1-17
  • Длина 2990 мм.
  • Ширина 400 мм.
  • Высота 2380 мм.
  • Вес 3350 кг.
  • Объем бетона 2,39 м3
  • Геометрический объем 2,8465 м3
Цена: 81141 руб.
Подробнее
1НЧ 34-24-40-50 л-3,3 (1.138.1-17)
Панели парапета Серия 1.138.1-17
  • Длина 3400 мм.
  • Ширина 400 мм.
  • Высота 2380 мм.
  • Вес 3800 кг.
  • Объем бетона 2,73 м3
  • Геометрический объем 3,2368 м3
Цена: 92684 руб.
Подробнее
1НЧ 30-25-40-50 л-1,1 (1.138.1-17)
Панели парапета Серия 1.138.1-17
  • Длина 2990 мм.
  • Ширина 400 мм.
  • Высота 2460 мм.
  • Вес 3450 кг.
  • Объем бетона 2,39 м3
  • Геометрический объем 2,9422 м3
Цена: 81141 руб.
Подробнее
1НЧ 34-24-35-50 л-3,3 (1.138.1-17)
Панели парапета Серия 1.138.1-17
  • Длина 3400 мм.
  • Ширина 350 мм.
  • Высота 2380 мм.
  • Вес 3400 кг.
  • Объем бетона 2,37 м3
  • Геометрический объем 2,8322 м3
Цена: 80462 руб.
Подробнее
1НЧ 34-25-35-50 л-1,2 (1.138.1-17)
Панели парапета Серия 1.138.1-17
  • Длина 3445 мм.
  • Ширина 350 мм.
  • Высота 2460 мм.
  • Вес 3400 кг.
  • Объем бетона 2,29 м3
  • Геометрический объем 2,9661 м3
Цена: 77746 руб.
Подробнее
1НЧ 34-25-35-50 л-2,1 (1.138.1-17)
Панели парапета Серия 1.138.1-17
  • Длина 3445 мм.
  • Ширина 350 мм.
  • Высота 2460 мм.
  • Вес 3400 кг.
  • Объем бетона 2,29 м3
  • Геометрический объем 2,9661 м3
Цена: 77746 руб.
Подробнее
1НЧ 34-25-35-50 л-3,3 (1.138.1-17)
Панели парапета Серия 1.138.1-17
  • Длина 3400 мм.
  • Ширина 350 мм.
  • Высота 2460 мм.
  • Вес 3600 кг.
  • Объем бетона 2,37 м3
  • Геометрический объем 2,9274 м3
Цена: 80462 руб.
Подробнее
1НЧ 34-25-40-50 л-3,3 (1.138.1-17)
Панели парапета Серия 1.138.1-17
  • Длина 3495 мм.
  • Ширина 400 мм.
  • Высота 2460 мм.
  • Вес 4100 кг.
  • Объем бетона 2,73 м3
  • Геометрический объем 3,4391 м3
Цена: 92684 руб.
Подробнее
1НЧ 35-24-35-50 л-3,1 (1.138.1-17)
Панели парапета Серия 1.138.1-17
  • Длина 3495 мм.
  • Ширина 350 мм.
  • Высота 2380 мм.
  • Вес 3500 кг.
  • Объем бетона 2,44 м3
  • Геометрический объем 2,9113 м3
Цена: 82838 руб.
Подробнее
1НЧ 35-24-35-50 л-1,3 (1.138.1-17)
Панели парапета Серия 1.138.1-17
  • Длина 3495 мм.
  • Ширина 350 мм.
  • Высота 2380 мм.
  • Вес 3500 кг.
  • Объем бетона 2,44 м3
  • Геометрический объем 2,9113 м3
Цена: 82838 руб.
Подробнее

Как правильно выбрать - Панели парапета Серия 1.138.1-17

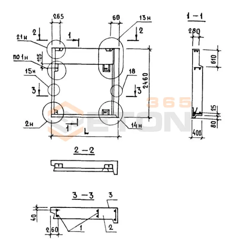
Панели парапета Серия 1.138.1-17 – это железобетонные ограждающие конструкции, предназначенные для устройства парапетов на плоских кровлях и балконах жилых, общественных и промышленных зданий. Их ключевая функция – обеспечение безопасности людей и защита края кровли от внешних воздействий. Долговечность и надежность всей кровельной системы напрямую зависят от соответствия выбранных панелей парапета Серия 1.138.1-17 проектным решениям и агрессивности окружающей среды.

Критерии выбора

  • Материальные параметры: Обращайте внимание на марку бетона (не ниже В25) и его характеристики: морозостойкость (F150-F200) и водонепроницаемость (W4-W6), что критично для наружной эксплуатации.
  • Типоразмер и конфигурация: Строго сверяйте габаритные размеры (длину, высоту, толщину) с проектной спецификацией. Уточняйте наличие и расположение монтажных петель или закладных деталей для надежного крепления.
  • Армирование: Проверяйте класс и схему армирования. Панели парапета Серия 1.138.1-17 должны иметь пространственный каркас, обеспечивающий восприятие ветровых и эксплуатационных нагрузок.
  • Эксплуатационные нагрузки: Учитывайте расчетную ветровую нагрузку для вашего региона и возможные нагрузки от обслуживающего персонала.
  • Нормативная база: Убедитесь, что изделие изготовлено в строгом соответствии с требованиями серии 1.138.1-17 и сопутствующих ГОСТ на бетон и арматуру.

Рекомендации по подбору и монтажу

При закупке панелей парапета Серия 1.138.1-17 требуйте паспорт качества на каждую партию, где указаны фактические прочностные характеристики бетона и результаты контроля. Убедитесь в комплектности поставки, включая все необходимые доборные элементы. При проектировании и перед монтажом критически важно проверить точность опорной поверхности (например, бетонного основания брандмауэра) и предусмотреть надежное крепление панелей с помощью закладных деталей, а не только монтажных петель, которые часто рассчитаны лишь на подъем. Стыки между панелями парапета должны быть герметично заделаны для предотвращения протечек и мостиков холода.

Ответы экспертов на ваши вопросы

Панели парапета серии 1.138.1-17 представляют собой железобетонные изделия, предназначенные для устройства ограждений на кровлях зданий. Основные характеристики: длина 2980 мм, высота 600 мм, толщина 120 мм. Изготавливаются из тяжелого бетона класса В15-В25, армируются стальной арматурой. Масса панели составляет примерно 0,5 тонны. Панели имеют монтажные петли для удобства установки.

Монтаж панелей парапета серии 1.138.1-17 осуществляется на подготовленное основание кровли с использованием грузоподъемной техники. Панели устанавливаются вертикально и крепятся к несущим конструкциям здания. Важно обеспечить герметичность стыков между панелями и примыканий к кровле. Стыки заполняются герметиком, а в местах примыкания к стенам устраивается гидроизоляционный фартук.

Основные преимущества: высокая прочность и долговечность благодаря использованию железобетона, устойчивость к атмосферным воздействиям, пожаробезопасность, стандартизированные размеры, обеспечивающие простоту монтажа и проектирования. По сравнению с кирпичными парапетами, железобетонные панели монтируются быстрее и имеют более стабильные характеристики.

Панели парапета серии 1.138.1-17 транспортируются в горизонтальном положении на специальных подкладках, предотвращающих повреждения. При складировании панели укладываются штабелями высотой не более 2 метров с обязательным использованием прокладок между изделиями. Хранение должно осуществляться на ровной площадке, защищенной от прямого воздействия атмосферных осадков.

При проектировании необходимо учитывать несущую способность основания кровли, ветровые нагрузки на парапет, требования к высоте ограждения согласно строительным нормам. Важно правильно рассчитать количество панелей с учетом их стандартной длины и предусмотреть дополнительные элементы для организации примыканий, угловых соединений и устройств для отвода воды с кровли.

Ранее смотрели
Плиты тротуарные Серия 3.501-108 П 2 с (3.501-108)
П 2 с (3.501-108)
Плиты тротуарные Серия 3.501-108
Панели перекрытия ребристые Серия 1.220.1-2 ПР 58-12-6 АтVт
ПР 58-12-6 АтVт
Панели перекрытия ребристые Серия 1.220.1-2
Плиты тротуарные Серия 3.501.1-146 П 10
П 10
Плиты тротуарные Серия 3.501.1-146
ПТ 0,6-3,0 (3.505-11)
ПТ 0,6-3,0 (3.505-11)
Приставки железобетонные (пасынки) Серия 3.407-57 и ГОСТ 14295-75
ДЧ 12-5-2-50 л
ДЧ 12-5-2-50 л
Доборные изделия Серия 1.169.1-1
ПР 0,8 у
ПР 0,8 у
Приставки железобетонные (пасынки) Серия 3.407-57 и ГОСТ 14295-75
Косоуры Серия 1.220.1-3м ЛБ 49-19-5 (1.220.1-3м)
ЛБ 49-19-5 (1.220.1-3м)
Косоуры Серия 1.220.1-3м

Уведомление о файлах cookie

Мы используем файлы cookie для улучшения вашего опыта просмотра и анализа трафика. Нажимая "Принять все", вы соглашаетесь с нашей политикой конфиденциальности и политикой обработки файлов cookie.

Дзен Телеграм Вконтакте vk