mobile_sound +7 (930) 655-55-90

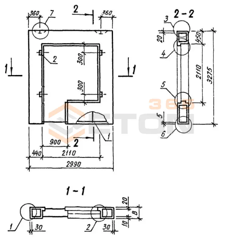
Панели однослойные самонесущие Серия 1.232.1-8

Поделиться:
Фильтр по характеристикам
Длина (мм.)
keyboard_arrow_down
мм.
мм.
Ширина (мм.)
keyboard_arrow_down
мм.
мм.
Высота (мм.)
keyboard_arrow_down
мм.
мм.
Вес (кг.)
keyboard_arrow_down
кг.
кг.
Поделиться:

Завод "Бетон365" производит однослойные самонесущие панели серии 1.232.1-8 – современное решение для быстрого возведения наружных стен промышленных и гражданских зданий. Эти железобетонные изделия обладают оптимальным сочетанием прочности и теплоизоляционных характеристик, соответствуют требованиям ГОСТ и позволяют создавать надежные ограждающие конструкции без дополнительного каркаса. Применение таких панелей значительно сокращает сроки строительства, обеспечивая при этом долговечность и устойчивость всего сооружения к внешним воздействиям.

В Москве и Московской области мы реализуем самонесущие панели серии 1.232.1-8 по конкурентной цене от производителя, с полным соблюдением технологических стандартов. Предлагаем купить качественные ЖБИ с гарантией и организованной доставкой на объект – наш специалист поможет подобрать оптимальное решение для вашего проекта и рассчитает необходимое количество материалов. Обращайтесь для получения детальной консультации и оформления заказа!

1ПСС 10-33-4,0 п (1.232.1-8)
Панели однослойные самонесущие Серия 1.232.1-8
  • Длина 955 мм.
  • Ширина 400 мм.
  • Высота 3275 мм.
  • Вес 1050 кг.
  • Объем бетона 0,8 м3
  • Геометрический объем 1,251 м3
Цена: 27160 руб.
Подробнее
1ПСС 28-33-3,5 п (1.232.1-8)
Панели однослойные самонесущие Серия 1.232.1-8
  • Длина 2755 мм.
  • Ширина 350 мм.
  • Высота 3275 мм.
  • Вес 3790 кг.
  • Объем бетона 2,98 м3
  • Геометрический объем 3,1579 м3
Цена: 101171 руб.
Подробнее
1ПСС 27-33-4,0 п (1.232.1-8)
Панели однослойные самонесущие Серия 1.232.1-8
  • Длина 2705 мм.
  • Ширина 400 мм.
  • Высота 3275 мм.
  • Вес 3780 кг.
  • Объем бетона 2,98 м3
  • Геометрический объем 3,5436 м3
Цена: 101171 руб.
Подробнее
1ПСС 10-33-3,5 п (1.232.1-8)
Панели однослойные самонесущие Серия 1.232.1-8
  • Длина 955 мм.
  • Ширина 350 мм.
  • Высота 3275 мм.
  • Вес 990 кг.
  • Объем бетона 0,75 м3
  • Геометрический объем 1,0947 м3
Цена: 25463 руб.
Подробнее
1ПСС 27-33-3,5 п (1.232.1-8)
Панели однослойные самонесущие Серия 1.232.1-8
  • Длина 2705 мм.
  • Ширина 350 мм.
  • Высота 3275 мм.
  • Вес 3390 кг.
  • Объем бетона 2,64 м3
  • Геометрический объем 3,1006 м3
Цена: 89628 руб.
Подробнее
1ПСС 9-33-3,5 п (1.232.1-8)
Панели однослойные самонесущие Серия 1.232.1-8
  • Длина 905 мм.
  • Ширина 350 мм.
  • Высота 3275 мм.
  • Вес 900 кг.
  • Объем бетона 0,69 м3
  • Геометрический объем 1,0374 м3
Цена: 23426 руб.
Подробнее
1ПСС 28-33-4,0 п (1.232.1-8)
Панели однослойные самонесущие Серия 1.232.1-8
  • Длина 2755 мм.
  • Ширина 400 мм.
  • Высота 3275 мм.
  • Вес 4300 кг.
  • Объем бетона 3,42 м3
  • Геометрический объем 3,609 м3
Цена: 116109 руб.
Подробнее
1ПССД 28-33-3,5 п (1.232.1-8)
Панели однослойные самонесущие Серия 1.232.1-8
  • Длина 2755 мм.
  • Ширина 350 мм.
  • Высота 3275 мм.
  • Вес 1990 кг.
  • Объем бетона 1,52 м3
  • Геометрический объем 3,1579 м3
Цена: 51604 руб.
Подробнее
1ПССД 27-33-4,0 п (1.232.1-8)
Панели однослойные самонесущие Серия 1.232.1-8
  • Длина 2705 мм.
  • Ширина 400 мм.
  • Высота 3275 мм.
  • Вес 2120 кг.
  • Объем бетона 1,63 м3
  • Геометрический объем 3,5436 м3
Цена: 55339 руб.
Подробнее
1ПССБ 30-33-4,0 п (1.232.1-8)
Панели однослойные самонесущие Серия 1.232.1-8
  • Длина 2990 мм.
  • Ширина 400 мм.
  • Высота 3275 мм.
  • Вес 2150 кг.
  • Объем бетона 1,69 м3
  • Геометрический объем 3,9169 м3
Цена: 57376 руб.
Подробнее
1ПССД 28-33-4,0 п (1.232.1-8)
Панели однослойные самонесущие Серия 1.232.1-8
  • Длина 2755 мм.
  • Ширина 400 мм.
  • Высота 3275 мм.
  • Вес 2200 кг.
  • Объем бетона 1,69 м3
  • Геометрический объем 3,609 м3
Цена: 57376 руб.
Подробнее
1ПССБ 30-33-3,5 п (1.232.1-8)
Панели однослойные самонесущие Серия 1.232.1-8
  • Длина 2990 мм.
  • Ширина 350 мм.
  • Высота 3275 мм.
  • Вес 1900 кг.
  • Объем бетона 1,47 м3
  • Геометрический объем 3,4273 м3
Цена: 49907 руб.
Подробнее
1ПССД 27-33-3,5 п (1.232.1-8)
Панели однослойные самонесущие Серия 1.232.1-8
  • Длина 2705 мм.
  • Ширина 350 мм.
  • Высота 3275 мм.
  • Вес 1930 кг.
  • Объем бетона 1,47 м3
  • Геометрический объем 3,1006 м3
Цена: 49907 руб.
Подробнее
1ПСС 9-33-4,0 п (1.232.1-8)
Панели однослойные самонесущие Серия 1.232.1-8
  • Длина 905 мм.
  • Ширина 400 мм.
  • Высота 3275 мм.
  • Вес 960 кг.
  • Объем бетона 0,74 м3
  • Геометрический объем 1,1856 м3
Цена: 25123 руб.
Подробнее
1ПССД 30-33-3,5 п (1.232.1-8)
Панели однослойные самонесущие Серия 1.232.1-8
  • Длина 2990 мм.
  • Ширина 350 мм.
  • Высота 3275 мм.
  • Вес 4450 кг.
  • Объем бетона 2,06 м3
  • Геометрический объем 3,4273 м3
Цена: 69937 руб.
Подробнее
1ПССД 30-33-4,0 п (1.232.1-8)
Панели однослойные самонесущие Серия 1.232.1-8
  • Длина 2990 мм.
  • Ширина 400 мм.
  • Высота 3275 мм.
  • Вес 4790 кг.
  • Объем бетона 2,35 м3
  • Геометрический объем 3,9169 м3
Цена: 79783 руб.
Подробнее
1ПССЛ 27-33-3,5 п (1.232.1-8)
Панели однослойные самонесущие Серия 1.232.1-8
  • Длина 2705 мм.
  • Ширина 350 мм.
  • Высота 3275 мм.
  • Вес 2990 кг.
  • Объем бетона 2,31 м3
  • Геометрический объем 3,1006 м3
Цена: 78425 руб.
Подробнее
1ПССЛ 27-33-4,0 п (1.232.1-8)
Панели однослойные самонесущие Серия 1.232.1-8
  • Длина 2705 мм.
  • Ширина 400 мм.
  • Высота 3275 мм.
  • Вес 3340 кг.
  • Объем бетона 2,6 м3
  • Геометрический объем 3,5436 м3
Цена: 88270 руб.
Подробнее
1ПССЛ 28-33-3,5 п (1.232.1-8)
Панели однослойные самонесущие Серия 1.232.1-8
  • Длина 2755 мм.
  • Ширина 350 мм.
  • Высота 3275 мм.
  • Вес 3070 кг.
  • Объем бетона 2,37 м3
  • Геометрический объем 3,1579 м3
Цена: 80462 руб.
Подробнее
1ПССЛ 28-33-4,0 п (1.232.1-8)
Панели однослойные самонесущие Серия 1.232.1-8
  • Длина 2755 мм.
  • Ширина 400 мм.
  • Высота 3275 мм.
  • Вес 3410 кг.
  • Объем бетона 2,67 м3
  • Геометрический объем 3,609 м3
Цена: 90647 руб.
Подробнее
1ПССЛ 30-33-3,5 п (1.232.1-8)
Панели однослойные самонесущие Серия 1.232.1-8
  • Длина 2990 мм.
  • Ширина 350 мм.
  • Высота 3275 мм.
  • Вес 3710 кг.
  • Объем бетона 2,9 м3
  • Геометрический объем 3,4273 м3
Цена: 98455 руб.
Подробнее
1ПССО 27-33-4,0 п (1.232.1-8)
Панели однослойные самонесущие Серия 1.232.1-8
  • Длина 2705 мм.
  • Ширина 400 мм.
  • Высота 3275 мм.
  • Вес 2360 кг.
  • Объем бетона 1,83 м3
  • Геометрический объем 3,5436 м3
Цена: 62129 руб.
Подробнее
1ПССЛ 30-33-4,0 п (1.232.1-8)
Панели однослойные самонесущие Серия 1.232.1-8
  • Длина 2990 мм.
  • Ширина 400 мм.
  • Высота 3275 мм.
  • Вес 4220 кг.
  • Объем бетона 3,34 м3
  • Геометрический объем 3,9169 м3
Цена: 113393 руб.
Подробнее
1ПССО 27-33-3,5 п (1.232.1-8)
Панели однослойные самонесущие Серия 1.232.1-8
  • Длина 2705 мм.
  • Ширина 350 мм.
  • Высота 3275 мм.
  • Вес 2140 кг.
  • Объем бетона 1,63 м3
  • Геометрический объем 3,1006 м3
Цена: 55339 руб.
Подробнее
1ПССО 28-33-3,5 п (1.232.1-8)
Панели однослойные самонесущие Серия 1.232.1-8
  • Длина 2755 мм.
  • Ширина 350 мм.
  • Высота 3275 мм.
  • Вес 2200 кг.
  • Объем бетона 1,69 м3
  • Геометрический объем 3,1579 м3
Цена: 57376 руб.
Подробнее
1ПССО 28-33-4,0 п (1.232.1-8)
Панели однослойные самонесущие Серия 1.232.1-8
  • Длина 2755 мм.
  • Ширина 400 мм.
  • Высота 3275 мм.
  • Вес 2440 кг.
  • Объем бетона 1,89 м3
  • Геометрический объем 3,609 м3
Цена: 64166 руб.
Подробнее
1ПССО 30-33-3,5 п (1.232.1-8)
Панели однослойные самонесущие Серия 1.232.1-8
  • Длина 2990 мм.
  • Ширина 350 мм.
  • Высота 3275 мм.
  • Вес 2120 кг.
  • Объем бетона 1,64 м3
  • Геометрический объем 3,4273 м3
Цена: 55678 руб.
Подробнее
1ПССО 30-33-4,0 п (1.232.1-8)
Панели однослойные самонесущие Серия 1.232.1-8
  • Длина 2990 мм.
  • Ширина 400 мм.
  • Высота 3275 мм.
  • Вес 2380 кг.
  • Объем бетона 1,86 м3
  • Геометрический объем 3,9169 м3
Цена: 63147 руб.
Подробнее
1ПССО 60-33-3,5 п (1.232.1-8)
Панели однослойные самонесущие Серия 1.232.1-8
  • Длина 5990 мм.
  • Ширина 350 мм.
  • Высота 3275 мм.
  • Вес 4250 кг.
  • Объем бетона 3,29 м3
  • Геометрический объем 6,866 м3
Цена: 111696 руб.
Подробнее
1ПССО 60-33-4,0 п (1.232.1-8)
Панели однослойные самонесущие Серия 1.232.1-8
  • Длина 5990 мм.
  • Ширина 400 мм.
  • Высота 3275 мм.
  • Вес 4480 кг.
  • Объем бетона 3,49 м3
  • Геометрический объем 7,8469 м3
Цена: 118486 руб.
Подробнее
1ПССП 10-10-2,6 п (1.232.1-8)
Панели однослойные самонесущие Серия 1.232.1-8
  • Длина 955 мм.
  • Ширина 260 мм.
  • Высота 1000 мм.
  • Вес 330 кг.
  • Объем бетона 0,25 м3
  • Геометрический объем 0,2483 м3
Цена: 8488 руб.
Подробнее
1ПССП 10-10-3,1 п (1.232.1-8)
Панели однослойные самонесущие Серия 1.232.1-8
  • Длина 955 мм.
  • Ширина 310 мм.
  • Высота 1000 мм.
  • Вес 350 кг.
  • Объем бетона 0,27 м3
  • Геометрический объем 0,296 м3
Цена: 9167 руб.
Подробнее
1ПССП 27-10-2,6 п (1.232.1-8)
Панели однослойные самонесущие Серия 1.232.1-8
  • Длина 2705 мм.
  • Ширина 260 мм.
  • Высота 1000 мм.
  • Вес 850 кг.
  • Объем бетона 0,64 м3
  • Геометрический объем 0,7033 м3
Цена: 21728 руб.
Подробнее
1ПССП 27-10-3,1 п (1.232.1-8)
Панели однослойные самонесущие Серия 1.232.1-8
  • Длина 2705 мм.
  • Ширина 310 мм.
  • Высота 1000 мм.
  • Вес 990 кг.
  • Объем бетона 0,76 м3
  • Геометрический объем 0,8386 м3
Цена: 25802 руб.
Подробнее
1ПССП 28-10-2,6 п (1.232.1-8)
Панели однослойные самонесущие Серия 1.232.1-8
  • Длина 2755 мм.
  • Ширина 260 мм.
  • Высота 1000 мм.
  • Вес 870 кг.
  • Объем бетона 0,65 м3
  • Геометрический объем 0,7163 м3
Цена: 22068 руб.
Подробнее
1ПССП 9-10-3,1 п (1.232.1-8)
Панели однослойные самонесущие Серия 1.232.1-8
  • Длина 905 мм.
  • Ширина 310 мм.
  • Высота 1000 мм.
  • Вес 330 кг.
  • Объем бетона 0,25 м3
  • Геометрический объем 0,2806 м3
Цена: 8488 руб.
Подробнее
1ПССП 28-10-3,1 п (1.232.1-8)
Панели однослойные самонесущие Серия 1.232.1-8
  • Длина 2755 мм.
  • Ширина 310 мм.
  • Высота 1000 мм.
  • Вес 1010 кг.
  • Объем бетона 0,78 м3
  • Геометрический объем 0,854 м3
Цена: 26481 руб.
Подробнее
1ПССП 9-10-2,6 п (1.232.1-8)
Панели однослойные самонесущие Серия 1.232.1-8
  • Длина 905 мм.
  • Ширина 260 мм.
  • Высота 1000 мм.
  • Вес 280 кг.
  • Объем бетона 0,21 м3
  • Геометрический объем 0,2353 м3
Цена: 7130 руб.
Подробнее
2ПСС 27-33-3,5 п (1.232.1-8)
Панели однослойные самонесущие Серия 1.232.1-8
  • Длина 2705 мм.
  • Ширина 350 мм.
  • Высота 3275 мм.
  • Вес 3390 кг.
  • Объем бетона 2,64 м3
  • Геометрический объем 3,1006 м3
Цена: 89628 руб.
Подробнее
2ПСС 10-33-3,5 п (1.232.1-8)
Панели однослойные самонесущие Серия 1.232.1-8
  • Длина 955 мм.
  • Ширина 350 мм.
  • Высота 3275 мм.
  • Вес 990 кг.
  • Объем бетона 0,75 м3
  • Геометрический объем 1,0947 м3
Цена: 25463 руб.
Подробнее
2ПСС 10-33-4,0 п (1.232.1-8)
Панели однослойные самонесущие Серия 1.232.1-8
  • Длина 955 мм.
  • Ширина 400 мм.
  • Высота 3275 мм.
  • Вес 1050 кг.
  • Объем бетона 0,8 м3
  • Геометрический объем 1,251 м3
Цена: 27160 руб.
Подробнее
2ПСС 27-33-4,0 п (1.232.1-8)
Панели однослойные самонесущие Серия 1.232.1-8
  • Длина 2705 мм.
  • Ширина 400 мм.
  • Высота 3275 мм.
  • Вес 3780 кг.
  • Объем бетона 2,98 м3
  • Геометрический объем 3,5436 м3
Цена: 101171 руб.
Подробнее
2ПСС 28-33-3,5 п (1.232.1-8)
Панели однослойные самонесущие Серия 1.232.1-8
  • Длина 2755 мм.
  • Ширина 350 мм.
  • Высота 3275 мм.
  • Вес 3790 кг.
  • Объем бетона 2,98 м3
  • Геометрический объем 3,1579 м3
Цена: 101171 руб.
Подробнее
2ПСС 9-33-4,0 п (1.232.1-8)
Панели однослойные самонесущие Серия 1.232.1-8
  • Длина 905 мм.
  • Ширина 400 мм.
  • Высота 3275 мм.
  • Вес 960 кг.
  • Объем бетона 0,74 м3
  • Геометрический объем 1,1856 м3
Цена: 25123 руб.
Подробнее
2ПССБ 30-33-4,0 п (1.232.1-8)
Панели однослойные самонесущие Серия 1.232.1-8
  • Длина 2990 мм.
  • Ширина 400 мм.
  • Высота 3275 мм.
  • Вес 2150 кг.
  • Объем бетона 1,69 м3
  • Геометрический объем 3,9169 м3
Цена: 57376 руб.
Подробнее
2ПСС 28-33-4,0 п (1.232.1-8)
Панели однослойные самонесущие Серия 1.232.1-8
  • Длина 2755 мм.
  • Ширина 400 мм.
  • Высота 3275 мм.
  • Вес 4300 кг.
  • Объем бетона 3,42 м3
  • Геометрический объем 3,609 м3
Цена: 116109 руб.
Подробнее
2ПССБ 30-33-3,5 п (1.232.1-8)
Панели однослойные самонесущие Серия 1.232.1-8
  • Длина 2990 мм.
  • Ширина 350 мм.
  • Высота 3275 мм.
  • Вес 1900 кг.
  • Объем бетона 1,47 м3
  • Геометрический объем 3,4273 м3
Цена: 49907 руб.
Подробнее
2ПСС 9-33-3,5 п (1.232.1-8)
Панели однослойные самонесущие Серия 1.232.1-8
  • Длина 905 мм.
  • Ширина 350 мм.
  • Высота 3275 мм.
  • Вес 900 кг.
  • Объем бетона 0,69 м3
  • Геометрический объем 1,0374 м3
Цена: 23426 руб.
Подробнее
2ПССД 27-33-3,5 п (1.232.1-8)
Панели однослойные самонесущие Серия 1.232.1-8
  • Длина 2705 мм.
  • Ширина 350 мм.
  • Высота 3275 мм.
  • Вес 1930 кг.
  • Объем бетона 1,47 м3
  • Геометрический объем 3,1006 м3
Цена: 49907 руб.
Подробнее
2ПССД 27-33-4,0 п (1.232.1-8)
Панели однослойные самонесущие Серия 1.232.1-8
  • Длина 2705 мм.
  • Ширина 400 мм.
  • Высота 3275 мм.
  • Вес 2120 кг.
  • Объем бетона 1,63 м3
  • Геометрический объем 3,5436 м3
Цена: 55339 руб.
Подробнее
2ПССЛ 27-33-3,5 п (1.232.1-8)
Панели однослойные самонесущие Серия 1.232.1-8
  • Длина 2705 мм.
  • Ширина 350 мм.
  • Высота 3275 мм.
  • Вес 2990 кг.
  • Объем бетона 2,31 м3
  • Геометрический объем 3,1006 м3
Цена: 78425 руб.
Подробнее
2ПССД 28-33-4,0 п (1.232.1-8)
Панели однослойные самонесущие Серия 1.232.1-8
  • Длина 2755 мм.
  • Ширина 400 мм.
  • Высота 3275 мм.
  • Вес 2200 кг.
  • Объем бетона 1,69 м3
  • Геометрический объем 3,609 м3
Цена: 57376 руб.
Подробнее
2ПССЛ 27-33-4,0 п (1.232.1-8)
Панели однослойные самонесущие Серия 1.232.1-8
  • Длина 2705 мм.
  • Ширина 400 мм.
  • Высота 3275 мм.
  • Вес 3340 кг.
  • Объем бетона 2,6 м3
  • Геометрический объем 3,5436 м3
Цена: 88270 руб.
Подробнее
2ПССЛ 28-33-3,5 п (1.232.1-8)
Панели однослойные самонесущие Серия 1.232.1-8
  • Длина 2755 мм.
  • Ширина 350 мм.
  • Высота 3275 мм.
  • Вес 3070 кг.
  • Объем бетона 2,37 м3
  • Геометрический объем 3,1579 м3
Цена: 80462 руб.
Подробнее
2ПССД 28-33-3,5 п (1.232.1-8)
Панели однослойные самонесущие Серия 1.232.1-8
  • Длина 2755 мм.
  • Ширина 350 мм.
  • Высота 3275 мм.
  • Вес 1990 кг.
  • Объем бетона 1,52 м3
  • Геометрический объем 3,1579 м3
Цена: 51604 руб.
Подробнее
2ПССЛ 28-33-4,0 п (1.232.1-8)
Панели однослойные самонесущие Серия 1.232.1-8
  • Длина 2755 мм.
  • Ширина 400 мм.
  • Высота 3275 мм.
  • Вес 3410 кг.
  • Объем бетона 2,67 м3
  • Геометрический объем 3,609 м3
Цена: 90647 руб.
Подробнее
2ПССЛ 30-33-3,5 п (1.232.1-8)
Панели однослойные самонесущие Серия 1.232.1-8
  • Длина 2990 мм.
  • Ширина 350 мм.
  • Высота 3275 мм.
  • Вес 3710 кг.
  • Объем бетона 2,9 м3
  • Геометрический объем 3,4273 м3
Цена: 98455 руб.
Подробнее
2ПССЛ 30-33-4,0 п (1.232.1-8)
Панели однослойные самонесущие Серия 1.232.1-8
  • Длина 2990 мм.
  • Ширина 400 мм.
  • Высота 3275 мм.
  • Вес 4220 кг.
  • Объем бетона 3,34 м3
  • Геометрический объем 3,9169 м3
Цена: 113393 руб.
Подробнее
2ПССО 27-33-4,0 п (1.232.1-8)
Панели однослойные самонесущие Серия 1.232.1-8
  • Длина 2705 мм.
  • Ширина 400 мм.
  • Высота 3275 мм.
  • Вес 2360 кг.
  • Объем бетона 1,83 м3
  • Геометрический объем 3,5436 м3
Цена: 62129 руб.
Подробнее
2ПССО 27-33-3,5 п (1.232.1-8)
Панели однослойные самонесущие Серия 1.232.1-8
  • Длина 2705 мм.
  • Ширина 350 мм.
  • Высота 3275 мм.
  • Вес 2140 кг.
  • Объем бетона 1,63 м3
  • Геометрический объем 3,1006 м3
Цена: 55339 руб.
Подробнее

Как правильно выбрать - Панели однослойные самонесущие Серия 1.232.1-8

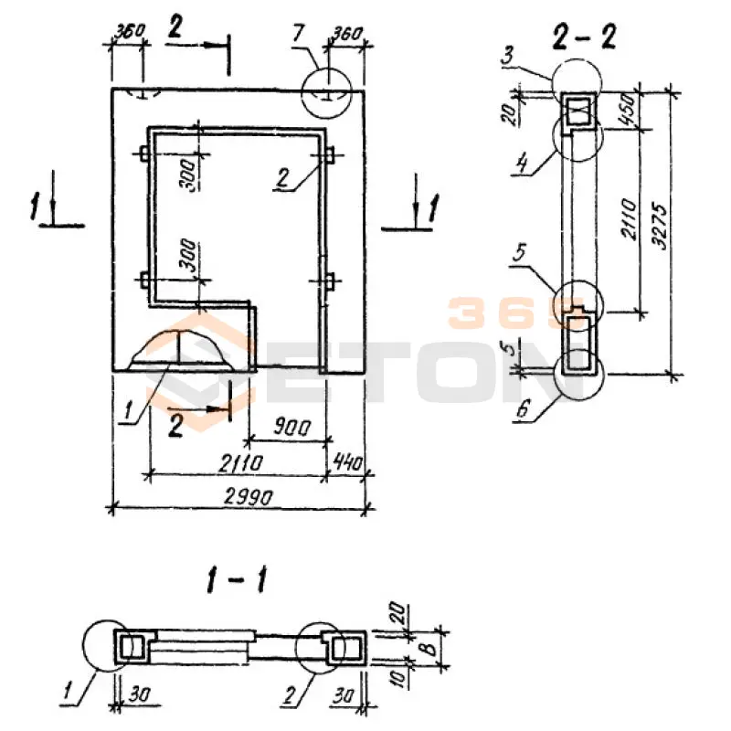
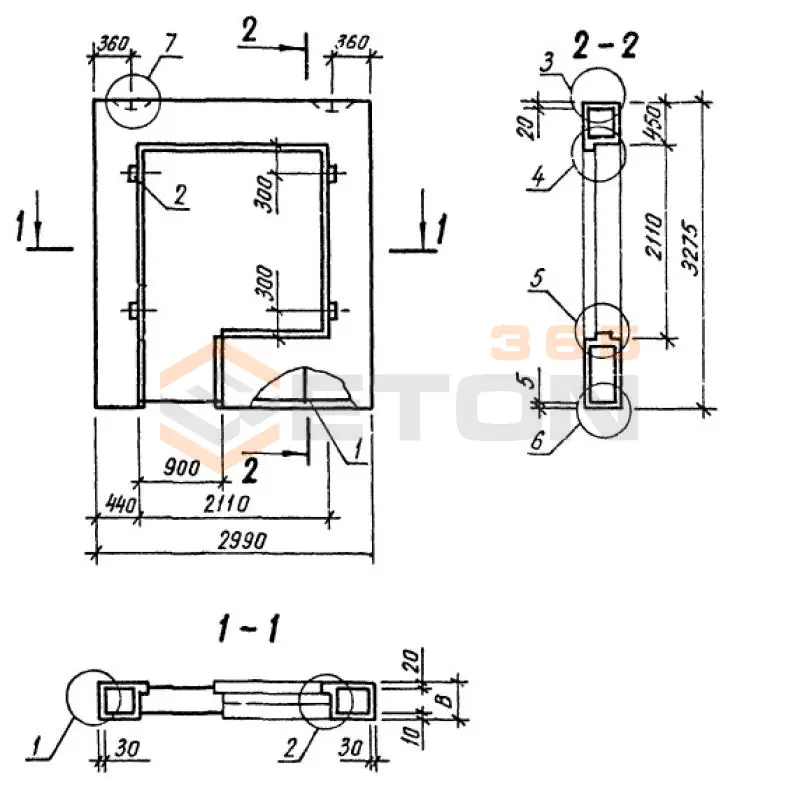
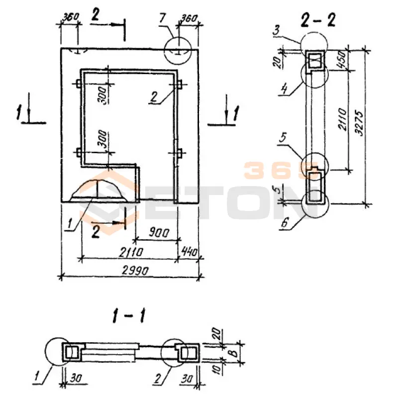
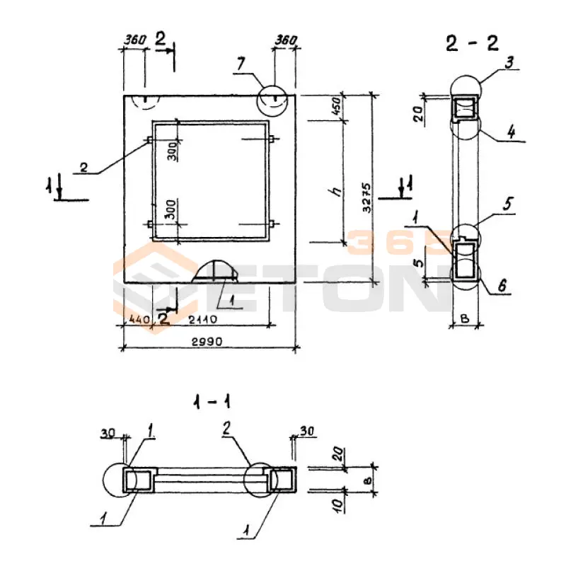
Панели однослойные самонесущие Серия 1.232.1-8 применяются для возведения наружных стен в промышленном и гражданском строительстве. Их ключевая функция – ограждающая, они воспринимают нагрузку только от собственного веса и передают ее на каркас здания. Долговечность и теплозащитные свойства всей стены определяются точным соответствием выбранных панелей проектным решениям и климатическим условиям региона.

Критерии выбора

  • Марка бетона и защитный слой: Изделия изготавливаются из тяжелого бетона марки не ниже М200. Обратите внимание на толщину защитного слоя бетона до арматуры – она должна обеспечивать надежную антикоррозионную защиту.
  • Морозостойкость и водонепроницаемость: Для большинства регионов РФ критически важна морозостойкость F150-F200. Водонепроницаемость (W4 и выше) напрямую влияет на долговечность конструкции в условиях влажного климата.
  • Типоразмеры и конфигурация: Строго сверяйте габаритные размеры и толщину (240-300 мм) с проектной спецификацией. Проверяйте наличие и расположение монтажных петель, закладных деталей для крепления к каркасу.
  • Теплотехнические показатели: Убедитесь, что расчетное сопротивление теплопередаче панели соответствует требованиям СП 50.13330 для вашей климатической зоны.
  • Соответствие нормам: Все панели должны изготавливаться в строгом соответствии с Серией 1.232.1-8 и сопровождаться паспортом качества.

Рекомендации по подбору и монтажу

При составлении спецификации на панели однослойные самонесущие Серия 1.232.1-8 обязательно указывайте не только типоразмер, но и марку по несущей способности, морозостойкости и водонепроницаемости. Требуйте от поставщика предоставления полного комплекта рабочих чертежей и монтажных схем для вашего объекта. Перед монтажом проверьте геометрию изделий и состояние закладных элементов.

Монтаж следует вести с проектного этажа или с подмостей, строго соблюдая проектные отметки. Крепление к колоннам каркаса должно быть жестким, с использованием всех предусмотренных закладных деталей. Герметизацию швов необходимо выполнять сразу после выверки положения панели, используя только рекомендованные проектом эластичные материалы, чтобы исключить мостики холода и продувание.

Ответы экспертов на ваши вопросы

Панели однослойные самонесущие серии 1.232.1-8 применяются в качестве ограждающих конструкций в каркасных зданиях промышленного и гражданского назначения. Они используются для возведения наружных стен зданий, не воспринимающих нагрузку от перекрытий и покрытий, а также могут применяться в качестве стеновых ограждений в бескаркасных зданиях с несущим каркасом из стальных или железобетонных колонн.

Основные преимущества включают: высокую заводскую готовность, что ускоряет монтаж; хорошие теплотехнические характеристики благодаря применению легких бетонов; снижение нагрузки на фундаменты за счет собственного веса; долговечность и огнестойкость; возможность отделки различными фасадными материалами. Панели обеспечивают высокую скорость возведения зданий и сокращение сроков строительства.

Панели изготавливаются из легких бетонов (керамзитобетон, аглопоритобетон) плотностью 1000-1400 кг/м³. Толщина панелей составляет 200-300 мм. Панели армируются сварными сетками и каркасами из стальной арматуры класса А-I, А-III. Марка бетона по морозостойкости - не ниже F50, по водонепроницаемости - W4. Теплотехнические характеристики соответствуют требованиям СНиП для ограждающих конструкций.

Монтаж осуществляется с помощью кранов грузоподъемностью, соответствующей массе панелей. Панели устанавливаются на фундаменты или цокольные панели через слой раствора. Стыки между панелями выполняются с помощью специальных профилей и уплотнителей, обеспечивающих герметичность соединения. Вертикальные стыки заполняются упругими прокладками и герметизируются мастиками. Крепление к каркасу здания осуществляется через закладные детали.

Производство и применение панелей регламентируется серией 1.232.1-8, а также следующими документами: ГОСТ 11024-84 "Панели стеновые наружные бетонные и железобетонные для жилых и общественных зданий", ГОСТ 13015-2012 "Конструкции и изделия бетонные и железобетонные сборные", СП 31-107-2004 "Архитектурно-конструктивные решения многоквартирных жилых зданий", а также действующими строительными нормами и правилами по проектированию бетонных и железобетонных конструкций.

Ранее смотрели
Панели перекрытия ребристые Серия 1.220.1-2 ПР 30-15-8 АIII
ПР 30-15-8 АIII
Панели перекрытия ребристые Серия 1.220.1-2
Гипсобетонные и шлакобетонные перегородки Серия ИИ 03-04 ПГ 13 (ИИ 03-04)
ПГ 13 (ИИ 03-04)
Гипсобетонные и шлакобетонные перегородки Серия ИИ 03-04
ПР 0,8 а
ПР 0,8 а
Приставки железобетонные (пасынки) Серия 3.407-57 и ГОСТ 14295-75
Панели перекрытия ребристые Серия 1.220.1-2 ПР 30-15-6 АIII
ПР 30-15-6 АIII
Панели перекрытия ребристые Серия 1.220.1-2
Панели перекрытия ребристые Серия 1.220.1-2 ПР 70-15-8 АтVт
ПР 70-15-8 АтVт
Панели перекрытия ребристые Серия 1.220.1-2
Гипсобетонные и шлакобетонные перегородки Серия ИИ 03-04 ПГ 10 (ИИ 03-04)
ПГ 10 (ИИ 03-04)
Гипсобетонные и шлакобетонные перегородки Серия ИИ 03-04
Гипсобетонные и шлакобетонные перегородки Серия ИИ 03-04 ПГ 6 (ИИ 03-04)
ПГ 6 (ИИ 03-04)
Гипсобетонные и шлакобетонные перегородки Серия ИИ 03-04
Панели перекрытия ребристые Серия 1.220.1-2 ПР 72-15-8 АтVт
ПР 72-15-8 АтVт
Панели перекрытия ребристые Серия 1.220.1-2

Уведомление о файлах cookie

Мы используем файлы cookie для улучшения вашего опыта просмотра и анализа трафика. Нажимая "Принять все", вы соглашаетесь с нашей политикой конфиденциальности и политикой обработки файлов cookie.

Дзен Телеграм Вконтакте vk