mobile_sound +7 (930) 655-55-90

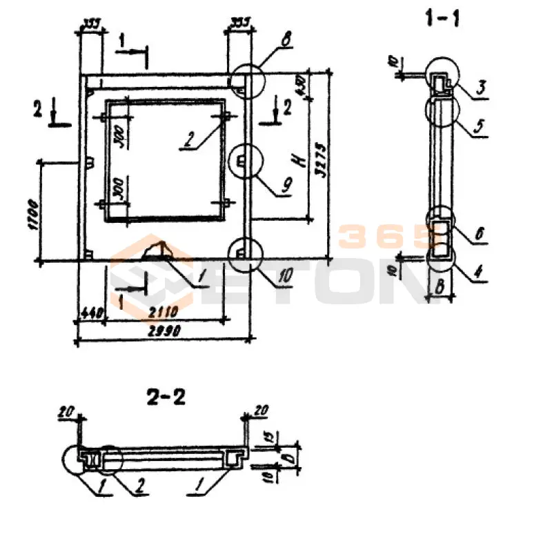
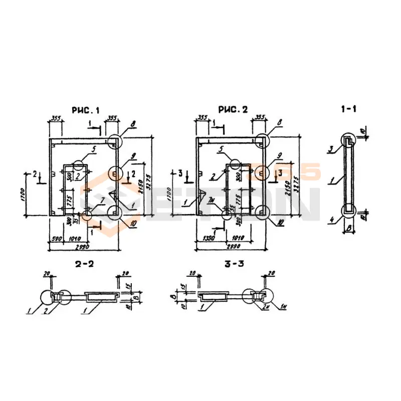
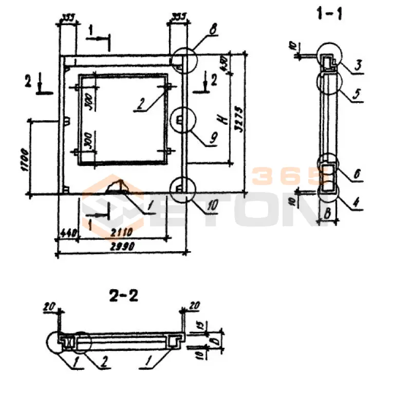
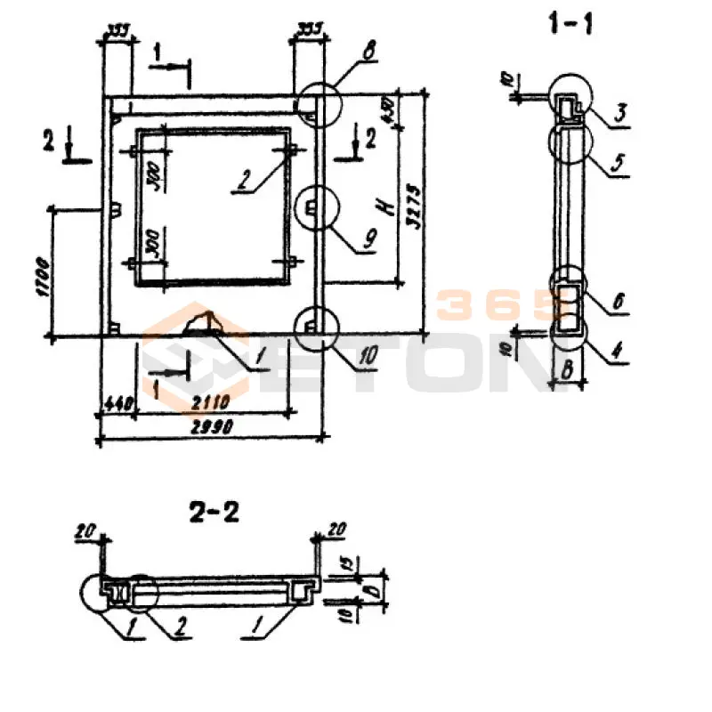
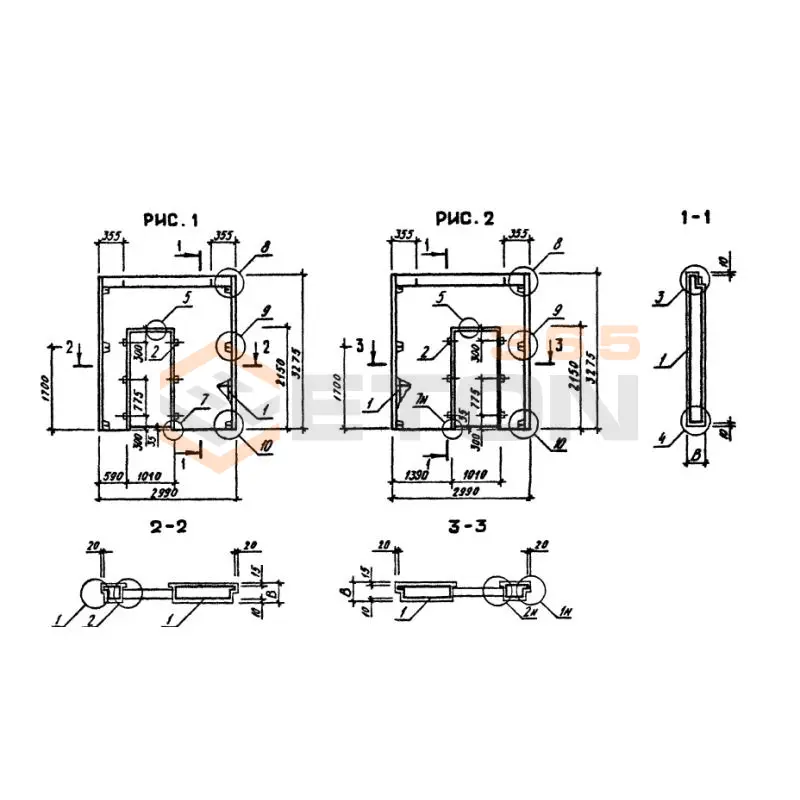
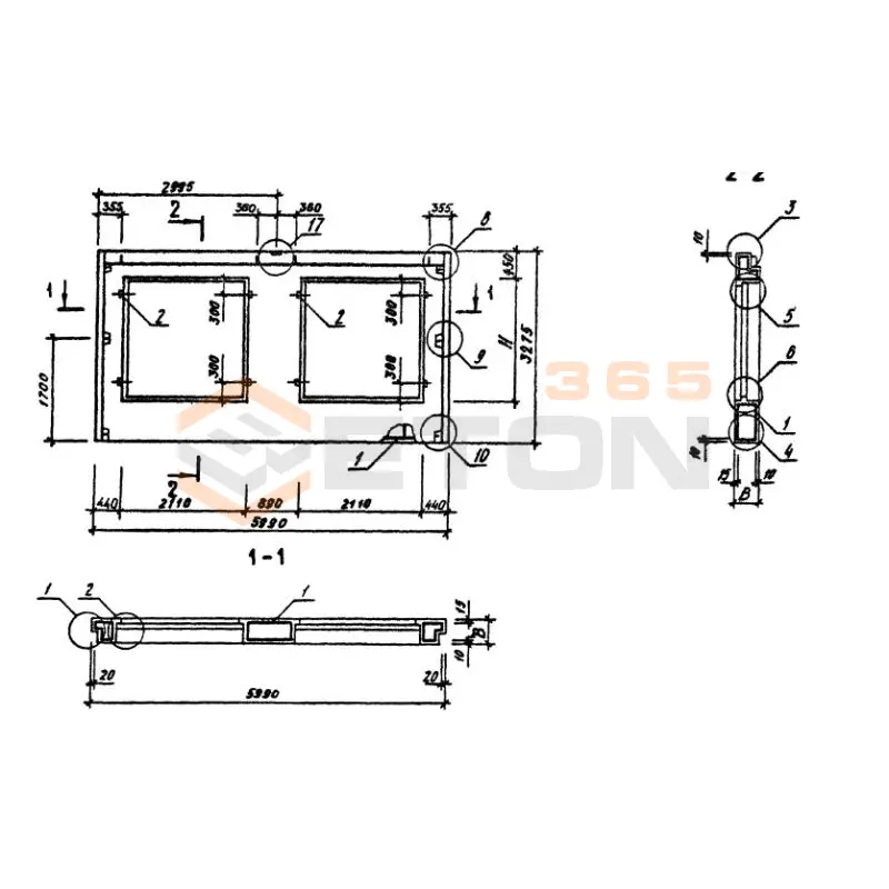
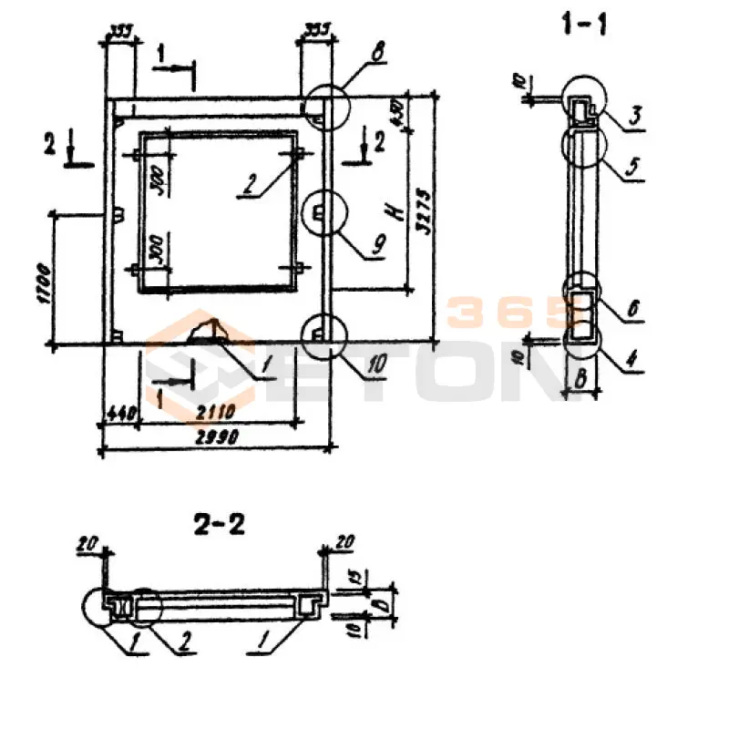
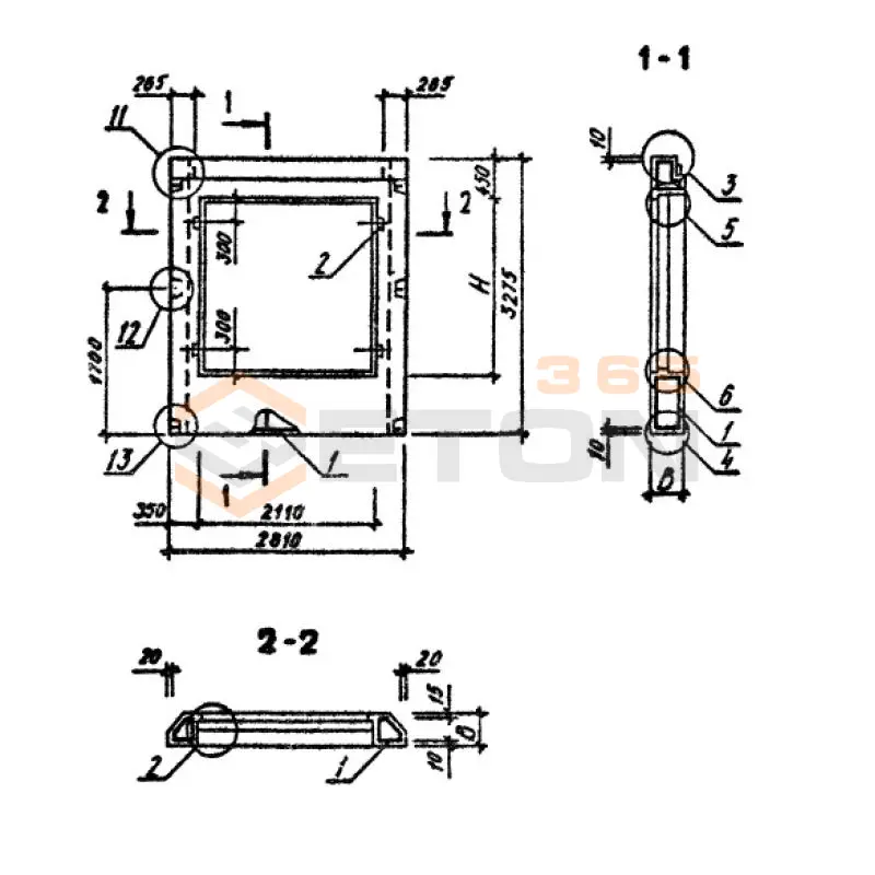
Панели наружных стен однослойные Серия 1.090.1-3пв

Поделиться:
Фильтр по характеристикам
Длина (мм.)
keyboard_arrow_down
мм.
мм.
Ширина (мм.)
keyboard_arrow_down
мм.
мм.
Высота (мм.)
keyboard_arrow_down
мм.
мм.
Вес (кг.)
keyboard_arrow_down
кг.
кг.
Объем бетона (м3)
keyboard_arrow_down
м3
м3
Поделиться:

Завод "Бетон365" производит панели наружных стен однослойные серии 1.090.1-3пв – современное решение для быстрого возведения энергоэффективных зданий. Эти железобетонные изделия выполняют функцию несущих ограждающих конструкций, обеспечивая оптимальное распределение нагрузок и высокие теплотехнические характеристики. Соответствие строгим ГОСТам и использование качественных материалов гарантирует долговечность построенных объектов при минимальных эксплуатационных расходах.

В Москве и Московской области мы реализуем данные панели напрямую от производителя по конкурентной цене. Купить однослойные стеновые панели серии 1.090.1-3пв у нас – значит получить сертифицированную продукцию с гарантией качества и организованной доставкой на объект. Профессиональные консультации по монтажу и выбору сопутствующих материалов помогут оптимизировать ваш строительный проект – обращайтесь для расчета стоимости!

1ПС 11-33-4,0 п пв (1.090.1-3пв)
Панели наружных стен однослойные Серия 1.090.1-3пв
  • Длина 1100 мм.
  • Ширина 400 мм.
  • Высота 3275 мм.
  • Вес 1410 кг.
  • Объем бетона 0,888 м3
  • Геометрический объем 1,441 м3
Цена: 30148 руб.
Подробнее
1ПС 15-33-3,5 п пв (1.090.1-3пв)
Панели наружных стен однослойные Серия 1.090.1-3пв
  • Длина 1495 мм.
  • Ширина 350 мм.
  • Высота 3275 мм.
  • Вес 1560 кг.
  • Объем бетона 1,197 м3
  • Геометрический объем 1,7136 м3
Цена: 40638 руб.
Подробнее
1ПС 11-33-3,5 п пв (1.090.1-3пв)
Панели наружных стен однослойные Серия 1.090.1-3пв
  • Длина 1100 мм.
  • Ширина 350 мм.
  • Высота 3275 мм.
  • Вес 1250 кг.
  • Объем бетона 1,01 м3
  • Геометрический объем 1,2609 м3
Цена: 34290 руб.
Подробнее
1ПС 17-33-4,0 п пв (1.090.1-3пв)
Панели наружных стен однослойные Серия 1.090.1-3пв
  • Длина 1700 мм.
  • Ширина 400 мм.
  • Высота 3275 мм.
  • Вес 2280 кг.
  • Объем бетона 1,868 м3
  • Геометрический объем 2,227 м3
Цена: 63419 руб.
Подробнее
1ПС 17-33-3,5 п пв (1.090.1-3пв)
Панели наружных стен однослойные Серия 1.090.1-3пв
  • Длина 1700 мм.
  • Ширина 350 мм.
  • Высота 3275 мм.
  • Вес 200 кг.
  • Объем бетона 1,63 м3
  • Геометрический объем 1,9486 м3
Цена: 55339 руб.
Подробнее
1ПС 21-33-3,5 п пв (1.090.1-3пв)
Панели наружных стен однослойные Серия 1.090.1-3пв
  • Длина 2095 мм.
  • Ширина 350 мм.
  • Высота 3275 мм.
  • Вес 2330 кг.
  • Объем бетона 1,803 м3
  • Геометрический объем 2,4014 м3
Цена: 61212 руб.
Подробнее
1ПС 15-33-4,0 п пв (1.090.1-3пв)
Панели наружных стен однослойные Серия 1.090.1-3пв
  • Длина 1495 мм.
  • Ширина 400 мм.
  • Высота 3275 мм.
  • Вес 1880 кг.
  • Объем бетона 1,378 м3
  • Геометрический объем 1,9585 м3
Цена: 46783 руб.
Подробнее
1ПС 29-16-3,5 п пв (1.090.1-3пв)
Панели наружных стен однослойные Серия 1.090.1-3пв
  • Длина 2900 мм.
  • Ширина 350 мм.
  • Высота 1625 мм.
  • Вес 1720 кг.
  • Объем бетона 1,379 м3
  • Геометрический объем 1,6494 м3
Цена: 46817 руб.
Подробнее
1ПС 21-33-4,0 п пв (1.090.1-3пв)
Панели наружных стен однослойные Серия 1.090.1-3пв
  • Длина 2095 мм.
  • Ширина 400 мм.
  • Высота 3275 мм.
  • Вес 2750 кг.
  • Объем бетона 2,082 м3
  • Геометрический объем 2,7445 м3
Цена: 70684 руб.
Подробнее
1ПС 29-16-4,0 п пв (1.090.1-3пв)
Панели наружных стен однослойные Серия 1.090.1-3пв
  • Длина 2900 мм.
  • Ширина 400 мм.
  • Высота 1625 мм.
  • Вес 1720 кг.
  • Объем бетона 1,594 м3
  • Геометрический объем 1,885 м3
Цена: 54116 руб.
Подробнее
1ПС 33-16-3,5 п пв (1.090.1-3пв)
Панели наружных стен однослойные Серия 1.090.1-3пв
  • Длина 3265 мм.
  • Ширина 350 мм.
  • Высота 1625 мм.
  • Вес 1880 кг.
  • Объем бетона 1,52 м3
  • Геометрический объем 1,857 м3
Цена: 51604 руб.
Подробнее
1ПС 29-33-3,5 п пв (1.090.1-3пв)
Панели наружных стен однослойные Серия 1.090.1-3пв
  • Длина 2900 мм.
  • Ширина 350 мм.
  • Высота 3275 мм.
  • Вес 3550 кг.
  • Объем бетона 2,88 м3
  • Геометрический объем 3,3241 м3
Цена: 97776 руб.
Подробнее
1ПС 33-33-3,5 п пв (1.090.1-3пв)
Панели наружных стен однослойные Серия 1.090.1-3пв
  • Длина 3295 мм.
  • Ширина 350 мм.
  • Высота 3275 мм.
  • Вес 3860 кг.
  • Объем бетона 3,13 м3
  • Геометрический объем 3,7769 м3
Цена: 106264 руб.
Подробнее
1ПС 29-33-4,0 п пв (1.090.1-3пв)
Панели наружных стен однослойные Серия 1.090.1-3пв
  • Длина 2900 мм.
  • Ширина 400 мм.
  • Высота 3275 мм.
  • Вес 4030 кг.
  • Объем бетона 3,27 м3
  • Геометрический объем 3,799 м3
Цена: 111017 руб.
Подробнее
1ПС 33-16-4,0 п пв (1.090.1-3пв)
Панели наружных стен однослойные Серия 1.090.1-3пв
  • Длина 3315 мм.
  • Ширина 400 мм.
  • Высота 1625 мм.
  • Вес 2200 кг.
  • Объем бетона 1,78 м3
  • Геометрический объем 2,1547 м3
Цена: 60431 руб.
Подробнее
1ПС 33-33-4,0 п пв (1.090.1-3пв)
Панели наружных стен однослойные Серия 1.090.1-3пв
  • Длина 3295 мм.
  • Ширина 400 мм.
  • Высота 3275 мм.
  • Вес 4510 кг.
  • Объем бетона 3,66 м3
  • Геометрический объем 4,3164 м3
Цена: 124257 руб.
Подробнее
1ПСД 28-33-3,5-2 п пв (1.090.1-3пв)
Панели наружных стен однослойные Серия 1.090.1-3пв
  • Длина 2810 мм.
  • Ширина 350 мм.
  • Высота 3275 мм.
  • Вес 1040 кг.
  • Объем бетона 0,84 м3
  • Геометрический объем 3,221 м3
Цена: 28518 руб.
Подробнее
1ПСД 28-33-4,0-1 п пв (1.090.1-3пв)
Панели наружных стен однослойные Серия 1.090.1-3пв
  • Длина 2810 мм.
  • Ширина 400 мм.
  • Высота 3275 мм.
  • Вес 1140 кг.
  • Объем бетона 0,92 м3
  • Геометрический объем 3,6811 м3
Цена: 31234 руб.
Подробнее
1ПСД 28-33-3,5-1 п пв (1.090.1-3пв)
Панели наружных стен однослойные Серия 1.090.1-3пв
  • Длина 2810 мм.
  • Ширина 350 мм.
  • Высота 3275 мм.
  • Вес 1040 кг.
  • Объем бетона 0,84 м3
  • Геометрический объем 3,221 м3
Цена: 28518 руб.
Подробнее
1ПСД 28-33-4,0-2 п пв (1.090.1-3пв)
Панели наружных стен однослойные Серия 1.090.1-3пв
  • Длина 2810 мм.
  • Ширина 400 мм.
  • Высота 3275 мм.
  • Вес 1140 кг.
  • Объем бетона 0,92 м3
  • Геометрический объем 3,6811 м3
Цена: 31234 руб.
Подробнее
1ПСД 29-33-3,5-1 п пв (1.090.1-3пв)
Панели наружных стен однослойные Серия 1.090.1-3пв
  • Длина 2900 мм.
  • Ширина 350 мм.
  • Высота 3275 мм.
  • Вес 1170 кг.
  • Объем бетона 0,95 м3
  • Геометрический объем 3,3241 м3
Цена: 32253 руб.
Подробнее
1ПСД 29-33-3,5-2 п пв (1.090.1-3пв)
Панели наружных стен однослойные Серия 1.090.1-3пв
  • Длина 2900 мм.
  • Ширина 350 мм.
  • Высота 3275 мм.
  • Вес 1170 кг.
  • Объем бетона 0,95 м3
  • Геометрический объем 3,3241 м3
Цена: 32253 руб.
Подробнее
1ПСД 29-33-4,0-2 п пв (1.090.1-3пв)
Панели наружных стен однослойные Серия 1.090.1-3пв
  • Длина 2900 мм.
  • Ширина 400 мм.
  • Высота 3275 мм.
  • Вес 1320 кг.
  • Объем бетона 1,07 м3
  • Геометрический объем 3,799 м3
Цена: 36327 руб.
Подробнее
1ПСД 30-33-3,5-2 п пв (1.090.1-3пв)
Панели наружных стен однослойные Серия 1.090.1-3пв
  • Длина 2990 мм.
  • Ширина 350 мм.
  • Высота 3275 мм.
  • Вес 2780 кг.
  • Объем бетона 2,26 м3
  • Геометрический объем 3,4273 м3
Цена: 76727 руб.
Подробнее
1ПСД 29-33-4,0-1 п пв (1.090.1-3пв)
Панели наружных стен однослойные Серия 1.090.1-3пв
  • Длина 2900 мм.
  • Ширина 400 мм.
  • Высота 3275 мм.
  • Вес 1320 кг.
  • Объем бетона 1,07 м3
  • Геометрический объем 3,799 м3
Цена: 36327 руб.
Подробнее
1ПСД 30-33-4,0-2 п пв (1.090.1-3пв)
Панели наружных стен однослойные Серия 1.090.1-3пв
  • Длина 2990 мм.
  • Ширина 400 мм.
  • Высота 3275 мм.
  • Вес 3190 кг.
  • Объем бетона 2,59 м3
  • Геометрический объем 3,9169 м3
Цена: 87931 руб.
Подробнее
1ПСЛ 29-33-3,5-2 п пв (1.090.1-3пв)
Панели наружных стен однослойные Серия 1.090.1-3пв
  • Длина 2900 мм.
  • Ширина 350 мм.
  • Высота 3275 мм.
  • Вес 2250 кг.
  • Объем бетона 1,82 м3
  • Геометрический объем 3,3241 м3
Цена: 61789 руб.
Подробнее
1ПСЛ 30-33-3,5-2 п пв (1.090.1-3пв)
Панели наружных стен однослойные Серия 1.090.1-3пв
  • Длина 2990 мм.
  • Ширина 350 мм.
  • Высота 3275 мм.
  • Вес 3340 кг.
  • Объем бетона 2,71 м3
  • Геометрический объем 3,4273 м3
Цена: 92005 руб.
Подробнее
1ПСО 28-33-3,5-2 п пв (1.090.1-3пв)
Панели наружных стен однослойные Серия 1.090.1-3пв
  • Длина 2810 мм.
  • Ширина 350 мм.
  • Высота 3275 мм.
  • Вес 1660 кг.
  • Объем бетона 1,34 м3
  • Геометрический объем 3,221 м3
Цена: 45493 руб.
Подробнее
1ПСЛ 29-33-4,0-2 п пв (1.090.1-3пв)
Панели наружных стен однослойные Серия 1.090.1-3пв
  • Длина 2900 мм.
  • Ширина 400 мм.
  • Высота 3275 мм.
  • Вес 2920 кг.
  • Объем бетона 2,37 м3
  • Геометрический объем 3,799 м3
Цена: 80462 руб.
Подробнее
1ПСО 28-33-3,5-1 п пв (1.090.1-3пв)
Панели наружных стен однослойные Серия 1.090.1-3пв
  • Длина 2810 мм.
  • Ширина 350 мм.
  • Высота 3275 мм.
  • Вес 1660 кг.
  • Объем бетона 1,34 м3
  • Геометрический объем 3,221 м3
Цена: 45493 руб.
Подробнее
1ПСЛ 30-33-4,0-2 п пв (1.090.1-3пв)
Панели наружных стен однослойные Серия 1.090.1-3пв
  • Длина 2990 мм.
  • Ширина 400 мм.
  • Высота 3275 мм.
  • Вес 3830 кг.
  • Объем бетона 3,11 м3
  • Геометрический объем 3,9169 м3
Цена: 105585 руб.
Подробнее
1ПСО 28-33-4,0-1 п пв (1.090.1-3пв)
Панели наружных стен однослойные Серия 1.090.1-3пв
  • Длина 2810 мм.
  • Ширина 400 мм.
  • Высота 3275 мм.
  • Вес 1840 кг.
  • Объем бетона 0,736 м3
  • Геометрический объем 3,6811 м3
Цена: 24987 руб.
Подробнее
1ПСО 28-33-4,0-2 п пв (1.090.1-3пв)
Панели наружных стен однослойные Серия 1.090.1-3пв
  • Длина 2810 мм.
  • Ширина 400 мм.
  • Высота 3275 мм.
  • Вес 1840 кг.
  • Объем бетона 0,736 м3
  • Геометрический объем 3,6811 м3
Цена: 24987 руб.
Подробнее
1ПСО 29-33-4,0-2 п пв (1.090.1-3пв)
Панели наружных стен однослойные Серия 1.090.1-3пв
  • Длина 2900 мм.
  • Ширина 400 мм.
  • Высота 3275 мм.
  • Вес 2020 кг.
  • Объем бетона 1,64 м3
  • Геометрический объем 3,799 м3
Цена: 55678 руб.
Подробнее
1ПСО 29-33-3,5-2 п пв (1.090.1-3пв)
Панели наружных стен однослойные Серия 1.090.1-3пв
  • Длина 2900 мм.
  • Ширина 350 мм.
  • Высота 3275 мм.
  • Вес 1790 кг.
  • Объем бетона 0,716 м3
  • Геометрический объем 3,3241 м3
Цена: 24308 руб.
Подробнее
1ПСО 29-33-3,5-1 п пв (1.090.1-3пв)
Панели наружных стен однослойные Серия 1.090.1-3пв
  • Длина 2900 мм.
  • Ширина 350 мм.
  • Высота 3275 мм.
  • Вес 1790 кг.
  • Объем бетона 0,716 м3
  • Геометрический объем 3,3241 м3
Цена: 24308 руб.
Подробнее
1ПСО 29-33-4,0-1 п пв (1.090.1-3пв)
Панели наружных стен однослойные Серия 1.090.1-3пв
  • Длина 2900 мм.
  • Ширина 400 мм.
  • Высота 3275 мм.
  • Вес 2020 кг.
  • Объем бетона 1,64 м3
  • Геометрический объем 3,799 м3
Цена: 55678 руб.
Подробнее
1ПСО 30-33-3,5-1 п пв (1.090.1-3пв)
Панели наружных стен однослойные Серия 1.090.1-3пв
  • Длина 2990 мм.
  • Ширина 350 мм.
  • Высота 3275 мм.
  • Вес 1910 кг.
  • Объем бетона 1,55 м3
  • Геометрический объем 3,4273 м3
Цена: 52623 руб.
Подробнее
1ПСО 30-33-3,5-2 п пв (1.090.1-3пв)
Панели наружных стен однослойные Серия 1.090.1-3пв
  • Длина 2990 мм.
  • Ширина 350 мм.
  • Высота 3275 мм.
  • Вес 1910 кг.
  • Объем бетона 1,55 м3
  • Геометрический объем 3,4273 м3
Цена: 52623 руб.
Подробнее
1ПСО 33-33-3,5-1 п пв (1.090.1-3пв)
Панели наружных стен однослойные Серия 1.090.1-3пв
  • Длина 3265 мм.
  • Ширина 350 мм.
  • Высота 3275 мм.
  • Вес 2550 кг.
  • Объем бетона 2,06 м3
  • Геометрический объем 3,7425 м3
Цена: 69937 руб.
Подробнее
1ПСО 33-33-3,5-2 п пв (1.090.1-3пв)
Панели наружных стен однослойные Серия 1.090.1-3пв
  • Длина 3265 мм.
  • Ширина 350 мм.
  • Высота 3275 мм.
  • Вес 2550 кг.
  • Объем бетона 2,06 м3
  • Геометрический объем 3,7425 м3
Цена: 69937 руб.
Подробнее
1ПСО 30-33-4,0-1 п пв (1.090.1-3пв)
Панели наружных стен однослойные Серия 1.090.1-3пв
  • Длина 2990 мм.
  • Ширина 400 мм.
  • Высота 3275 мм.
  • Вес 2190 кг.
  • Объем бетона 1,81 м3
  • Геометрический объем 3,9169 м3
Цена: 61450 руб.
Подробнее
1ПСО 33-33-4,5-1 п пв (1.090.1-3пв)
Панели наружных стен однослойные Серия 1.090.1-3пв
  • Длина 3315 мм.
  • Ширина 400 мм.
  • Высота 3275 мм.
  • Вес 3030 кг.
  • Объем бетона 2,4 м3
  • Геометрический объем 4,3426 м3
Цена: 81480 руб.
Подробнее
1ПСО 30-33-4,0-2 п пв (1.090.1-3пв)
Панели наружных стен однослойные Серия 1.090.1-3пв
  • Длина 2990 мм.
  • Ширина 400 мм.
  • Высота 3275 мм.
  • Вес 2190 кг.
  • Объем бетона 1,81 м3
  • Геометрический объем 3,9169 м3
Цена: 61450 руб.
Подробнее
1ПСО 33-33-4,5-2 п пв (1.090.1-3пв)
Панели наружных стен однослойные Серия 1.090.1-3пв
  • Длина 3315 мм.
  • Ширина 400 мм.
  • Высота 3275 мм.
  • Вес 3030 кг.
  • Объем бетона 2,4 м3
  • Геометрический объем 4,3426 м3
Цена: 81480 руб.
Подробнее
1ПСО 60-33-4,0-2 п пв (1.090.1-3пв)
Панели наружных стен однослойные Серия 1.090.1-3пв
  • Длина 5990 мм.
  • Ширина 400 мм.
  • Высота 3275 мм.
  • Вес 4560 кг.
  • Объем бетона 3,7 м3
  • Геометрический объем 7,8469 м3
Цена: 125615 руб.
Подробнее
1ПСО 60-33-4,0-1 п пв (1.090.1-3пв)
Панели наружных стен однослойные Серия 1.090.1-3пв
  • Длина 5990 мм.
  • Ширина 400 мм.
  • Высота 3275 мм.
  • Вес 4560 кг.
  • Объем бетона 3,7 м3
  • Геометрический объем 7,8469 м3
Цена: 125615 руб.
Подробнее
1ПСО 60-33-3,5-1 п пв (1.090.1-3пв)
Панели наружных стен однослойные Серия 1.090.1-3пв
  • Длина 5990 мм.
  • Ширина 350 мм.
  • Высота 3275 мм.
  • Вес 3980 кг.
  • Объем бетона 3,23 м3
  • Геометрический объем 6,866 м3
Цена: 109659 руб.
Подробнее
1ПСО 60-33-3,5-2 п пв (1.090.1-3пв)
Панели наружных стен однослойные Серия 1.090.1-3пв
  • Длина 5990 мм.
  • Ширина 350 мм.
  • Высота 3275 мм.
  • Вес 3980 кг.
  • Объем бетона 3,23 м3
  • Геометрический объем 6,866 м3
Цена: 109659 руб.
Подробнее
1ПСП 11-10-2,6 п пв (1.090.1-3пв)
Панели наружных стен однослойные Серия 1.090.1-3пв
  • Длина 1100 мм.
  • Ширина 260 мм.
  • Высота 1000 мм.
  • Вес 300 кг.
  • Объем бетона 0,24 м3
  • Геометрический объем 0,286 м3
Цена: 8148 руб.
Подробнее
1ПСП 11-10-3,1 п пв (1.090.1-3пв)
Панели наружных стен однослойные Серия 1.090.1-3пв
  • Длина 1100 мм.
  • Ширина 310 мм.
  • Высота 1000 мм.
  • Вес 350 кг.
  • Объем бетона 0,28 м3
  • Геометрический объем 0,341 м3
Цена: 9506 руб.
Подробнее
1ПСП 17-10-2,6 п пв (1.090.1-3пв)
Панели наружных стен однослойные Серия 1.090.1-3пв
  • Длина 1700 мм.
  • Ширина 260 мм.
  • Высота 1000 мм.
  • Вес 470 кг.
  • Объем бетона 0,38 м3
  • Геометрический объем 0,442 м3
Цена: 12901 руб.
Подробнее
1ПСП 15-10-3,1 п пв (1.090.1-3пв)
Панели наружных стен однослойные Серия 1.090.1-3пв
  • Длина 1515 мм.
  • Ширина 310 мм.
  • Высота 1000 мм.
  • Вес 530 кг.
  • Объем бетона 0,43 м3
  • Геометрический объем 0,4697 м3
Цена: 14599 руб.
Подробнее
1ПСП 21-10-2,6 п пв (1.090.1-3пв)
Панели наружных стен однослойные Серия 1.090.1-3пв
  • Длина 2065 мм.
  • Ширина 260 мм.
  • Высота 1000 мм.
  • Вес 620 кг.
  • Объем бетона 0,409 м3
  • Геометрический объем 0,5369 м3
Цена: 13886 руб.
Подробнее
1ПСП 15-10-2,6 п пв (1.090.1-3пв)
Панели наружных стен однослойные Серия 1.090.1-3пв
  • Длина 1495 мм.
  • Ширина 260 мм.
  • Высота 1000 мм.
  • Вес 440 кг.
  • Объем бетона 0,287 м3
  • Геометрический объем 0,3887 м3
Цена: 9744 руб.
Подробнее
1ПСП 17-10-3,1 п пв (1.090.1-3пв)
Панели наружных стен однослойные Серия 1.090.1-3пв
  • Длина 1700 мм.
  • Ширина 310 мм.
  • Высота 1000 мм.
  • Вес 560 кг.
  • Объем бетона 0,45 м3
  • Геометрический объем 0,527 м3
Цена: 15278 руб.
Подробнее
1ПСП 21-10-3,1 п пв (1.090.1-3пв)
Панели наружных стен однослойные Серия 1.090.1-3пв
  • Длина 2115 мм.
  • Ширина 310 мм.
  • Высота 1000 мм.
  • Вес 740 кг.
  • Объем бетона 0,6 м3
  • Геометрический объем 0,6556 м3
Цена: 20370 руб.
Подробнее
1ПСП 33-10-3,1 п пв (1.090.1-3пв)
Панели наружных стен однослойные Серия 1.090.1-3пв
  • Длина 3315 мм.
  • Ширина 310 мм.
  • Высота 1000 мм.
  • Вес 1160 кг.
  • Объем бетона 0,94 м3
  • Геометрический объем 1,0276 м3
Цена: 31913 руб.
Подробнее
2ПС 11-33-4,0 п пв (1.090.1-3пв)
Панели наружных стен однослойные Серия 1.090.1-3пв
  • Длина 1100 мм.
  • Ширина 400 мм.
  • Высота 3275 мм.
  • Вес 1410 кг.
  • Объем бетона 0,888 м3
  • Геометрический объем 1,441 м3
Цена: 30148 руб.
Подробнее

Как правильно выбрать - Панели наружных стен однослойные Серия 1.090.1-3пв

Панели наружных стен однослойные Серия 1.090.1-3пв предназначены для возведения несущих и самонесущих ограждающих конструкций жилых, общественных и промышленных зданий. Они выполняют функцию тепловой защиты и обеспечивают требуемую прочность стены. Долговечность и энергоэффективность здания в целом определяются точным соответствием выбранных панелей наружных стен однослойных Серии 1.090.1-3пв проектным расчетам и реальным условиям эксплуатации.

Критерии выбора

  • Марка и класс бетона: Для панелей Серии 1.090.1-3пв применяется легкий бетон на пористых заполнителях марки по плотности D1400-D1600, обеспечивающий требуемое сопротивление теплопередаче. Класс бетона по прочности на сжатие должен быть не ниже В12.5-В15.
  • Морозостойкость и водонепроницаемость: Ключевые показатели для наружных конструкций. Убедитесь, что морозостойкость бетона соответствует климатическому району строительства (как правило, не ниже F75-F100), а водонепроницаемость – W4 и выше.
  • Типоразмеры и конфигурация: Панели наружных стен однослойных данной серии выпускаются в строгом соответствии с альбомами типовых конструкций. Проверьте габаритные размеры, толщину, расположение и тип монтажных петель, а также наличие и соответствие проекту всех необходимых вырезов и отверстий.
  • Армирование: Конструкция армируется пространственными каркасами и сетками. Уточните класс применяемой арматурной стали (А240С-А400С) и наличие антикоррозионного защитного слоя бетона.
  • Соответствие нормам: Изделие должно изготавливаться в соответствии с требованиями серии 1.090.1-3пв, ГОСТ 11024-84 и ГОСТ 31310-2015.

Рекомендации по подбору и монтажу

При составлении спецификации на панели наружных стен однослойные Серии 1.090.1-3пв обязательно учитывайте архитектурные развертки и схемы раскладки. Каждая панель должна иметь паспорт с указанием марок бетона, отпускной прочности и даты изготовления. Особое внимание уделите проверке монтажных петель – они должны быть свободны от бетонных наплывов и не иметь деформаций.

Монтаж начинайте только после приемки и выверки опорных конструкций. Строповку производите за все предусмотренные петли. При установке панели наружной стены однослойной немедленно проверяйте вертикальность и надежно закрепляйте ее временными связями до выполнения проектных узлов анкеровки к каркасу здания. Герметизацию швов выполняйте только рекомендованными проектом материалами, обеспечивающими долговечность теплового контура.

Ответы экспертов на ваши вопросы

Однослойные панели серии 1.090.1-3пв обладают несколькими ключевыми преимуществами: более высокая долговечность за счет отсутствия межслойных стыков, упрощенная технология монтажа, повышенная ремонтопригодность, лучшая пожарная безопасность и снижение риска конденсатообразования. Они также обеспечивают стабильность теплотехнических характеристик на протяжении всего срока эксплуатации.

Панели серии 1.090.1-3пв изготавливаются из конструкционного легкого бетона с пористыми заполнителями, что обеспечивает требуемое сопротивление теплопередаче (R₀ ≥ 3,15 м²·°C/Вт). Толщина панелей составляет 300-400 мм, что в сочетании с оптимальной плотностью бетона (не более 1200 кг/м³) позволяет достигать нормативных показателей теплозащиты для различных климатических районов.

Монтаж осуществляется с помощью специальных монтажных петель и захватов. Вертикальные стыки выполняются с применением герметизирующих мастик и уплотнительных прокладок, горизонтальные стыки - с опиранием на нижележащие конструкции через растворный шов. Особое внимание уделяется точности установки и качеству заделки стыков для обеспечения воздухо- и водонепроницаемости.

Панели серии 1.090.1-3пв не рекомендуется применять: в зданиях с повышенной влажностью (бани, прачечные), в сейсмических районах с балльностью выше 7, при температуре наружного воздуха ниже -40°C без дополнительного утепления, а также в зданиях высотой более 25 этажей без специальных расчетов.

Долговечность обеспечивается применением бетонов марки по морозостойкости не ниже F75, защитным слоем арматуры не менее 25 мм, а также антикоррозионной обработкой стальных закладных деталей. Ремонтопригодность достигается за счет возможности локального ремонта бетонной поверхности, замены уплотнителей в стыках и восстановления защитно-отделочного покрытия.

Ранее смотрели
Гипсобетонные и шлакобетонные перегородки Серия ИИ 03-04 ПГ 8-13 а (ИИ 03-04)
ПГ 8-13 а (ИИ 03-04)
Гипсобетонные и шлакобетонные перегородки Серия ИИ 03-04
Гипсобетонные и шлакобетонные перегородки Серия ИИ 03-04 ПГ 7-13 а (ИИ 03-04)
ПГ 7-13 а (ИИ 03-04)
Гипсобетонные и шлакобетонные перегородки Серия ИИ 03-04
Гипсобетонные и шлакобетонные перегородки Серия ИИ 03-04 ПГ 6-13 а (ИИ 03-04)
ПГ 6-13 а (ИИ 03-04)
Гипсобетонные и шлакобетонные перегородки Серия ИИ 03-04
Гипсобетонные и шлакобетонные перегородки Серия ИИ 03-04 ПГ 2 а (ИИ 03-04)
ПГ 2 а (ИИ 03-04)
Гипсобетонные и шлакобетонные перегородки Серия ИИ 03-04
Гипсобетонные и шлакобетонные перегородки Серия ИИ 03-04 ПГ 1 а (ИИ 03-04)
ПГ 1 а (ИИ 03-04)
Гипсобетонные и шлакобетонные перегородки Серия ИИ 03-04
ПШ 6 а (ИИ 03-04)
ПШ 6 а (ИИ 03-04)
Гипсобетонные и шлакобетонные перегородки Серия ИИ 03-04
Гипсобетонные и шлакобетонные перегородки Серия ИИ 03-04 ПГ 10-13 а (ИИ 03-04)
ПГ 10-13 а (ИИ 03-04)
Гипсобетонные и шлакобетонные перегородки Серия ИИ 03-04
Гипсобетонные и шлакобетонные перегородки Серия ИИ 03-04 ПШ 4 (ИИ 03-04)
ПШ 4 (ИИ 03-04)
Гипсобетонные и шлакобетонные перегородки Серия ИИ 03-04

Уведомление о файлах cookie

Мы используем файлы cookie для улучшения вашего опыта просмотра и анализа трафика. Нажимая "Принять все", вы соглашаетесь с нашей политикой конфиденциальности и политикой обработки файлов cookie.

Дзен Телеграм Вконтакте vk