mobile_sound +7 (930) 655-55-90

Панели наружных стен однослойные Серия 1.090.1-1/88

Поделиться:
Фильтр по характеристикам
Длина (мм.)
keyboard_arrow_down
мм.
мм.
Ширина (мм.)
keyboard_arrow_down
мм.
мм.
Высота (мм.)
keyboard_arrow_down
мм.
мм.
Вес (кг.)
keyboard_arrow_down
кг.
кг.
Поделиться:

Завод "Бетон365" производит панели наружных стен однослойные серии 1.090.1-1/88 – современное решение для быстрого возведения энергоэффективных ограждающих конструкций. Эти железобетонные изделия выполняют функцию несущих и самонесущих стен, обеспечивая оптимальное распределение нагрузок и сокращение сроков строительства. Соответствие строгим ГОСТам и использование качественных материалов гарантирует долговечность конструкций при любых климатических условиях Северо-Западного региона.

Реализуем панели наружных стен серии 1.090.1-1/88 напрямую от производителя в Москве и МО с доставкой на объект. Привлекательная цена без посредников, технические консультации по монтажу и индивидуальный подход к каждому заказу – наши ключевые преимущества. Чтобы уточнить стоимость и оформить заявку, свяжитесь с нашими специалистами сегодня!

10ПСО 30-33-3,5
Панели наружных стен однослойные Серия 1.090.1-1/88
  • Длина 2990 мм.
  • Ширина 3275 мм.
  • Высота 350 мм.
  • Вес 2930 кг.
  • Объем бетона 1,861 м3
  • Геометрический объем 3,4273 м3
Цена: 63181 руб.
Подробнее
10ПСО 30-33-3,5 пт
Панели наружных стен однослойные Серия 1.090.1-1/88
  • Длина 2990 мм.
  • Ширина 3275 мм.
  • Высота 350 мм.
  • Вес 2890 кг.
  • Объем бетона 1,5 м3
  • Геометрический объем 3,4273 м3
Цена: 50925 руб.
Подробнее
10ПСО 30-33-4,0
Панели наружных стен однослойные Серия 1.090.1-1/88
  • Длина 2990 мм.
  • Ширина 3275 мм.
  • Высота 400 мм.
  • Вес 3280 кг.
  • Объем бетона 2,145 м3
  • Геометрический объем 3,9169 м3
Цена: 72823 руб.
Подробнее
1ПС 11-33-3,5
Панели наружных стен однослойные Серия 1.090.1-1/88
  • Длина 1100 мм.
  • Ширина 3275 мм.
  • Высота 350 мм.
  • Вес 1480 кг.
  • Объем бетона 1,025 м3
  • Геометрический объем 1,2609 м3
Цена: 34799 руб.
Подробнее
10ПСО 30-33-4,0 пт
Панели наружных стен однослойные Серия 1.090.1-1/88
  • Длина 2990 мм.
  • Ширина 3275 мм.
  • Высота 400 мм.
  • Вес 3150 кг.
  • Объем бетона 1,66 м3
  • Геометрический объем 3,9169 м3
Цена: 56357 руб.
Подробнее
1ПС 11-33-3,5 пт
Панели наружных стен однослойные Серия 1.090.1-1/88
  • Длина 1100 мм.
  • Ширина 3275 мм.
  • Высота 350 мм.
  • Вес 1480 кг.
  • Объем бетона 1,025 м3
  • Геометрический объем 1,2609 м3
Цена: 34799 руб.
Подробнее
1ПС 11-33-4,0 пт
Панели наружных стен однослойные Серия 1.090.1-1/88
  • Длина 1100 мм.
  • Ширина 3275 мм.
  • Высота 400 мм.
  • Вес 1560 кг.
  • Объем бетона 0,888 м3
  • Геометрический объем 1,441 м3
Цена: 30148 руб.
Подробнее
1ПС 11-33-4,0
Панели наружных стен однослойные Серия 1.090.1-1/88
  • Длина 1100 мм.
  • Ширина 3275 мм.
  • Высота 400 мм.
  • Вес 1560 кг.
  • Объем бетона 0,888 м3
  • Геометрический объем 1,441 м3
Цена: 30148 руб.
Подробнее
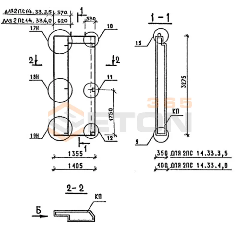
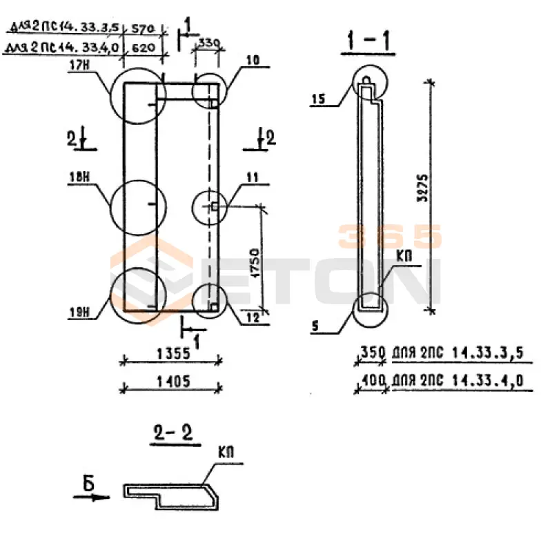
1ПС 14-33-3,5
Панели наружных стен однослойные Серия 1.090.1-1/88
  • Длина 1405 мм.
  • Ширина 3275 мм.
  • Высота 350 мм.
  • Вес 1610 кг.
  • Объем бетона 1,106 м3
  • Геометрический объем 1,6105 м3
Цена: 37549 руб.
Подробнее
1ПС 14-33-3,5 пт
Панели наружных стен однослойные Серия 1.090.1-1/88
  • Длина 1405 мм.
  • Ширина 3275 мм.
  • Высота 350 мм.
  • Вес 1610 кг.
  • Объем бетона 1,106 м3
  • Геометрический объем 1,6105 м3
Цена: 37549 руб.
Подробнее
1ПС 14-33-4,0
Панели наружных стен однослойные Серия 1.090.1-1/88
  • Длина 1405 мм.
  • Ширина 3275 мм.
  • Высота 400 мм.
  • Вес 1820 кг.
  • Объем бетона 1,272 м3
  • Геометрический объем 1,8405 м3
Цена: 43184 руб.
Подробнее
1ПС 14-33-4,0 пт
Панели наружных стен однослойные Серия 1.090.1-1/88
  • Длина 1405 мм.
  • Ширина 3275 мм.
  • Высота 400 мм.
  • Вес 1820 кг.
  • Объем бетона 1,272 м3
  • Геометрический объем 1,8405 м3
Цена: 43184 руб.
Подробнее
1ПС 15-33-3,5
Панели наружных стен однослойные Серия 1.090.1-1/88
  • Длина 1495 мм.
  • Ширина 3275 мм.
  • Высота 350 мм.
  • Вес 1740 кг.
  • Объем бетона 1,197 м3
  • Геометрический объем 1,7136 м3
Цена: 40638 руб.
Подробнее
1ПС 15-33-4,0 пт
Панели наружных стен однослойные Серия 1.090.1-1/88
  • Длина 1495 мм.
  • Ширина 400 мм.
  • Высота 3275 мм.
  • Вес 1880 кг.
  • Объем бетона 1,18 м3
  • Геометрический объем 1,9585 м3
Цена: 40061 руб.
Подробнее
1ПС 15-33-3,5 пт
Панели наружных стен однослойные Серия 1.090.1-1/88
  • Длина 1445 мм.
  • Ширина 350 мм.
  • Высота 3275 мм.
  • Вес 1710 кг.
  • Объем бетона 1,07 м3
  • Геометрический объем 1,6563 м3
Цена: 36327 руб.
Подробнее
1ПС 15-33-4,0
Панели наружных стен однослойные Серия 1.090.1-1/88
  • Длина 1495 мм.
  • Ширина 3275 мм.
  • Высота 400 мм.
  • Вес 1970 кг.
  • Объем бетона 1,378 м3
  • Геометрический объем 1,9585 м3
Цена: 46783 руб.
Подробнее
1ПС 17-33-3,5
Панели наружных стен однослойные Серия 1.090.1-1/88
  • Длина 1700 мм.
  • Ширина 3275 мм.
  • Высота 350 мм.
  • Вес 2350 кг.
  • Объем бетона 1,631 м3
  • Геометрический объем 1,9486 м3
Цена: 55372 руб.
Подробнее
1ПС 17-33-3,5 пт
Панели наружных стен однослойные Серия 1.090.1-1/88
  • Длина 1700 мм.
  • Ширина 3275 мм.
  • Высота 350 мм.
  • Вес 2350 кг.
  • Объем бетона 1,631 м3
  • Геометрический объем 1,9486 м3
Цена: 55372 руб.
Подробнее
1ПС 17-33-4,0
Панели наружных стен однослойные Серия 1.090.1-1/88
  • Длина 1700 мм.
  • Ширина 3275 мм.
  • Высота 400 мм.
  • Вес 2640 кг.
  • Объем бетона 1,868 м3
  • Геометрический объем 2,227 м3
Цена: 63419 руб.
Подробнее
1ПС 17-33-4,0 пт
Панели наружных стен однослойные Серия 1.090.1-1/88
  • Длина 1700 мм.
  • Ширина 3275 мм.
  • Высота 400 мм.
  • Вес 2420 кг.
  • Объем бетона 1,373 м3
  • Геометрический объем 2,227 м3
Цена: 46613 руб.
Подробнее
1ПС 21-33-3,5 пт
Панели наружных стен однослойные Серия 1.090.1-1/88
  • Длина 2095 мм.
  • Ширина 3275 мм.
  • Высота 350 мм.
  • Вес 2620 кг.
  • Объем бетона 1,803 м3
  • Геометрический объем 2,4014 м3
Цена: 61212 руб.
Подробнее
1ПС 21-33-3,5
Панели наружных стен однослойные Серия 1.090.1-1/88
  • Длина 2095 мм.
  • Ширина 3275 мм.
  • Высота 350 мм.
  • Вес 2620 кг.
  • Объем бетона 1,803 м3
  • Геометрический объем 2,4014 м3
Цена: 61212 руб.
Подробнее
1ПС 21-33-4,0
Панели наружных стен однослойные Серия 1.090.1-1/88
  • Длина 2095 мм.
  • Ширина 3275 мм.
  • Высота 400 мм.
  • Вес 2960 кг.
  • Объем бетона 2,082 м3
  • Геометрический объем 2,7445 м3
Цена: 70684 руб.
Подробнее
1ПС 21-33-4,0 пт
Панели наружных стен однослойные Серия 1.090.1-1/88
  • Длина 2095 мм.
  • Ширина 3275 мм.
  • Высота 400 мм.
  • Вес 2960 кг.
  • Объем бетона 2,082 м3
  • Геометрический объем 2,7445 м3
Цена: 70684 руб.
Подробнее
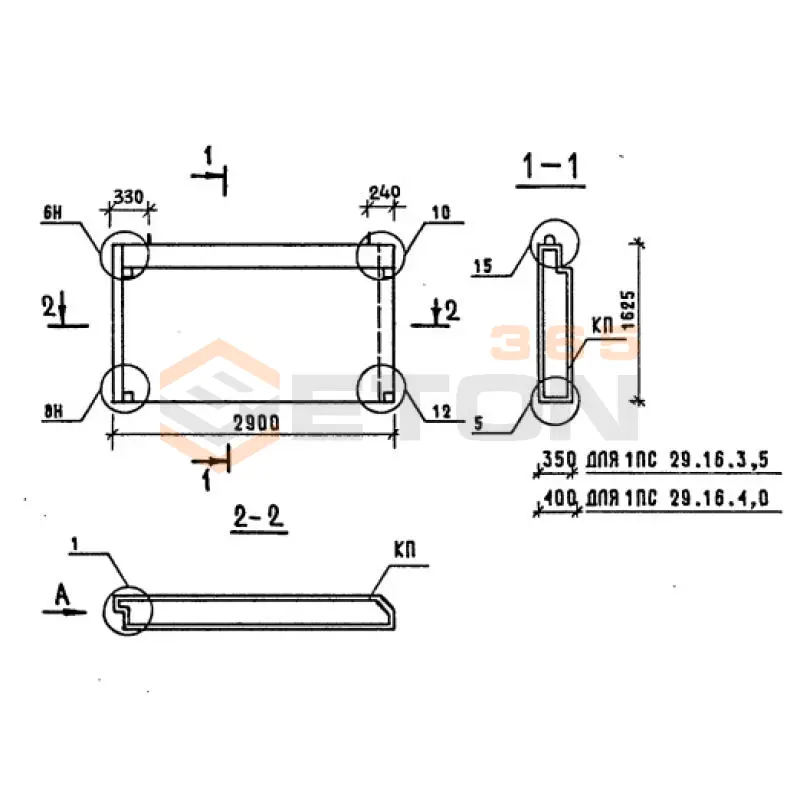
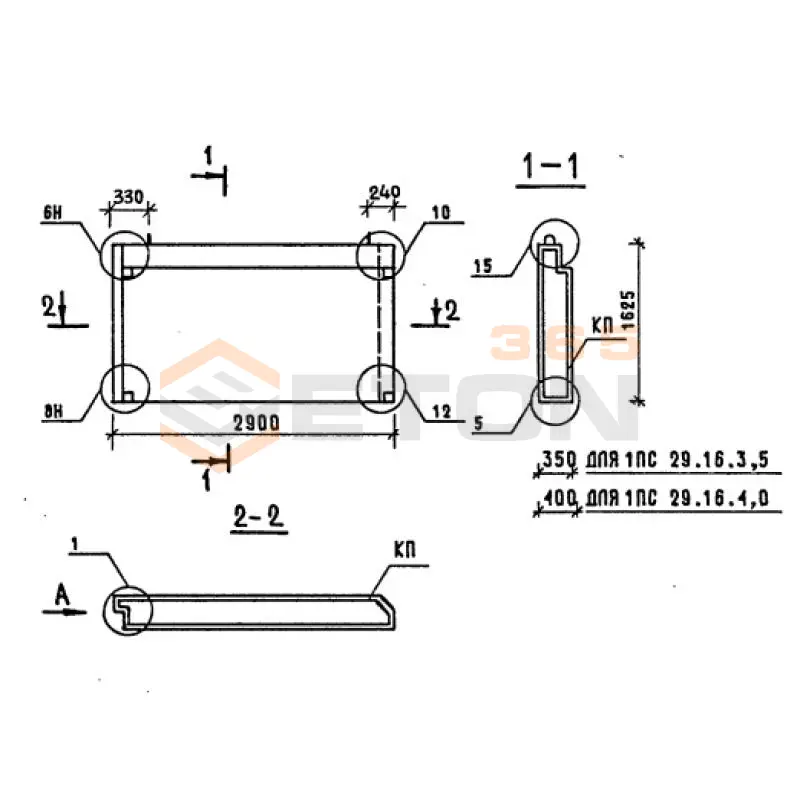
1ПС 29-16-3,5
Панели наружных стен однослойные Серия 1.090.1-1/88
  • Длина 2900 мм.
  • Ширина 1625 мм.
  • Высота 350 мм.
  • Вес 1990 кг.
  • Объем бетона 1,379 м3
  • Геометрический объем 1,6494 м3
Цена: 46817 руб.
Подробнее
1ПС 29-16-3,5 пт
Панели наружных стен однослойные Серия 1.090.1-1/88
  • Длина 2900 мм.
  • Ширина 1625 мм.
  • Высота 350 мм.
  • Вес 1990 кг.
  • Объем бетона 1,379 м3
  • Геометрический объем 1,6494 м3
Цена: 46817 руб.
Подробнее
1ПС 29-16-4,0
Панели наружных стен однослойные Серия 1.090.1-1/88
  • Длина 2900 мм.
  • Ширина 1625 мм.
  • Высота 400 мм.
  • Вес 2250 кг.
  • Объем бетона 1,594 м3
  • Геометрический объем 1,885 м3
Цена: 54116 руб.
Подробнее
1ПС 29-33-3,5
Панели наружных стен однослойные Серия 1.090.1-1/88
  • Длина 2900 мм.
  • Ширина 3275 мм.
  • Высота 350 мм.
  • Вес 4090 кг.
  • Объем бетона 2,843 м3
  • Геометрический объем 3,3241 м3
Цена: 96520 руб.
Подробнее
1ПС 29-16-4,0 пт
Панели наружных стен однослойные Серия 1.090.1-1/88
  • Длина 2900 мм.
  • Ширина 1625 мм.
  • Высота 400 мм.
  • Вес 2250 кг.
  • Объем бетона 1,594 м3
  • Геометрический объем 1,885 м3
Цена: 54116 руб.
Подробнее
1ПС 29-33-3,5 пт
Панели наружных стен однослойные Серия 1.090.1-1/88
  • Длина 2900 мм.
  • Ширина 3275 мм.
  • Высота 350 мм.
  • Вес 3930 кг.
  • Объем бетона 2,213 м3
  • Геометрический объем 3,3241 м3
Цена: 75131 руб.
Подробнее
1ПС 29-33-4,0
Панели наружных стен однослойные Серия 1.090.1-1/88
  • Длина 2900 мм.
  • Ширина 3275 мм.
  • Высота 400 мм.
  • Вес 4620 кг.
  • Объем бетона 3,276 м3
  • Геометрический объем 3,799 м3
Цена: 111220 руб.
Подробнее
1ПС 29-33-4,0 пт
Панели наружных стен однослойные Серия 1.090.1-1/88
  • Длина 2900 мм.
  • Ширина 3275 мм.
  • Высота 400 мм.
  • Вес 4120 кг.
  • Объем бетона 2,329 м3
  • Геометрический объем 3,799 м3
Цена: 79070 руб.
Подробнее
1ПС 33-33-3,5
Панели наружных стен однослойные Серия 1.090.1-1/88
  • Длина 3295 мм.
  • Ширина 3275 мм.
  • Высота 350 мм.
  • Вес 4360 кг.
  • Объем бетона 3,015 м3
  • Геометрический объем 3,7769 м3
Цена: 102359 руб.
Подробнее
1ПС 33-33-3,5 пт
Панели наружных стен однослойные Серия 1.090.1-1/88
  • Длина 3295 мм.
  • Ширина 3275 мм.
  • Высота 350 мм.
  • Вес 4360 кг.
  • Объем бетона 3,015 м3
  • Геометрический объем 3,7769 м3
Цена: 102359 руб.
Подробнее
1ПС 33-33-4,0
Панели наружных стен однослойные Серия 1.090.1-1/88
  • Длина 3295 мм.
  • Ширина 3275 мм.
  • Высота 400 мм.
  • Вес 4950 кг.
  • Объем бетона 3,49 м3
  • Геометрический объем 4,3164 м3
Цена: 118486 руб.
Подробнее
1ПСД 28-33-3,5
Панели наружных стен однослойные Серия 1.090.1-1/88
  • Длина 2810 мм.
  • Ширина 3275 мм.
  • Высота 350 мм.
  • Вес 1290 кг.
  • Объем бетона 0,889 м3
  • Геометрический объем 3,221 м3
Цена: 30182 руб.
Подробнее
1ПС 33-33-4,0 пт
Панели наружных стен однослойные Серия 1.090.1-1/88
  • Длина 3295 мм.
  • Ширина 3275 мм.
  • Высота 400 мм.
  • Вес 4430 кг.
  • Объем бетона 2,498 м3
  • Геометрический объем 4,3164 м3
Цена: 84807 руб.
Подробнее
1ПСД 28-33-3,5 пт
Панели наружных стен однослойные Серия 1.090.1-1/88
  • Длина 2810 мм.
  • Ширина 3275 мм.
  • Высота 350 мм.
  • Вес 1490 кг.
  • Объем бетона 0,858 м3
  • Геометрический объем 3,221 м3
Цена: 29129 руб.
Подробнее
1ПСД 28-33-4,0
Панели наружных стен однослойные Серия 1.090.1-1/88
  • Длина 2810 мм.
  • Ширина 3275 мм.
  • Высота 400 мм.
  • Вес 1400 кг.
  • Объем бетона 0,994 м3
  • Геометрический объем 3,6811 м3
Цена: 33746 руб.
Подробнее
1ПСД 29-33-3,5
Панели наружных стен однослойные Серия 1.090.1-1/88
  • Длина 2900 мм.
  • Ширина 3275 мм.
  • Высота 350 мм.
  • Вес 1400 кг.
  • Объем бетона 0,956 м3
  • Геометрический объем 3,3241 м3
Цена: 32456 руб.
Подробнее
1ПСД 28-33-4,0 пт
Панели наружных стен однослойные Серия 1.090.1-1/88
  • Длина 2810 мм.
  • Ширина 3275 мм.
  • Высота 400 мм.
  • Вес 1610 кг.
  • Объем бетона 0,945 м3
  • Геометрический объем 3,6811 м3
Цена: 32083 руб.
Подробнее
1ПСД 29-33-3,5 пт
Панели наружных стен однослойные Серия 1.090.1-1/88
  • Длина 2900 мм.
  • Ширина 3275 мм.
  • Высота 350 мм.
  • Вес 1570 кг.
  • Объем бетона 0,896 м3
  • Геометрический объем 3,3241 м3
Цена: 30419 руб.
Подробнее
1ПСД 29-33-4,0
Панели наружных стен однослойные Серия 1.090.1-1/88
  • Длина 2900 мм.
  • Ширина 3275 мм.
  • Высота 400 мм.
  • Вес 1550 кг.
  • Объем бетона 1,084 м3
  • Геометрический объем 3,799 м3
Цена: 36802 руб.
Подробнее
1ПСД 29-33-4,0 пт
Панели наружных стен однослойные Серия 1.090.1-1/88
  • Длина 2900 мм.
  • Ширина 3275 мм.
  • Высота 400 мм.
  • Вес 1740 кг.
  • Объем бетона 1,007 м3
  • Геометрический объем 3,799 м3
Цена: 34188 руб.
Подробнее
1ПСЛ 29-33-3,5
Панели наружных стен однослойные Серия 1.090.1-1/88
  • Длина 2900 мм.
  • Ширина 3275 мм.
  • Высота 350 мм.
  • Вес 2820 кг.
  • Объем бетона 1,801 м3
  • Геометрический объем 3,3241 м3
Цена: 61144 руб.
Подробнее
1ПСЛ 29-33-3,5 пт
Панели наружных стен однослойные Серия 1.090.1-1/88
  • Длина 2900 мм.
  • Ширина 3275 мм.
  • Высота 350 мм.
  • Вес 2820 кг.
  • Объем бетона 1,801 м3
  • Геометрический объем 3,3241 м3
Цена: 61144 руб.
Подробнее
1ПСЛ 29-33-4,0
Панели наружных стен однослойные Серия 1.090.1-1/88
  • Длина 2900 мм.
  • Ширина 3275 мм.
  • Высота 400 мм.
  • Вес 3140 кг.
  • Объем бетона 2,062 м3
  • Геометрический объем 3,799 м3
Цена: 70005 руб.
Подробнее
2ПС 11-33-3,5
Панели наружных стен однослойные Серия 1.090.1-1/88
  • Длина 1100 мм.
  • Ширина 3275 мм.
  • Высота 350 мм.
  • Вес 1480 кг.
  • Объем бетона 1,025 м3
  • Геометрический объем 1,2609 м3
Цена: 34799 руб.
Подробнее
1ПСЛ 29-33-4,0 пт
Панели наружных стен однослойные Серия 1.090.1-1/88
  • Длина 2900 мм.
  • Ширина 3275 мм.
  • Высота 400 мм.
  • Вес 3140 кг.
  • Объем бетона 2,062 м3
  • Геометрический объем 3,799 м3
Цена: 70005 руб.
Подробнее
2ПС 11-33-3,5 пт
Панели наружных стен однослойные Серия 1.090.1-1/88
  • Длина 1100 мм.
  • Ширина 3275 мм.
  • Высота 350 мм.
  • Вес 1480 кг.
  • Объем бетона 1,025 м3
  • Геометрический объем 1,2609 м3
Цена: 34799 руб.
Подробнее
2ПС 11-33-4,0 пт
Панели наружных стен однослойные Серия 1.090.1-1/88
  • Длина 1100 мм.
  • Ширина 3275 мм.
  • Высота 400 мм.
  • Вес 1560 кг.
  • Объем бетона 0,888 м3
  • Геометрический объем 1,441 м3
Цена: 30148 руб.
Подробнее
2ПС 11-33-4,0
Панели наружных стен однослойные Серия 1.090.1-1/88
  • Длина 1100 мм.
  • Ширина 3275 мм.
  • Высота 400 мм.
  • Вес 1560 кг.
  • Объем бетона 0,888 м3
  • Геометрический объем 1,441 м3
Цена: 30148 руб.
Подробнее
2ПС 14-33-3,5
Панели наружных стен однослойные Серия 1.090.1-1/88
  • Длина 1405 мм.
  • Ширина 3275 мм.
  • Высота 350 мм.
  • Вес 1610 кг.
  • Объем бетона 1,106 м3
  • Геометрический объем 1,6105 м3
Цена: 37549 руб.
Подробнее
2ПС 14-33-3,5 пт
Панели наружных стен однослойные Серия 1.090.1-1/88
  • Длина 1405 мм.
  • Ширина 3275 мм.
  • Высота 350 мм.
  • Вес 1610 кг.
  • Объем бетона 1,106 м3
  • Геометрический объем 1,6105 м3
Цена: 37549 руб.
Подробнее
2ПС 14-33-4,0 пт
Панели наружных стен однослойные Серия 1.090.1-1/88
  • Длина 1405 мм.
  • Ширина 3275 мм.
  • Высота 400 мм.
  • Вес 1820 кг.
  • Объем бетона 1,272 м3
  • Геометрический объем 1,8405 м3
Цена: 43184 руб.
Подробнее
2ПС 15-33-4,0
Панели наружных стен однослойные Серия 1.090.1-1/88
  • Длина 1495 мм.
  • Ширина 3275 мм.
  • Высота 400 мм.
  • Вес 1970 кг.
  • Объем бетона 1,378 м3
  • Геометрический объем 1,9585 м3
Цена: 46783 руб.
Подробнее
2ПС 15-33-3,5 пт
Панели наружных стен однослойные Серия 1.090.1-1/88
  • Длина 1495 мм.
  • Ширина 3275 мм.
  • Высота 350 мм.
  • Вес 1740 кг.
  • Объем бетона 1,197 м3
  • Геометрический объем 1,7136 м3
Цена: 40638 руб.
Подробнее
2ПС 15-33-3,5
Панели наружных стен однослойные Серия 1.090.1-1/88
  • Длина 1495 мм.
  • Ширина 3275 мм.
  • Высота 350 мм.
  • Вес 1740 кг.
  • Объем бетона 1,197 м3
  • Геометрический объем 1,7136 м3
Цена: 40638 руб.
Подробнее
2ПС 14-33-4,0
Панели наружных стен однослойные Серия 1.090.1-1/88
  • Длина 1405 мм.
  • Ширина 3275 мм.
  • Высота 400 мм.
  • Вес 1820 кг.
  • Объем бетона 1,272 м3
  • Геометрический объем 1,8405 м3
Цена: 43184 руб.
Подробнее
2ПС 15-33-4,0 пт
Панели наружных стен однослойные Серия 1.090.1-1/88
  • Длина 1495 мм.
  • Ширина 3275 мм.
  • Высота 400 мм.
  • Вес 1970 кг.
  • Объем бетона 1,378 м3
  • Геометрический объем 1,9585 м3
Цена: 46783 руб.
Подробнее

Как правильно выбрать - Панели наружных стен однослойные Серия 1.090.1-1/88

Панели наружных стен однослойные Серия 1.090.1-1/88 предназначены для возведения несущих и самонесущих ограждающих конструкций в жилых, общественных и промышленных зданиях. Они выполняют ключевую функцию по обеспечению теплозащиты и несущей способности стен. Долговечность и энергоэффективность здания в значительной степени определяются грамотным подбором параметров этих панелей наружных стен в соответствии с проектными решениями и климатическими условиями региона.

Критерии выбора

  • Марка и характеристики бетона: Для панелей Серии 1.090.1-1/88 применяется легкий или конструктивный легкий бетон на пористых заполнителях. Ключевые показатели: прочность на сжатие (В15-В25), морозостойкость не ниже F75-F100 и водонепроницаемость W4-W6 в зависимости от этажности и агрессивности среды.
  • Теплотехнические свойства: Основной критерий – приведенное сопротивление теплопередаче, которое должно соответствовать требованиям СП 50.13330 для конкретной климатической зоны.
  • Типоразмеры и конфигурация: Необходимо сверять габаритные размеры, толщину и схему раскладки согласно рабочим чертежам. Панели наружных стен этой серии могут быть рядовыми, угловыми и доборными, с проемами и без.
  • Арматура и закладные детали: Проверяйте класс арматурной стали (А240-А400), расположение и тип закладных деталей (для соединения с каркасом здания и между собой), а также наличие и правильность установки монтажных петель.
  • Соответствие нормам: Изделие должно изготавливаться в строгом соответствии с требованиями серии 1.090.1-1/88 и ГОСТ 11024-84.

Рекомендации по подбору и монтажу

При составлении спецификации на панели наружных стен однослойные Серии 1.090.1-1/88 обязательно указывайте не только типоразмер, но и марку бетона по морозостойкости и водонепроницаемости, особенно для цокольных этажей и зданий с влажным режимом эксплуатации. Требуйте паспорт качества на каждую партию, где указаны фактические прочностные и теплофизические показатели.

На стадии монтажа критически важно обеспечить герметизацию вертикальных и горизонтальных швов специальными уплотнительными материалами (герниты, мастики), предусмотренными проектом. Неправильная заделка швов – основная причина потерь тепла и промерзания стен. Перед установкой проверьте чистоту опорных поверхностей и точность расположения закладных деталей для корректного соединения с каркасом.

Ответы экспертов на ваши вопросы

Однослойные панели серии 1.090.1-1/88 обладают следующими преимуществами: повышенная долговечность за счет отсутствия стыков между слоями, упрощенная технология монтажа, лучшая ремонтопригодность, высокая однородность физико-технических характеристик по всей толщине изделия, а также снижение риска образования конденсата в толще конструкции.

Панели серии 1.090.1-1/88 проектировались в соответствии с действовавшими на момент разработки серии нормами тепловой защиты зданий. Для соответствия современным требованиям по энергоэффективности часто требуется дополнительное утепление фасада, так как сопротивление теплопередаче базовой конструкции может не удовлетворять актуальным нормативам.

Конструкция панелей предусматривает систему замковых соединений и монтажных петель для безопасной установки. Стыки между панелями выполняются с применением специальных уплотнителей и герметиков, обеспечивающих требуемую воздухо- и водонепроницаемость. Важно соблюдать проектные решения по армированию и замоноличиванию стыков.

Панели серии 1.090.1-1/88 предназначены для использования в несущих и самонесущих стенах зданий высотой до 25 этажей (в зависимости от расчетной схемы здания). Несущая способность определяется маркой бетона и схемой армирования, при этом необходимо учитывать ветровые и температурные воздействия, а также собственный вес панелей и нагрузки от вышележащих конструкций.

Эксплуатация требует регулярного контроля состояния фасадных поверхностей и стыков между панелями. Наиболее характерные проблемы: появление трещин, выветривание бетона, коррозия арматуры. Ремонт включает заделку трещин, восстановление защитного слоя бетона, при необходимости - усиление конструкции. Важно использовать ремонтные составы, совместимые с бетоном панелей.

Ранее смотрели
Гипсобетонные и шлакобетонные перегородки Серия ИИ 03-04 ПГ 3 а (ИИ 03-04)
ПГ 3 а (ИИ 03-04)
Гипсобетонные и шлакобетонные перегородки Серия ИИ 03-04

Уведомление о файлах cookie

Мы используем файлы cookie для улучшения вашего опыта просмотра и анализа трафика. Нажимая "Принять все", вы соглашаетесь с нашей политикой конфиденциальности и политикой обработки файлов cookie.

Дзен Телеграм Вконтакте vk