mobile_sound +7 (930) 655-55-90

Панели наружных цокольных стен Серия 1.100.1-7

Поделиться:
Фильтр по характеристикам
Длина (мм.)
keyboard_arrow_down
мм.
мм.
Ширина (мм.)
keyboard_arrow_down
мм.
мм.
Высота (мм.)
keyboard_arrow_down
мм.
мм.
Вес (кг.)
keyboard_arrow_down
кг.
кг.
Поделиться:

Завод "Бетон365" производит панели наружных цокольных стен Серия 1.100.1-7 – ключевые элементы для формирования прочного и долговечного цокольного этажа зданий различного назначения. Эти железобетонные конструкции изготавливаются в строгом соответствии с ГОСТ, обеспечивая оптимальное распределение нагрузок и повышенную устойчивость к внешним воздействиям. Применение готовых панелей позволяет значительно сократить сроки монтажа и создать надежную основу для последующих строительных работ.

Мы реализуем панели наружных цокольных стен напрямую от производителя в Москве и МО по конкурентной цене, что гарантирует выгодные условия для наших клиентов. Предлагаем купить качественные ЖБИ с доставкой на объект и профессиональными консультациями по выбору продукции. Все изделия сопровождаются сертификатами качества – обращайтесь для расчета вашего заказа!

1НЦ 15-22-30-150 л
Панели наружных цокольных стен Серия 1.100.1-7
  • Длина 1480 мм.
  • Ширина 300 мм.
  • Высота 2150 мм.
  • Вес 1410 кг.
  • Объем бетона 0,73 м3
  • Геометрический объем 0,9546 м3
Цена: 24784 руб.
Подробнее
1НЦ 15-22-35-150 л
Панели наружных цокольных стен Серия 1.100.1-7
  • Длина 1480 мм.
  • Ширина 350 мм.
  • Высота 2150 мм.
  • Вес 1660 кг.
  • Объем бетона 0,87 м3
  • Геометрический объем 1,1137 м3
Цена: 29537 руб.
Подробнее
1НЦ 27-22-35-150 л
Панели наружных цокольных стен Серия 1.100.1-7
  • Длина 2710 мм.
  • Ширина 350 мм.
  • Высота 2150 мм.
  • Вес 3290 кг.
  • Объем бетона 1,73 м3
  • Геометрический объем 2,0393 м3
Цена: 58734 руб.
Подробнее
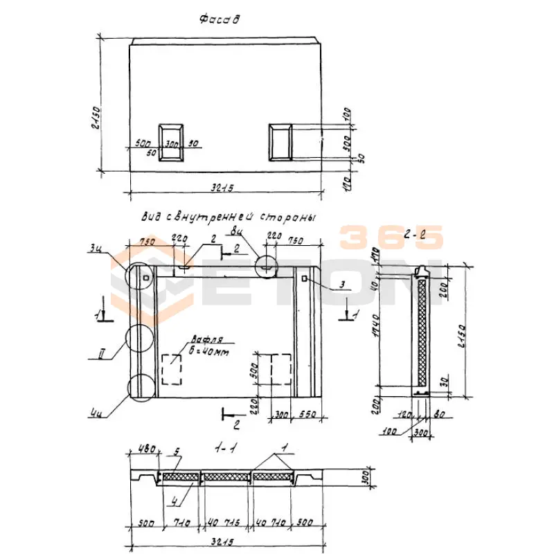
1НЦ 30-10-50-150 л
Панели наружных цокольных стен Серия 1.100.1-7
  • Длина 2990 мм.
  • Ширина 500 мм.
  • Высота 1040 мм.
  • Вес 2130 кг.
  • Объем бетона 1,25 м3
  • Геометрический объем 1,5548 м3
Цена: 42438 руб.
Подробнее
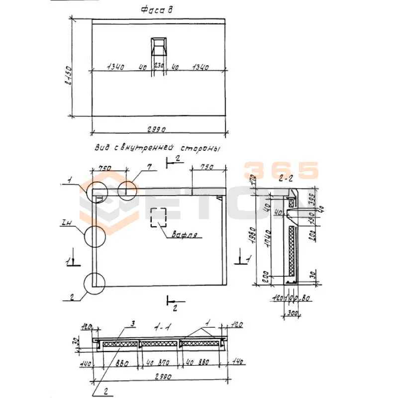
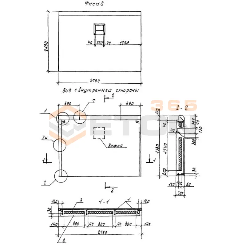
1НЦ 28-22-30-150 л
Панели наружных цокольных стен Серия 1.100.1-7
  • Длина 2760 мм.
  • Ширина 300 мм.
  • Высота 2150 мм.
  • Вес 2850 кг.
  • Объем бетона 1,53 м3
  • Геометрический объем 1,7802 м3
Цена: 51944 руб.
Подробнее
1НЦ 30-10-45-150 л
Панели наружных цокольных стен Серия 1.100.1-7
  • Длина 2990 мм.
  • Ширина 450 мм.
  • Высота 1040 мм.
  • Вес 1860 кг.
  • Объем бетона 1,09 м3
  • Геометрический объем 1,3993 м3
Цена: 37006 руб.
Подробнее
1НЦ 30-20-30-150 л
Панели наружных цокольных стен Серия 1.100.1-7
  • Длина 2990 мм.
  • Ширина 300 мм.
  • Высота 1980 мм.
  • Вес 2930 кг.
  • Объем бетона 1,58 м3
  • Геометрический объем 1,7761 м3
Цена: 53641 руб.
Подробнее
1НЦ 30-20-35-150 л
Панели наружных цокольных стен Серия 1.100.1-7
  • Длина 2990 мм.
  • Ширина 350 мм.
  • Высота 1980 мм.
  • Вес 3460 кг.
  • Объем бетона 1,89 м3
  • Геометрический объем 2,0721 м3
Цена: 64166 руб.
Подробнее
1НЦ 30-22-30-150 л
Панели наружных цокольных стен Серия 1.100.1-7
  • Длина 2990 мм.
  • Ширина 300 мм.
  • Высота 2150 мм.
  • Вес 3090 кг.
  • Объем бетона 1,66 м3
  • Геометрический объем 1,9285 м3
Цена: 56357 руб.
Подробнее
1НЦ 30-22-35-150 л
Панели наружных цокольных стен Серия 1.100.1-7
  • Длина 2990 мм.
  • Ширина 350 мм.
  • Высота 2150 мм.
  • Вес 3630 кг.
  • Объем бетона 1,98 м3
  • Геометрический объем 2,25 м3
Цена: 67221 руб.
Подробнее
1НЦ 33-22-35-150 л
Панели наружных цокольных стен Серия 1.100.1-7
  • Длина 3266 мм.
  • Ширина 350 мм.
  • Высота 2150 мм.
  • Вес 3710 кг.
  • Объем бетона 1,99 м3
  • Геометрический объем 2,4577 м3
Цена: 67561 руб.
Подробнее
1НЦ 32-22-30-150 л
Панели наружных цокольных стен Серия 1.100.1-7
  • Длина 3215 мм.
  • Ширина 300 мм.
  • Высота 2150 мм.
  • Вес 3140 кг.
  • Объем бетона 1,66 м3
  • Геометрический объем 2,0737 м3
Цена: 56357 руб.
Подробнее
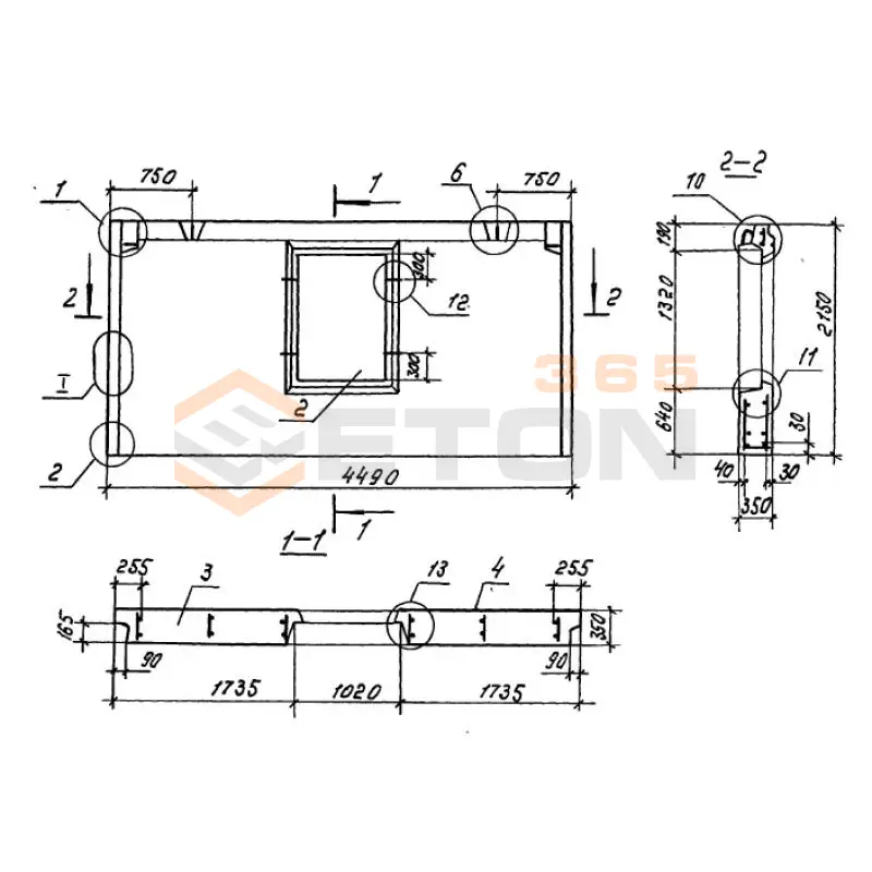
1НЦ 45-20-30-150 л
Панели наружных цокольных стен Серия 1.100.1-7
  • Длина 4490 мм.
  • Ширина 300 мм.
  • Высота 1980 мм.
  • Вес 4410 кг.
  • Объем бетона 2,39 м3
  • Геометрический объем 2,6671 м3
Цена: 81141 руб.
Подробнее
1НЦ 45-20-35-150 л
Панели наружных цокольных стен Серия 1.100.1-7
  • Длина 4490 мм.
  • Ширина 350 мм.
  • Высота 1980 мм.
  • Вес 5160 кг.
  • Объем бетона 2,82 м3
  • Геометрический объем 3,1116 м3
Цена: 95739 руб.
Подробнее
1НЦ 38-22-35-150 л
Панели наружных цокольных стен Серия 1.100.1-7
  • Длина 3780 мм.
  • Ширина 350 мм.
  • Высота 2150 мм.
  • Вес 4610 кг.
  • Объем бетона 2,52 м3
  • Геометрический объем 2,8445 м3
Цена: 85554 руб.
Подробнее
1НЦ 38-22-30-150 л
Панели наружных цокольных стен Серия 1.100.1-7
  • Длина 3760 мм.
  • Ширина 300 мм.
  • Высота 2150 мм.
  • Вес 3860 кг.
  • Объем бетона 2,08 м3
  • Геометрический объем 2,4252 м3
Цена: 70616 руб.
Подробнее
1НЦ 45-22-30-150 л-1
Панели наружных цокольных стен Серия 1.100.1-7
  • Длина 4490 мм.
  • Ширина 300 мм.
  • Высота 2150 мм.
  • Вес 4070 кг.
  • Объем бетона 2,16 м3
  • Геометрический объем 2,896 м3
Цена: 73332 руб.
Подробнее
1НЦ 45-22-30-150 л
Панели наружных цокольных стен Серия 1.100.1-7
  • Длина 4490 мм.
  • Ширина 300 мм.
  • Высота 2150 мм.
  • Вес 4660 кг.
  • Объем бетона 2,51 м3
  • Геометрический объем 2,896 м3
Цена: 85215 руб.
Подробнее
1НЦ 45-22-35-150 л
Панели наружных цокольных стен Серия 1.100.1-7
  • Длина 4490 мм.
  • Ширина 350 мм.
  • Высота 2150 мм.
  • Вес 5470 кг.
  • Объем бетона 2,99 м3
  • Геометрический объем 3,3787 м3
Цена: 101511 руб.
Подробнее
1НЦ 45-22-35-150 л-1
Панели наружных цокольных стен Серия 1.100.1-7
  • Длина 4490 мм.
  • Ширина 350 мм.
  • Высота 2150 мм.
  • Вес 4800 кг.
  • Объем бетона 2,59 м3
  • Геометрический объем 3,3787 м3
Цена: 87931 руб.
Подробнее
1НЦ 47-22-30-150 л
Панели наружных цокольных стен Серия 1.100.1-7
  • Длина 4715 мм.
  • Ширина 300 мм.
  • Высота 2150 мм.
  • Вес 4770 кг.
  • Объем бетона 2,54 м3
  • Геометрический объем 3,0412 м3
Цена: 86233 руб.
Подробнее
3НЦ 15-22-30-200 т
Панели наружных цокольных стен Серия 1.100.1-7
  • Длина 1480 мм.
  • Ширина 300 мм.
  • Высота 2150 мм.
  • Вес 1380 кг.
  • Объем бетона 0,55 м3
  • Геометрический объем 0,9546 м3
Цена: 18673 руб.
Подробнее
1НЦ 48-22-35-150 л
Панели наружных цокольных стен Серия 1.100.1-7
  • Длина 4765 мм.
  • Ширина 350 мм.
  • Высота 2150 мм.
  • Вес 5600 кг.
  • Объем бетона 3,03 м3
  • Геометрический объем 3,5857 м3
Цена: 102869 руб.
Подробнее
3НЦ 30-10-50-200 т
Панели наружных цокольных стен Серия 1.100.1-7
  • Длина 2990 мм.
  • Ширина 500 мм.
  • Высота 1040 мм.
  • Вес 2540 кг.
  • Объем бетона 1,01 м3
  • Геометрический объем 1,5548 м3
Цена: 34290 руб.
Подробнее
3НЦ 28-22-30-200 т
Панели наружных цокольных стен Серия 1.100.1-7
  • Длина 2760 мм.
  • Ширина 300 мм.
  • Высота 2150 мм.
  • Вес 2990 кг.
  • Объем бетона 1,21 м3
  • Геометрический объем 1,7802 м3
Цена: 41080 руб.
Подробнее
3НЦ 32-22-30-200 т
Панели наружных цокольных стен Серия 1.100.1-7
  • Длина 3215 мм.
  • Ширина 300 мм.
  • Высота 2150 мм.
  • Вес 3220 кг.
  • Объем бетона 1,28 м3
  • Геометрический объем 2,0737 м3
Цена: 43456 руб.
Подробнее
3НЦ 30-20-30-200 т
Панели наружных цокольных стен Серия 1.100.1-7
  • Длина 2990 мм.
  • Ширина 300 мм.
  • Высота 1980 мм.
  • Вес 3120 кг.
  • Объем бетона 2,02 м3
  • Геометрический объем 1,7761 м3
Цена: 68579 руб.
Подробнее
3НЦ 30-22-30-200 т
Панели наружных цокольных стен Серия 1.100.1-7
  • Длина 2990 мм.
  • Ширина 300 мм.
  • Высота 2150 мм.
  • Вес 3370 кг.
  • Объем бетона 1,31 м3
  • Геометрический объем 1,9285 м3
Цена: 44475 руб.
Подробнее
3НЦ 38-22-30-200 т
Панели наружных цокольных стен Серия 1.100.1-7
  • Длина 3760 мм.
  • Ширина 300 мм.
  • Высота 2150 мм.
  • Вес 4100 кг.
  • Объем бетона 0,56 м3
  • Геометрический объем 2,4252 м3
Цена: 19012 руб.
Подробнее
3НЦ 45-20-30-200 т
Панели наружных цокольных стен Серия 1.100.1-7
  • Длина 4490 мм.
  • Ширина 300 мм.
  • Высота 1980 мм.
  • Вес 4730 кг.
  • Объем бетона 1,88 м3
  • Геометрический объем 2,6671 м3
Цена: 63826 руб.
Подробнее
3НЦ 45-22-30-200 т-1
Панели наружных цокольных стен Серия 1.100.1-7
  • Длина 4490 мм.
  • Ширина 300 мм.
  • Высота 2150 мм.
  • Вес 4500 кг.
  • Объем бетона 1,79 м3
  • Геометрический объем 2,896 м3
Цена: 60771 руб.
Подробнее
3НЦ 45-22-30-200 т
Панели наружных цокольных стен Серия 1.100.1-7
  • Длина 4490 мм.
  • Ширина 300 мм.
  • Высота 2150 мм.
  • Вес 5080 кг.
  • Объем бетона 0,68 м3
  • Геометрический объем 2,896 м3
Цена: 23086 руб.
Подробнее
3НЦ 47-22-30-200 т
Панели наружных цокольных стен Серия 1.100.1-7
  • Длина 4715 мм.
  • Ширина 300 мм.
  • Высота 2150 мм.
  • Вес 4930 кг.
  • Объем бетона 1,96 м3
  • Геометрический объем 3,0412 м3
Цена: 66542 руб.
Подробнее

Как правильно выбрать - Панели наружных цокольных стен Серия 1.100.1-7

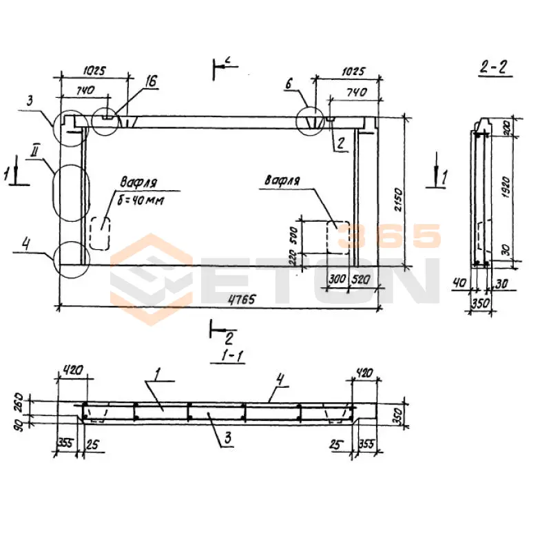
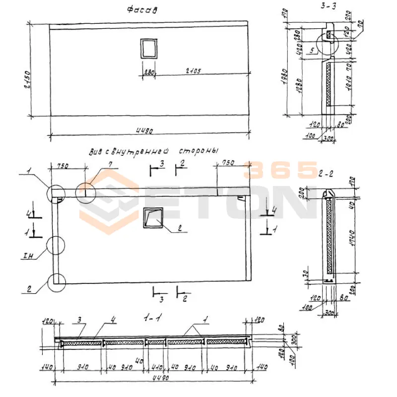
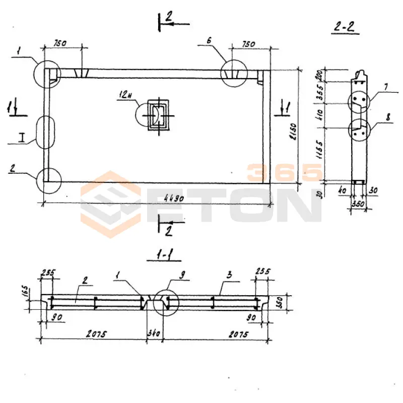
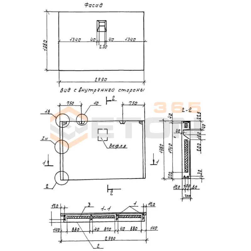
Панели наружных цокольных стен Серия 1.100.1-7 предназначены для возведения подземной части зданий и служат ограждающей и несущей конструкцией, воспринимающей давление грунта. Они применяются в зданиях различного назначения, обеспечивая переход от фундамента к стенам первого этажа. Долговечность всей конструкции во многом определяется грамотным подбором панелей наружных цокольных стен Серия 1.100.1-7 в соответствии с проектными решениями и агрессивностью грунтовых условий.

Критерии выбора

  • Класс бетона и защитные свойства: Убедитесь, что панели изготовлены из бетона класса не ниже В25 (М350) с показателями водонепроницаемости W6 и морозостойкости F200, что критично для контакта с грунтовой влагой.
  • Армирование: Проверьте класс применяемой арматуры (например, А400-А500С) и схему армирования, которая должна обеспечивать стойкость к изгибающим моментам от давления грунта.
  • Типоразмер и конфигурация: Сверьте габаритные размеры и толщину панели с проектом. Особое внимание уделите наличию и расположению монтажных петель, закладных деталей и выпусков арматуры для связи с фундаментом и вышележащими конструкциями.
  • Расчетные нагрузки: Панели цокольных стен Серия 1.100.1-7 должны соответствовать проектным нагрузкам от веса здания и боковому давлению грунта, включая возможное наличие транспортных нагрузок у цоколя.
  • Нормативная документация: Подтвердите соответствие изделий требованиям серии 1.100.1-7 и ГОСТ 13015-2012, включая контроль прочности, трещиностойкости и геометрии.

Рекомендации по подбору и монтажу

При составлении спецификации на панели наружных цокольных стен обязательно учитывайте гидрогеологические условия площадки. Для участков с высоким уровнем грунтовых вод или агрессивной средой может потребоваться паспорт на бетон, подтверждающий его стойкость. При приемке проверяйте не только паспорт качества, но и визуальное отсутствие сквозных трещин и раковин на лицевых поверхностях.

Монтаж следует вести на выровненное основание фундамента с обязательной проверкой горизонтальности. Стыки между панелями цокольных стен должны быть герметично замоноличены, а наружная поверхность защищена обмазочной или оклеечной гидроизоляцией сразу после установки, чтобы предотвратить капиллярный подсос влаги. Анкеровка с фундаментными блоками должна выполняться строго по проекту.

Ответы экспертов на ваши вопросы

Панели наружных цокольных стен серии 1.100.1-7 изготавливаются из тяжелого бетона класса не ниже В25. Стандартная толщина составляет 300-400 мм. Панели армируются пространственными каркасами и сетками из стальной арматуры. Имеют маркировку по несущей способности, морозостойкости (F75-F100) и водонепроницаемости (W6-W8). Предусмотрены монтажные петли и закладные детали для соединения с фундаментом и другими конструкциями.

Монтаж осуществляется на подготовленное основание фундамента с выверкой по осям и высотным отметкам. Стыки между панелями заполняются бетоном на мелком заполнителе. Вертикальные стыки герметизируются уплотнительными материалами. Панели соединяются между собой и с фундаментом через закладные детали сваркой. Обязательно устройство гидроизоляции в месте примыкания к фундаменту. Монтаж должен производиться с соблюдением проектных допусков по вертикальности и положению в плане.

Долговечность обеспечивается применением бетона с повышенной морозостойкостью и водонепроницаемостью, а также защитным слоем бетона для арматуры не менее 30 мм. С наружной стороны предусматривается обмазочная или оклеечная гидроизоляция. В конструкции панелей имеются специальные элементы для отвода воды. Для дополнительной защиты может применяться облицовка керамическими плитами или другими влагостойкими материалами.

Панели наружных цокольных стен серии 1.100.1-7 относятся к конструктивным элементам и не являются теплоизолирующими. Их основная функция - несущая и защитная. При необходимости обеспечения требуемого сопротивления теплопередаче предусматривается дополнительное утепление с наружной или внутренней стороны. Теплотехнический расчет выполняется отдельно с учетом климатических условий района строительства.

Панели предназначены для использования в неагрессивных и слабоагрессивных грунтовых условиях. При наличии агрессивной среды требуется дополнительная гидроизоляция и защита бетона. Не рекомендуется применение в сейсмических районах с балльностью выше 7 без дополнительных расчетов и усилений. В условиях вечной мерзлоты требуется специальное проектирование фундаментов и мероприятий по тепловой защите.

Ранее смотрели
Гипсобетонные и шлакобетонные перегородки Серия ИИ 03-04 ПШ 1 (ИИ 03-04)
ПШ 1 (ИИ 03-04)
Гипсобетонные и шлакобетонные перегородки Серия ИИ 03-04
Гипсобетонные и шлакобетонные перегородки Серия ИИ 03-04 ПГ 13-5 а (ИИ 03-04)
ПГ 13-5 а (ИИ 03-04)
Гипсобетонные и шлакобетонные перегородки Серия ИИ 03-04
Гипсобетонные и шлакобетонные перегородки Серия ИИ 03-04 ПГ 3 а (ИИ 03-04)
ПГ 3 а (ИИ 03-04)
Гипсобетонные и шлакобетонные перегородки Серия ИИ 03-04

Уведомление о файлах cookie

Мы используем файлы cookie для улучшения вашего опыта просмотра и анализа трафика. Нажимая "Принять все", вы соглашаетесь с нашей политикой конфиденциальности и политикой обработки файлов cookie.

Дзен Телеграм Вконтакте vk