mobile_sound +7 (930) 655-55-90

Ступени Серия 1.220.1-3м

Поделиться:
Фильтр по характеристикам
Длина (мм.)
keyboard_arrow_down
мм.
мм.
Ширина (мм.)
keyboard_arrow_down
мм.
мм.
Высота (мм.)
keyboard_arrow_down
мм.
мм.
Вес (кг.)
keyboard_arrow_down
кг.
кг.
Поделиться:

Завод "Бетон365" производит железобетонные ступени серии 1.220.1-3м — оптимальное решение для устройства входных групп и межэтажных переходов в жилых и промышленных зданиях. Эти изделия изготавливаются в строгом соответствии с ГОСТ, обладают повышенной несущей способностью и устойчивостью к атмосферным воздействиям, что гарантирует их многолетнюю эксплуатацию без потери функциональных качеств. Готовые ступени позволяют значительно сократить сроки строительных работ, обеспечивая при этом безопасность и комфорт при перемещении.

Реализуем ступени серии 1.220.1-3м напрямую от производителя в Москве и МО — это гарантирует привлекательную цену без посреднических надбавок. Предлагаем полный комплекс услуг: помощь в выборе продукции, оперативную доставку на объект и гарантию качества на все железобетонные изделия. Для уточнения характеристик и оформления заказа достаточно связаться с нашими специалистами.

ЛС 16-5 (1.220.1-3м)
Ступени Серия 1.220.1-3м
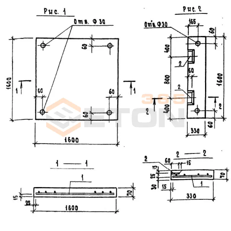
  • Длина 1600 мм.
  • Ширина 330 мм.
  • Высота 70 мм.
  • Вес 100 кг.
  • Объем бетона 0,04 м3
  • Геометрический объем 0,037 м3
Цена: 970 руб.
Подробнее

Как правильно выбрать - Ступени Серия 1.220.1-3м

Ступени Серия 1.220.1-3м – это стандартные железобетонные лестничные элементы, предназначенные для возведения наружных и внутренних лестниц в жилых, общественных и промышленных зданиях. Они применяются для устройства маршей с уклоном 1:2 и формируют прочные, долговечные конструкции. Качество и безопасность всей лестничной системы напрямую зависят от соответствия выбранных ступеней Серии 1.220.1-3м проектным расчетам и условиям эксплуатации.

Критерии выбора

  • Марка бетона и прочностные характеристики: Изделия изготавливаются из тяжелого бетона марки не ниже М300, что обеспечивает высокую прочность на сжатие. Обращайте внимание на класс бетона по прочности на сжатие (В25) и морозостойкость (F200), особенно для наружных лестниц.
  • Армирование: Конструкция ступеней армируется стальными каркасами из арматуры класса А-III (А400). Проверяйте паспорт на соответствие чертежам армирования серии.
  • Геометрические параметры и конфигурация: Строго сверяйте типоразмеры (высоту, ширину проступи, длину) с проектной документацией. В серии 1.220.1-3м предусмотрены ступени основных типоразмеров для формирования стандартных маршей.
  • Наличие монтажных петель: Убедитесь в наличии и корректном расположении закладных монтажных петель, которые необходимы для безопасной строповки и установки.
  • Качество поверхности: Лицевая поверхность ступеней должна быть ровной, без значительных сколов, раковин и трещин, так как она часто является финишной и подвержена истиранию.
  • Соответствие нормам: Все изделия должны соответствовать требованиям ГОСТ 8717.0-84 и конкретной серии 1.220.1-3, что подтверждается паспортом качества завода-изготовителя.

Рекомендации по подбору и монтажу

При закупке ступеней Серии 1.220.1-3м требуйте полный комплект технической документации, включая паспорта на каждую партию. Особое внимание уделите визуальному контролю на отсутствие сквозных трещин и оголения арматуры. Для наружного применения критически важна заявленная марка по морозостойкости (F200).

Монтаж ступеней 1.220.1-3м ведется на несущие косоуры или тетивы из железобетона по проекту. Основание должно быть тщательно выверено по уровню и надежно закреплено. Ступени укладываются на цементно-песчаный раствор марки не ниже М100, обеспечивающий плотное прилегание и равномерное распределение нагрузки. Обязательно проверяйте горизонтальность проступи и вертикальность подступенка после установки каждой ступени. Правильная анкеровка и заполнение швов предотвратят смещение и разрушение конструкции в процессе эксплуатации.

Ответы экспертов на ваши вопросы

Ступени серии 1.220.1-3м изготавливаются из тяжелого бетона класса В25-В30. Стандартная длина составляет 1200-1500 мм, ширина проступи - 300 мм, высота подступенка - 150 мм. Масса изделия варьируется от 90 до 120 кг в зависимости от длины. Армирование выполняется сварными каркасами из стальной арматуры класса А-III.

Монтаж осуществляется на цементно-песчаный раствор марки не ниже М100. Ступени укладываются на несущие конструкции (косоуры, тетивы) с обеспечением надежного опирания не менее 80 мм. Обязательно соблюдение горизонтальности и контроль геометрических параметров. Швы между ступенями заполняются цементным раствором.

Ступени должны храниться в штабелях высотой не более 2 метров на ровных площадках с деревянными прокладками. При транспортировке необходимо обеспечить надежное крепление изделий в кузове транспортного средства. Погрузо-разгрузочные работы выполняются с использованием мягких строп, исключающих повреждение кромок и поверхности ступеней.

Основные преимущества: высокая прочность и долговечность (срок службы более 50 лет), огнестойкость, устойчивость к атмосферным воздействиям, возможность использования в различных климатических условиях. Железобетонные ступени не подвержены гниению, коррозии и воздействию грибка, что делает их идеальным решением для наружных и внутренних лестниц.

Ступени серии 1.220.1-3м не рекомендуется применять в условиях агрессивных сред без дополнительной защиты поверхности. Также ограничено использование при температуре ниже -40°C без специальных морозостойких добавок в бетон. При монтаже в сейсмических районах требуется дополнительное армирование и анкеровка.

Ранее смотрели
Межколонные плиты (МП) Серия 1.420.1-25 МП 2-5
МП 2-5
Межколонные плиты (МП) Серия 1.420.1-25
Звенья железобетонные круглых водопропускных труб для автомобильных дорог Серия 3.501-59 и 3.501.1-144, шифр 1484 БЛ 13 А
БЛ 13 А
Звенья железобетонные круглых водопропускных труб для автомобильных дорог Серия 3.501-59 и 3.501.1-144, шифр 1484
Камни для кладки стен ТУ 5741-004-18576628-99 СКЦ 6 д
СКЦ 6 д
Камни для кладки стен ТУ 5741-004-18576628-99
Лежни Серия 3.503-41 Л 1 АII (3.503-41)
Л 1 АII (3.503-41)
Лежни Серия 3.503-41

Уведомление о файлах cookie

Мы используем файлы cookie для улучшения вашего опыта просмотра и анализа трафика. Нажимая "Принять все", вы соглашаетесь с нашей политикой конфиденциальности и политикой обработки файлов cookie.

Дзен Телеграм Вконтакте vk