mobile_sound +7 (930) 655-55-90

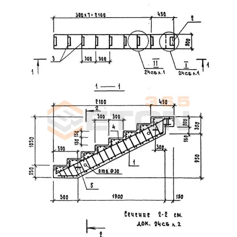
Косоуры Серия 1.220.1-3м

Поделиться:
Фильтр по характеристикам
Длина (мм.)
keyboard_arrow_down
мм.
мм.
Ширина (мм.)
keyboard_arrow_down
мм.
мм.
Высота (мм.)
keyboard_arrow_down
мм.
мм.
Вес (кг.)
keyboard_arrow_down
кг.
кг.
Поделиться:

Косоуры серии 1.220.1-3м от завода "Бетон365" — это ключевой элемент для создания прочных и безопасных лестничных маршей в жилых и промышленных зданиях. Данные железобетонные изделия производятся в строгом соответствии с ГОСТ, обеспечивая оптимальное распределение нагрузок и долговечность конструкции. Использование готовых косоуров значительно ускоряет монтаж лестниц, повышая общую надежность объекта и сокращая сроки строительства.

Предлагаем купить косоуры серии 1.220.1-3м в Москве и Московской области по выгодной цене от производителя. Мы гарантируем качество продукции и оперативную доставку на вашу строительную площадку. Для получения подробной информации о характеристиках и условиях заказа обратитесь к нашим специалистам — поможем подобрать оптимальное решение для вашего проекта.

ЛБ 49-19-5 (1.220.1-3м)
Косоуры Серия 1.220.1-3м
  • Длина 4870 мм.
  • Ширина 300 мм.
  • Высота 1900 мм.
  • Вес 1350 кг.
  • Объем бетона 0,53 м3
  • Геометрический объем 2,7759 м3
Цена: 20564 руб.
Подробнее
ЛБ 25-13-5 (1.220.1-3м)
Косоуры Серия 1.220.1-3м
  • Длина 2650 мм.
  • Ширина 300 мм.
  • Высота 1300 мм.
  • Вес 650 кг.
  • Объем бетона 0,26 м3
  • Геометрический объем 1,0335 м3
Цена: 10088 руб.
Подробнее

Как правильно выбрать - Косоуры Серия 1.220.1-3м

Косоуры Серия 1.220.1-3м – это несущие железобетонные балки лестничных маршей, предназначенные для монтажа в жилых, общественных и промышленных зданиях. Они служат основой для крепления ступеней, воспринимая всю эксплуатационную нагрузку. Долговечность и безопасность лестничной конструкции в значительной степени определяются грамотным подбором косоуров в соответствии с проектными расчетами и условиями строительной площадки.

Критерии выбора

  • Марка бетона и класс арматуры: Изделия изготавливаются из тяжелого бетона марки не ниже М300, с предварительно напряженной арматурой класса Ат-V или А-III. Это обеспечивает необходимую прочность на изгиб.
  • Морозостойкость и водонепроницаемость: Для эксплуатации в неотапливаемых зданиях или в условиях переменной влажности критически важны показатели морозостойкости (F200) и водонепроницаемости (W4-W6).
  • Геометрические параметры: Строго сверяйте типоразмер и конфигурацию косоура по серии 1.220.1-3м с рабочими чертежами. Убедитесь в наличии и правильном расположении монтажных петель и закладных деталей для крепления ступеней.
  • Расчетная нагрузка: Проверьте, чтобы паспортная несущая способность косоура соответствовала или превышала расчетную нагрузку от веса ступеней, ограждений и людей.
  • Соответствие нормативам: Все изделия должны строго соответствовать требованиям серии 1.220.1-3м и ГОСТ 9818-2015, что подтверждается паспортом качества.

Рекомендации по подбору и монтажу

При закупке косоуров Серия 1.220.1-3м требуйте у поставщика полный комплект технической документации, включая паспорта на партию. Особое внимание уделите визуальному контролю: на поверхности не должно быть сквозных трещин, обнаженной арматуры или глубоких раковин. При проектировании заранее учтите способ опирания косоуров – на железобетонные площадочные балки или стены, и предусмотрите необходимые закладные детали для их надежного соединения.

Монтаж косоуров Серия 1.220.1-3м начинайте только после проверки отметок опорных площадок. Перед укладкой лестничных маршей убедитесь в правильной пространственной ориентации косоура (левого/правого). Крепление к несущим конструкциям должно быть жестким, с использованием сварки закладных элементов. Не допускается монтаж косоуров на неподготовленное или невыверенное основание, так как это приводит к перекосу всей лестничной клетки и перераспределению нагрузок.

Ответы экспертов на ваши вопросы

Косоуры серии 1.220.1-3м - это железобетонные несущие элементы лестничных маршей. Основные характеристики: длина от 1 до 3 метров, ширина 220 мм, высота зависит от типа и составляет от 160 до 220 мм. Изготавливаются из тяжелого бетона класса В25-В30, армируются стальной арматурой классов А-I, А-III. Расчетная нагрузка составляет 3,5-4,0 кПа. Предназначены для устройства лестниц в жилых, общественных и промышленных зданиях.

В серии 1.220.1-3м различают несколько типов косоуров: ЛК - лестничные косоуры основных маршей, ЛКП - косоуры площадочных балок, ЛКФ - фризовые косоуры. Они отличаются конфигурацией, размерами и расположением в лестничной конструкции. Основные косоуры (ЛК) имеют трапециевидное сечение и предназначены для поддержки ступеней, площадочные (ЛКП) - для опирания лестничных площадок, фризовые (ЛКФ) - для примыкания к стенам.

Монтаж косоуров осуществляется на подготовленные опорные поверхности с выверкой по проектным отметкам. Требуется обеспечить надежное опирание не менее 120 мм на несущие конструкции. Стыковка с другими элементами выполняется с помощью сварки закладных деталей. Необходимо контролировать вертикальность установки и соответствие проектным размерам. Монтаж следует производить при температуре не ниже -20°C с использованием соответствующих зимних добавок в раствор.

Основные преимущества: высокая несущая способность и долговечность, огнестойкость, устойчивость к воздействию влаги и перепадов температур, стандартизированные размеры обеспечивают простоту монтажа и совместимость с другими элементами серии, возможность использования в различных типах зданий, экономичность при массовом производстве.

Армирование выполняется пространственными каркасами из стальной арматуры. Защитный слой бетона составляет не менее 20 мм для обеспечения защиты арматуры от коррозии. Для повышенной коррозионной стойкости может применяться арматура с защитными покрытиями или добавки в бетон, повышающие его плотность и водонепроницаемость. В условиях агрессивной среды рекомендуется дополнительная гидроизоляция поверхностей.

Уведомление о файлах cookie

Мы используем файлы cookie для улучшения вашего опыта просмотра и анализа трафика. Нажимая "Принять все", вы соглашаетесь с нашей политикой конфиденциальности и политикой обработки файлов cookie.

MAX Дзен Телеграм Вконтакте vk