mobile_sound +7 (930) 655-55-90

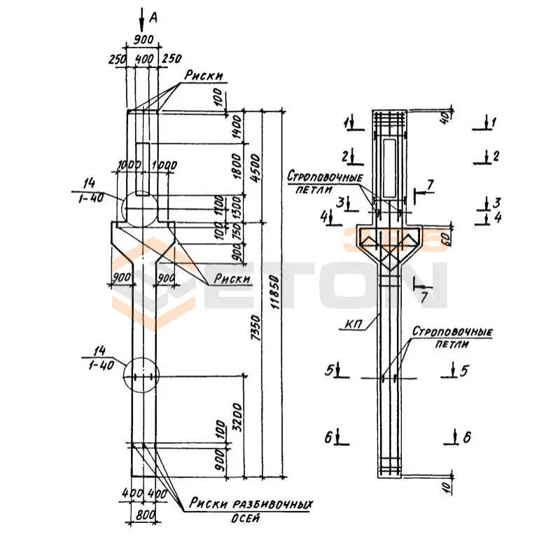
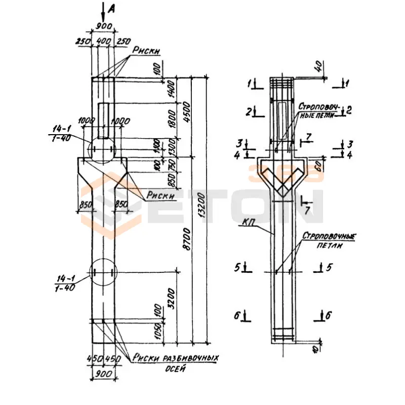
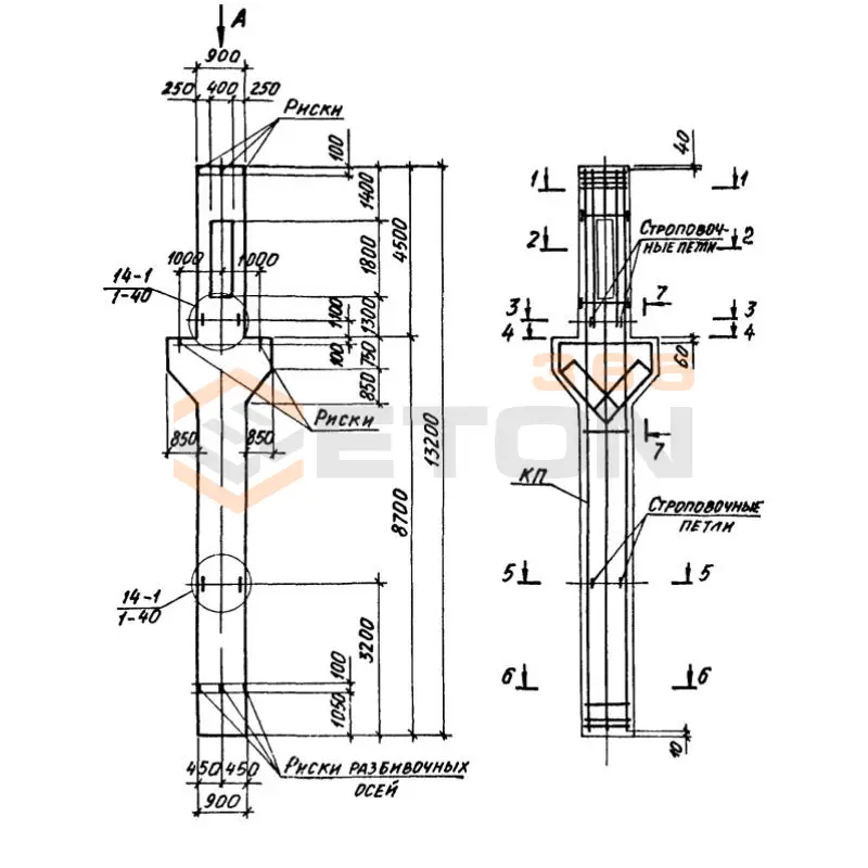
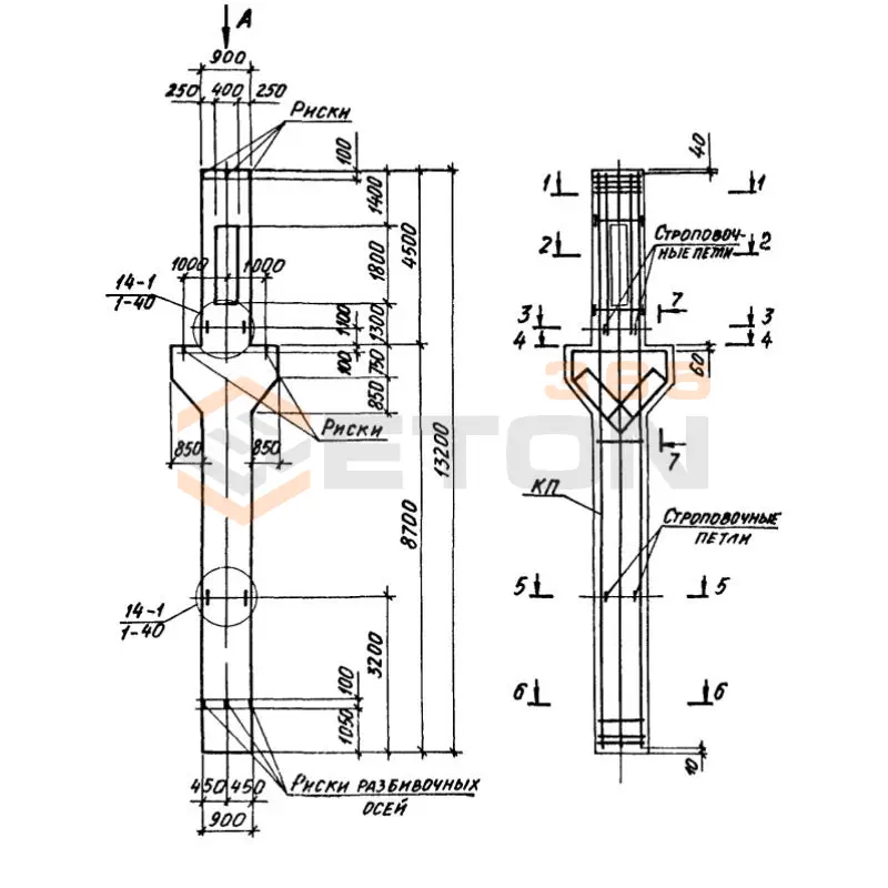
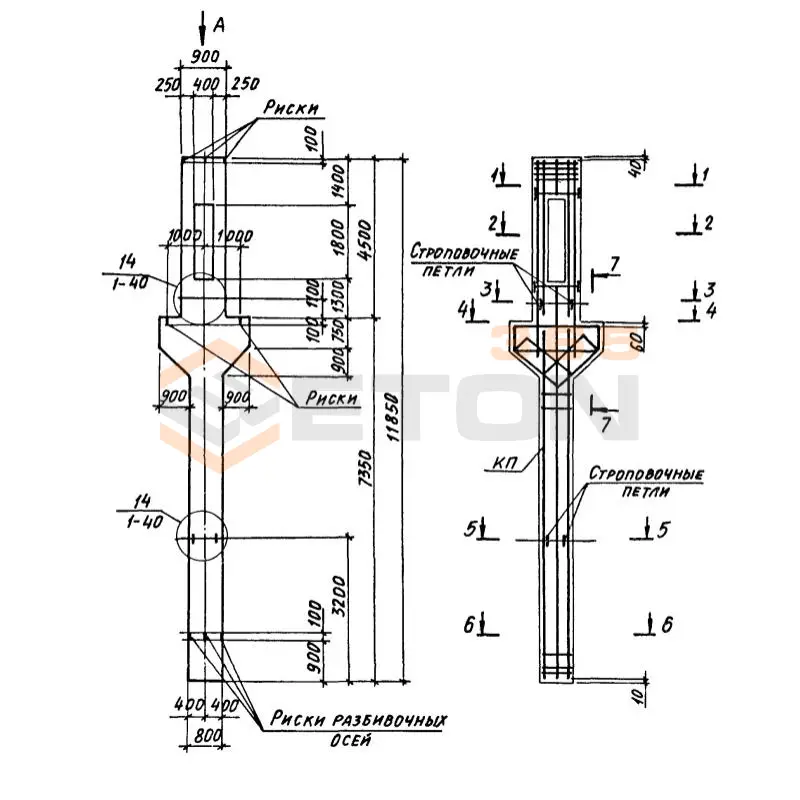
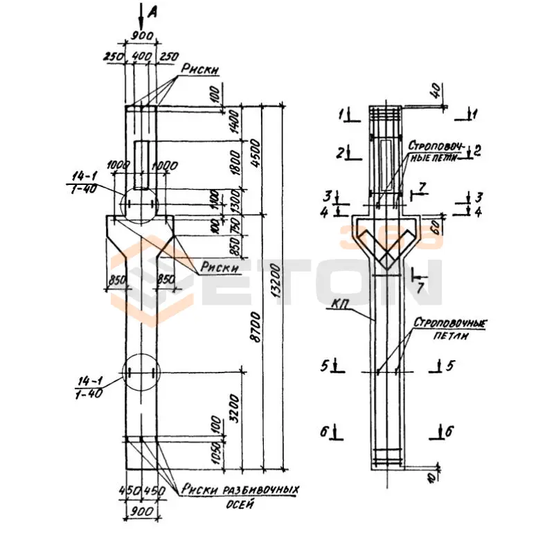
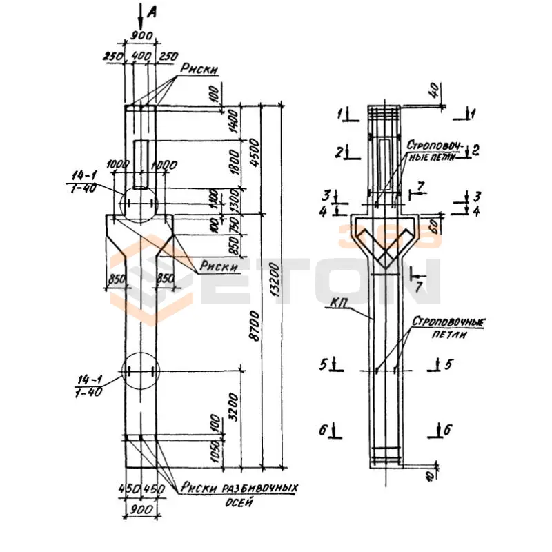
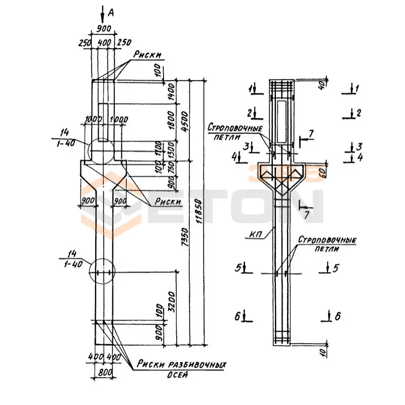
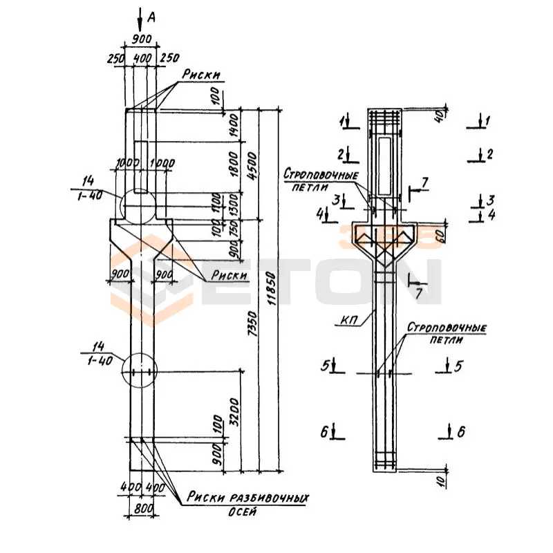
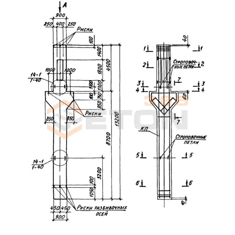
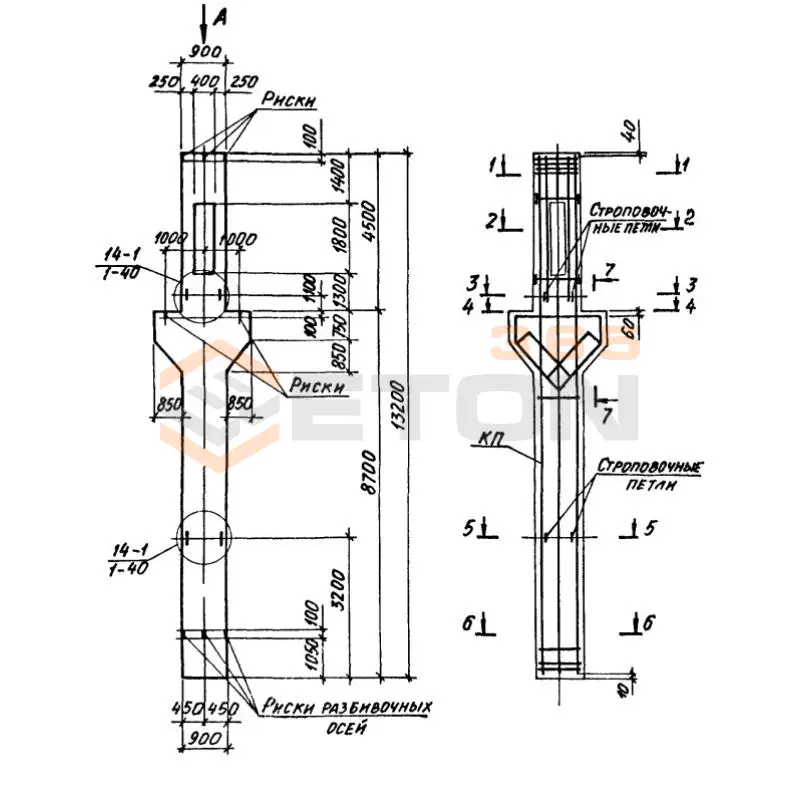
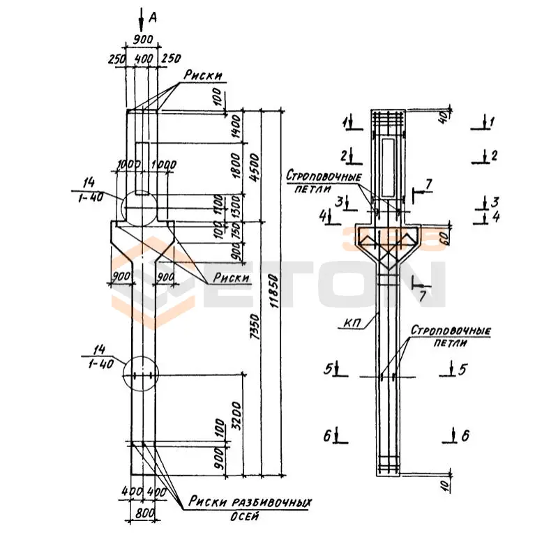
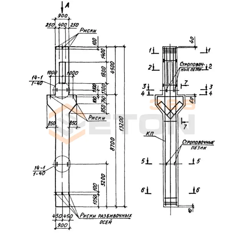
Колонны крановые с проходами Серия 1.424.1-6/89

Поделиться:
Фильтр по характеристикам
Длина (мм.)
keyboard_arrow_down
мм.
мм.
Ширина (мм.)
keyboard_arrow_down
мм.
мм.
Высота (мм.)
keyboard_arrow_down
мм.
мм.
Вес (кг.)
keyboard_arrow_down
кг.
кг.
Объем бетона (м3)
keyboard_arrow_down
м3
м3
Поделиться:

Завод "Бетон365" производит колонны крановые с проходами серии 1.424.1-6/89 – ключевые несущие элементы для промышленных зданий и складских комплексов. Эти железобетонные конструкции специально разработаны для монтажа подкрановых путей и организации технологических проходов, обеспечивая повышенную жесткость каркаса и равномерное распределение динамических нагрузок от грузоподъемного оборудования. Использование сертифицированных изделий гарантирует соответствие ГОСТам, значительно сокращает сроки строительства и повышает эксплуатационную надежность всего объекта.

Реализуем колонны крановые с проходами серии 1.424.1-6/89 напрямую от производителя в Москве и МО по конкурентной цене с полным пакетом документации. Предлагаем гибкие условия поставки, включая доставку на объект и профессиональные консультации по выбору оптимальных решений для вашего проекта. Чтобы купить качественные ЖБИ с гарантией и получить расчет стоимости, обратитесь к нашим специалистам для оформления заказа.

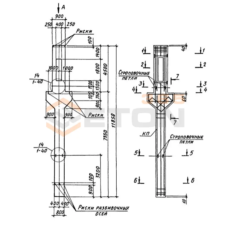
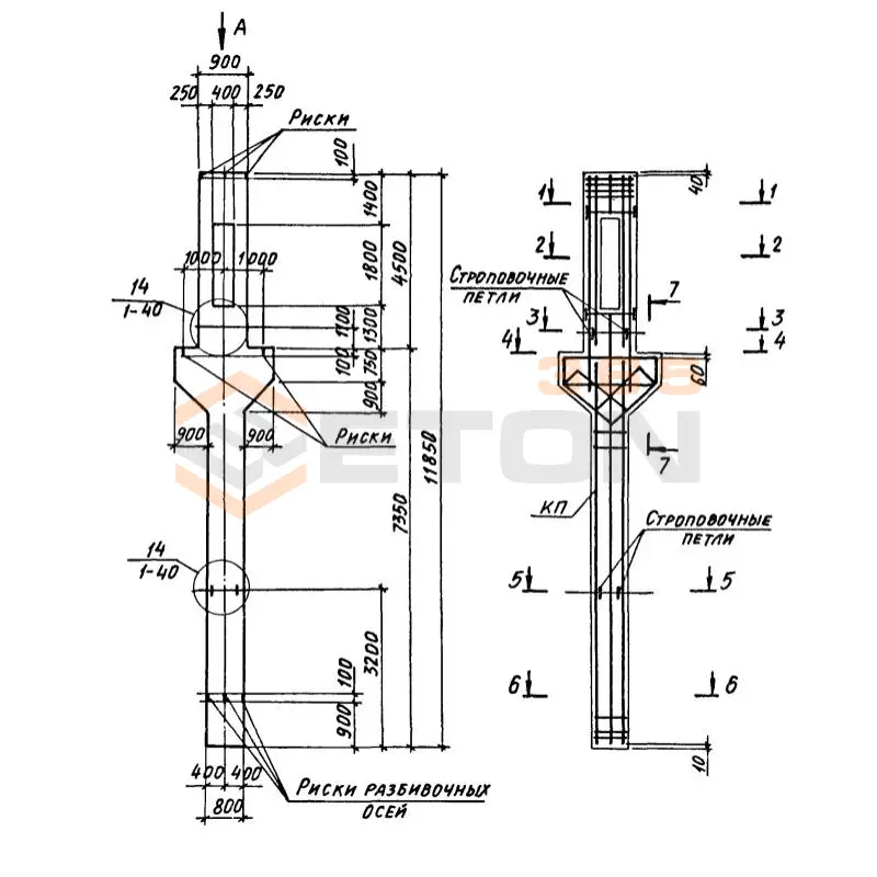
10ККП 108
Колонны крановые с проходами Серия 1.424.1-6/89
  • Длина 11850 мм.
  • Ширина 900 мм.
  • Высота 400 мм.
  • Вес 11500 кг.
  • Объем бетона 4,6 м3
  • Геометрический объем 4,266 м3
Цена: 93702 руб.
Подробнее
10ККП 108-1,3
Колонны крановые с проходами Серия 1.424.1-6/89
  • Длина 11850 мм.
  • Ширина 900 мм.
  • Высота 400 мм.
  • Вес 11500 кг.
  • Объем бетона 4,6 м3
  • Геометрический объем 4,266 м3
Цена: 93702 руб.
Подробнее
10ККП 108-1,3 с
Колонны крановые с проходами Серия 1.424.1-6/89
  • Длина 11850 мм.
  • Ширина 900 мм.
  • Высота 400 мм.
  • Вес 11500 кг.
  • Объем бетона 4,6 м3
  • Геометрический объем 4,266 м3
Цена: 93702 руб.
Подробнее
10ККП 108-2,4
Колонны крановые с проходами Серия 1.424.1-6/89
  • Длина 11850 мм.
  • Ширина 900 мм.
  • Высота 400 мм.
  • Вес 11500 кг.
  • Объем бетона 4,6 м3
  • Геометрический объем 4,266 м3
Цена: 93702 руб.
Подробнее
10ККП 108-2,3 с
Колонны крановые с проходами Серия 1.424.1-6/89
  • Длина 11850 мм.
  • Ширина 900 мм.
  • Высота 400 мм.
  • Вес 11500 кг.
  • Объем бетона 4,6 м3
  • Геометрический объем 4,266 м3
Цена: 93702 руб.
Подробнее
10ККП 108-3,3
Колонны крановые с проходами Серия 1.424.1-6/89
  • Длина 11850 мм.
  • Ширина 900 мм.
  • Высота 400 мм.
  • Вес 11500 кг.
  • Объем бетона 4,6 м3
  • Геометрический объем 4,266 м3
Цена: 93702 руб.
Подробнее
10ККП 108-2,3
Колонны крановые с проходами Серия 1.424.1-6/89
  • Длина 11850 мм.
  • Ширина 900 мм.
  • Высота 400 мм.
  • Вес 11500 кг.
  • Объем бетона 4,6 м3
  • Геометрический объем 4,266 м3
Цена: 93702 руб.
Подробнее
10ККП 108-3,4
Колонны крановые с проходами Серия 1.424.1-6/89
  • Длина 11850 мм.
  • Ширина 900 мм.
  • Высота 400 мм.
  • Вес 11500 кг.
  • Объем бетона 4,6 м3
  • Геометрический объем 4,266 м3
Цена: 93702 руб.
Подробнее
10ККП 108-3,4 с
Колонны крановые с проходами Серия 1.424.1-6/89
  • Длина 11850 мм.
  • Ширина 900 мм.
  • Высота 400 мм.
  • Вес 11500 кг.
  • Объем бетона 4,6 м3
  • Геометрический объем 4,266 м3
Цена: 93702 руб.
Подробнее
10ККП 108-4,3
Колонны крановые с проходами Серия 1.424.1-6/89
  • Длина 11850 мм.
  • Ширина 900 мм.
  • Высота 400 мм.
  • Вес 11500 кг.
  • Объем бетона 4,6 м3
  • Геометрический объем 4,266 м3
Цена: 93702 руб.
Подробнее
10ККП 108-4,4
Колонны крановые с проходами Серия 1.424.1-6/89
  • Длина 11850 мм.
  • Ширина 900 мм.
  • Высота 400 мм.
  • Вес 11500 кг.
  • Объем бетона 4,6 м3
  • Геометрический объем 4,266 м3
Цена: 93702 руб.
Подробнее
10ККП 108-5,4
Колонны крановые с проходами Серия 1.424.1-6/89
  • Длина 11850 мм.
  • Ширина 900 мм.
  • Высота 400 мм.
  • Вес 11500 кг.
  • Объем бетона 4,6 м3
  • Геометрический объем 4,266 м3
Цена: 93702 руб.
Подробнее
10ККП 108-6,4
Колонны крановые с проходами Серия 1.424.1-6/89
  • Длина 11850 мм.
  • Ширина 900 мм.
  • Высота 400 мм.
  • Вес 11500 кг.
  • Объем бетона 4,6 м3
  • Геометрический объем 4,266 м3
Цена: 93702 руб.
Подробнее
10ККП 108-6,3
Колонны крановые с проходами Серия 1.424.1-6/89
  • Длина 11850 мм.
  • Ширина 900 мм.
  • Высота 400 мм.
  • Вес 11500 кг.
  • Объем бетона 4,6 м3
  • Геометрический объем 4,266 м3
Цена: 93702 руб.
Подробнее
10ККП 108-7,4
Колонны крановые с проходами Серия 1.424.1-6/89
  • Длина 11850 мм.
  • Ширина 900 мм.
  • Высота 400 мм.
  • Вес 11500 кг.
  • Объем бетона 4,6 м3
  • Геометрический объем 4,266 м3
Цена: 93702 руб.
Подробнее
10ККП 108-8,4
Колонны крановые с проходами Серия 1.424.1-6/89
  • Длина 11850 мм.
  • Ширина 900 мм.
  • Высота 400 мм.
  • Вес 11500 кг.
  • Объем бетона 4,6 м3
  • Геометрический объем 4,266 м3
Цена: 93702 руб.
Подробнее
10ККП 108-8,3
Колонны крановые с проходами Серия 1.424.1-6/89
  • Длина 11850 мм.
  • Ширина 900 мм.
  • Высота 400 мм.
  • Вес 11500 кг.
  • Объем бетона 4,6 м3
  • Геометрический объем 4,266 м3
Цена: 93702 руб.
Подробнее
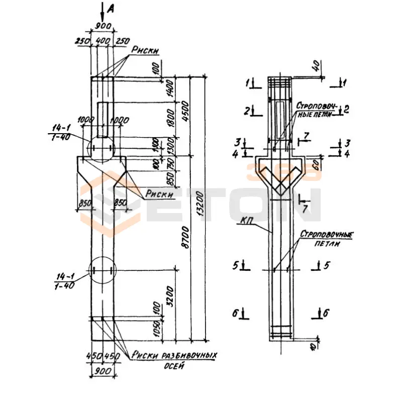
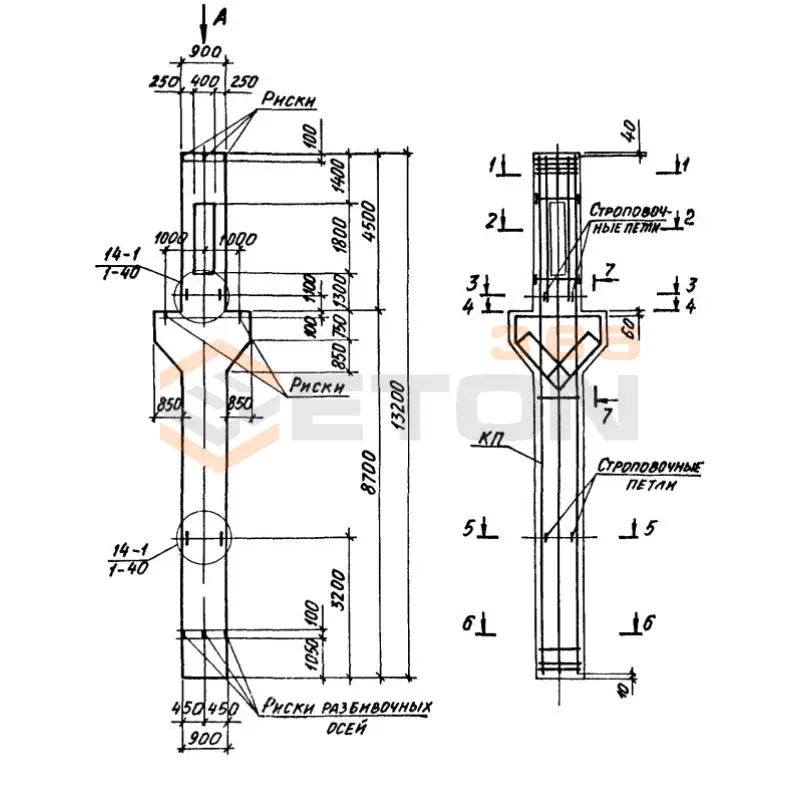
10ККП 120
Колонны крановые с проходами Серия 1.424.1-6/89
  • Длина 13200 мм.
  • Ширина 900 мм.
  • Высота 400 мм.
  • Вес 13000 кг.
  • Объем бетона 5,2 м3
  • Геометрический объем 4,752 м3
Цена: 105924 руб.
Подробнее
10ККП 120-1,3
Колонны крановые с проходами Серия 1.424.1-6/89
  • Длина 13200 мм.
  • Ширина 900 мм.
  • Высота 400 мм.
  • Вес 13000 кг.
  • Объем бетона 5,2 м3
  • Геометрический объем 4,752 м3
Цена: 105924 руб.
Подробнее
10ККП 120-1,3 с
Колонны крановые с проходами Серия 1.424.1-6/89
  • Длина 13200 мм.
  • Ширина 900 мм.
  • Высота 400 мм.
  • Вес 13000 кг.
  • Объем бетона 5,2 м3
  • Геометрический объем 4,752 м3
Цена: 105924 руб.
Подробнее
10ККП 120-2,4
Колонны крановые с проходами Серия 1.424.1-6/89
  • Длина 13200 мм.
  • Ширина 900 мм.
  • Высота 400 мм.
  • Вес 13000 кг.
  • Объем бетона 5,2 м3
  • Геометрический объем 4,752 м3
Цена: 105924 руб.
Подробнее
10ККП 120-2,3
Колонны крановые с проходами Серия 1.424.1-6/89
  • Длина 13200 мм.
  • Ширина 900 мм.
  • Высота 400 мм.
  • Вес 13000 кг.
  • Объем бетона 5,2 м3
  • Геометрический объем 4,752 м3
Цена: 105924 руб.
Подробнее
10ККП 120-2,3 с
Колонны крановые с проходами Серия 1.424.1-6/89
  • Длина 13200 мм.
  • Ширина 900 мм.
  • Высота 400 мм.
  • Вес 13000 кг.
  • Объем бетона 5,2 м3
  • Геометрический объем 4,752 м3
Цена: 105924 руб.
Подробнее
10ККП 120-3,3
Колонны крановые с проходами Серия 1.424.1-6/89
  • Длина 13200 мм.
  • Ширина 900 мм.
  • Высота 400 мм.
  • Вес 13000 кг.
  • Объем бетона 5,2 м3
  • Геометрический объем 4,752 м3
Цена: 105924 руб.
Подробнее
10ККП 120-3,4
Колонны крановые с проходами Серия 1.424.1-6/89
  • Длина 13200 мм.
  • Ширина 900 мм.
  • Высота 400 мм.
  • Вес 13000 кг.
  • Объем бетона 5,2 м3
  • Геометрический объем 4,752 м3
Цена: 105924 руб.
Подробнее
10ККП 120-3,4 с
Колонны крановые с проходами Серия 1.424.1-6/89
  • Длина 13200 мм.
  • Ширина 900 мм.
  • Высота 400 мм.
  • Вес 13000 кг.
  • Объем бетона 5,2 м3
  • Геометрический объем 4,752 м3
Цена: 105924 руб.
Подробнее
10ККП 120-5,3
Колонны крановые с проходами Серия 1.424.1-6/89
  • Длина 13200 мм.
  • Ширина 900 мм.
  • Высота 400 мм.
  • Вес 13000 кг.
  • Объем бетона 5,2 м3
  • Геометрический объем 4,752 м3
Цена: 105924 руб.
Подробнее
10ККП 120-4,4 с
Колонны крановые с проходами Серия 1.424.1-6/89
  • Длина 13200 мм.
  • Ширина 900 мм.
  • Высота 400 мм.
  • Вес 13000 кг.
  • Объем бетона 5,2 м3
  • Геометрический объем 4,752 м3
Цена: 105924 руб.
Подробнее
10ККП 120-4,4
Колонны крановые с проходами Серия 1.424.1-6/89
  • Длина 13200 мм.
  • Ширина 900 мм.
  • Высота 400 мм.
  • Вес 13000 кг.
  • Объем бетона 5,2 м3
  • Геометрический объем 4,752 м3
Цена: 105924 руб.
Подробнее
10ККП 120-4,3
Колонны крановые с проходами Серия 1.424.1-6/89
  • Длина 13200 мм.
  • Ширина 900 мм.
  • Высота 400 мм.
  • Вес 13000 кг.
  • Объем бетона 5,2 м3
  • Геометрический объем 4,752 м3
Цена: 105924 руб.
Подробнее
10ККП 120-6,3
Колонны крановые с проходами Серия 1.424.1-6/89
  • Длина 13200 мм.
  • Ширина 900 мм.
  • Высота 400 мм.
  • Вес 13000 кг.
  • Объем бетона 5,2 м3
  • Геометрический объем 4,752 м3
Цена: 105924 руб.
Подробнее
10ККП 120-6,4
Колонны крановые с проходами Серия 1.424.1-6/89
  • Длина 13200 мм.
  • Ширина 900 мм.
  • Высота 400 мм.
  • Вес 13000 кг.
  • Объем бетона 5,2 м3
  • Геометрический объем 4,752 м3
Цена: 105924 руб.
Подробнее
10ККП 120-7,3
Колонны крановые с проходами Серия 1.424.1-6/89
  • Длина 13200 мм.
  • Ширина 900 мм.
  • Высота 400 мм.
  • Вес 13000 кг.
  • Объем бетона 5,2 м3
  • Геометрический объем 4,752 м3
Цена: 105924 руб.
Подробнее
10ККП 132-1,3
Колонны крановые с проходами Серия 1.424.1-6/89
  • Длина 14400 мм.
  • Ширина 900 мм.
  • Высота 400 мм.
  • Вес 14200 кг.
  • Объем бетона 5,7 м3
  • Геометрический объем 5,184 м3
Цена: 116109 руб.
Подробнее
10ККП 120-7,4
Колонны крановые с проходами Серия 1.424.1-6/89
  • Длина 13200 мм.
  • Ширина 900 мм.
  • Высота 400 мм.
  • Вес 13000 кг.
  • Объем бетона 5,2 м3
  • Геометрический объем 4,752 м3
Цена: 105924 руб.
Подробнее
10ККП 120-8,4
Колонны крановые с проходами Серия 1.424.1-6/89
  • Длина 13200 мм.
  • Ширина 900 мм.
  • Высота 400 мм.
  • Вес 13000 кг.
  • Объем бетона 5,2 м3
  • Геометрический объем 4,752 м3
Цена: 105924 руб.
Подробнее
10ККП 132
Колонны крановые с проходами Серия 1.424.1-6/89
  • Длина 14400 мм.
  • Ширина 900 мм.
  • Высота 400 мм.
  • Вес 14200 кг.
  • Объем бетона 5,7 м3
  • Геометрический объем 5,184 м3
Цена: 116109 руб.
Подробнее
10ККП 132-1,4
Колонны крановые с проходами Серия 1.424.1-6/89
  • Длина 14400 мм.
  • Ширина 900 мм.
  • Высота 400 мм.
  • Вес 14200 кг.
  • Объем бетона 5,7 м3
  • Геометрический объем 5,184 м3
Цена: 116109 руб.
Подробнее
10ККП 132-1,4 с
Колонны крановые с проходами Серия 1.424.1-6/89
  • Длина 14400 мм.
  • Ширина 900 мм.
  • Высота 400 мм.
  • Вес 14200 кг.
  • Объем бетона 5,7 м3
  • Геометрический объем 5,184 м3
Цена: 116109 руб.
Подробнее
10ККП 132-2,3
Колонны крановые с проходами Серия 1.424.1-6/89
  • Длина 14400 мм.
  • Ширина 900 мм.
  • Высота 400 мм.
  • Вес 14200 кг.
  • Объем бетона 5,7 м3
  • Геометрический объем 5,184 м3
Цена: 116109 руб.
Подробнее
10ККП 132-2,4
Колонны крановые с проходами Серия 1.424.1-6/89
  • Длина 14400 мм.
  • Ширина 900 мм.
  • Высота 400 мм.
  • Вес 14200 кг.
  • Объем бетона 5,7 м3
  • Геометрический объем 5,184 м3
Цена: 116109 руб.
Подробнее
10ККП 132-3,2
Колонны крановые с проходами Серия 1.424.1-6/89
  • Длина 14400 мм.
  • Ширина 900 мм.
  • Высота 400 мм.
  • Вес 14200 кг.
  • Объем бетона 5,7 м3
  • Геометрический объем 5,184 м3
Цена: 116109 руб.
Подробнее
10ККП 132-2,4 с
Колонны крановые с проходами Серия 1.424.1-6/89
  • Длина 14400 мм.
  • Ширина 900 мм.
  • Высота 400 мм.
  • Вес 14200 кг.
  • Объем бетона 5,7 м3
  • Геометрический объем 5,184 м3
Цена: 116109 руб.
Подробнее
10ККП 132-3,3
Колонны крановые с проходами Серия 1.424.1-6/89
  • Длина 14400 мм.
  • Ширина 900 мм.
  • Высота 400 мм.
  • Вес 14200 кг.
  • Объем бетона 5,7 м3
  • Геометрический объем 5,184 м3
Цена: 116109 руб.
Подробнее
10ККП 132-3,3 с
Колонны крановые с проходами Серия 1.424.1-6/89
  • Длина 14400 мм.
  • Ширина 900 мм.
  • Высота 400 мм.
  • Вес 14200 кг.
  • Объем бетона 5,7 м3
  • Геометрический объем 5,184 м3
Цена: 116109 руб.
Подробнее
10ККП 132-3,4
Колонны крановые с проходами Серия 1.424.1-6/89
  • Длина 14400 мм.
  • Ширина 900 мм.
  • Высота 400 мм.
  • Вес 14200 кг.
  • Объем бетона 5,7 м3
  • Геометрический объем 5,184 м3
Цена: 116109 руб.
Подробнее
10ККП 132-4,3 с
Колонны крановые с проходами Серия 1.424.1-6/89
  • Длина 14400 мм.
  • Ширина 900 мм.
  • Высота 400 мм.
  • Вес 14200 кг.
  • Объем бетона 5,7 м3
  • Геометрический объем 5,184 м3
Цена: 116109 руб.
Подробнее
10ККП 132-4,2
Колонны крановые с проходами Серия 1.424.1-6/89
  • Длина 14400 мм.
  • Ширина 900 мм.
  • Высота 400 мм.
  • Вес 14200 кг.
  • Объем бетона 5,7 м3
  • Геометрический объем 5,184 м3
Цена: 116109 руб.
Подробнее
10ККП 132-4,4
Колонны крановые с проходами Серия 1.424.1-6/89
  • Длина 14400 мм.
  • Ширина 900 мм.
  • Высота 400 мм.
  • Вес 14200 кг.
  • Объем бетона 5,7 м3
  • Геометрический объем 5,184 м3
Цена: 116109 руб.
Подробнее
10ККП 132-4,3
Колонны крановые с проходами Серия 1.424.1-6/89
  • Длина 14400 мм.
  • Ширина 900 мм.
  • Высота 400 мм.
  • Вес 14200 кг.
  • Объем бетона 5,7 м3
  • Геометрический объем 5,184 м3
Цена: 116109 руб.
Подробнее
10ККП 132-5,3
Колонны крановые с проходами Серия 1.424.1-6/89
  • Длина 14400 мм.
  • Ширина 900 мм.
  • Высота 400 мм.
  • Вес 14200 кг.
  • Объем бетона 5,7 м3
  • Геометрический объем 5,184 м3
Цена: 116109 руб.
Подробнее
10ККП 132-5,3 с
Колонны крановые с проходами Серия 1.424.1-6/89
  • Длина 14400 мм.
  • Ширина 900 мм.
  • Высота 400 мм.
  • Вес 14200 кг.
  • Объем бетона 5,7 м3
  • Геометрический объем 5,184 м3
Цена: 116109 руб.
Подробнее
10ККП 132-6,4 с
Колонны крановые с проходами Серия 1.424.1-6/89
  • Длина 14400 мм.
  • Ширина 900 мм.
  • Высота 400 мм.
  • Вес 14200 кг.
  • Объем бетона 5,7 м3
  • Геометрический объем 5,184 м3
Цена: 116109 руб.
Подробнее
10ККП 132-5,4
Колонны крановые с проходами Серия 1.424.1-6/89
  • Длина 14400 мм.
  • Ширина 900 мм.
  • Высота 400 мм.
  • Вес 14200 кг.
  • Объем бетона 5,7 м3
  • Геометрический объем 5,184 м3
Цена: 116109 руб.
Подробнее
10ККП 132-6,4
Колонны крановые с проходами Серия 1.424.1-6/89
  • Длина 14400 мм.
  • Ширина 900 мм.
  • Высота 400 мм.
  • Вес 14200 кг.
  • Объем бетона 5,7 м3
  • Геометрический объем 5,184 м3
Цена: 116109 руб.
Подробнее
10ККП 132-7,3
Колонны крановые с проходами Серия 1.424.1-6/89
  • Длина 14400 мм.
  • Ширина 900 мм.
  • Высота 400 мм.
  • Вес 14200 кг.
  • Объем бетона 5,7 м3
  • Геометрический объем 5,184 м3
Цена: 116109 руб.
Подробнее
10ККП 132-7,4 с
Колонны крановые с проходами Серия 1.424.1-6/89
  • Длина 14400 мм.
  • Ширина 900 мм.
  • Высота 400 мм.
  • Вес 14200 кг.
  • Объем бетона 5,7 м3
  • Геометрический объем 5,184 м3
Цена: 116109 руб.
Подробнее
10ККП 144-1,3
Колонны крановые с проходами Серия 1.424.1-6/89
  • Длина 15600 мм.
  • Ширина 900 мм.
  • Высота 400 мм.
  • Вес 14200 кг.
  • Объем бетона 6,1 м3
  • Геометрический объем 5,616 м3
Цена: 124257 руб.
Подробнее
10ККП 144
Колонны крановые с проходами Серия 1.424.1-6/89
  • Длина 15600 мм.
  • Ширина 900 мм.
  • Высота 400 мм.
  • Вес 14200 кг.
  • Объем бетона 6,1 м3
  • Геометрический объем 5,616 м3
Цена: 124257 руб.
Подробнее
10ККП 144-1,4
Колонны крановые с проходами Серия 1.424.1-6/89
  • Длина 15600 мм.
  • Ширина 900 мм.
  • Высота 400 мм.
  • Вес 14200 кг.
  • Объем бетона 6,1 м3
  • Геометрический объем 5,616 м3
Цена: 124257 руб.
Подробнее

Как правильно выбрать - Колонны крановые с проходами Серия 1.424.1-6/89

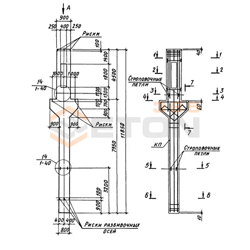
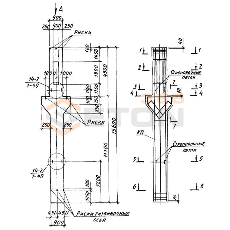
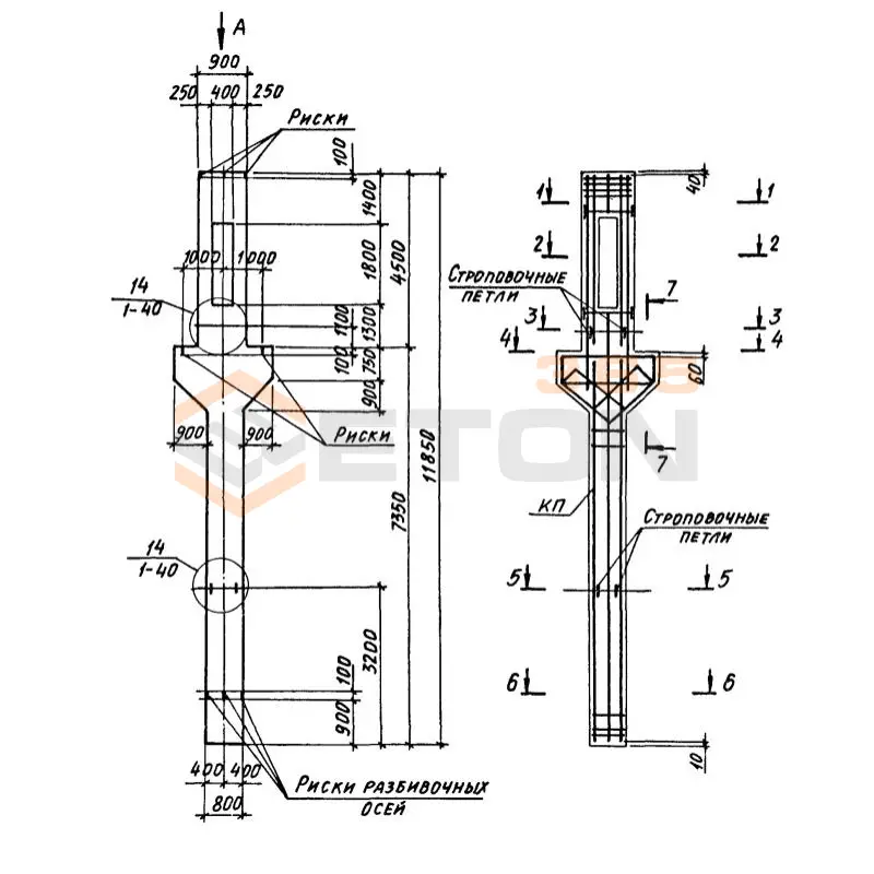
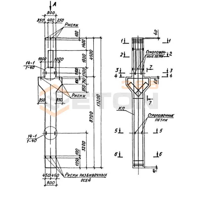
Колонны крановые с проходами Серия 1.424.1-6/89 предназначены для возведения каркасов одноэтажных промышленных зданий, оснащенных мостовыми кранами. Их ключевая функция – обеспечение прохода для обслуживающего персонала в подкрановое пространство, что упрощает эксплуатацию и ремонт кранового оборудования. Долговечность и безопасность всей конструкции напрямую зависят от соответствия выбранных колонн проектным нагрузкам и реальным условиям эксплуатации.

Критерии выбора

  • Расчетные нагрузки: Определите грузоподъемность кранов (Q) и высоту цеха (H), для которых предназначена колонна. Серия 1.424.1-6/89 включает типоразмеры под разные комбинации этих параметров.
  • Марка бетона и армирование: Убедитесь, что изделие изготовлено из тяжелого бетона марки не ниже М300 (класс В22.5) с предварительно напряженной арматурой класса Ат-V. Это обеспечивает необходимую прочность на сжатие и устойчивость к динамическим воздействиям.
  • Эксплуатационные характеристики: Проверьте показатели морозостойкости (F200) и водонепроницаемости (W4-W6), особенно для зданий с агрессивной средой или неотапливаемых цехов.
  • Геометрия и конфигурация: Внимательно сверьтесь с рабочими чертежами. Колонны крановые с проходами имеют строго регламентированные габариты, расположение и тип закладных деталей для крепления подкрановых балок и связей.
  • Соответствие нормативам: Изделие должно полностью соответствовать требованиям серии 1.424.1-6/89 и сопровождаться паспортом качества, где указаны все фактические характеристики.

Рекомендации по подбору и монтажу

При составлении спецификации на колонны крановые с проходами Серия 1.424.1-6/89 обязательно учитывайте геологию участка. Тип фундамента (отдельный, свайный) и его осадка напрямую влияют на распределение нагрузок в колонне. Проектировщикам следует обратить особое внимание на узлы сопряжения с фундаментными стаканами и обеспечить точность их изготовления для предотвращения перекосов.

На площадке до монтажа проверьте целостность изделия, отсутствие трещин и соответствие массы паспортным значениям. Установка колонн с проходами требует точной геодезической выверки в плане и по высоте. Перед бетонированием стыка с фундаментом надежно зафиксируйте колонну временными связями. Качественный монтаж этих колонн – залог устойчивости всего каркаса под динамическими крановыми нагрузками.

Ответы экспертов на ваши вопросы

Колонны крановые с проходами серии 1.424.1-6/89 предназначены для применения в одноэтажных промышленных зданиях с мостовыми кранами грузоподъемностью до 50 тонн. Они используются в цехах машиностроительных, металлургических и других промышленных предприятий, где требуется организация технологических проходов через колонны для прокладки коммуникаций или перемещения персонала.

Основные преимущества включают: возможность прокладки инженерных коммуникаций через тело колонны, экономию производственного пространства, улучшение эргономики рабочего пространства, удобство обслуживания оборудования. Проходы в колоннах позволяют рационально организовать технологические процессы без необходимости устройства дополнительных проемов в стенах.

При расчете колонн серии 1.424.1-6/89 учитываются: вертикальные нагрузки от веса конструкций и оборудования, горизонтальные нагрузки от торможения кранов, ветровые нагрузки, температурные воздействия, сейсмические нагрузки (для сейсмических районов). Конкретные значения нагрузок определяются в зависимости от региона строительства и технологических особенностей производства.

Колонны изготавливаются из тяжелого бетона классов В15-В30 по прочности на сжатие. Арматура применяется классов А-I, А-II, А-III. Для монтажных петель используется арматура класса А-I. Все материалы соответствуют требованиям действующих ГОСТов и имеют сертификаты качества.

Монтаж осуществляется с помощью кранов грузоподъемностью, соответствующей массе колонны. Стыковка с фундаментами выполняется через закладные детали с последующей заделкой стыков бетоном. Особое внимание уделяется точности установки и вертикальности колонн. Все монтажные работы должны выполняться в соответствии с проектом производства работ и техническими условиями.

Ранее смотрели
Лежни Серия 3.503-41 Л 3 (3.503-41)
Л 3 (3.503-41)
Лежни Серия 3.503-41
РПС 12-37,5-3 АIII
РПС 12-37,5-3 АIII
Полурамы Серия 1.822.1-6
Панели перекрытий ребристые Серия ИИ 04-4 ПР 16-58-15 с ВрII
ПР 16-58-15 с ВрII
Панели перекрытий ребристые Серия ИИ 04-4
Настил коробчатый Серия В 86 Н 2-5-1200 (В 86)
Н 2-5-1200 (В 86)
Настил коробчатый Серия В 86
РПС 18-37,5-5 АIII
РПС 18-37,5-5 АIII
Полурамы Серия 1.822.1-6
Полурамы Серия 1.822.1-2/82 РПС 12-4 с
РПС 12-4 с
Полурамы Серия 1.822.1-2/82
Лежни Серия 3.503-41 Л 2 АII (3.503-41)
Л 2 АII (3.503-41)
Лежни Серия 3.503-41
Козырьки входов Серия 1.238-1 КВ 30-19-13-2
КВ 30-19-13-2
Козырьки входов Серия 1.238-1

Уведомление о файлах cookie

Мы используем файлы cookie для улучшения вашего опыта просмотра и анализа трафика. Нажимая "Принять все", вы соглашаетесь с нашей политикой конфиденциальности и политикой обработки файлов cookie.

Дзен Телеграм Вконтакте vk