mobile_sound +7 (930) 655-55-90

Плиты днищ санитарно-технических кабин Серия 1.188-5

Поделиться:
Фильтр по характеристикам
Длина (мм.)
keyboard_arrow_down
мм.
мм.
Ширина (мм.)
keyboard_arrow_down
мм.
мм.
Высота (мм.)
keyboard_arrow_down
мм.
мм.
Вес (кг.)
keyboard_arrow_down
кг.
кг.
Поделиться:

Завод "Бетон365" производит плиты днищ санитарно-технических кабин серии 1.188-5 — ключевой элемент для оборудования санузлов в жилых и общественных зданиях. Эти железобетонные изделия выполняют функцию надежного основания, обеспечивая герметичность и равномерное распределение нагрузок от установленного оборудования. Производство ведется в строгом соответствии с ГОСТ, что гарантирует долговечность конструкций и устойчивость к агрессивным средам.

Мы реализуем плиты днищ кабин от производителя в Москве и МО по конкурентным ценам с возможностью доставки на объект. Приобретая данную продукцию у нас, вы получаете сертифицированные ЖБИ с подтвержденным качеством бетона и армирования. Для расчета стоимости и оформления заказа достаточно связаться с нашими специалистами по телефону.

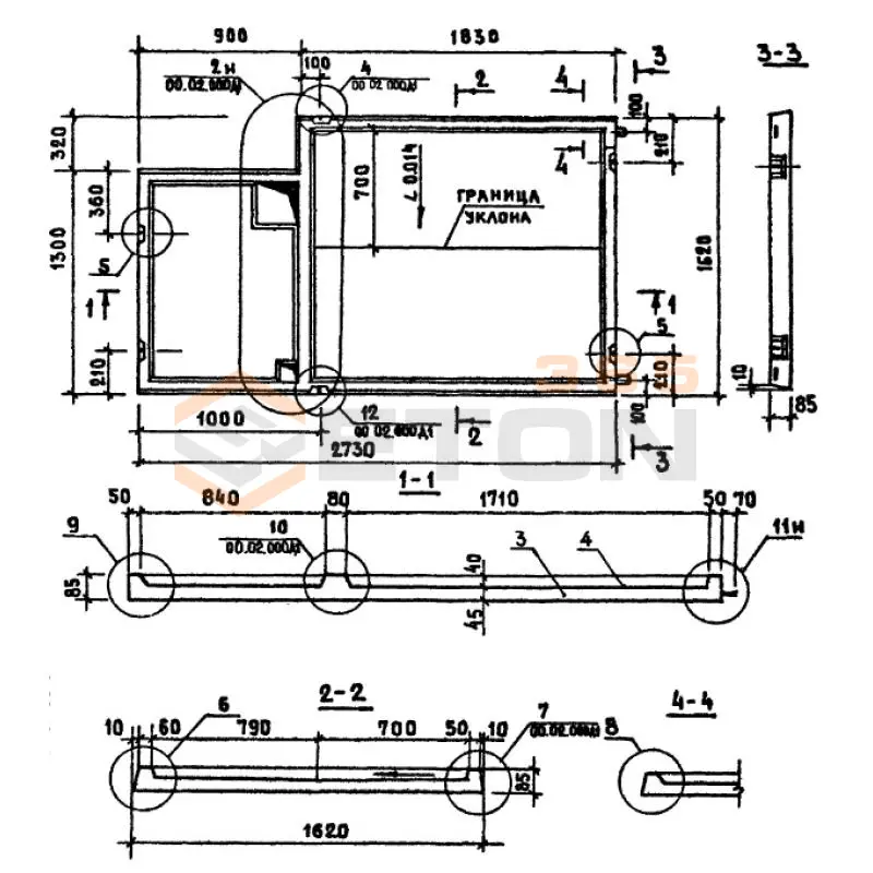
Д 1 (1.188-5)
Плиты днищ санитарно-технических кабин Серия 1.188-5
  • Длина 2730 мм.
  • Ширина 1620 мм.
  • Высота 85 мм.
  • Вес 600 кг.
  • Объем бетона 0,24 м3
  • Геометрический объем 0,3759 м3
Цена: 5354 руб.
Подробнее
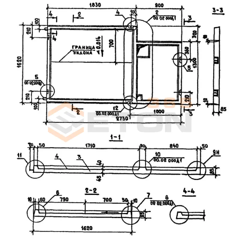
Д 2 (1.188-5)
Плиты днищ санитарно-технических кабин Серия 1.188-5
  • Длина 2730 мм.
  • Ширина 1620 мм.
  • Высота 85 мм.
  • Вес 600 кг.
  • Объем бетона 0,24 м3
  • Геометрический объем 0,3759 м3
Цена: 5354 руб.
Подробнее
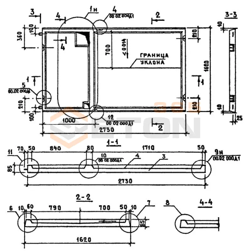
Д 1 (1.188-5)
Плиты днищ санитарно-технических кабин Серия 1.188-5
  • Длина 2730 мм.
  • Ширина 1620 мм.
  • Высота 85 мм.
  • Вес 540 кг.
  • Объем бетона 0,24 м3
  • Геометрический объем 0,3759 м3
Цена: 5354 руб.
Подробнее
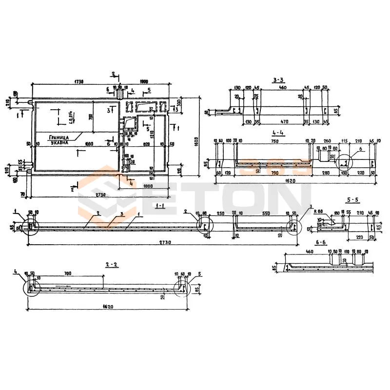
Д 3 (1.188-5)
Плиты днищ санитарно-технических кабин Серия 1.188-5
  • Длина 2730 мм.
  • Ширина 1620 мм.
  • Высота 85 мм.
  • Вес 510 кг.
  • Объем бетона 0,23 м3
  • Геометрический объем 0,3759 м3
Цена: 5131 руб.
Подробнее
Д 4 (1.188-5)
Плиты днищ санитарно-технических кабин Серия 1.188-5
  • Длина 2730 мм.
  • Ширина 1620 мм.
  • Высота 85 мм.
  • Вес 510 кг.
  • Объем бетона 0,23 м3
  • Геометрический объем 0,3759 м3
Цена: 5131 руб.
Подробнее
Д 5 (1.188-5)
Плиты днищ санитарно-технических кабин Серия 1.188-5
  • Длина 2080 мм.
  • Ширина 1840 мм.
  • Высота 85 мм.
  • Вес 425 кг.
  • Объем бетона 0,18 м3
  • Геометрический объем 0,3253 м3
Цена: 4016 руб.
Подробнее
Д 2 (1.188-5)
Плиты днищ санитарно-технических кабин Серия 1.188-5
  • Длина 2730 мм.
  • Ширина 1620 мм.
  • Высота 85 мм.
  • Вес 540 кг.
  • Объем бетона 0,24 м3
  • Геометрический объем 0,3759 м3
Цена: 5354 руб.
Подробнее
Д 6 (1.188-5)
Плиты днищ санитарно-технических кабин Серия 1.188-5
  • Длина 2080 мм.
  • Ширина 1840 мм.
  • Высота 85 мм.
  • Вес 425 кг.
  • Объем бетона 0,18 м3
  • Геометрический объем 0,3253 м3
Цена: 4016 руб.
Подробнее
Д 7 (1.188-5)
Плиты днищ санитарно-технических кабин Серия 1.188-5
  • Длина 2080 мм.
  • Ширина 1840 мм.
  • Высота 85 мм.
  • Вес 425 кг.
  • Объем бетона 0,18 м3
  • Геометрический объем 0,3253 м3
Цена: 4016 руб.
Подробнее
Д 8 (1.188-5)
Плиты днищ санитарно-технических кабин Серия 1.188-5
  • Длина 2080 мм.
  • Ширина 1840 мм.
  • Высота 85 мм.
  • Вес 425 кг.
  • Объем бетона 0,18 м3
  • Геометрический объем 0,3253 м3
Цена: 4016 руб.
Подробнее

Как правильно выбрать - Плиты днищ санитарно-технических кабин Серия 1.188-5

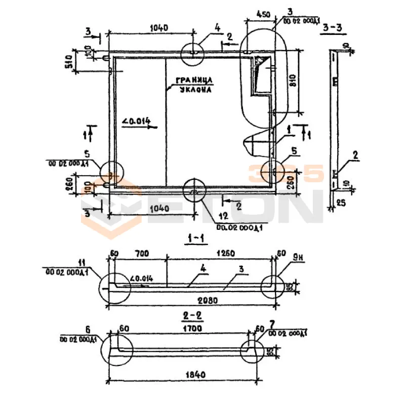
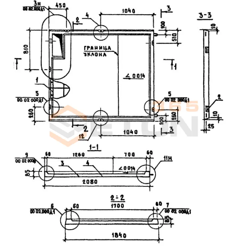
Плиты днищ санитарно-технических кабин Серия 1.188-5 представляют собой несущие основания для сантехкабин, обеспечивающие герметичность и воспринимающие нагрузки от оборудования и эксплуатации. Они применяются в жилищном и промышленном строительстве, формируя водонепроницаемый "поддон" под душевыми и санузлами. Долговечность всей кабины и отсутствие протечек определяются точным соответствием выбранных плит днищ санитарно-технических кабин проектным расчетам и реальным условиям монтажа.

Критерии выбора

  • Класс бетона и марки: Изделия изготавливаются из тяжелого бетона класса не ниже В25, с нормируемыми показателями водонепроницаемости (W6) и морозостойкости (F200), что критично для влажных помещений.
  • Типоразмер и конфигурация: Строгое соответствие габаритным размерам и схеме расположения отверстий под трапы и коммуникации, указанным в проекте. Серия 1.188-5 включает плиты различных модификаций.
  • Наличие закладных и монтажных петель: Проверьте наличие и соответствие чертежам монтажных петель для строповки, а также закладных деталей для крепления ограждающих конструкций кабины.
  • Расчетная нагрузка: Уточните расчетную нагрузку, которую должна выдерживать плита, включая вес оборудования (душевые поддоны), вес людей и возможные динамические воздействия.
  • Соответствие нормативной документации: Все плиты днищ по серии 1.188-5 должны изготавливаться в строгом соответствии с рабочими чертежами и сопровождаться паспортом качества.

Рекомендации по подбору и монтажу

При составлении спецификации на плиты днищ санитарно-технических кабин обязательно указывайте не только артикул по серии, но и конкретную модификацию, определяющую расположение и диаметр отверстий. Приемку партии проводите с выборочным замером геометрии и визуальным контролем отсутствия трещин и раковин на лицевой поверхности.

Монтаж плит Серия 1.188-5 ведите на выровненное и уплотненное основание. Обязательно предусмотрите надежную гидроизоляцию деформационных швов и мест примыкания плиты к стенам и стоякам. Перед сдачей в эксплуатацию выполните испытание на герметичность, заполнив поддон водой на 24 часа. Правильно подобранная и установленная плита днища исключит проблемы с протечками на весь срок службы сантехкабины.

Ответы экспертов на ваши вопросы

Плиты днищ серии 1.188-5 обладают рядом преимуществ: заводское изготовление обеспечивает стабильно высокое качество бетона и точность геометрических параметров, сокращаются сроки монтажа на объекте, исключаются "мокрые" процессы на строительной площадке. Конструкции имеют заранее предусмотренные отверстия и закладные детали для подключения инженерных систем, что повышает надежность и упрощает монтаж.

Плиты днищ серии 1.188-5 рассчитываются на равномерно распределенную нагрузку от веса сантехкабины с оборудованием и эксплуатационную нагрузку от людей. Конструкция работает как плита, опертая по контуру на стены кабины. Расчетная нагрузка составляет обычно 200-300 кг/м², но точные значения необходимо уточнять в рабочей документации на конкретный объект.

При монтаже необходимо обеспечить ровное и прочное основание, горизонтальность установки проверяется нивелиром. Важно правильно ориентировать плиту согласно проекту, чтобы отверстия для коммуникаций совпадали с разводкой. Стыки между плитой и стенами должны быть герметично заделаны. Монтаж следует выполнять с использованием грузоподъемных механизмов соответствующей грузоподъемности.

Плиты изготавливаются из тяжелого бетона классов В15-В25 с армированием стальной арматурой. Для повышения водонепроницаемости используется бетон с маркой по водонепроницаемости W4-W6. Поверхность плиты имеет гидроизоляционное покрытие или выполняется с учетом последующей гидроизоляции. Конструкция обеспечивает защиту от протечек и соответствует санитарно-гигиеническим требованиям.

Плиты днищ серии 1.188-5 разработаны как часть унифицированной системы и имеют стандартизированные габаритные размеры, соответствующие типоразмерам стеновых панелей сантехкабин. Конструкция предусматривает монтажные петли, закладные детали и отверстия, которые точно совпадают с ответными элементами стеновых панелей, что обеспечивает надежное соединение и герметичность стыков.

Ранее смотрели
1Вв 67-10-2 п
1Вв 67-10-2 п
Изделия для стеновых панелей верхние и нижние Серия 1.131-17
Блоки боковой стенки Серия 3.503.1-79 БС 6-2
БС 6-2
Блоки боковой стенки Серия 3.503.1-79
1Вв 42-10-2 п
1Вв 42-10-2 п
Изделия для стеновых панелей верхние и нижние Серия 1.131-17
Колонны верхних этажей высотой 3,6; 4,8 и 6,0 м Серия 1.420-12 вып. 4 К 76-1-1
К 76-1-1
Колонны верхних этажей высотой 3,6; 4,8 и 6,0 м Серия 1.420-12 вып. 4

Уведомление о файлах cookie

Мы используем файлы cookie для улучшения вашего опыта просмотра и анализа трафика. Нажимая "Принять все", вы соглашаетесь с нашей политикой конфиденциальности и политикой обработки файлов cookie.

Дзен Телеграм Вконтакте vk