mobile_sound +7 (930) 655-55-90

Фундаменты Серия ИИ 04-0

Поделиться:
Фильтр по характеристикам
Длина (мм.)
keyboard_arrow_down
мм.
мм.
Ширина (мм.)
keyboard_arrow_down
мм.
мм.
Высота (мм.)
keyboard_arrow_down
мм.
мм.
Вес (кг.)
keyboard_arrow_down
кг.
кг.
Поделиться:

Завод "Бетон365" реализует фундаменты серии ИИ 04-0 — готовые железобетонные конструкции, разработанные для промышленного и гражданского строительства. Эти изделия обеспечивают равномерное распределение нагрузок от несущих стен и колонн, создавая жесткое основание для зданий различной этажности. Производство ведется в строгом соответствии с ГОСТ, что гарантирует долговечность, морозостойкость и устойчивость к деформациям всей строительной системы.

В Москве и МО вы можете купить фундаменты серии ИИ 04-0 напрямую от производителя по конкурентной цене, что позволяет оптимизировать бюджет без потери качества. Мы обеспечиваем полный цикл — от консультации по выбору марки бетона до доставки на объект и контроля монтажа. Для уточнения характеристик и оформления заказа свяжитесь с нашими специалистами.

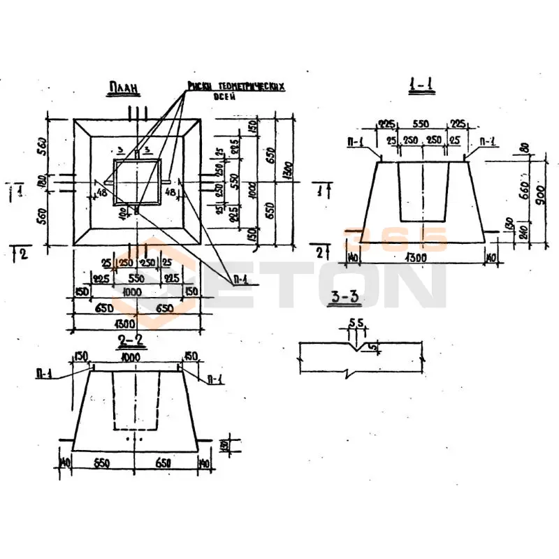
ВБК 13-4 (ИИ 04-0)
Фундаменты Серия ИИ 04-0
  • Длина 1300 мм.
  • Ширина 1300 мм.
  • Высота 900 мм.
  • Вес 2530 кг.
  • Объем бетона 1,01 м3
  • Геометрический объем 1,521 м3
Цена: 16655 руб.
Подробнее

Как правильно выбрать - Фундаменты Серия ИИ 04-0

Фундаменты Серия ИИ 04-0 представляют собой сборные железобетонные элементы, предназначенные для возведения столбчатых фундаментов под колонны промышленных зданий, сельскохозяйственных объектов и каркасных сооружений. Их ключевая функция – восприятие и передача нагрузок от колонн на грунтовое основание. Долговечность и устойчивость всей надземной конструкции в значительной степени определяются грамотным подбором параметров фундаментов серии ИИ 04-0.

Критерии выбора

  • Марка и класс бетона: Изделия изготавливаются из тяжелого бетона марки не ниже М300 (класс В22,5) с показателями морозостойкости F150-F200 и водонепроницаемости W4-W6, что критично для работы в агрессивных грунтовых условиях.
  • Армирование: Применяется напрягаемая или ненапрягаемая арматура классов А-III (А400) и А-I (А240) для монтажных петель. Необходимо проверять паспорт на соответствие проектному классу арматуры.
  • Типоразмер и конфигурация: Выбор осуществляется по рабочим чертежам серии, учитывая форму (ступенчатая, башмачного типа), габаритные размеры и расположение стакана для установки колонны.
  • Наличие закладных деталей: Обязательна проверка наличия и соответствия проекту монтажных петель или проушин для корректной строповки.
  • Расчетная нагрузка: Каждый типоразмер фундамента ИИ 04-0 рассчитан на определенную вертикальную и вырывающую нагрузку, которую необходимо сопоставить с данными из проекта КМ.
  • Нормативный документ: Соответствие требованиям серии 1.020-1/87 и рабочим чертежам серии ИИ 04-0.

Рекомендации по подбору и монтажу

При составлении спецификации на фундаменты серии ИИ 04-0 обязательно указывайте не только типоразмер, но и марку бетона по морозостойкости и водонепроницаемости, актуальную для вашего региона. Требуйте предоставления паспорта качества на каждую партию, где указаны фактические прочностные характеристики бетона и сертификаты на арматуру. Убедитесь, что поставка включает полный комплект смежных элементов, предусмотренных серией.

На этапе монтажа критически важна точная подготовка основания – песчано-гравийная подушка должна быть тщательно уплотнена. Перед установкой фундамента ИИ 04-0 проверьте проектное положение и отметки. После опускания изделия краном необходимо immediately выверить его положение в плане и по высоте до момента схватывания бетона в стыке с основанием, так как последующая корректировка крайне затруднительна.

Ответы экспертов на ваши вопросы

В серии ИИ 04-0 представлены следующие основные типы фундаментов:

  • Отдельные железобетонные фундаменты под колонны (Ф1, Ф2, Ф3)
  • Ленточные фундаменты под несущие стены
  • Сборные железобетонные блоки для стен подвалов Область применения: гражданское и промышленное строительство, здания с кирпичными, панельными и каркасными конструкциями, сооружения с нормальными и сложными грунтовыми условиями.

Фундаменты серии ИИ 04-0 разработаны в соответствии с:

  • СП 63.13330.2018 "Бетонные и железобетонные конструкции"
  • СП 22.13330.2016 "Основания зданий и сооружений"
  • ГОСТ 13580-85 "Плиты железобетонные ленточных фундаментов"
  • Серия разработана ЦНИИПромзданий и имеет соответствующие технические свидетельства

Для фундаментов серии ИИ 04-0 применяются:

  • Бетон классов В15, В20, В25 (марки М200, М250, М300)
  • Рабочая арматура классов А-III (А400) и А-IIIс (А400с)
  • Монтажная и конструктивная арматура классов А-I (А240) и А-II (А300)
  • Защитный слой бетона для рабочей арматуры - не менее 30-50 мм в зависимости от условий эксплуатации

Основные особенности монтажа:

  • Укладка на подготовленное и уплотненное основание
  • Обязательная гидроизоляция вертикальных и горизонтальных поверхностей
  • Стыковка арматурных выпусков с последующей замоноличиванием
  • Контроль качества сварных соединений и бетонных швов
  • Соблюдение температурного режима при производстве работ в зимнее время
  • Обязательный геодезический контроль положения фундаментов

Основные преимущества:

  • Сокращение сроков строительства за счет применения готовых элементов
  • Высокое и стабильное качество изготовления в заводских условиях
  • Снижение трудозатрат на строительной площадке
  • Минимальная зависимость от погодных условий
  • Возможность ведения работ в стесненных условиях
  • Стандартизированные размеры и унификация конструктивных решений
Ранее смотрели
Фундаментные блоки пустотные ФБП серия 1.116.1-8 и ГОСТ 13579-78 ФБП 24-4-6 п
ФБП 24-4-6 п
Фундаментные блоки пустотные ФБП серия 1.116.1-8 и ГОСТ 13579-78
Косоуры ТП 501-166 К 7 (ТП 501-166)
К 7 (ТП 501-166)
Косоуры ТП 501-166
Настил коробчатый Серия В 86 Н 1-4,5-700 п (В 86)
Н 1-4,5-700 п (В 86)
Настил коробчатый Серия В 86
Косоуры ТП 501-166 К 1 (ТП 501-166)
К 1 (ТП 501-166)
Косоуры ТП 501-166
Опорные подушки Серия 1.030.9-2 ОП 3
ОП 3
Опорные подушки Серия 1.030.9-2
Косоуры ТП 501-166 К 5 (ТП 501-166)
К 5 (ТП 501-166)
Косоуры ТП 501-166
Лотки-полутрубы Д 1 м
Лотки-полутрубы Д 1 м
Мотки Альбом 819
Звенья железобетонные круглых водопропускных труб под железные и автомобильные дороги (Шифр 57-368) Блок 83 (блок фундамента R-1,0)
Блок 83 (блок фундамента R-1,0)
Звенья железобетонные круглых водопропускных труб под железные и автомобильные дороги (Шифр 57-368)

Уведомление о файлах cookie

Мы используем файлы cookie для улучшения вашего опыта просмотра и анализа трафика. Нажимая "Принять все", вы соглашаетесь с нашей политикой конфиденциальности и политикой обработки файлов cookie.

Дзен Телеграм Вконтакте vk