mobile_sound +7 (930) 655-55-90

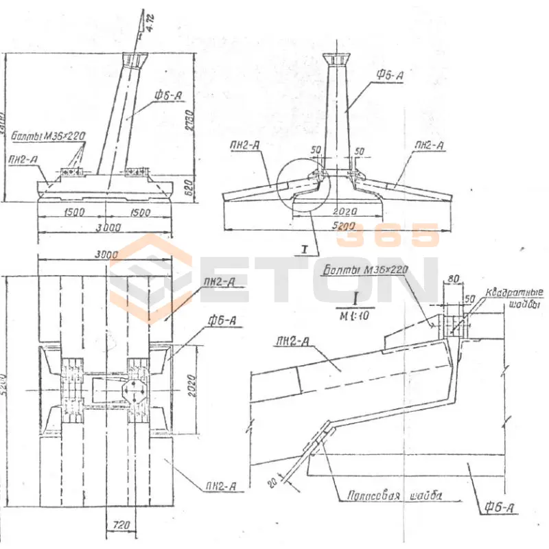
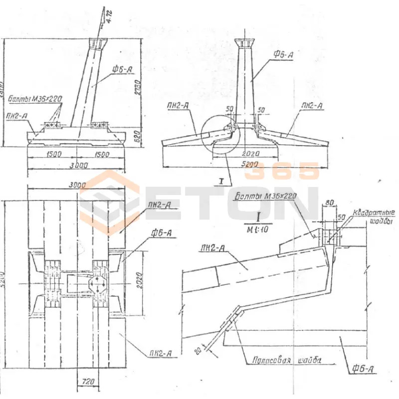
Фундаменты под анкерно-угловые опоры составные и составные со сварным и болтовым присоединением Серия 3.407-115

Поделиться:
Фильтр по характеристикам
Длина (мм.)
keyboard_arrow_down
мм.
мм.
Ширина (мм.)
keyboard_arrow_down
мм.
мм.
Высота (мм.)
keyboard_arrow_down
мм.
мм.
Вес (кг.)
keyboard_arrow_down
кг.
кг.
Поделиться:

Завод "Бетон365" производит фундаменты под анкерно-угловые опоры составные и составные со сварным и болтовым присоединением Серии 3.407-115 — специализированные железобетонные конструкции, обеспечивающие надежное крепление и устойчивость опорных систем в энергетическом и промышленном строительстве. Эти изделия соответствуют строгим требованиям ГОСТ, отличаются повышенной несущей способностью и долговечностью, что гарантирует равномерное распределение нагрузок и устойчивость конструкций в сложных грунтовых условиях.

Реализуем фундаменты серии 3.407-115 в Москве и Московской области по конкурентной цене от производителя с полным комплектом сертификатов. Предлагаем оперативную доставку на объект и профессиональные консультации по монтажу. Чтобы купить данные ЖБИ с гарантией качества и сэкономить на посредниках, обратитесь к нашим специалистам для расчета стоимости и оформления заказа.

ФПБ 5 А5
Фундаменты под анкерно-угловые опоры составные и составные со сварным и болтовым присоединением Серия 3.407-115
  • Длина 2700 мм.
  • Ширина 2700 мм.
  • Высота 5200 мм.
  • Вес 7050 кг.
  • Объем бетона 2,82 м3
  • Геометрический объем 37,908 м3
Цена: 73856 руб.
Подробнее
ФПС 5 а (Д-8)
Фундаменты под анкерно-угловые опоры составные и составные со сварным и болтовым присоединением Серия 3.407-115
  • Длина 2700 мм.
  • Ширина 2700 мм.
  • Высота 5160 мм.
  • Вес 7200 кг.
  • Объем бетона 2,77 м3
  • Геометрический объем 37,6164 м3
Цена: 72546 руб.
Подробнее
ФПБ 5 А
Фундаменты под анкерно-угловые опоры составные и составные со сварным и болтовым присоединением Серия 3.407-115
  • Длина 2700 мм.
  • Ширина 2700 мм.
  • Высота 5200 мм.
  • Вес 7050 кг.
  • Объем бетона 2,82 м3
  • Геометрический объем 37,908 м3
Цена: 73856 руб.
Подробнее
ФПС 5 а
Фундаменты под анкерно-угловые опоры составные и составные со сварным и болтовым присоединением Серия 3.407-115
  • Длина 2700 мм.
  • Ширина 2700 мм.
  • Высота 5160 мм.
  • Вес 7200 кг.
  • Объем бетона 2,77 м3
  • Геометрический объем 37,6164 м3
Цена: 72546 руб.
Подробнее
ФПС 5 А-48
Фундаменты под анкерно-угловые опоры составные и составные со сварным и болтовым присоединением Серия 3.407-115
  • Длина 2700 мм.
  • Ширина 2700 мм.
  • Высота 5160 мм.
  • Вес 6925 кг.
  • Объем бетона 2,77 м3
  • Геометрический объем 37,6164 м3
Цена: 72546 руб.
Подробнее
ФПС 5 А-350
Фундаменты под анкерно-угловые опоры составные и составные со сварным и болтовым присоединением Серия 3.407-115
  • Длина 2700 мм.
  • Ширина 2700 мм.
  • Высота 5160 мм.
  • Вес 6925 кг.
  • Объем бетона 2,77 м3
  • Геометрический объем 37,6164 м3
Цена: 72546 руб.
Подробнее
ФПС 5 А5-48
Фундаменты под анкерно-угловые опоры составные и составные со сварным и болтовым присоединением Серия 3.407-115
  • Длина 2700 мм.
  • Ширина 2700 мм.
  • Высота 5250 мм.
  • Вес 6925 кг.
  • Объем бетона 2,77 м3
  • Геометрический объем 38,2725 м3
Цена: 72546 руб.
Подробнее
ФС 1 А-350
Фундаменты под анкерно-угловые опоры составные и составные со сварным и болтовым присоединением Серия 3.407-115
  • Длина 3000 мм.
  • Ширина 4200 мм.
  • Высота 3400 мм.
  • Вес 8700 кг.
  • Объем бетона 4,22 м3
  • Геометрический объем 42,84 м3
Цена: 110522 руб.
Подробнее
ФС 1 А-48
Фундаменты под анкерно-угловые опоры составные и составные со сварным и болтовым присоединением Серия 3.407-115
  • Длина 3000 мм.
  • Ширина 4200 мм.
  • Высота 3400 мм.
  • Вес 8700 кг.
  • Объем бетона 4,22 м3
  • Геометрический объем 42,84 м3
Цена: 110522 руб.
Подробнее
ФПС 5 а5
Фундаменты под анкерно-угловые опоры составные и составные со сварным и болтовым присоединением Серия 3.407-115
  • Длина 2700 мм.
  • Ширина 2700 мм.
  • Высота 5250 мм.
  • Вес 7000 кг.
  • Объем бетона 2,77 м3
  • Геометрический объем 38,2725 м3
Цена: 72546 руб.
Подробнее
ФС 1 А5ам
Фундаменты под анкерно-угловые опоры составные и составные со сварным и болтовым присоединением Серия 3.407-115
  • Длина 3000 мм.
  • Ширина 4200 мм.
  • Высота 3115 мм.
  • Вес 8700 кг.
  • Объем бетона 4,22 м3
  • Геометрический объем 39,249 м3
Цена: 110522 руб.
Подробнее
ФПС 5 А5
Фундаменты под анкерно-угловые опоры составные и составные со сварным и болтовым присоединением Серия 3.407-115
  • Длина 2700 мм.
  • Ширина 2700 мм.
  • Высота 5250 мм.
  • Вес 6925 кг.
  • Объем бетона 2,77 м3
  • Геометрический объем 38,2725 м3
Цена: 72546 руб.
Подробнее
ФС 1 а
Фундаменты под анкерно-угловые опоры составные и составные со сварным и болтовым присоединением Серия 3.407-115
  • Длина 3000 мм.
  • Ширина 4200 мм.
  • Высота 3400 мм.
  • Вес 10600 кг.
  • Объем бетона 4,22 м3
  • Геометрический объем 42,84 м3
Цена: 110522 руб.
Подробнее
ФС 1 а5н
Фундаменты под анкерно-угловые опоры составные и составные со сварным и болтовым присоединением Серия 3.407-115
  • Длина 3000 мм.
  • Ширина 4200 мм.
  • Высота 3400 мм.
  • Вес 10600 кг.
  • Объем бетона 4,22 м3
  • Геометрический объем 42,84 м3
Цена: 110522 руб.
Подробнее
ФС 1 А5см
Фундаменты под анкерно-угловые опоры составные и составные со сварным и болтовым присоединением Серия 3.407-115
  • Длина 3500 мм.
  • Ширина 2700 мм.
  • Высота 2400 мм.
  • Вес 5830 кг.
  • Объем бетона 2,33 м3
  • Геометрический объем 22,68 м3
Цена: 61023 руб.
Подробнее
ФС 2 а
Фундаменты под анкерно-угловые опоры составные и составные со сварным и болтовым присоединением Серия 3.407-115
  • Длина 3000 мм.
  • Ширина 5200 мм.
  • Высота 3400 мм.
  • Вес 11600 кг.
  • Объем бетона 4,64 м3
  • Геометрический объем 53,04 м3
Цена: 121522 руб.
Подробнее
ФС 1 а5нм
Фундаменты под анкерно-угловые опоры составные и составные со сварным и болтовым присоединением Серия 3.407-115
  • Длина 3000 мм.
  • Ширина 4200 мм.
  • Высота 3115 мм.
  • Вес 10600 кг.
  • Объем бетона 4,22 м3
  • Геометрический объем 39,249 м3
Цена: 110522 руб.
Подробнее
ФС 1 А5с
Фундаменты под анкерно-угловые опоры составные и составные со сварным и болтовым присоединением Серия 3.407-115
  • Длина 3500 мм.
  • Ширина 2700 мм.
  • Высота 3400 мм.
  • Вес 5900 кг.
  • Объем бетона 2,36 м3
  • Геометрический объем 32,13 м3
Цена: 61808 руб.
Подробнее
ФС 1 А5с-48
Фундаменты под анкерно-угловые опоры составные и составные со сварным и болтовым присоединением Серия 3.407-115
  • Длина 3500 мм.
  • Ширина 2700 мм.
  • Высота 3400 мм.
  • Вес 5900 кг.
  • Объем бетона 2,36 м3
  • Геометрический объем 32,13 м3
Цена: 61808 руб.
Подробнее
ФС 1 А5н-48
Фундаменты под анкерно-угловые опоры составные и составные со сварным и болтовым присоединением Серия 3.407-115
  • Длина 3000 мм.
  • Ширина 4200 мм.
  • Высота 3400 мм.
  • Вес 8700 кг.
  • Объем бетона 4,22 м3
  • Геометрический объем 42,84 м3
Цена: 110522 руб.
Подробнее
ФС 2 А-48
Фундаменты под анкерно-угловые опоры составные и составные со сварным и болтовым присоединением Серия 3.407-115
  • Длина 3000 мм.
  • Ширина 5200 мм.
  • Высота 3400 мм.
  • Вес 9200 кг.
  • Объем бетона 4,64 м3
  • Геометрический объем 53,04 м3
Цена: 121522 руб.
Подробнее
ФС 2 А-350
Фундаменты под анкерно-угловые опоры составные и составные со сварным и болтовым присоединением Серия 3.407-115
  • Длина 3000 мм.
  • Ширина 5200 мм.
  • Высота 3400 мм.
  • Вес 9200 кг.
  • Объем бетона 4,64 м3
  • Геометрический объем 53,04 м3
Цена: 121522 руб.
Подробнее
ФС 2 а5н
Фундаменты под анкерно-угловые опоры составные и составные со сварным и болтовым присоединением Серия 3.407-115
  • Длина 3000 мм.
  • Ширина 5200 мм.
  • Высота 3400 мм.
  • Вес 11600 кг.
  • Объем бетона 4,64 м3
  • Геометрический объем 53,04 м3
Цена: 121522 руб.
Подробнее
ФС 2 А5с
Фундаменты под анкерно-угловые опоры составные и составные со сварным и болтовым присоединением Серия 3.407-115
  • Длина 4500 мм.
  • Ширина 2700 мм.
  • Высота 3400 мм.
  • Вес 7325 кг.
  • Объем бетона 2,93 м3
  • Геометрический объем 41,31 м3
Цена: 76737 руб.
Подробнее
ФС 2 А5н-48
Фундаменты под анкерно-угловые опоры составные и составные со сварным и болтовым присоединением Серия 3.407-115
  • Длина 3000 мм.
  • Ширина 5200 мм.
  • Высота 3400 мм.
  • Вес 9200 кг.
  • Объем бетона 4,64 м3
  • Геометрический объем 53,04 м3
Цена: 121522 руб.
Подробнее
ФС 2 а5нм
Фундаменты под анкерно-угловые опоры составные и составные со сварным и болтовым присоединением Серия 3.407-115
  • Длина 3000 мм.
  • Ширина 5200 мм.
  • Высота 3115 мм.
  • Вес 11600 кг.
  • Объем бетона 4,64 м3
  • Геометрический объем 48,594 м3
Цена: 121522 руб.
Подробнее
ФС 2 А5с-48
Фундаменты под анкерно-угловые опоры составные и составные со сварным и болтовым присоединением Серия 3.407-115
  • Длина 4500 мм.
  • Ширина 2700 мм.
  • Высота 3400 мм.
  • Вес 7325 кг.
  • Объем бетона 2,93 м3
  • Геометрический объем 41,31 м3
Цена: 76737 руб.
Подробнее
ФСП 1 а
Фундаменты под анкерно-угловые опоры составные и составные со сварным и болтовым присоединением Серия 3.407-115
  • Длина 3000 мм.
  • Ширина 4200 мм.
  • Высота 4875 мм.
  • Вес 11400 кг.
  • Объем бетона 4,5 м3
  • Геометрический объем 61,425 м3
Цена: 117855 руб.
Подробнее
ФСП 1 А
Фундаменты под анкерно-угловые опоры составные и составные со сварным и болтовым присоединением Серия 3.407-115
  • Длина 3000 мм.
  • Ширина 4200 мм.
  • Высота 5160 мм.
  • Вес 11250 кг.
  • Объем бетона 4,5 м3
  • Геометрический объем 65,016 м3
Цена: 117855 руб.
Подробнее
ФС 2 А5см
Фундаменты под анкерно-угловые опоры составные и составные со сварным и болтовым присоединением Серия 3.407-115
  • Длина 4500 мм.
  • Ширина 2700 мм.
  • Высота 3200 мм.
  • Вес 7260 кг.
  • Объем бетона 2,9 м3
  • Геометрический объем 38,88 м3
Цена: 75951 руб.
Подробнее
ФСП 1 А-350
Фундаменты под анкерно-угловые опоры составные и составные со сварным и болтовым присоединением Серия 3.407-115
  • Длина 3000 мм.
  • Ширина 4200 мм.
  • Высота 5160 мм.
  • Вес 11250 кг.
  • Объем бетона 4,5 м3
  • Геометрический объем 65,016 м3
Цена: 117855 руб.
Подробнее
ФСП 1 А-48
Фундаменты под анкерно-угловые опоры составные и составные со сварным и болтовым присоединением Серия 3.407-115
  • Длина 3000 мм.
  • Ширина 4200 мм.
  • Высота 5160 мм.
  • Вес 11250 кг.
  • Объем бетона 4,5 м3
  • Геометрический объем 65,016 м3
Цена: 117855 руб.
Подробнее
ФСП 2 А
Фундаменты под анкерно-угловые опоры составные и составные со сварным и болтовым присоединением Серия 3.407-115
  • Длина 3000 мм.
  • Ширина 5200 мм.
  • Высота 5160 мм.
  • Вес 12300 кг.
  • Объем бетона 4,92 м3
  • Геометрический объем 80,496 м3
Цена: 128855 руб.
Подробнее
ФСП 2 а
Фундаменты под анкерно-угловые опоры составные и составные со сварным и болтовым присоединением Серия 3.407-115
  • Длина 3000 мм.
  • Ширина 5200 мм.
  • Высота 4875 мм.
  • Вес 12400 кг.
  • Объем бетона 4,92 м3
  • Геометрический объем 76,05 м3
Цена: 128855 руб.
Подробнее
ФСП 2 А-48
Фундаменты под анкерно-угловые опоры составные и составные со сварным и болтовым присоединением Серия 3.407-115
  • Длина 3000 мм.
  • Ширина 5200 мм.
  • Высота 5160 мм.
  • Вес 12300 кг.
  • Объем бетона 4,92 м3
  • Геометрический объем 80,496 м3
Цена: 128855 руб.
Подробнее
ФСП 2 А-350
Фундаменты под анкерно-угловые опоры составные и составные со сварным и болтовым присоединением Серия 3.407-115
  • Длина 3000 мм.
  • Ширина 5200 мм.
  • Высота 5160 мм.
  • Вес 12300 кг.
  • Объем бетона 4,92 м3
  • Геометрический объем 80,496 м3
Цена: 128855 руб.
Подробнее

Как правильно выбрать - Фундаменты под анкерно-угловые опоры составные и составные со сварным и болтовым присоединением Серия 3.407-115

Фундаменты под анкерно-угловые опоры составные и составные со сварным и болтовым присоединением Серия 3.407-115 предназначены для надежного закрепления анкерно-угловых опор воздушных линий электропередачи и контактной сети. Они применяются в условиях значительных выдергивающих и опрокидывающих нагрузок, обеспечивая стабильность всей конструкции. Долговечность и безопасность опоры в значительной степени определяются корректным подбором фундаментов серии 3.407-115 в соответствии с проектными расчетами и геологическими условиями площадки.

Критерии выбора

  • Тип соединения: Определите, требуется ли составной фундамент со сварным или болтовым присоединением, исходя из проекта и условий монтажа (наличие сварочного оборудования, доступность).
  • Марка бетона и прочностные характеристики: Убедитесь, что изделие изготовлено из бетона не ниже марки М300 (класс В22,5) с морозостойкостью F150-F200 и водонепроницаемостью W6, что критично для работы в грунтовых условиях.
  • Конфигурация и типоразмер: Выбирайте конкретный типоразмер фундамента (например, ФАУ-...) на основе паспортной нагрузки, указанной в серии 3.407-115, и габаритных требований котлована.
  • Наличие и тип закладных деталей: Проверьте соответствие закладных деталей (анкерные болты, пластины) проекту по материалу (сталь Ст3пс/сп), геометрии и антикоррозионному покрытию.
  • Соответствие нормативной документации: Требуйте паспорт качества, подтверждающий изготовление фундаментов под анкерно-угловые опоры в строгом соответствии с Серией 3.407-115 и ГОСТ 13015-2012.

Рекомендации по подбору и монтажу

При составлении спецификации на фундаменты под анкерно-угловые опоры составные Серия 3.407-115 обязательно укажите не только типоразмер, но и тип соединения (сварное/болтовое). Это исключит ошибки при комплектации. Перед приемкой визуально проверьте целостность бетона, отсутствие трещин и точность расположения закладных деталей, так как их смещение сделает монтаж опоры невозможным.

На этапе монтажа критически важна подготовка основания – устройство песчано-гравийной подушки и тщательное выверение положения фундамента в плане и по высоте перед бетонированием пазух. Для составных фундаментов с болтовым соединением контролируйте момент затяжки согласно проекту, а для сварного – качество сварочных швов. Правильная обратная засыпка и уплотнение грунта обеспечат проектное сопротивление выдергиванию.

Ответы экспертов на ваши вопросы

Ответ: Фундаменты данной серии применяются в линиях электропередачи для установки анкерно-угловых опор, где требуется восприятие значительных нагрузок от натяжения проводов и внешних воздействий. Они используются в различных грунтовых условиях и обеспечивают устойчивость опор при изменении направления трассы ЛЭП.

Ответ: Составные фундаменты состоят из нескольких сборных элементов (обычно железобетонных блоков), которые соединяются на объекте. При болтовом соединении используются стальные элементы и анкерные болты, что обеспечивает возможность демонтажа. Сварное соединение выполняется стальными закладными деталями и обеспечивает более жесткое и монолитное соединение. Выбор типа соединения зависит от условий монтажа и эксплуатационных требований.

Ответ: Основные преимущества: сокращение сроков монтажа за счет использования готовых элементов, возможность транспортировки крупногабаритных конструкций в разобранном виде, снижение трудоемкости работ на объекте, возможность использования стандартизированных элементов для разных типов опор.

Ответ: При проектировании учитываются: вертикальные нагрузки от веса опоры и проводов, горизонтальные нагрузки от натяжения проводов, ветровые нагрузки, температурные воздействия, нагрузки от обледенения, а также сейсмические воздействия для соответствующих регионов. Особое внимание уделяется выдергивающим и опрокидывающим моментам для анкерно-угловых опор.

Ответ: Требования включают: точное соблюдение проектных отметок и положения осей, контроль качества соединений (затяжка болтов с контролируемым усилием или качество сварных швов), проверку вертикальности установки, уплотнение грунта обратной засыпки, проведение геодезических проверок. Обязателен входной контроль материалов и элементов, а также поэтапный контроль выполнения работ.

Ранее смотрели
Фундаментные блоки пустотные ФБП серия 1.116.1-8 и ГОСТ 13579-78 ФБП 24-4-6 п
ФБП 24-4-6 п
Фундаментные блоки пустотные ФБП серия 1.116.1-8 и ГОСТ 13579-78
Косоуры ТП 501-166 К 7 (ТП 501-166)
К 7 (ТП 501-166)
Косоуры ТП 501-166
Настил коробчатый Серия В 86 Н 1-4,5-700 п (В 86)
Н 1-4,5-700 п (В 86)
Настил коробчатый Серия В 86
Косоуры ТП 501-166 К 1 (ТП 501-166)
К 1 (ТП 501-166)
Косоуры ТП 501-166
Опорные подушки Серия 1.030.9-2 ОП 3
ОП 3
Опорные подушки Серия 1.030.9-2
Косоуры ТП 501-166 К 5 (ТП 501-166)
К 5 (ТП 501-166)
Косоуры ТП 501-166
Лотки-полутрубы Д 1 м
Лотки-полутрубы Д 1 м
Мотки Альбом 819
Звенья железобетонные круглых водопропускных труб под железные и автомобильные дороги (Шифр 57-368) Блок 83 (блок фундамента R-1,0)
Блок 83 (блок фундамента R-1,0)
Звенья железобетонные круглых водопропускных труб под железные и автомобильные дороги (Шифр 57-368)

Уведомление о файлах cookie

Мы используем файлы cookie для улучшения вашего опыта просмотра и анализа трафика. Нажимая "Принять все", вы соглашаетесь с нашей политикой конфиденциальности и политикой обработки файлов cookie.

Дзен Телеграм Вконтакте vk