mobile_sound +7 (930) 655-55-90

Блоки-стаканы верхние Серия 0-221-84

Поделиться:
Фильтр по характеристикам
Длина (мм.)
keyboard_arrow_down
мм.
мм.
Ширина (мм.)
keyboard_arrow_down
мм.
мм.
Высота (мм.)
keyboard_arrow_down
мм.
мм.
Вес (кг.)
keyboard_arrow_down
кг.
кг.
Поделиться:

Завод "Бетон365" производит верхние блоки-стаканы серии 0-221-84 – специализированные железобетонные изделия для монтажа колонн в промышленных и гражданских объектах. Эти конструкции обеспечивают точное позиционирование и надежную фиксацию несущих элементов, равномерно распределяя нагрузку и повышая сейсмостойкость здания. Изготовленные из тяжелого бетона с соблюдением ГОСТ, они гарантируют долговечность и устойчивость каркаса даже при интенсивной эксплуатации.

В Москве и МО вы можете купить верхние блоки-стаканы серии 0-221-84 непосредственно от производителя по оптимальной цене, избегая посреднических надбавок. Мы обеспечиваем полный цикл – от консультации по применению до оперативной доставки на объект с соблюдением сроков. Для расчета стоимости и оформления заказа свяжитесь с нашими специалистами!

ВБ 10-12-15-1
Блоки-стаканы верхние Серия 0-221-84
  • Длина 1000 мм.
  • Ширина 1200 мм.
  • Высота 1490 мм.
  • Вес 3720 кг.
  • Объем бетона 1,49 м3
  • Геометрический объем 1,788 м3
Цена: 24570 руб.
Подробнее
ВБ 10-12-15-2
Блоки-стаканы верхние Серия 0-221-84
  • Длина 1000 мм.
  • Ширина 1200 мм.
  • Высота 1490 мм.
  • Вес 3720 кг.
  • Объем бетона 1,49 м3
  • Геометрический объем 1,788 м3
Цена: 24570 руб.
Подробнее
ВБ 10-12-18-1
Блоки-стаканы верхние Серия 0-221-84
  • Длина 1000 мм.
  • Ширина 1200 мм.
  • Высота 1790 мм.
  • Вес 4270 кг.
  • Объем бетона 1,71 м3
  • Геометрический объем 2,148 м3
Цена: 28198 руб.
Подробнее
ВБ 10-12-18-2
Блоки-стаканы верхние Серия 0-221-84
  • Длина 1000 мм.
  • Ширина 1200 мм.
  • Высота 1790 мм.
  • Вес 4270 кг.
  • Объем бетона 1,71 м3
  • Геометрический объем 2,148 м3
Цена: 28198 руб.
Подробнее
ВБ 10-12-21-1
Блоки-стаканы верхние Серия 0-221-84
  • Длина 1000 мм.
  • Ширина 1200 мм.
  • Высота 2090 мм.
  • Вес 4810 кг.
  • Объем бетона 1,93 м3
  • Геометрический объем 2,508 м3
Цена: 31826 руб.
Подробнее
ВБ 10-12-21-2
Блоки-стаканы верхние Серия 0-221-84
  • Длина 1000 мм.
  • Ширина 1200 мм.
  • Высота 2090 мм.
  • Вес 4810 кг.
  • Объем бетона 1,93 м3
  • Геометрический объем 2,508 м3
Цена: 31826 руб.
Подробнее
ВБ 10-12-24-1
Блоки-стаканы верхние Серия 0-221-84
  • Длина 1000 мм.
  • Ширина 1200 мм.
  • Высота 2390 мм.
  • Вес 5360 кг.
  • Объем бетона 2,14 м3
  • Геометрический объем 2,868 м3
Цена: 35289 руб.
Подробнее
ВБ 10-12-27-1
Блоки-стаканы верхние Серия 0-221-84
  • Длина 1000 мм.
  • Ширина 1200 мм.
  • Высота 2690 мм.
  • Вес 5900 кг.
  • Объем бетона 2,36 м3
  • Геометрический объем 3,228 м3
Цена: 38916 руб.
Подробнее
ВБ 10-12-24-2
Блоки-стаканы верхние Серия 0-221-84
  • Длина 1000 мм.
  • Ширина 1200 мм.
  • Высота 2390 мм.
  • Вес 5360 кг.
  • Объем бетона 2,14 м3
  • Геометрический объем 2,868 м3
Цена: 35289 руб.
Подробнее
ВБ 10-12-27-2
Блоки-стаканы верхние Серия 0-221-84
  • Длина 1000 мм.
  • Ширина 1200 мм.
  • Высота 2690 мм.
  • Вес 5900 кг.
  • Объем бетона 2,36 м3
  • Геометрический объем 3,228 м3
Цена: 38916 руб.
Подробнее
ВБ 10-12-30-1
Блоки-стаканы верхние Серия 0-221-84
  • Длина 1000 мм.
  • Ширина 1200 мм.
  • Высота 2990 мм.
  • Вес 6470 кг.
  • Объем бетона 2,59 м3
  • Геометрический объем 3,588 м3
Цена: 42709 руб.
Подробнее
ВБ 10-12-30-2
Блоки-стаканы верхние Серия 0-221-84
  • Длина 1000 мм.
  • Ширина 1200 мм.
  • Высота 2990 мм.
  • Вес 6470 кг.
  • Объем бетона 2,59 м3
  • Геометрический объем 3,588 м3
Цена: 42709 руб.
Подробнее
ВБ 10-12-33-1
Блоки-стаканы верхние Серия 0-221-84
  • Длина 1000 мм.
  • Ширина 1200 мм.
  • Высота 3290 мм.
  • Вес 7020 кг.
  • Объем бетона 2,81 м3
  • Геометрический объем 3,948 м3
Цена: 46337 руб.
Подробнее
ВБ 10-12-36-2
Блоки-стаканы верхние Серия 0-221-84
  • Длина 1000 мм.
  • Ширина 1200 мм.
  • Высота 3590 мм.
  • Вес 7560 кг.
  • Объем бетона 3,03 м3
  • Геометрический объем 4,308 м3
Цена: 49965 руб.
Подробнее
ВБ 10-12-39-2
Блоки-стаканы верхние Серия 0-221-84
  • Длина 1000 мм.
  • Ширина 1200 мм.
  • Высота 3890 мм.
  • Вес 8110 кг.
  • Объем бетона 3,24 м3
  • Геометрический объем 4,668 м3
Цена: 53428 руб.
Подробнее
ВБ 10-12-33-2
Блоки-стаканы верхние Серия 0-221-84
  • Длина 1000 мм.
  • Ширина 1200 мм.
  • Высота 3290 мм.
  • Вес 7020 кг.
  • Объем бетона 2,81 м3
  • Геометрический объем 3,948 м3
Цена: 46337 руб.
Подробнее
ВБ 10-12-36-1
Блоки-стаканы верхние Серия 0-221-84
  • Длина 1000 мм.
  • Ширина 1200 мм.
  • Высота 3590 мм.
  • Вес 7560 кг.
  • Объем бетона 3,03 м3
  • Геометрический объем 4,308 м3
Цена: 49965 руб.
Подробнее
ВБ 10-12-39-1
Блоки-стаканы верхние Серия 0-221-84
  • Длина 1000 мм.
  • Ширина 1200 мм.
  • Высота 3890 мм.
  • Вес 8110 кг.
  • Объем бетона 3,24 м3
  • Геометрический объем 4,668 м3
Цена: 53428 руб.
Подробнее
ВБ 10-12-42-1
Блоки-стаканы верхние Серия 0-221-84
  • Длина 1000 мм.
  • Ширина 1200 мм.
  • Высота 4190 мм.
  • Вес 8650 кг.
  • Объем бетона 3,46 м3
  • Геометрический объем 5,028 м3
Цена: 57055 руб.
Подробнее
ВБ 10-12-45-1
Блоки-стаканы верхние Серия 0-221-84
  • Длина 1000 мм.
  • Ширина 1200 мм.
  • Высота 4490 мм.
  • Вес 9200 кг.
  • Объем бетона 3,68 м3
  • Геометрический объем 5,388 м3
Цена: 60683 руб.
Подробнее
ВБ 10-12-45-2
Блоки-стаканы верхние Серия 0-221-84
  • Длина 1000 мм.
  • Ширина 1200 мм.
  • Высота 4490 мм.
  • Вес 9200 кг.
  • Объем бетона 3,68 м3
  • Геометрический объем 5,388 м3
Цена: 60683 руб.
Подробнее
ВБ 10-12-48-1
Блоки-стаканы верхние Серия 0-221-84
  • Длина 1000 мм.
  • Ширина 1200 мм.
  • Высота 4790 мм.
  • Вес 9740 кг.
  • Объем бетона 3,9 м3
  • Геометрический объем 5,748 м3
Цена: 64311 руб.
Подробнее
ВБ 10-12-48-2
Блоки-стаканы верхние Серия 0-221-84
  • Длина 1000 мм.
  • Ширина 1200 мм.
  • Высота 4790 мм.
  • Вес 9740 кг.
  • Объем бетона 3,9 м3
  • Геометрический объем 5,748 м3
Цена: 64311 руб.
Подробнее
ВБ 10-12-42-2
Блоки-стаканы верхние Серия 0-221-84
  • Длина 1000 мм.
  • Ширина 1200 мм.
  • Высота 4190 мм.
  • Вес 8650 кг.
  • Объем бетона 3,46 м3
  • Геометрический объем 5,028 м3
Цена: 57055 руб.
Подробнее
ВБ 10-12-51-2
Блоки-стаканы верхние Серия 0-221-84
  • Длина 1000 мм.
  • Ширина 1200 мм.
  • Высота 5090 мм.
  • Вес 10290 кг.
  • Объем бетона 4,12 м3
  • Геометрический объем 6,108 м3
Цена: 67939 руб.
Подробнее
ВБ 10-12-57-1
Блоки-стаканы верхние Серия 0-221-84
  • Длина 1000 мм.
  • Ширина 1200 мм.
  • Высота 5690 мм.
  • Вес 11380 кг.
  • Объем бетона 4,55 м3
  • Геометрический объем 6,828 м3
Цена: 75030 руб.
Подробнее
ВБ 10-12-51-1
Блоки-стаканы верхние Серия 0-221-84
  • Длина 1000 мм.
  • Ширина 1200 мм.
  • Высота 5090 мм.
  • Вес 10290 кг.
  • Объем бетона 4,12 м3
  • Геометрический объем 6,108 м3
Цена: 67939 руб.
Подробнее
ВБ 10-12-54-1
Блоки-стаканы верхние Серия 0-221-84
  • Длина 1000 мм.
  • Ширина 1200 мм.
  • Высота 5390 мм.
  • Вес 10830 кг.
  • Объем бетона 4,33 м3
  • Геометрический объем 6,468 м3
Цена: 71402 руб.
Подробнее
ВБ 10-12-57-2
Блоки-стаканы верхние Серия 0-221-84
  • Длина 1000 мм.
  • Ширина 1200 мм.
  • Высота 5690 мм.
  • Вес 11380 кг.
  • Объем бетона 4,55 м3
  • Геометрический объем 6,828 м3
Цена: 75030 руб.
Подробнее
ВБ 10-12-54-2
Блоки-стаканы верхние Серия 0-221-84
  • Длина 1000 мм.
  • Ширина 1200 мм.
  • Высота 5390 мм.
  • Вес 10830 кг.
  • Объем бетона 4,33 м3
  • Геометрический объем 6,468 м3
Цена: 71402 руб.
Подробнее
ВБ 10-12-60-2
Блоки-стаканы верхние Серия 0-221-84
  • Длина 1000 мм.
  • Ширина 1200 мм.
  • Высота 5990 мм.
  • Вес 11950 кг.
  • Объем бетона 4,78 м3
  • Геометрический объем 7,188 м3
Цена: 78822 руб.
Подробнее
ВБ 9-10-15-1
Блоки-стаканы верхние Серия 0-221-84
  • Длина 900 мм.
  • Ширина 1000 мм.
  • Высота 1490 мм.
  • Вес 3060 кг.
  • Объем бетона 1,23 м3
  • Геометрический объем 1,341 м3
Цена: 20283 руб.
Подробнее
ВБ 9-10-15-2
Блоки-стаканы верхние Серия 0-221-84
  • Длина 900 мм.
  • Ширина 1000 мм.
  • Высота 1490 мм.
  • Вес 3060 кг.
  • Объем бетона 1,23 м3
  • Геометрический объем 1,341 м3
Цена: 20283 руб.
Подробнее
ВБ 10-12-60-1
Блоки-стаканы верхние Серия 0-221-84
  • Длина 1000 мм.
  • Ширина 1200 мм.
  • Высота 5990 мм.
  • Вес 11950 кг.
  • Объем бетона 4,78 м3
  • Геометрический объем 7,188 м3
Цена: 78822 руб.
Подробнее
ВБ 9-10-15-3
Блоки-стаканы верхние Серия 0-221-84
  • Длина 900 мм.
  • Ширина 1000 мм.
  • Высота 1490 мм.
  • Вес 3060 кг.
  • Объем бетона 1,23 м3
  • Геометрический объем 1,341 м3
Цена: 20283 руб.
Подробнее
ВБ 9-10-15-4
Блоки-стаканы верхние Серия 0-221-84
  • Длина 900 мм.
  • Ширина 1000 мм.
  • Высота 1490 мм.
  • Вес 3060 кг.
  • Объем бетона 1,23 м3
  • Геометрический объем 1,341 м3
Цена: 20283 руб.
Подробнее
ВБ 9-10-15-5
Блоки-стаканы верхние Серия 0-221-84
  • Длина 900 мм.
  • Ширина 1000 мм.
  • Высота 1490 мм.
  • Вес 3060 кг.
  • Объем бетона 1,23 м3
  • Геометрический объем 1,341 м3
Цена: 20283 руб.
Подробнее
ВБ 9-10-18-1
Блоки-стаканы верхние Серия 0-221-84
  • Длина 900 мм.
  • Ширина 1000 мм.
  • Высота 1790 мм.
  • Вес 3520 кг.
  • Объем бетона 1,41 м3
  • Геометрический объем 1,611 м3
Цена: 23251 руб.
Подробнее
ВБ 9-10-18-3
Блоки-стаканы верхние Серия 0-221-84
  • Длина 900 мм.
  • Ширина 1000 мм.
  • Высота 1790 мм.
  • Вес 3520 кг.
  • Объем бетона 1,41 м3
  • Геометрический объем 1,611 м3
Цена: 23251 руб.
Подробнее
ВБ 9-10-18-4
Блоки-стаканы верхние Серия 0-221-84
  • Длина 900 мм.
  • Ширина 1000 мм.
  • Высота 1790 мм.
  • Вес 3520 кг.
  • Объем бетона 1,41 м3
  • Геометрический объем 1,611 м3
Цена: 23251 руб.
Подробнее
ВБ 9-10-18-2
Блоки-стаканы верхние Серия 0-221-84
  • Длина 900 мм.
  • Ширина 1000 мм.
  • Высота 1790 мм.
  • Вес 3520 кг.
  • Объем бетона 1,41 м3
  • Геометрический объем 1,611 м3
Цена: 23251 руб.
Подробнее
ВБ 9-10-18-5
Блоки-стаканы верхние Серия 0-221-84
  • Длина 900 мм.
  • Ширина 1000 мм.
  • Высота 1790 мм.
  • Вес 3520 кг.
  • Объем бетона 1,41 м3
  • Геометрический объем 1,611 м3
Цена: 23251 руб.
Подробнее
ВБ 9-10-21-1
Блоки-стаканы верхние Серия 0-221-84
  • Длина 900 мм.
  • Ширина 1000 мм.
  • Высота 2090 мм.
  • Вес 3990 кг.
  • Объем бетона 1,6 м3
  • Геометрический объем 1,881 м3
Цена: 26384 руб.
Подробнее
ВБ 9-10-21-2
Блоки-стаканы верхние Серия 0-221-84
  • Длина 900 мм.
  • Ширина 1000 мм.
  • Высота 2090 мм.
  • Вес 3990 кг.
  • Объем бетона 1,6 м3
  • Геометрический объем 1,881 м3
Цена: 26384 руб.
Подробнее
ВБ 9-10-21-3
Блоки-стаканы верхние Серия 0-221-84
  • Длина 900 мм.
  • Ширина 1000 мм.
  • Высота 2090 мм.
  • Вес 3990 кг.
  • Объем бетона 1,6 м3
  • Геометрический объем 1,881 м3
Цена: 26384 руб.
Подробнее
ВБ 9-10-24-1
Блоки-стаканы верхние Серия 0-221-84
  • Длина 900 мм.
  • Ширина 1000 мм.
  • Высота 2390 мм.
  • Вес 4450 кг.
  • Объем бетона 1,78 м3
  • Геометрический объем 2,151 м3
Цена: 29352 руб.
Подробнее
ВБ 9-10-21-5
Блоки-стаканы верхние Серия 0-221-84
  • Длина 900 мм.
  • Ширина 1000 мм.
  • Высота 2090 мм.
  • Вес 3990 кг.
  • Объем бетона 1,6 м3
  • Геометрический объем 1,881 м3
Цена: 26384 руб.
Подробнее
ВБ 9-10-21-4
Блоки-стаканы верхние Серия 0-221-84
  • Длина 900 мм.
  • Ширина 1000 мм.
  • Высота 2090 мм.
  • Вес 3990 кг.
  • Объем бетона 1,6 м3
  • Геометрический объем 1,881 м3
Цена: 26384 руб.
Подробнее
ВБ 9-10-24-3
Блоки-стаканы верхние Серия 0-221-84
  • Длина 900 мм.
  • Ширина 1000 мм.
  • Высота 2390 мм.
  • Вес 4450 кг.
  • Объем бетона 1,78 м3
  • Геометрический объем 2,151 м3
Цена: 29352 руб.
Подробнее
ВБ 9-10-24-2
Блоки-стаканы верхние Серия 0-221-84
  • Длина 900 мм.
  • Ширина 1000 мм.
  • Высота 2390 мм.
  • Вес 4450 кг.
  • Объем бетона 1,78 м3
  • Геометрический объем 2,151 м3
Цена: 29352 руб.
Подробнее
ВБ 9-10-24-5
Блоки-стаканы верхние Серия 0-221-84
  • Длина 900 мм.
  • Ширина 1000 мм.
  • Высота 2390 мм.
  • Вес 4450 кг.
  • Объем бетона 1,78 м3
  • Геометрический объем 2,151 м3
Цена: 29352 руб.
Подробнее
ВБ 9-10-24-4
Блоки-стаканы верхние Серия 0-221-84
  • Длина 900 мм.
  • Ширина 1000 мм.
  • Высота 2390 мм.
  • Вес 4450 кг.
  • Объем бетона 1,78 м3
  • Геометрический объем 2,151 м3
Цена: 29352 руб.
Подробнее
ВБ 9-10-27-1
Блоки-стаканы верхние Серия 0-221-84
  • Длина 900 мм.
  • Ширина 1000 мм.
  • Высота 2690 мм.
  • Вес 4940 кг.
  • Объем бетона 1,97 м3
  • Геометрический объем 2,421 м3
Цена: 32485 руб.
Подробнее
ВБ 9-10-27-2
Блоки-стаканы верхние Серия 0-221-84
  • Длина 900 мм.
  • Ширина 1000 мм.
  • Высота 2690 мм.
  • Вес 4940 кг.
  • Объем бетона 1,97 м3
  • Геометрический объем 2,421 м3
Цена: 32485 руб.
Подробнее
ВБ 9-10-27-4
Блоки-стаканы верхние Серия 0-221-84
  • Длина 900 мм.
  • Ширина 1000 мм.
  • Высота 2690 мм.
  • Вес 4940 кг.
  • Объем бетона 1,97 м3
  • Геометрический объем 2,421 м3
Цена: 32485 руб.
Подробнее
ВБ 9-10-27-3
Блоки-стаканы верхние Серия 0-221-84
  • Длина 900 мм.
  • Ширина 1000 мм.
  • Высота 2690 мм.
  • Вес 4940 кг.
  • Объем бетона 1,97 м3
  • Геометрический объем 2,421 м3
Цена: 32485 руб.
Подробнее
ВБ 9-10-30-1
Блоки-стаканы верхние Серия 0-221-84
  • Длина 900 мм.
  • Ширина 1000 мм.
  • Высота 2990 мм.
  • Вес 5400 кг.
  • Объем бетона 2,16 м3
  • Геометрический объем 2,691 м3
Цена: 35618 руб.
Подробнее
ВБ 9-10-27-5
Блоки-стаканы верхние Серия 0-221-84
  • Длина 900 мм.
  • Ширина 1000 мм.
  • Высота 2690 мм.
  • Вес 4940 кг.
  • Объем бетона 1,97 м3
  • Геометрический объем 2,421 м3
Цена: 32485 руб.
Подробнее
ВБ 9-10-30-2
Блоки-стаканы верхние Серия 0-221-84
  • Длина 900 мм.
  • Ширина 1000 мм.
  • Высота 2990 мм.
  • Вес 5400 кг.
  • Объем бетона 2,16 м3
  • Геометрический объем 2,691 м3
Цена: 35618 руб.
Подробнее
ВБ 9-10-30-3
Блоки-стаканы верхние Серия 0-221-84
  • Длина 900 мм.
  • Ширина 1000 мм.
  • Высота 2990 мм.
  • Вес 5400 кг.
  • Объем бетона 2,16 м3
  • Геометрический объем 2,691 м3
Цена: 35618 руб.
Подробнее

Как правильно выбрать - Блоки-стаканы верхние Серия 0-221-84

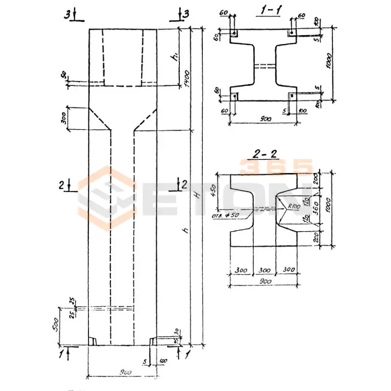
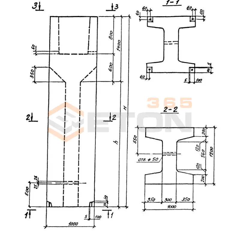
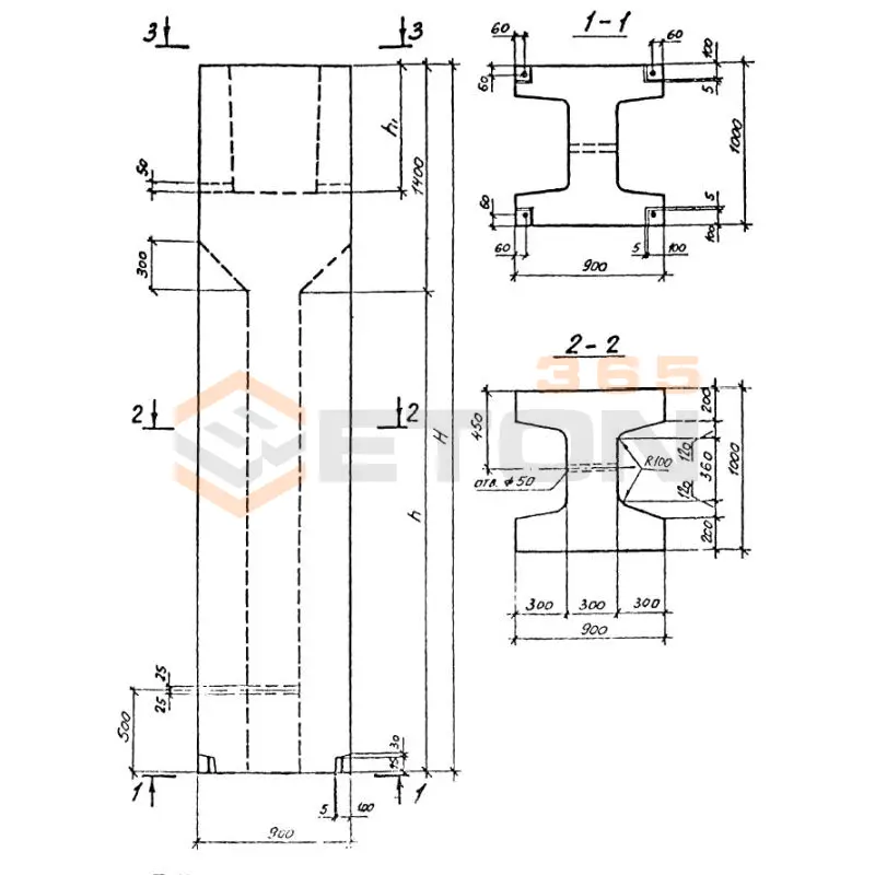
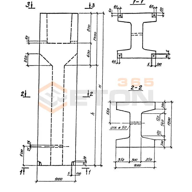
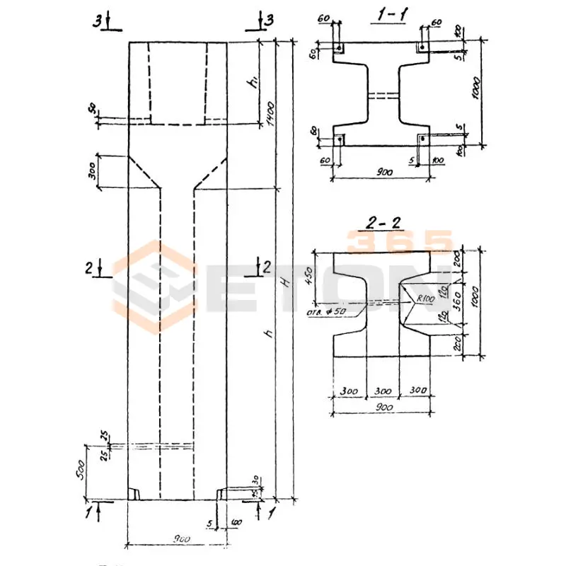
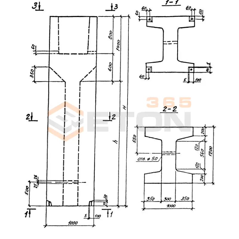
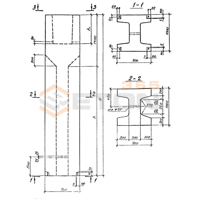
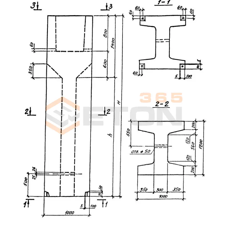
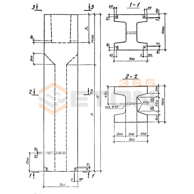
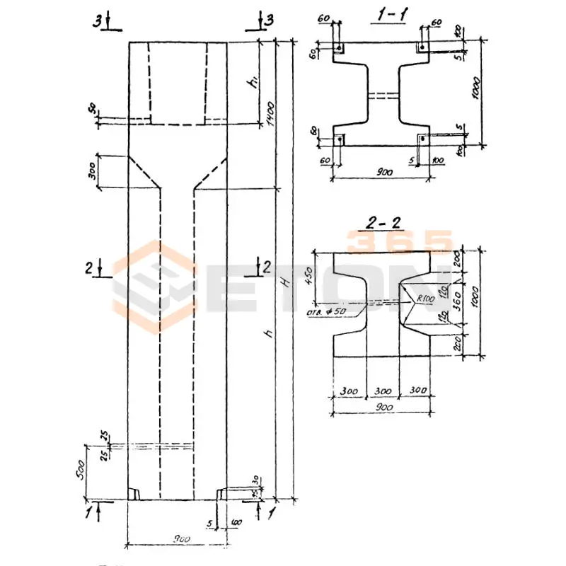
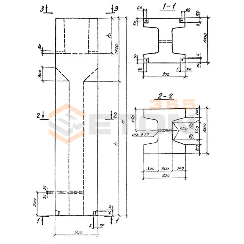
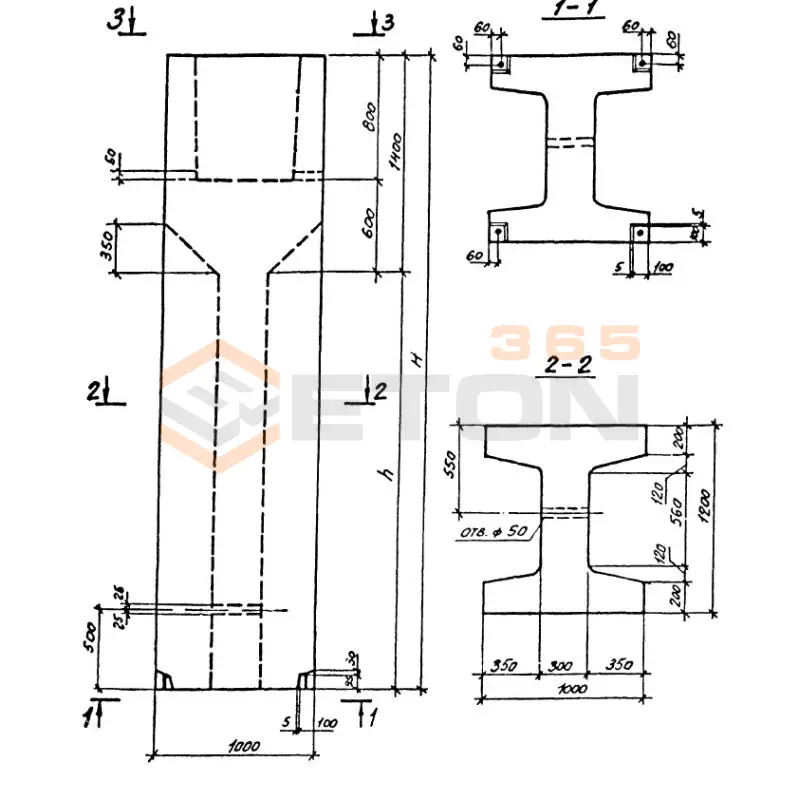
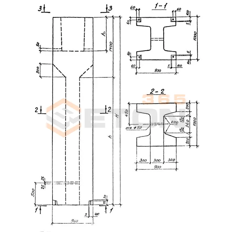
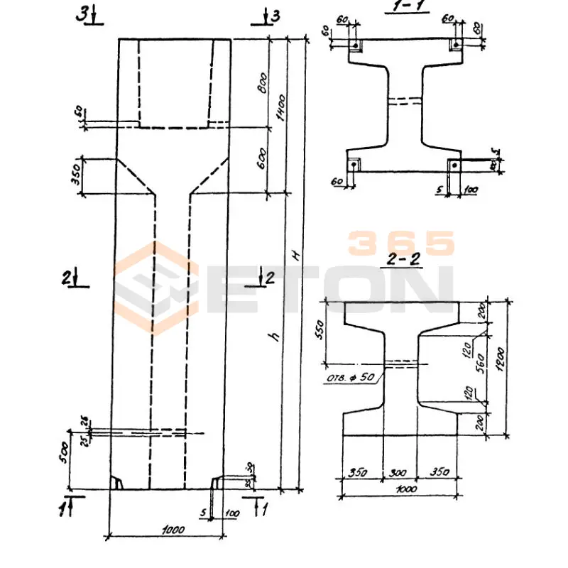
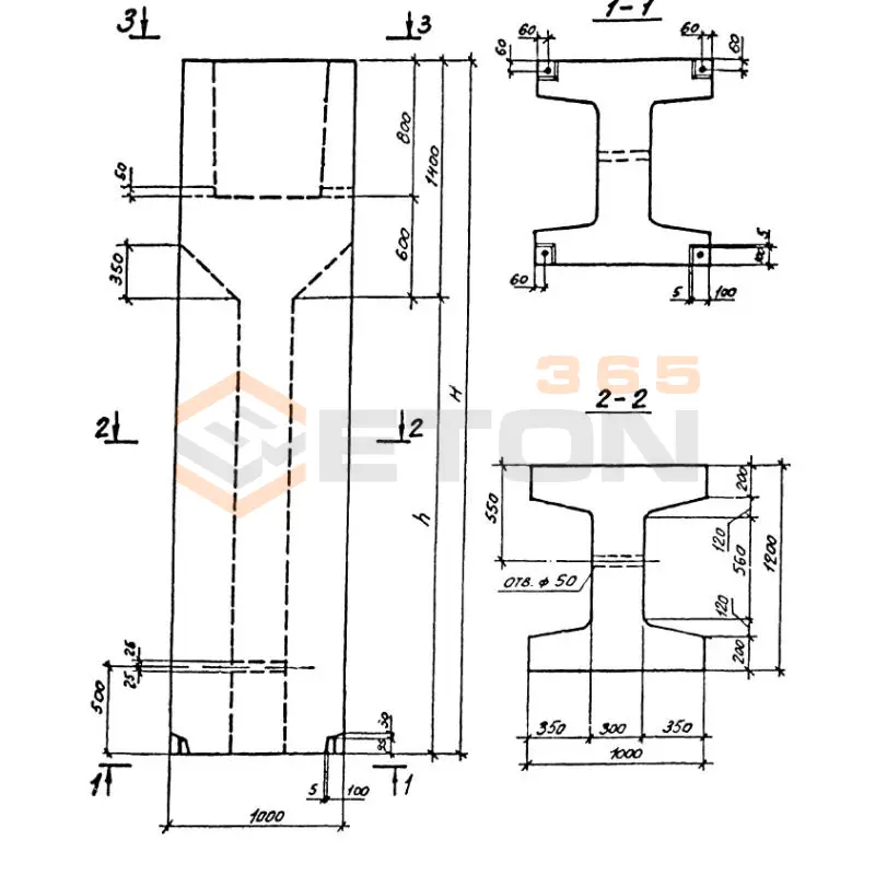
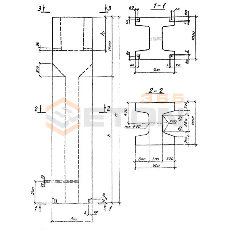
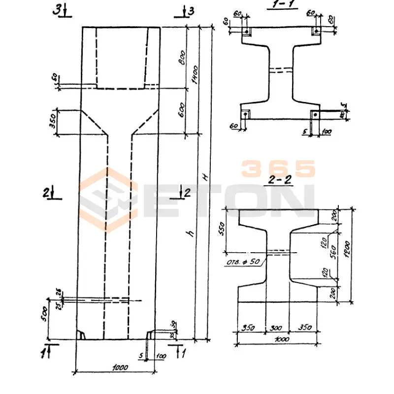
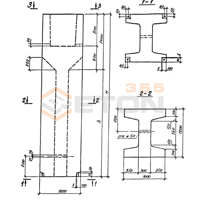
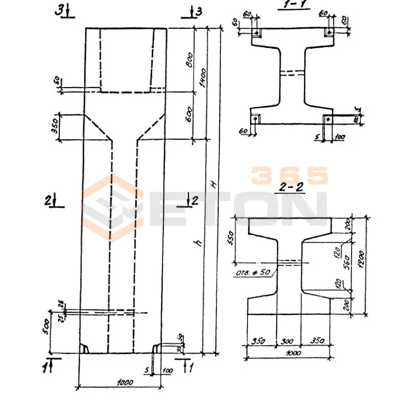
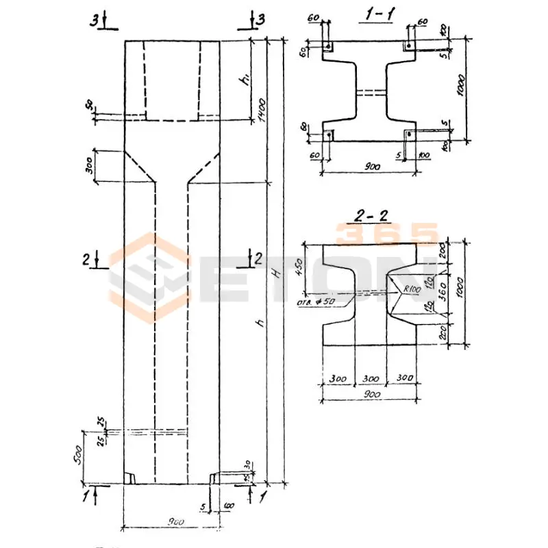
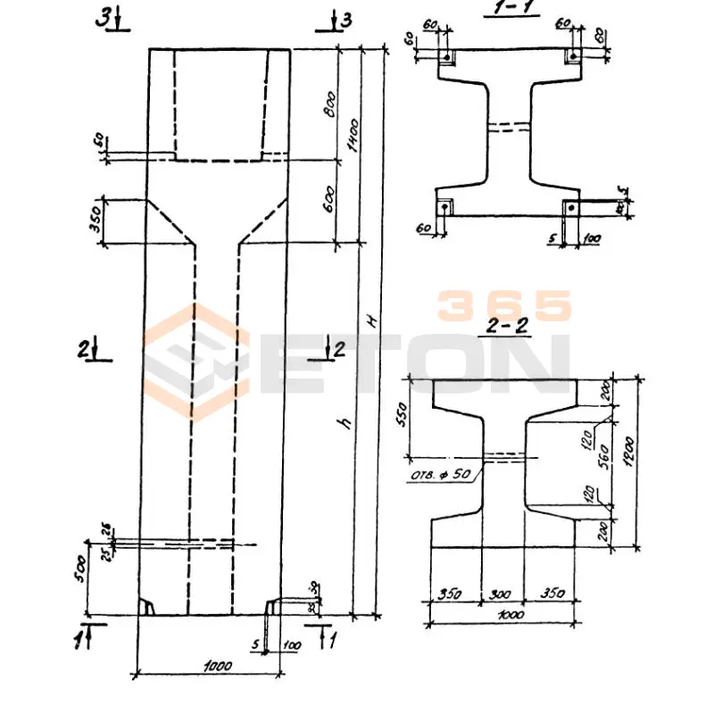
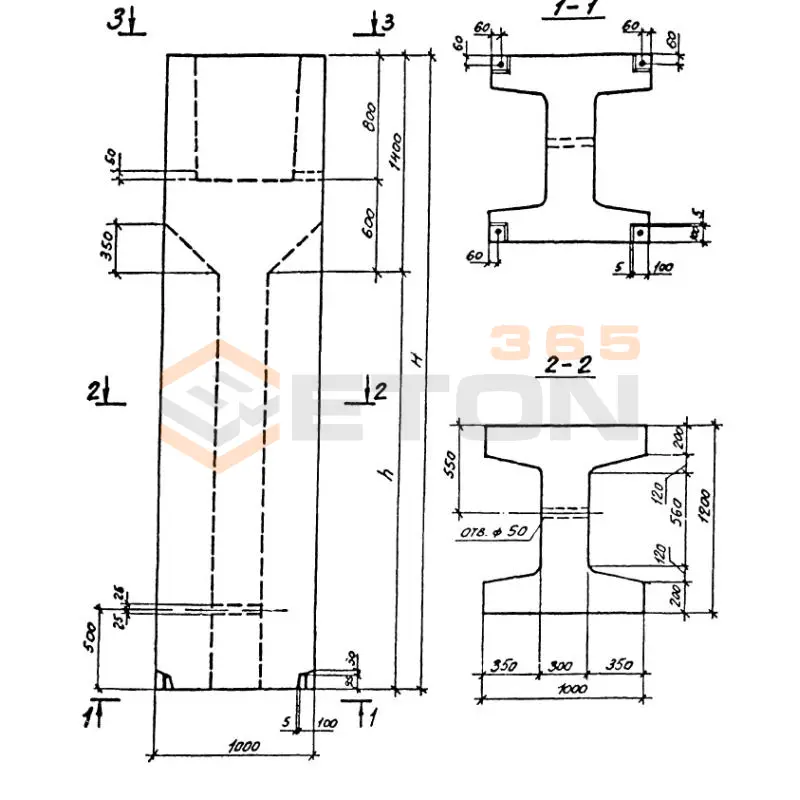
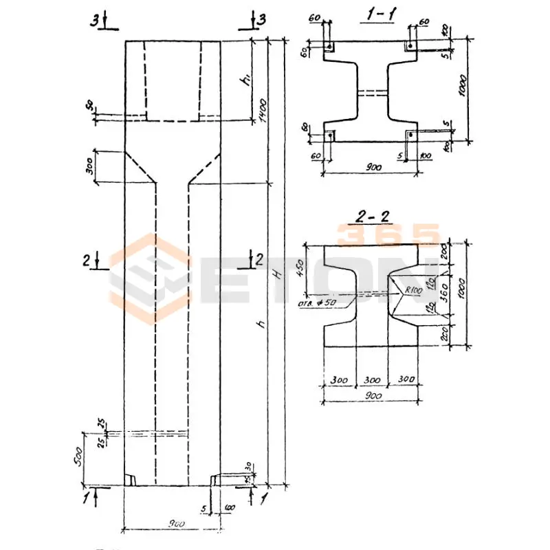
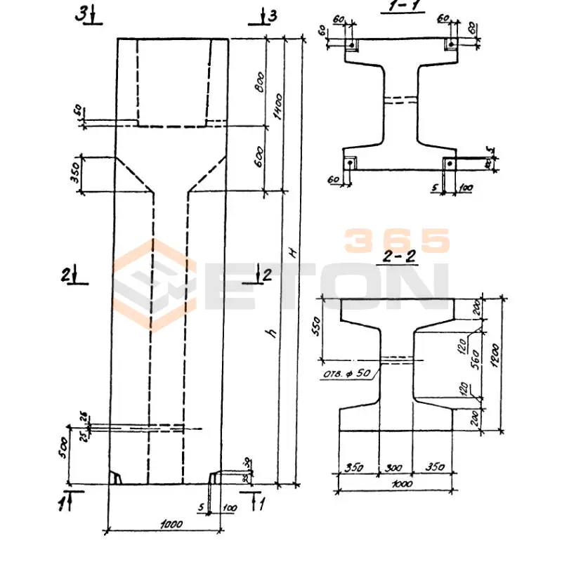
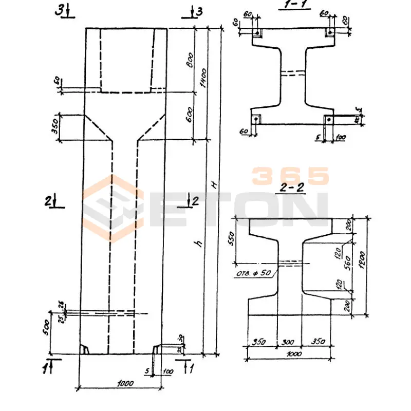
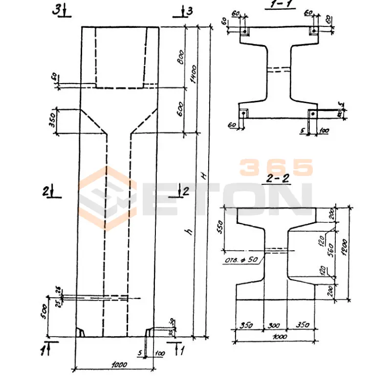
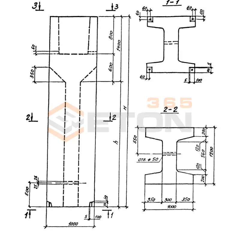
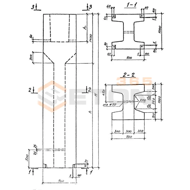
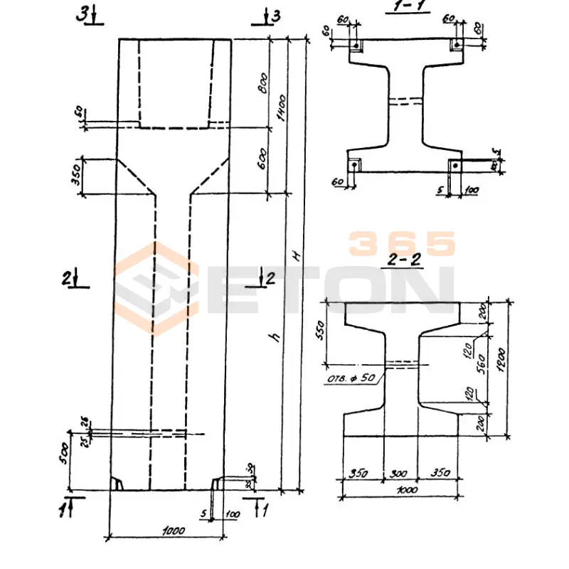
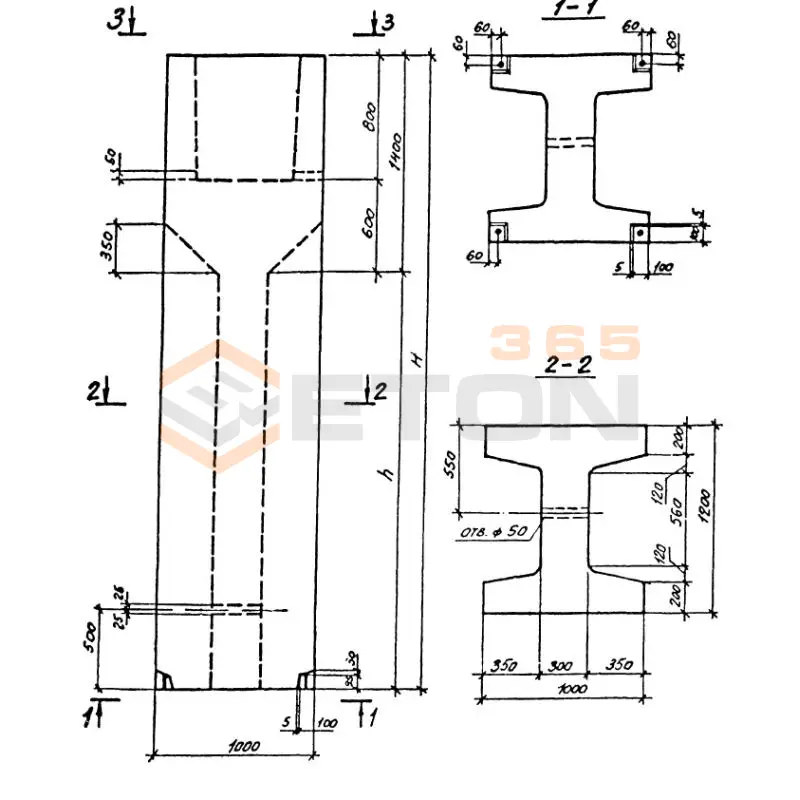
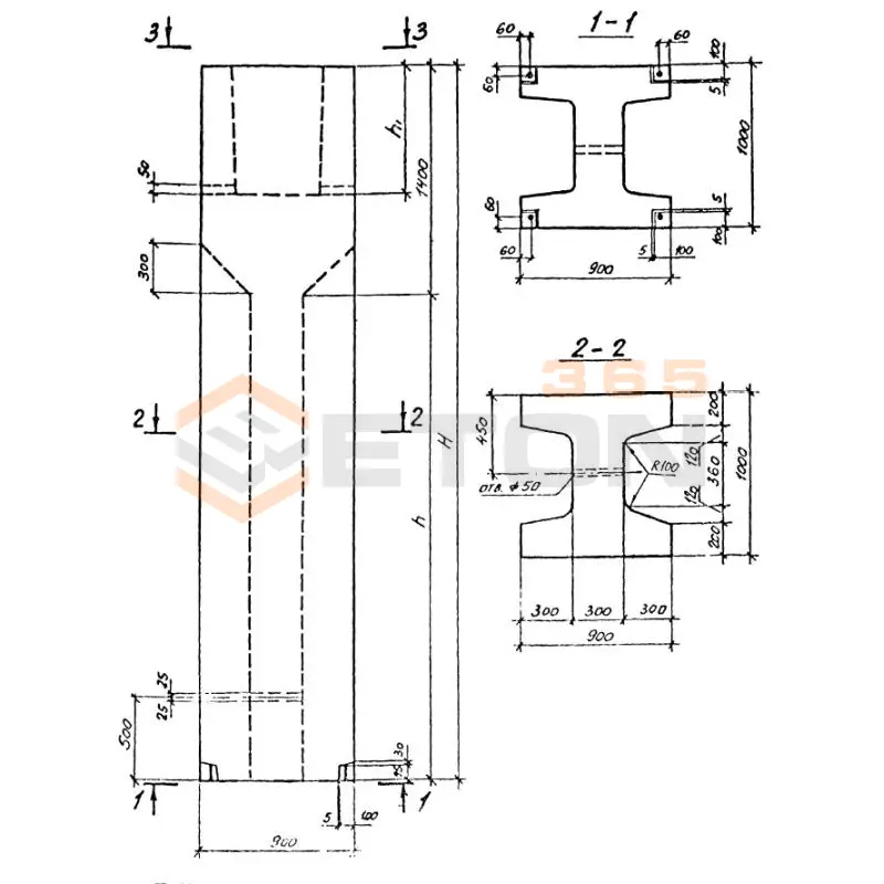
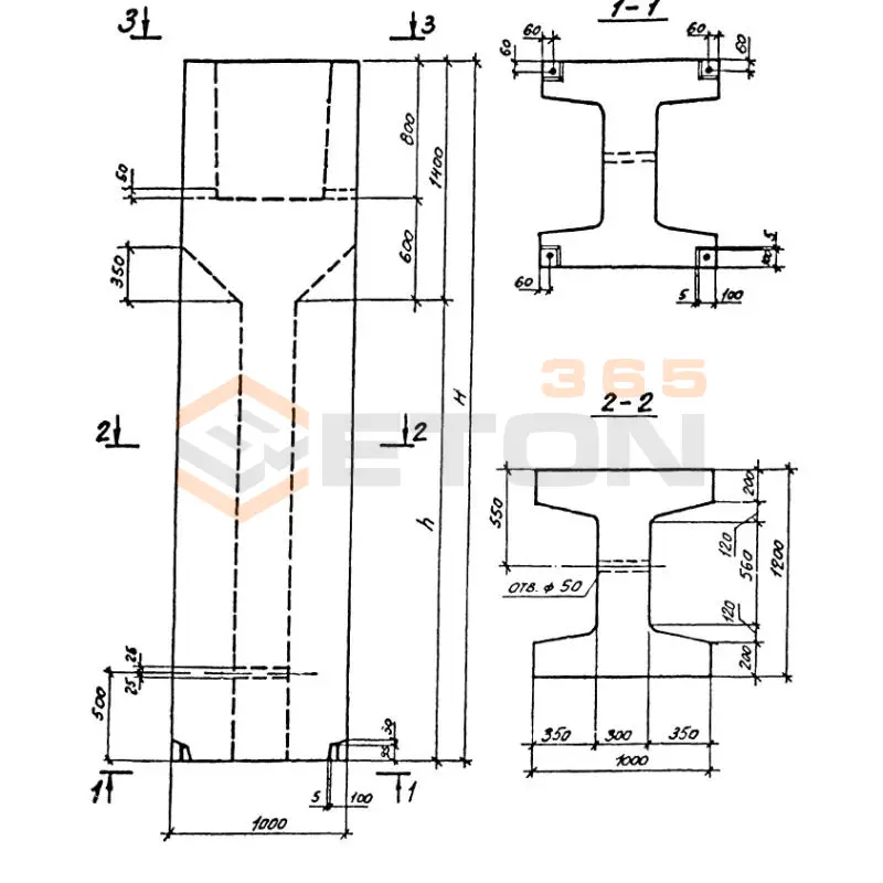
Блоки-стаканы верхние Серия 0-221-84 представляют собой фундаментные элементы, предназначенные для монтажа колонн каркаса промышленных и гражданских зданий. Они обеспечивают надежную передачу нагрузки от колонны на фундаментную подушку и точное позиционирование несущей конструкции. Применение блоков-стаканов верхних Серии 0-221-84 гарантирует устойчивость всего каркаса, а долговечность узла сопряжения определяется строгим соответствием характеристик изделия проектным расчетам и реальным условиям эксплуатации.

Критерии выбора

  • Марка и класс бетона: Изделия изготавливаются из тяжелого бетона марки не ниже М300 (класс В22,5) для обеспечения необходимой прочности на сжатие.
  • Морозостойкость и водонепроницаемость: Для эксплуатации в большинстве регионов России обязательны показатели морозостойкости F200 и водонепроницаемости не ниже W6, что критично для защиты арматурного каркаса.
  • Армирование: Каркас выполняется из стальной арматуры классов А-I и А-III в соответствии с серийными чертежами, что обеспечивает стойкость к изгибающим моментам.
  • Геометрические параметры и конфигурация: Необходимо сверять типоразмер блока-стакана (габариты, глубину и сечение гнезда под колонну) с проектными данными. Обязательно наличие закладных деталей или монтажных петель для строповки.
  • Соответствие нормам: Изделие должно строго соответствовать требованиям рабочей документации Серии 0-221-84 и ГОСТ 24476-80 на сборные железобетонные фундаменты.

Рекомендации по подбору и монтажу

При закупке блоков-стаканов верхних по Серии 0-221-84 требуйте паспорт качества на партию, где указаны фактические прочностные характеристики бетона и марка стали арматуры. Особое внимание уделите визуальному контролю гнезда стакана – отсутствию раковин и наплывов бетона, которые усложнят точную установку колонны. При проектировании и перед монтажом обязательно учитывайте геологию участка: тип грунта и уровень грунтовых вод могут диктовать необходимость дополнительной гидроизоляции стенок стакана.

Монтаж начинайте только на выверенное и подготовленное основание (фундаментную плиту или блок). После установки блока-стакана в проектное положение и его выверки по осям и высоте, незамедлительно выполните замоноличивание швов между блоками. Крепление колонны в гнезде осуществляется с помощью бетонной смеси на мелком заполнителе, укладываемой послойно с тромбованием. Не допускается монтаж колонн в стаканы с дефектами геометрии или поврежденными опорными поверхностями.

Ответы экспертов на ваши вопросы

Блоки-стаканы верхние серии 0-221-84 применяются в качестве фундаментов под колонны промышленных зданий, гражданских сооружений и других объектов капитального строительства. Они предназначены для восприятия и распределения нагрузок от колонн на основание, обеспечивая устойчивость и надежность конструкций.

Основные преимущества включают: высокую заводскую готовность, что ускоряет монтаж; стандартизированные размеры, обеспечивающие взаимозаменяемость; повышенную прочность и долговечность благодаря использованию тяжелого бетона; возможность применения в различных грунтовых условиях; снижение трудозатрат на строительной площадке.

Блоки изготавливаются из тяжелого бетона классов по прочности на сжатие В15-В25, с использованием арматурной стали классов А-I, А-III. Морозостойкость бетона составляет F100-F200, водонепроницаемость - W4-W6. Изделия имеют защитный слой бетона не менее 30 мм для обеспечения долговечности арматуры.

При монтаже необходимо: обеспечить точное геодезическое выверение положения; подготовить основание согласно проекту; использовать грузоподъемные механизмы соответствующей грузоподъемности; выполнять заделку стыков между блоком и колонной бетоном проектного класса; соблюдать требования по анкеровке арматурных выпусков.

Производство и применение регламентируется: серией 0-221-84; ГОСТ 13015-2012 "Изделия бетонные и железобетонные для строительства"; СП 63.13330.2018 "Бетонные и железобетонные конструкции"; а также проектной документацией на конкретный объект строительства.

Ранее смотрели
Блоки шахт лифтов Серия 1.089.1-1 БШЛ 100-33 п-1
БШЛ 100-33 п-1
Блоки шахт лифтов Серия 1.089.1-1
К 7-10 и (ПС 334)
К 7-10 и (ПС 334)
Кольца колодцев стеновые Альбом ПС 334
Плиты тротуарные ТП 501-259 ТП 9 (ТП 501-259)
ТП 9 (ТП 501-259)
Плиты тротуарные ТП 501-259
1Вв 42-10-2 л
1Вв 42-10-2 л
Изделия для стеновых панелей верхние и нижние Серия 1.131-17
Блоки шахт лифтов Серия 1.089.1-1 БШЛ 100-30-4 б
БШЛ 100-30-4 б
Блоки шахт лифтов Серия 1.089.1-1
НГ 25а-1
НГ 25а-1
Г-образные конструкции с ныряющей вертикальной стенкой Серия 3.820.1-73
Плиты тротуарные ТП 501-259 ТП 14 (ТП 501-259)
ТП 14 (ТП 501-259)
Плиты тротуарные ТП 501-259
Панели перекрытий ребристые Альбом ВИ 37-76 БП 217 (Альбом ВИ 37-76)
БП 217 (Альбом ВИ 37-76)
Панели перекрытий ребристые Альбом ВИ 37-76

Уведомление о файлах cookie

Мы используем файлы cookie для улучшения вашего опыта просмотра и анализа трафика. Нажимая "Принять все", вы соглашаетесь с нашей политикой конфиденциальности и политикой обработки файлов cookie.

Дзен Телеграм Вконтакте vk