mobile_sound +7 (930) 655-55-90

Блоки противофильтрационного экрана серия 3.501.1-144 ( Серия 3.501-59)

Поделиться:
Фильтр по характеристикам
Длина (мм.)
keyboard_arrow_down
мм.
мм.
Ширина (мм.)
keyboard_arrow_down
мм.
мм.
Высота (мм.)
keyboard_arrow_down
мм.
мм.
Вес (кг.)
keyboard_arrow_down
кг.
кг.
Поделиться:

Завод "Бетон365" производит блоки противофильтрационного экрана серии 3.501.1-144 — специализированные железобетонные конструкции для создания надежных гидроизоляционных барьеров в промышленном и гражданском строительстве. Эти изделия соответствуют строгим требованиям ГОСТ и обеспечивают эффективную защиту подземных сооружений от фильтрации грунтовых вод, что значительно повышает долговечность и эксплуатационную безопасность объектов. Применение готовых блоков позволяет оптимизировать сроки монтажа и гарантировать стабильность гидроизоляционной системы даже в сложных грунтовых условиях.

Реализуем блоки противофильтрационного экрана серии 3.501-59 по конкурентной цене напрямую от производителя в Москве и Московской области. Предлагаем оперативную доставку на объект и профессиональные консультации по выбору оптимальных решений для вашего проекта. Чтобы купить качественные ЖБИ с гарантией и сэкономить на посредниках — обращайтесь к нашим специалистам для расчета стоимости и оформления заказа.

БФ 1
Блоки противофильтрационного экрана серия 3.501.1-144 ( Серия 3.501-59)
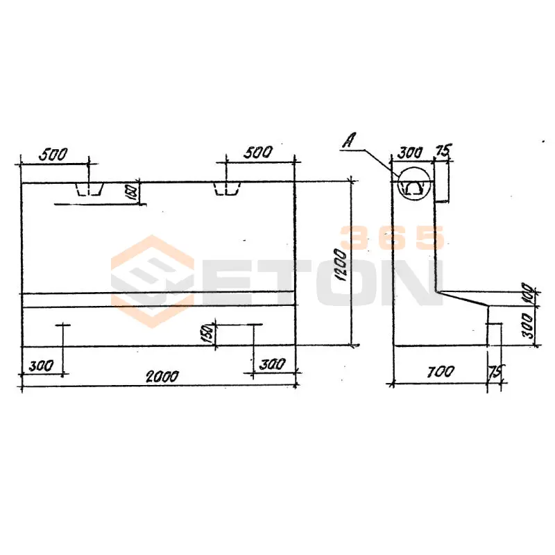
  • Длина 2000 мм.
  • Ширина 700 мм.
  • Высота 1200 мм.
  • Вес 2500 кг.
  • Объем бетона 1,01 м3
  • Геометрический объем 1,68 м3
Цена: 22533 руб.
Подробнее
БФ 1 F
Блоки противофильтрационного экрана серия 3.501.1-144 ( Серия 3.501-59)
  • Длина 2000 мм.
  • Ширина 700 мм.
  • Высота 1200 мм.
  • Вес 2500 кг.
  • Объем бетона 1,01 м3
  • Геометрический объем 1,68 м3
Цена: 22533 руб.
Подробнее

Как правильно выбрать - Блоки противофильтрационного экрана серия 3.501.1-144 ( Серия 3.501-59)

Блоки противофильтрационного экрана серия 3.501.1-144 предназначены для создания вертикальных противофильтрационных завес (экранов) в грунтовых плотинах, дамбах и других гидротехнических сооружениях. Их ключевая функция – создание надежного барьера, предотвращающего фильтрацию воды через тело насыпи и защищающего основание от размыва. Долговечность и эффективность всей гидротехнической конструкции определяются грамотным подбором параметров этих блоков в соответствии с проектным заданием и гидрогеологическими условиями площадки.

Критерии выбора

  • Класс бетона по прочности на сжатие: Для блоков серии 3.501.1-144, как правило, применяется бетон класса не ниже В25, что обеспечивает необходимую структурную целостность.
  • Марка по водонепроницаемости (W): Критически важный параметр. Должна быть не ниже W6, а в ряде случаев – W8, для гарантированного сопротивления напорной фильтрации.
  • Марка по морозостойкости (F): Для большинства регионов России требуется морозостойкость F200 и выше, учитывая сезонные циклы замораживания-оттаивания.
  • Геометрические параметры и конфигурация: Необходимо строго соблюдать типоразмеры по серии (3.501-59), проверять наличие и расположение монтажных петель, а также стыковочных элементов для обеспечения плотного сопряжения блоков противофильтрационного экрана между собой.
  • Армирование: Проверьте соответствие класса и диаметра арматуры проектным требованиям, так как каркас воспринимает нагрузки при транспортировке, монтаже и возможные неравномерные давления грунта.

Рекомендации по подбору и монтажу

При составлении спецификации на блоки противофильтрационного экрана серия 3.501.1-144 обязательно требуйте у производителя паспорта качества с протоколами испытаний на водонепроницаемость и морозостойкость. Убедитесь, что поставка является комплектной и включает все необходимые типоразмеры и доборные элементы для полного цикла монтажа.

На этапе проектирования и подготовки к монтажу критически важно выполнить тщательную подготовку основания – его выравнивание и уплотнение. Укладку блоков следует вести на спроектированное основание с обязательной анкеровкой в соответствии с рабочими чертежами. Особое внимание уделите герметизации швов между блоками, используя для этого предусмотренные проектом материалы (например, уплотнительные профили или герметики), чтобы исключить образование мостиков фильтрации.

Ответы экспертов на ваши вопросы

Основное назначение блоков противофильтрационного экрана серии 3.501.1-144 (серия 3.501-59) - создание водонепроницаемого барьера (экрана) в гидротехнических сооружениях. Они применяются для устройства противофильтрационных элементов в грунтовых плотинах, дамбах, накопителях промышленных отходов, а также для защиты от фильтрации в других гидротехнических конструкциях, где требуется предотвращение просачивания воды через тело сооружения.

Блоки изготавливаются из тяжелого гидротехнического бетона класса по прочности на сжатие не ниже В25 (М350). Основные технические характеристики включают: морозостойкость F200-F300, водонепроницаемость W6-W8, стандартные размеры согласно серии (например, 2000×1000×500 мм), массу блока около 2,5 тонн. Блоки имеют специальные пазы и гребни на боковых гранях для обеспечения плотного соединения между собой.

Монтаж блоков осуществляется на подготовленное и уплотненное основание с использованием грузоподъемной техники. Основание должно быть ровным, без просадочных грунтов, с обязательным устройством песчано-гравийной подготовки. Блоки укладываются в шахматном порядке с перевязкой швов. Стыки между блоками заполняются герметизирующими материалами (например, бетоном или специальными мастиками). Требуется тщательный контроль вертикальности и горизонтальности укладки.

Основные преимущества: высокая скорость монтажа по сравнению с монолитным бетонированием, заводское качество бетона и геометрии блоков, возможность ведения работ в различных погодных условиях, долговечность (срок службы до 100 лет), высокая ремонтопригодность (возможность замены отдельных блоков при повреждении). Также обеспечивается стабильность геометрических параметров экрана по всей высоте сооружения.

Производство и применение блоков регламентируется: серией 3.501.1-144 "Блоки противофильтрационного экрана", ГОСТ 26633-2015 "Бетоны тяжелые и мелкозернистые", СП 58.13330.2019 "Гидротехнические сооружения", а также проектной документацией на конкретный объект. При монтаже должны соблюдаться требования СНиП 3.03.01-87 "Несущие и ограждающие конструкции" и правил безопасности при производстве строительных работ.

Ранее смотрели
Блоки шахт лифтов Серия 1.089.1-1 БШЛ 100-30-6 б
БШЛ 100-30-6 б
Блоки шахт лифтов Серия 1.089.1-1
Плиты аэродромных покрытий ГОСТ 25912-91 ПАГ 14 А800.1
ПАГ 14 А800.1
Плиты аэродромных покрытий ГОСТ 25912-91
К 7-1,5 и (ПС 334)
К 7-1,5 и (ПС 334)
Кольца колодцев стеновые Альбом ПС 334
Блоки шахт лифтов Серия 1.089.1-1 БШЛ 100-33-1 б
БШЛ 100-33-1 б
Блоки шахт лифтов Серия 1.089.1-1
Перемычки брусковые ПБ серия 1.038.1-1 ( 1.138-10, ИИ 03-02, ГОСТ 948-84, 1.139-1 ) 10ПБ 21-27 ап
10ПБ 21-27 ап
Перемычки брусковые ПБ серия 1.038.1-1 ( 1.138-10, ИИ 03-02, ГОСТ 948-84, 1.139-1 )
Аэродромные плиты Серия 3.506-3 ПАГ 14 т-1 (3.506-3)
ПАГ 14 т-1 (3.506-3)
Аэродромные плиты Серия 3.506-3
1Вв 54-10-2 л
1Вв 54-10-2 л
Изделия для стеновых панелей верхние и нижние Серия 1.131-17
Панели оград железобетонные Серия Б 3.017.1-2.99 1-3П 200-60-5 м
1-3П 200-60-5 м
Панели оград железобетонные Серия Б 3.017.1-2.99

Уведомление о файлах cookie

Мы используем файлы cookie для улучшения вашего опыта просмотра и анализа трафика. Нажимая "Принять все", вы соглашаетесь с нашей политикой конфиденциальности и политикой обработки файлов cookie.

Дзен Телеграм Вконтакте vk