mobile_sound +7 (930) 655-55-90

Блоки фундаментов Шифр 2119 рч

Поделиться:
Фильтр по характеристикам
Длина (мм.)
keyboard_arrow_down
мм.
мм.
Ширина (мм.)
keyboard_arrow_down
мм.
мм.
Высота (мм.)
keyboard_arrow_down
мм.
мм.
Вес (кг.)
keyboard_arrow_down
кг.
кг.
Поделиться:

Блоки фундаментов Шифр 2119 рч от завода-производителя «Бетон365» — это высокотехнологичное решение для возведения прочных оснований промышленных и гражданских объектов. Изготовленные в строгом соответствии с ГОСТ, эти железобетонные изделия обеспечивают равномерное распределение нагрузок, повышают жесткость конструкции и значительно сокращают сроки строительства. Их применение оптимально для создания устойчивых фундаментов, способных выдерживать интенсивные эксплуатационные воздействия десятилетиями.

В «Бетон365» вы можете купить блоки фундаментов Шифр 2119 рч в Москве и МО по доступной цене напрямую от производителя. Мы гарантируем качество продукции, оперативную доставку на объект и профессиональные консультации по выбору и монтажу. Обращайтесь к нам, чтобы получить надежные строительные материалы для вашего проекта!

Ф 1-300 м (шифр 2119рч)
Блоки фундаментов Шифр 2119 рч
  • Длина 3020 мм.
  • Ширина 1200 мм.
  • Высота 3000 мм.
  • Вес 9200 кг.
  • Объем бетона 3,67 м3
  • Геометрический объем 10,872 м3
Цена: 64078 руб.
Подробнее
Ф 10-201 (шифр 2119рч)
Блоки фундаментов Шифр 2119 рч
  • Длина 2010 мм.
  • Ширина 3000 мм.
  • Высота 700 мм.
  • Вес 10100 кг.
  • Объем бетона 4,22 м3
  • Геометрический объем 4,221 м3
Цена: 73681 руб.
Подробнее
Ф 2-120 м (шифр 2119рч)
Блоки фундаментов Шифр 2119 рч
  • Длина 3020 мм.
  • Ширина 700 мм.
  • Высота 1200 мм.
  • Вес 3800 кг.
  • Объем бетона 1,51 м3
  • Геометрический объем 2,5368 м3
Цена: 26365 руб.
Подробнее
Ф 1-200 м (шифр 2119рч)
Блоки фундаментов Шифр 2119 рч
  • Длина 3020 мм.
  • Ширина 1200 мм.
  • Высота 2000 мм.
  • Вес 6900 кг.
  • Объем бетона 2,76 м3
  • Геометрический объем 7,248 м3
Цена: 48190 руб.
Подробнее
Ф 10-302 (шифр 2119рч)
Блоки фундаментов Шифр 2119 рч
  • Длина 3020 мм.
  • Ширина 3000 мм.
  • Высота 700 мм.
  • Вес 15200 кг.
  • Объем бетона 6,34 м3
  • Геометрический объем 6,342 м3
Цена: 110696 руб.
Подробнее
Ф 2-200 м (шифр 2119рч)
Блоки фундаментов Шифр 2119 рч
  • Длина 3020 мм.
  • Ширина 700 мм.
  • Высота 2000 мм.
  • Вес 5600 кг.
  • Объем бетона 2,24 м3
  • Геометрический объем 4,228 м3
Цена: 39110 руб.
Подробнее
Ф 2-85 м (шифр 2119рч)
Блоки фундаментов Шифр 2119 рч
  • Длина 3020 мм.
  • Ширина 700 мм.
  • Высота 850 мм.
  • Вес 3000 кг.
  • Объем бетона 1,19 м3
  • Геометрический объем 1,7969 м3
Цена: 20777 руб.
Подробнее
Ф 6-201 (шифр 2119рч)
Блоки фундаментов Шифр 2119 рч
  • Длина 2010 мм.
  • Ширина 1320 мм.
  • Высота 700 мм.
  • Вес 4500 кг.
  • Объем бетона 1,86 м3
  • Геометрический объем 1,8572 м3
Цена: 32476 руб.
Подробнее
Ф 6-302 (шифр 2119рч)
Блоки фундаментов Шифр 2119 рч
  • Длина 3020 мм.
  • Ширина 1320 мм.
  • Высота 700 мм.
  • Вес 6700 кг.
  • Объем бетона 2,79 м3
  • Геометрический объем 2,7905 м3
Цена: 48713 руб.
Подробнее
Ф 3-85 м (шифр 2119рч)
Блоки фундаментов Шифр 2119 рч
  • Длина 4030 мм.
  • Ширина 700 мм.
  • Высота 850 мм.
  • Вес 4000 кг.
  • Объем бетона 1,59 м3
  • Геометрический объем 2,3979 м3
Цена: 27761 руб.
Подробнее
Ф 3-200 м (шифр 2119рч)
Блоки фундаментов Шифр 2119 рч
  • Длина 4030 мм.
  • Ширина 700 мм.
  • Высота 2000 мм.
  • Вес 7500 кг.
  • Объем бетона 2,98 м3
  • Геометрический объем 5,642 м3
Цена: 52031 руб.
Подробнее
Ф 3-120 м (шифр 2119рч)
Блоки фундаментов Шифр 2119 рч
  • Длина 4030 мм.
  • Ширина 700 мм.
  • Высота 1200 мм.
  • Вес 5000 кг.
  • Объем бетона 2,02 м3
  • Геометрический объем 3,3852 м3
Цена: 35269 руб.
Подробнее
Ф 7-302 (шифр 2119рч)
Блоки фундаментов Шифр 2119 рч
  • Длина 3020 мм.
  • Ширина 1590 мм.
  • Высота 700 мм.
  • Вес 8100 кг.
  • Объем бетона 3,36 м3
  • Геометрический объем 3,3613 м3
Цена: 58666 руб.
Подробнее
Ф 8-201 (шифр 2119рч)
Блоки фундаментов Шифр 2119 рч
  • Длина 2010 мм.
  • Ширина 1900 мм.
  • Высота 700 мм.
  • Вес 6400 кг.
  • Объем бетона 2,67 м3
  • Геометрический объем 2,6733 м3
Цена: 46618 руб.
Подробнее
Ф 7-403 (шифр 2119рч)
Блоки фундаментов Шифр 2119 рч
  • Длина 4030 мм.
  • Ширина 1590 мм.
  • Высота 700 мм.
  • Вес 10800 кг.
  • Объем бетона 4,49 м3
  • Геометрический объем 4,4854 м3
Цена: 78395 руб.
Подробнее
Ф 8-302 (шифр 2119рч)
Блоки фундаментов Шифр 2119 рч
  • Длина 3020 мм.
  • Ширина 1900 мм.
  • Высота 700 мм.
  • Вес 9600 кг.
  • Объем бетона 4,02 м3
  • Геометрический объем 4,0166 м3
Цена: 70189 руб.
Подробнее
Ф 8-403 (шифр 2119рч)
Блоки фундаментов Шифр 2119 рч
  • Длина 4030 мм.
  • Ширина 1900 мм.
  • Высота 700 мм.
  • Вес 12900 кг.
  • Объем бетона 5,36 м3
  • Геометрический объем 5,3599 м3
Цена: 93586 руб.
Подробнее
Ф 7-201 (шифр 2119рч)
Блоки фундаментов Шифр 2119 рч
  • Длина 2010 мм.
  • Ширина 1590 мм.
  • Высота 700 мм.
  • Вес 5400 кг.
  • Объем бетона 2,24 м3
  • Геометрический объем 2,2371 м3
Цена: 39110 руб.
Подробнее
Ф 9-403 (шифр 2119рч)
Блоки фундаментов Шифр 2119 рч
  • Длина 4030 мм.
  • Ширина 2420 мм.
  • Высота 700 мм.
  • Вес 16400 кг.
  • Объем бетона 6,83 м3
  • Геометрический объем 6,8268 м3
Цена: 119252 руб.
Подробнее
Ф 9-201 (шифр 2119рч)
Блоки фундаментов Шифр 2119 рч
  • Длина 2010 мм.
  • Ширина 2420 мм.
  • Высота 700 мм.
  • Вес 8200 кг.
  • Объем бетона 3,4 м3
  • Геометрический объем 3,4049 м3
Цена: 59364 руб.
Подробнее
Ф 9-302 (шифр 2119рч)
Блоки фундаментов Шифр 2119 рч
  • Длина 3020 мм.
  • Ширина 2420 мм.
  • Высота 700 мм.
  • Вес 12300 кг.
  • Объем бетона 5,12 м3
  • Геометрический объем 5,1159 м3
Цена: 89395 руб.
Подробнее

Как правильно выбрать - Блоки фундаментов Шифр 2119 рч

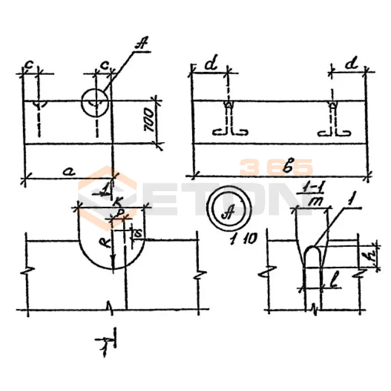
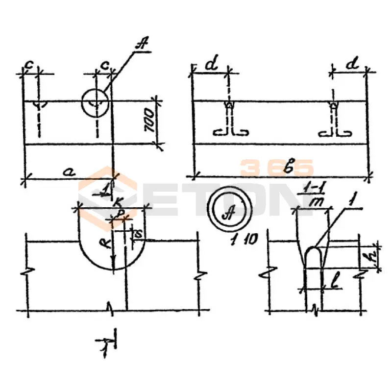
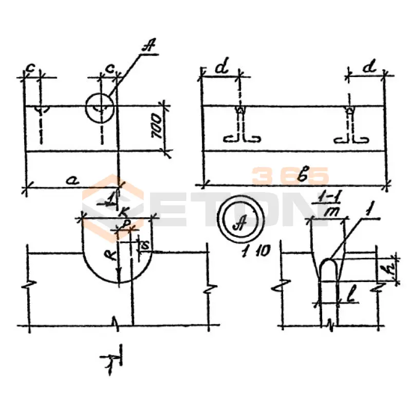
Блоки фундаментов Шифр 2119 рч представляют собой железобетонные изделия, предназначенные для возведения сборных ленточных фундаментов под несущие стены зданий и сооружений. Они применяются в условиях нормальной и пониженной температур (до -40°C) и обеспечивают равномерное распределение нагрузки от вышележащих конструкций на основание. Долговечность и устойчивость всего здания определяются точным соответствием характеристик блоков фундаментов Шифр 2119 проектным расчетам и реальным грунтовым условиям.

Критерии выбора

  • Марка и класс бетона: Изделия изготавливаются из тяжелого бетона марки не ниже М200 (класс В15). Это обеспечивает необходимую прочность на сжатие.
  • Морозостойкость и водонепроницаемость: Ключевые показатели для фундаментов – морозостойкость F200 и водонепроницаемость W4. Они гарантируют долговечность в пучинистых грунтах и при высоком уровне грунтовых вод.
  • Армирование: Блок армируется пространственным каркасом из стальной арматуры класса А-I и А-III, что предотвращает трещинообразование при транспортировке, монтаже и эксплуатации.
  • Геометрические параметры и конфигурация: Стандартная длина 2380 мм, высота 580 мм и ширина 400, 500 или 600 мм. Обязательно наличие двух стальных монтажных петель для строповки.
  • Соответствие нормативам: Производство должно строго соответствовать требованиям ГОСТ 13579-78* на блоки стен подвалов и техническим условиям завода-изготовителя.
  • Качество поверхности: Отсутствие сквозных трещин, раковин и других дефектов, влияющих на несущую способность и герметичность кладки.

Рекомендации по подбору и монтажу

При составлении спецификации на блоки фундаментов Шифр 2119 рч обязательно учитывайте не только ширину, но и расчетное сопротивление грунта. Для слабых грунтов может потребоваться устройство песчано-гравийной подготовки под первый ряд блоков. При приемке проверяйте наличие и соответствие паспорта качества, где указаны фактические прочностные характеристики бетона и марка стали арматуры.

Монтаж блоков фундаментов ведут на выровненное основание с тщательной гидроизоляцией швов. Первый ряд укладывают на цементно-песчаный раствор толщиной не менее 20 мм, последующие ряды монтируют с перевязкой вертикальных швов. Критически важно контролировать горизонтальность и отметки каждого уложенного блока фундаментов Шифр 2119 рч с помощью геодезических инструментов, так как исправить ошибки после монтажа практически невозможно.

Ответы экспертов на ваши вопросы

Блоки фундаментов с шифром 2119 рч — это железобетонные изделия, предназначенные для устройства сборных ленточных фундаментов под здания и сооружения. Они представляют собой сплошные прямоугольные блоки без пустот. Основное их применение — возведение фундаментов малоэтажных жилых домов, промышленных зданий, а также стен подвалов и технических подполий. Маркировка "рч" указывает на расчетную сейсмичность воздействий до 6 баллов (район с расчетной сейсмичностью).

Основные технические характеристики регламентируются серией 1.116.1-1 (выпуск 1) или другим действующим стандартом. Типичные параметры:

  • Типоразмер: Обозначение "2119" расшифровывается как блок сплошной длиной 2380 мм, шириной 400 мм и высотой 580 мм.
  • Масса: Примерная масса блока составляет около 1500 кг (зависит от плотности бетона).
  • Марка бетона: Обычно применяется бетон класса не ниже В15 (М200) по прочности на сжатие.
  • Морозостойкость: F50-F100, что позволяет использовать их в различных климатических условиях.
  • Армирование: Блок армируется пространственным каркасом из стальной арматурной стали класса А-I или А-III, которая обеспечивает прочность на монтажные и эксплуатационные нагрузки.

Использование блоков ФБС 2119 рч имеет несколько ключевых преимуществ:

  1. Высокая скорость монтажа: Фундамент собирается как конструктор, что значительно сокращает сроки строительства по сравнению с заливкой монолита, которой требуется время на набор прочности.
  2. Всесезонность работ: Монтаж можно производить при отрицательных температурах, в то время как монолитные работы требуют специальных мер по термоизоляции и прогреву бетона.
  3. Стабильность качества: Блоки изготавливаются в заводских условиях с строгим контролем геометрии и прочности, что минимизирует риски человеческого фактора, присущие "мокрым" процессам на стройплощадке.
  4. Отсутствие необходимости в опалубке: Экономия на материалах и работах, связанных с устройством и разборкой опалубки.

При монтаже и приемке блоков 2119 рч критически важно соблюдать следующие пункты:

  • Подготовка основания: Укладка блоков должна производиться на тщательно выровненное и уплотненное песчано-щебеночное основание или на бетонную подготовку.
  • Гидроизоляция: Перед монтажом на основание укладывается слой гидроизоляции (например, рубероид), а после монтажа выполняется вертикальная гидроизоляция боковых поверхностей фундамента.
  • Кладка на раствор: Блоки укладываются на цементно-песчаный раствор толщиной не менее 20 мм. Вертикальные швы также заполняются раствором.
  • Перевязка швов: Как и в кирпичной кладке, вертикальные швы соседних рядов не должны совпадать. Это обеспечивает равномерное распределение нагрузки.
  • Визуальный контроль: При приемке необходимо проверить блоки на отсутствие трещин, сколов и оголенной арматуры. Геометрические размеры должны соответствовать проекту.

Маркировка "2119 рч" расшифровывается следующим образом:

  • "2" — тип блока (сплошной, без вырезов).
  • "1" — длина блока в дециметрах (1=2380 мм, также бывают 0=880 мм, 3=1180 мм, 4=2380 мм — зависит от серии).
  • "19" — ширина блока в дециметрах (19 = 400 мм).
  • "рч" — расчетная сейсмичность (до 6 баллов).

Помимо размера 2380x400x580 мм (2119), существуют и другие стандартные типоразмеры, например:

  • ФБС 12.6.6-т (длина 1180 мм, ширина 600 мм, высота 580 мм)
  • ФБС 24.6.6-т (длина 2380 мм, ширина 600 мм, высота 580 мм)
  • ФБС 9.3.6-т (длина 880 мм, ширина 300 мм, высота 580 мм) Выбор конкретного типоразмера зависит от несущей способности грунта, нагрузки от здания и конструктивных особенностей проекта.
Ранее смотрели
Панели внутренних продольных стен Серия 1.131-1/82 В 1,5-65-27-16-2,5 л (1.131-1/82)
В 1,5-65-27-16-2,5 л (1.131-1/82)
Панели внутренних продольных стен Серия 1.131-1/82
Панели внутренних продольных стен Серия 1.131-1/82 В 1,5-65-27-16-2,6 л (1.131-1/82)
В 1,5-65-27-16-2,6 л (1.131-1/82)
Панели внутренних продольных стен Серия 1.131-1/82
Панели внутренних продольных стен Серия 1.131-1/82 В 1,5-65-27-16-2,2 л (1.131-1/82)
В 1,5-65-27-16-2,2 л (1.131-1/82)
Панели внутренних продольных стен Серия 1.131-1/82
Лотки водосточные без уклона СТО 57388863-001-2008 ЛВК 100-140-55 (полимербетонный)
ЛВК 100-140-55 (полимербетонный)
Мотки водосточные без уклона СТО 57388863-001-2008
В 1821-1 у-4с (Альбом РС 1-3120)
В 1821-1 у-4с (Альбом РС 1-3120)
Панели внутренних стен Альбом РС 1-3120
Дождеприемники ДС 100-470-550
Дождеприемники ДС 100-470-550
Дождеприемники ГОСТ 26008-83
Лотки водосточные без уклона СТО 57388863-001-2008 ЛВК 100-200-270 (в к-те с усил.насадками,чугун.решетками) тип 1
ЛВК 100-200-270 (в к-те с усил.насадками,чугун.решетками) тип 1
Мотки водосточные без уклона СТО 57388863-001-2008
Дождеприемники ДК 50-460 (низ)
Дождеприемники ДК 50-460 (низ)
Дождеприемники ГОСТ 26008-83

Уведомление о файлах cookie

Мы используем файлы cookie для улучшения вашего опыта просмотра и анализа трафика. Нажимая "Принять все", вы соглашаетесь с нашей политикой конфиденциальности и политикой обработки файлов cookie.

Дзен Телеграм Вконтакте vk