mobile_sound +7 (930) 655-55-90

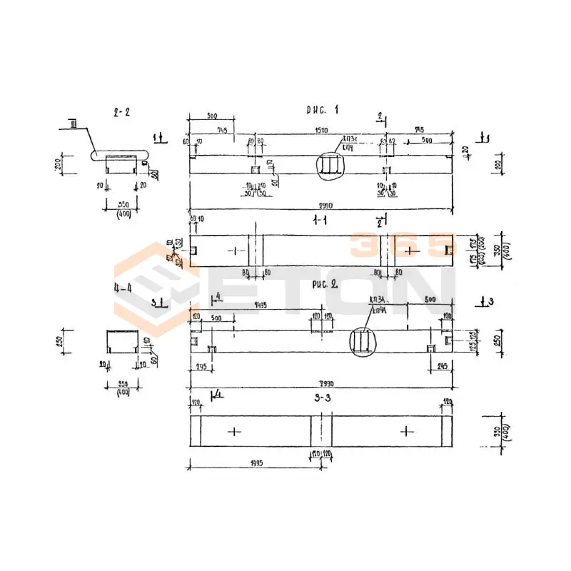
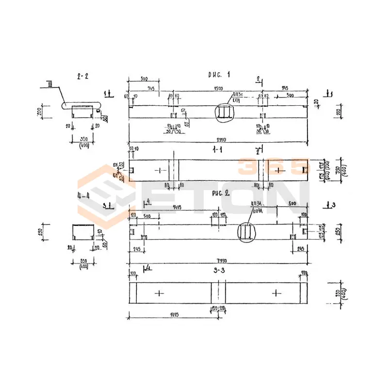
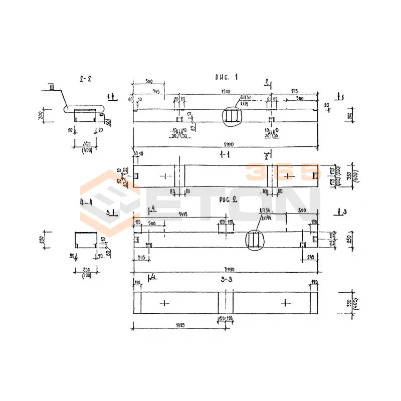
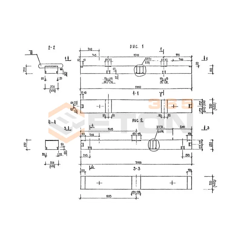
Балки обвязочные Серия 1.220.1-2

Поделиться:
Фильтр по характеристикам
Длина (мм.)
keyboard_arrow_down
мм.
мм.
Ширина (мм.)
keyboard_arrow_down
мм.
мм.
Высота (мм.)
keyboard_arrow_down
мм.
мм.
Вес (кг.)
keyboard_arrow_down
кг.
кг.
Поделиться:

Завод "Бетон365" производит балки обвязочные серии 1.220.1-2 – ключевые элементы для создания жестких конструктивных систем в промышленном и гражданском строительстве. Эти железобетонные изделия выполняют важную функцию распределения нагрузок между несущими элементами здания, обеспечивая устойчивость и долговечность всей конструкции. Изготовленные в строгом соответствии с ГОСТ, балки отличаются повышенной прочностью и позволяют значительно ускорить монтаж каркаса сооружения.

Мы реализуем балки обвязочные серии 1.220.1-2 напрямую от производителя в Москве и МО по конкурентным ценам. Купить эти железобетонные изделия с гарантией качества и оперативной доставкой на объект – оптимальное решение для вашего строительного проекта. Предлагаем проконсультироваться с нашими специалистами для подбора оптимальных технических решений и оформления заказа.

БО 300-20-20
Балки обвязочные Серия 1.220.1-2
  • Длина 2990 мм.
  • Ширина 200 мм.
  • Высота 200 мм.
  • Вес 300 кг.
  • Объем бетона 0,12 м3
  • Геометрический объем 0,1196 м3
Цена: 5820 руб.
Подробнее
БО 300-20-25
Балки обвязочные Серия 1.220.1-2
  • Длина 2990 мм.
  • Ширина 200 мм.
  • Высота 250 мм.
  • Вес 350 кг.
  • Объем бетона 0,15 м3
  • Геометрический объем 0,1495 м3
Цена: 7275 руб.
Подробнее
БО 300-35-20
Балки обвязочные Серия 1.220.1-2
  • Длина 2990 мм.
  • Ширина 350 мм.
  • Высота 200 мм.
  • Вес 530 кг.
  • Объем бетона 0,21 м3
  • Геометрический объем 0,2093 м3
Цена: 10185 руб.
Подробнее
БО 300-35-25
Балки обвязочные Серия 1.220.1-2
  • Длина 2990 мм.
  • Ширина 350 мм.
  • Высота 250 мм.
  • Вес 650 кг.
  • Объем бетона 0,26 м3
  • Геометрический объем 0,2616 м3
Цена: 12610 руб.
Подробнее
БО 300-40-20
Балки обвязочные Серия 1.220.1-2
  • Длина 2990 мм.
  • Ширина 400 мм.
  • Высота 200 мм.
  • Вес 600 кг.
  • Объем бетона 0,24 м3
  • Геометрический объем 0,2392 м3
Цена: 11640 руб.
Подробнее
БО 300-40-25
Балки обвязочные Серия 1.220.1-2
  • Длина 2990 мм.
  • Ширина 400 мм.
  • Высота 250 мм.
  • Вес 700 кг.
  • Объем бетона 0,3 м3
  • Геометрический объем 0,299 м3
Цена: 14550 руб.
Подробнее

Как правильно выбрать - Балки обвязочные Серия 1.220.1-2

Балки обвязочные Серия 1.220.1-2 предназначены для устройства обвязочных поясов в каркасах одноэтажных промышленных зданий. Они воспринимают горизонтальные нагрузки от ветра и кранов, обеспечивая пространственную жесткость всей конструкции. Долговечность и устойчивость здания в значительной степени определяются точным соответствием характеристик балок проектным расчетам и реальным условиям эксплуатации.

Критерии выбора

  • Марка и класс бетона: Изделия изготавливаются из тяжелого бетона марки не ниже М300 (класс В22.5), что обеспечивает необходимую прочность на сжатие.
  • Эксплуатационные характеристики бетона: Обращайте внимание на морозостойкость (F150) и водонепроницаемость (W6), особенно для зданий с агрессивной средой.
  • Армирование: Каркасы балок выполняются из напрягаемой и ненапрягаемой арматуры классов Ат-IV, А-III. Проверяйте паспорт на соответствие проектному классу и диаметру стержней.
  • Геометрические параметры и конфигурация: Строго сверяйте длину, высоту и ширину балки по серии. Наличие и расположение монтажных петель или закладных деталей для крепления других конструкций должно соответствовать рабочим чертежам.
  • Нормативная база: Убедитесь, что балки обвязочные по Серии 1.220.1-2 изготовлены в соответствии с ГОСТ 18980-90 и имеют полный комплект технической документации.

Рекомендации по подбору и монтажу

При составлении спецификации на балки обвязочные Серия 1.220.1-2 обязательно указывайте не только типоразмер, но и марку бетона по морозостойкости и водонепроницаемости, а также схему армирования. Запросите у производителя паспорта качества на партию, где указаны фактические прочностные характеристики бетона и результаты испытаний. Это критически важно для объектов в регионах с суровым климатом или при наличии производственных влажностных нагрузок внутри здания.

На этапе монтажа обеспечьте ровное и прочное основание под опорные части балок. Контролируйте правильность установки по проектным осям и высотным отметкам. Надежное закрепление балок обвязочных к колоннам с помощью сварки закладных деталей является ключевым для восприятия горизонтальных усилий. Избегайте монтажа изделий с видимыми трещинами или сколами бетона в зонах передачи нагрузок.

Ответы экспертов на ваши вопросы

Балки обвязочные серии 1.220.1-2 предназначены для применения в каркасах одноэтажных промышленных зданий. Их основная функция – это обвязка по верху стеновых панелей или фахверковых стоек. Они служат для восприятия ветровых нагрузок, действующих на стены, и обеспечения пространственной жесткости каркаса здания. Также они могут использоваться в качестве опор для подвесного транспорта (например, подвесных кранов) с небольшой грузоподъемностью.

Балки изготавливаются из тяжелого бетона классов по прочности на сжатие, как правило, В25-В30. Для армирования используется стальная арматура классов А-I, А-II, А-III. Основные размеры (длина, высота, ширина) регламентированы серией. Типовые длины балок, указанные в рабочих чертежах серии, обычно составляют от 4 до 12 метров, но могут быть и другими в зависимости от шага колонн и конкретного проекта. Высота сечения стандартных балок этой серии чаще всего составляет 400 мм.

Балки обвязочные серии 1.220.1-2 рассчитываются на восприятие следующих основных видов нагрузок:

  1. Собственный вес балки.
  2. Вес стенового ограждения (стеновых панелей), который передается на балку.
  3. Ветровую нагрузку, действующую на стену и передающуюся на балку.
  4. Нагрузки от подвесного транспорта (если он предусмотрен проектом). Грузоподъемность для подвесных путей, как правило, не превышает 5 тонн.

Маркировка балок осуществляется в соответствии с ГОСТ или требованиями серии. Типовая маркировка имеет следующий вид: БОХХ-Х, где:

  • БО – обозначает "Балка Обвязочная".
  • ХХ – цифры, обозначающие длину балки в дециметрах (например, 60 для балки длиной 6000 мм).
  • Х – дополнительная цифра или буква, которая может указывать на модификацию, наличие закладных деталей для крепления подвесного пути или другие конструктивные особенности (например, БО60-1, БО60-2). Полную расшифровку маркировки и все возможные варианты необходимо смотреть в спецификациях и рабочих чертежах серии 1.220.1-2.
  1. Подготовка опор: Балки укладываются на консоли колонн или на опорные столики. Поверхность опоры должна быть выровнена, очищена от мусора и наплывов бетона.
  2. Крепление: Балка надежно приваривается к закладным деталям колонны или другой опорной конструкции. Сварные швы должны выполняться в соответствии с проектом и нормативными документами.
  3. Стыковка: При необходимости стыковки двух балок по длине, стык выполняется с помощью накладок и сварки закладных деталей. Место стыка должно быть усилено согласно проекту.
  4. Контроль геометрии: Перед окончательным закреплением необходимо проверить горизонтальность и отметку верха балки, а также ее положение в плане.
  5. Антикоррозионная защита: Все повреждения защитного слоя бетона и сварные швы после монтажа должны быть заделаны и защищены в соответствии с проектом.
Ранее смотрели
2ПР 1 АIIIв (ГОСТ 26992-86)
2ПР 1 АIIIв (ГОСТ 26992-86)
Прогоны железобетонные ГОСТ 26992-86
Межколонные плиты (МП) Серия 1.420.1-25 МП 1-2
МП 1-2
Межколонные плиты (МП) Серия 1.420.1-25
Лежни Серия 3.503-41 Л 3 АII (3.503-41)
Л 3 АII (3.503-41)
Лежни Серия 3.503-41
Анкера цилиндрические Серия 3.407.9-158 АЦ 0,56-2,9
АЦ 0,56-2,9
Анкера цилиндрические Серия 3.407.9-158
РПС 18-6 с
РПС 18-6 с
Полурамы Серия 1.822.1-2/82
1ПР 4 п (ГОСТ 26992-86)
1ПР 4 п (ГОСТ 26992-86)
Прогоны железобетонные ГОСТ 26992-86
РПС 12-36-2 АтIVс
РПС 12-36-2 АтIVс
Полурамы Серия 1.822.1-6
Бетонные вкладыши Серия 1.100.1-7 ПМ 28-3-8
ПМ 28-3-8
Бетонные вкладыши Серия 1.100.1-7

Уведомление о файлах cookie

Мы используем файлы cookie для улучшения вашего опыта просмотра и анализа трафика. Нажимая "Принять все", вы соглашаетесь с нашей политикой конфиденциальности и политикой обработки файлов cookie.

Дзен Телеграм Вконтакте vk