mobile_sound +7 (930) 655-55-90

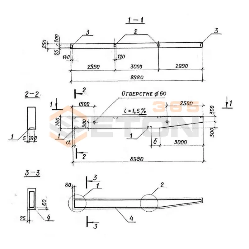
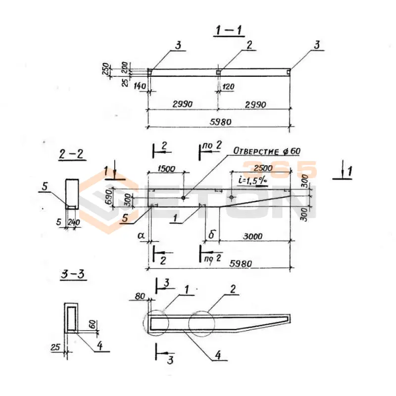
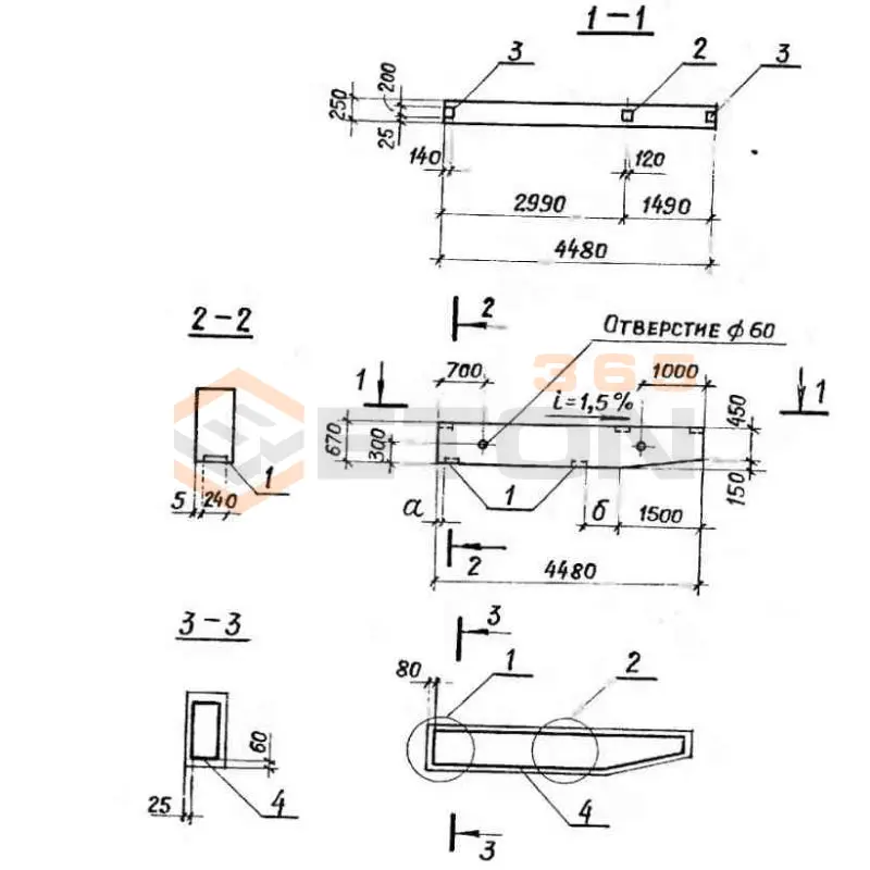
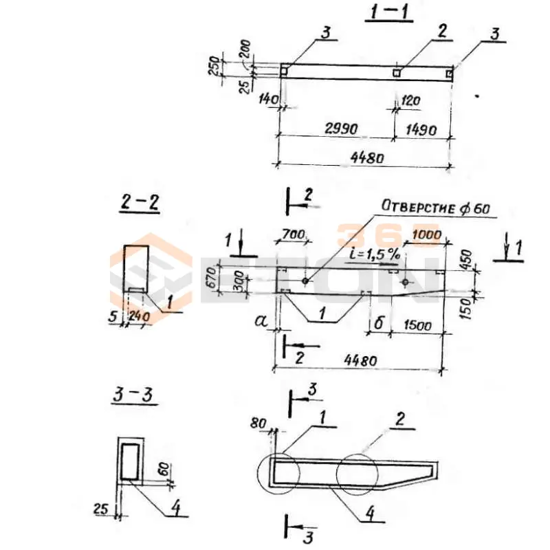
Балки навеса Серия 3.019.1-1

Поделиться:
Фильтр по характеристикам
Длина (мм.)
keyboard_arrow_down
мм.
мм.
Ширина (мм.)
keyboard_arrow_down
мм.
мм.
Высота (мм.)
keyboard_arrow_down
мм.
мм.
Вес (кг.)
keyboard_arrow_down
кг.
кг.
Поделиться:

Завод "Бетон365" производит балки навеса серии 3.019.1-1 – ключевые несущие элементы, обеспечивающие надежность и долговечность конструкций любого назначения. Эти железобетонные изделия соответствуют строгим требованиям ГОСТ, отличаются повышенной прочностью и устойчивостью к внешним воздействиям. Применение готовых балок позволяет равномерно распределить нагрузку, создать жесткий каркас и значительно сократить сроки монтажа навесов, козырьков и других архитектурных форм.

В Москве и Московской области вы можете купить балки навеса серии 3.019.1-1 непосредственно от производителя по конкурентной цене. Мы гарантируем качество продукции и оперативную доставку на объект. Для расчета стоимости и оформления заказа обратитесь к нашим специалистам – поможем подобрать оптимальное решение для вашего проекта!

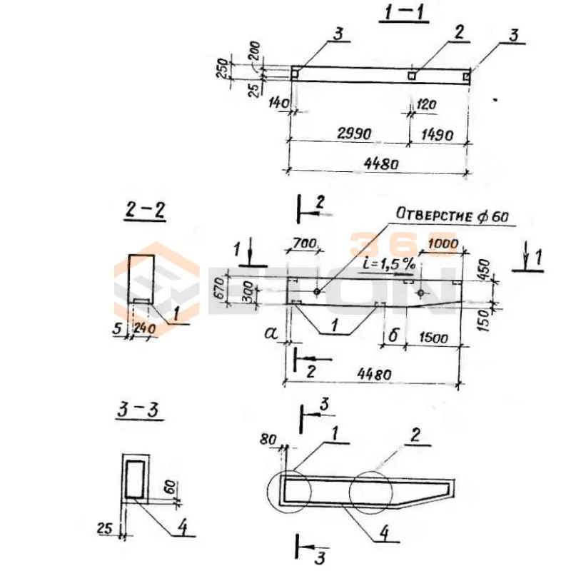
1БН 4,5-1
Балки навеса Серия 3.019.1-1
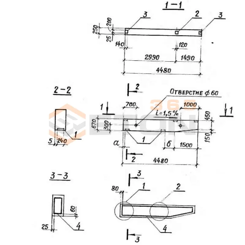
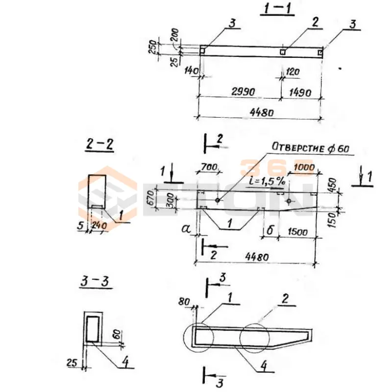
  • Длина 4480 мм.
  • Ширина 250 мм.
  • Высота 670 мм.
  • Вес 1700 кг.
  • Объем бетона 0,68 м3
  • Геометрический объем 0,7504 м3
Цена: 29022 руб.
Подробнее
1БН 4,5-2
Балки навеса Серия 3.019.1-1
  • Длина 4480 мм.
  • Ширина 250 мм.
  • Высота 670 мм.
  • Вес 1700 кг.
  • Объем бетона 0,68 м3
  • Геометрический объем 0,7504 м3
Цена: 29022 руб.
Подробнее
1БН 4,5-4
Балки навеса Серия 3.019.1-1
  • Длина 4480 мм.
  • Ширина 250 мм.
  • Высота 670 мм.
  • Вес 1700 кг.
  • Объем бетона 0,68 м3
  • Геометрический объем 0,7504 м3
Цена: 29022 руб.
Подробнее
1БН 4,5-3
Балки навеса Серия 3.019.1-1
  • Длина 4480 мм.
  • Ширина 250 мм.
  • Высота 670 мм.
  • Вес 1700 кг.
  • Объем бетона 0,68 м3
  • Геометрический объем 0,7504 м3
Цена: 29022 руб.
Подробнее
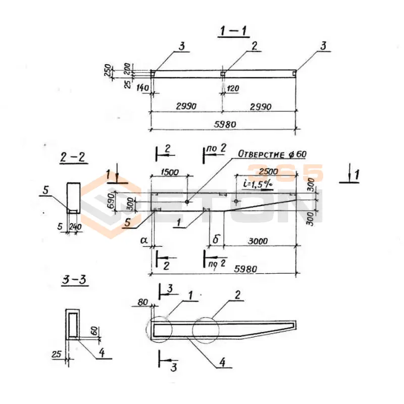
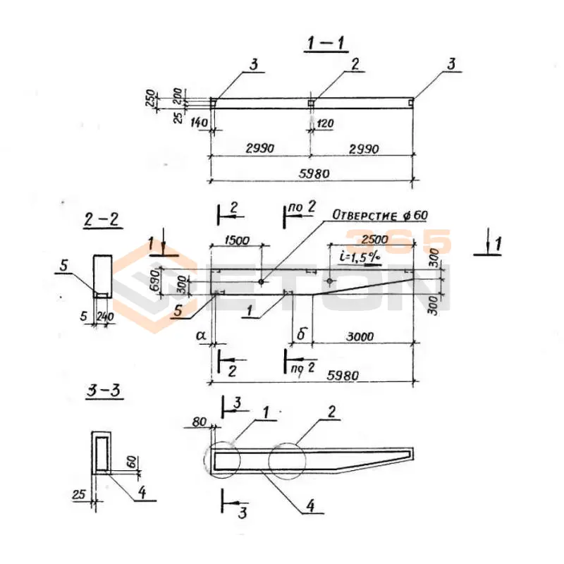
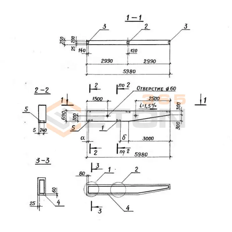
1БН 6-1
Балки навеса Серия 3.019.1-1
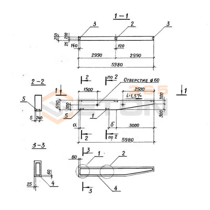
  • Длина 5980 мм.
  • Ширина 250 мм.
  • Высота 690 мм.
  • Вес 2300 кг.
  • Объем бетона 0,92 м3
  • Геометрический объем 1,0315 м3
Цена: 39266 руб.
Подробнее
1БН 6-2
Балки навеса Серия 3.019.1-1
  • Длина 5980 мм.
  • Ширина 250 мм.
  • Высота 690 мм.
  • Вес 2300 кг.
  • Объем бетона 0,92 м3
  • Геометрический объем 1,0315 м3
Цена: 39266 руб.
Подробнее
1БН 6-4
Балки навеса Серия 3.019.1-1
  • Длина 5980 мм.
  • Ширина 250 мм.
  • Высота 690 мм.
  • Вес 2300 кг.
  • Объем бетона 0,92 м3
  • Геометрический объем 1,0315 м3
Цена: 39266 руб.
Подробнее
1БН 6-3
Балки навеса Серия 3.019.1-1
  • Длина 5980 мм.
  • Ширина 250 мм.
  • Высота 690 мм.
  • Вес 2300 кг.
  • Объем бетона 0,92 м3
  • Геометрический объем 1,0315 м3
Цена: 39266 руб.
Подробнее
1БН 7,5-1
Балки навеса Серия 3.019.1-1
  • Длина 7480 мм.
  • Ширина 250 мм.
  • Высота 710 мм.
  • Вес 3000 кг.
  • Объем бетона 1,2 м3
  • Геометрический объем 1,3277 м3
Цена: 51216 руб.
Подробнее
1БН 7,5-2
Балки навеса Серия 3.019.1-1
  • Длина 7480 мм.
  • Ширина 250 мм.
  • Высота 710 мм.
  • Вес 3000 кг.
  • Объем бетона 1,2 м3
  • Геометрический объем 1,3277 м3
Цена: 51216 руб.
Подробнее
1БН 7,5-3
Балки навеса Серия 3.019.1-1
  • Длина 7480 мм.
  • Ширина 250 мм.
  • Высота 710 мм.
  • Вес 3000 кг.
  • Объем бетона 1,2 м3
  • Геометрический объем 1,3277 м3
Цена: 51216 руб.
Подробнее
1БН 9-2
Балки навеса Серия 3.019.1-1
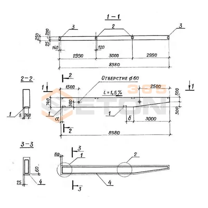
  • Длина 8980 мм.
  • Ширина 250 мм.
  • Высота 740 мм.
  • Вес 3700 кг.
  • Объем бетона 1,48 м3
  • Геометрический объем 1,6613 м3
Цена: 63166 руб.
Подробнее
1БН 7,5-4
Балки навеса Серия 3.019.1-1
  • Длина 7480 мм.
  • Ширина 250 мм.
  • Высота 710 мм.
  • Вес 3000 кг.
  • Объем бетона 1,2 м3
  • Геометрический объем 1,3277 м3
Цена: 51216 руб.
Подробнее
1БН 9-1
Балки навеса Серия 3.019.1-1
  • Длина 8980 мм.
  • Ширина 250 мм.
  • Высота 740 мм.
  • Вес 3700 кг.
  • Объем бетона 1,48 м3
  • Геометрический объем 1,6613 м3
Цена: 63166 руб.
Подробнее
1БН 9-3
Балки навеса Серия 3.019.1-1
  • Длина 8980 мм.
  • Ширина 250 мм.
  • Высота 740 мм.
  • Вес 3700 кг.
  • Объем бетона 1,48 м3
  • Геометрический объем 1,6613 м3
Цена: 63166 руб.
Подробнее
1БН 9-4
Балки навеса Серия 3.019.1-1
  • Длина 8980 мм.
  • Ширина 250 мм.
  • Высота 740 мм.
  • Вес 3700 кг.
  • Объем бетона 1,48 м3
  • Геометрический объем 1,6613 м3
Цена: 63166 руб.
Подробнее
2БН 10,5-1
Балки навеса Серия 3.019.1-1
  • Длина 10480 мм.
  • Ширина 250 мм.
  • Высота 760 мм.
  • Вес 4300 кг.
  • Объем бетона 1,72 м3
  • Геометрический объем 1,9912 м3
Цена: 73410 руб.
Подробнее
2БН 10,5-2
Балки навеса Серия 3.019.1-1
  • Длина 10480 мм.
  • Ширина 250 мм.
  • Высота 760 мм.
  • Вес 4300 кг.
  • Объем бетона 1,72 м3
  • Геометрический объем 1,9912 м3
Цена: 73410 руб.
Подробнее
2БН 10,5-3
Балки навеса Серия 3.019.1-1
  • Длина 10480 мм.
  • Ширина 250 мм.
  • Высота 760 мм.
  • Вес 4300 кг.
  • Объем бетона 1,72 м3
  • Геометрический объем 1,9912 м3
Цена: 73410 руб.
Подробнее
2БН 10,5-5
Балки навеса Серия 3.019.1-1
  • Длина 10480 мм.
  • Ширина 250 мм.
  • Высота 760 мм.
  • Вес 4300 кг.
  • Объем бетона 1,72 м3
  • Геометрический объем 1,9912 м3
Цена: 73410 руб.
Подробнее
2БН 10,5-4
Балки навеса Серия 3.019.1-1
  • Длина 10480 мм.
  • Ширина 250 мм.
  • Высота 760 мм.
  • Вес 4300 кг.
  • Объем бетона 1,72 м3
  • Геометрический объем 1,9912 м3
Цена: 73410 руб.
Подробнее
2БН 6-3
Балки навеса Серия 3.019.1-1
  • Длина 5980 мм.
  • Ширина 250 мм.
  • Высота 690 мм.
  • Вес 2100 кг.
  • Объем бетона 0,84 м3
  • Геометрический объем 1,0315 м3
Цена: 35851 руб.
Подробнее
2БН 6-2
Балки навеса Серия 3.019.1-1
  • Длина 5980 мм.
  • Ширина 250 мм.
  • Высота 690 мм.
  • Вес 2100 кг.
  • Объем бетона 0,84 м3
  • Геометрический объем 1,0315 м3
Цена: 35851 руб.
Подробнее
2БН 6-1
Балки навеса Серия 3.019.1-1
  • Длина 5980 мм.
  • Ширина 250 мм.
  • Высота 690 мм.
  • Вес 2100 кг.
  • Объем бетона 0,84 м3
  • Геометрический объем 1,0315 м3
Цена: 35851 руб.
Подробнее
2БН 6-4
Балки навеса Серия 3.019.1-1
  • Длина 5980 мм.
  • Ширина 250 мм.
  • Высота 690 мм.
  • Вес 2100 кг.
  • Объем бетона 0,84 м3
  • Геометрический объем 1,0315 м3
Цена: 35851 руб.
Подробнее
2БН 6-5
Балки навеса Серия 3.019.1-1
  • Длина 5980 мм.
  • Ширина 250 мм.
  • Высота 690 мм.
  • Вес 2100 кг.
  • Объем бетона 0,84 м3
  • Геометрический объем 1,0315 м3
Цена: 35851 руб.
Подробнее
2БН 7,5-3
Балки навеса Серия 3.019.1-1
  • Длина 7480 мм.
  • Ширина 250 мм.
  • Высота 710 мм.
  • Вес 2800 кг.
  • Объем бетона 1,12 м3
  • Геометрический объем 1,3277 м3
Цена: 47802 руб.
Подробнее
2БН 7,5-2
Балки навеса Серия 3.019.1-1
  • Длина 7480 мм.
  • Ширина 250 мм.
  • Высота 710 мм.
  • Вес 2800 кг.
  • Объем бетона 1,12 м3
  • Геометрический объем 1,3277 м3
Цена: 47802 руб.
Подробнее
2БН 7,5-1
Балки навеса Серия 3.019.1-1
  • Длина 7480 мм.
  • Ширина 250 мм.
  • Высота 710 мм.
  • Вес 2800 кг.
  • Объем бетона 1,12 м3
  • Геометрический объем 1,3277 м3
Цена: 47802 руб.
Подробнее
2БН 7,5-4
Балки навеса Серия 3.019.1-1
  • Длина 7480 мм.
  • Ширина 250 мм.
  • Высота 710 мм.
  • Вес 2800 кг.
  • Объем бетона 1,12 м3
  • Геометрический объем 1,3277 м3
Цена: 47802 руб.
Подробнее
2БН 7,5-5
Балки навеса Серия 3.019.1-1
  • Длина 7480 мм.
  • Ширина 250 мм.
  • Высота 710 мм.
  • Вес 2800 кг.
  • Объем бетона 1,12 м3
  • Геометрический объем 1,3277 м3
Цена: 47802 руб.
Подробнее
2БН 9-1
Балки навеса Серия 3.019.1-1
  • Длина 8980 мм.
  • Ширина 250 мм.
  • Высота 740 мм.
  • Вес 3500 кг.
  • Объем бетона 1,4 м3
  • Геометрический объем 1,6613 м3
Цена: 59752 руб.
Подробнее
2БН 9-3
Балки навеса Серия 3.019.1-1
  • Длина 8980 мм.
  • Ширина 250 мм.
  • Высота 740 мм.
  • Вес 3500 кг.
  • Объем бетона 1,4 м3
  • Геометрический объем 1,6613 м3
Цена: 59752 руб.
Подробнее
2БН 9-2
Балки навеса Серия 3.019.1-1
  • Длина 8980 мм.
  • Ширина 250 мм.
  • Высота 740 мм.
  • Вес 3500 кг.
  • Объем бетона 1,4 м3
  • Геометрический объем 1,6613 м3
Цена: 59752 руб.
Подробнее
2БН 9-4
Балки навеса Серия 3.019.1-1
  • Длина 8980 мм.
  • Ширина 250 мм.
  • Высота 740 мм.
  • Вес 3500 кг.
  • Объем бетона 1,4 м3
  • Геометрический объем 1,6613 м3
Цена: 59752 руб.
Подробнее
2БН 9-5
Балки навеса Серия 3.019.1-1
  • Длина 8980 мм.
  • Ширина 250 мм.
  • Высота 740 мм.
  • Вес 3500 кг.
  • Объем бетона 1,4 м3
  • Геометрический объем 1,6613 м3
Цена: 59752 руб.
Подробнее

Как правильно выбрать - Балки навеса Серия 3.019.1-1

Балки навеса Серия 3.019.1-1 представляют собой несущие железобетонные элементы, предназначенные для устройства козырьков, навесов и карнизов зданий. Они воспринимают нагрузки от кровельного покрытия, снега и ветра, обеспечивая жесткость и устойчивость всей конструкции. Долговечность и безопасность эксплуатации навеса определяются точным соответствием характеристик балок проектным расчетам и реальным условиям площадки.

Критерии выбора

  • Марка и класс бетона: Изделия изготавливаются из тяжелого бетона марки не ниже М300 (класс В22,5), что обеспечивает необходимую прочность на сжатие.
  • Морозостойкость и водонепроницаемость: Для наружных конструкций критически важны показатели морозостойкости (F150-F200) и водонепроницаемости (W6-W8), предотвращающие разрушение от перепадов температур и влаги.
  • Армирование: Каркас выполняется из предварительно напряженной или ненапрягаемой арматуры классов А-III (А400) и А-I (А240). Необходимо проверять паспорт на соответствие проекта армирования.
  • Геометрические параметры и конфигурация: Строго сверяйте длину, высоту и ширину балки, а также расположение и тип закладных деталей (петли, пластины) для корректного крепления к колоннам и укладки кровельных плит.
  • Расчетная нагрузка: Убедитесь, что несущая способность балок навеса Серия 3.019.1-1 покрывает постоянные (вес покрытия) и временные (снеговые, ветровые) нагрузки, указанные в проекте.
  • Нормативная документация: Изделие должно соответствовать требованиям серии 3.019.1-1 и ГОСТ 20372-2015 на балки покрытий.

Рекомендации по подбору и монтажу

При закупке балок навеса Серия 3.019.1-1 требуйте паспорт качества на каждую партию, где указаны фактические прочностные характеристики бетона и результаты контроля арматурных каркасов. Особое внимание уделите комплектности поставки – все балки должны иметь исправные монтажные петли или иные предусмотренные проектом закладные для безопасной строповки.

На этапе монтажа обязательна проверка опорных площадок на колоннах. Убедитесь, что отметки и плоскость опирания соответствуют проектным. Укладку балок навеса производите на слой цементно-песчаного раствора, не допуская перекосов. Сразу после установки выполните анкеровку с колоннами и свяжите балки между собой согласно рабочим чертежам, чтобы обеспечить пространственную жесткость каркаса до укладки кровельных плит.

Ответы экспертов на ваши вопросы

Балки навеса серии 3.019.1-1 предназначены для использования в качестве несущих конструкций навесов различного назначения. Основные области применения включают: устройство козырьков и навесов над входами в здания, создание укрытий для автомобилей на открытых стоянках, строительство хозяйственных навесов на приусадебных участках, а также возведение временных укрытий на строительных площадках и промышленных объектах.

Балки навеса серии 3.019.1-1 изготавливаются из тяжелого бетона класса не ниже В25 с предварительно напряженной арматурой. Стандартная длина балок составляет 3,0 метра, 4,2 метра и 6,0 метров. Высота сечения - 300 мм, ширина - 200 мм. Масса балок варьируется от 360 кг до 720 кг в зависимости от длины. Расчетная нагрузка на балку составляет до 150 кг/м² при стандартном шаге установки 6 метров.

Основные преимущества балок серии 3.019.1-1 включают: высокую прочность и долговечность благодаря использованию предварительно напряженного железобетона, устойчивость к атмосферным воздействиям и коррозии, пожаробезопасность, возможность быстрого монтажа благодаря стандартизированным размерам, а также экономическую эффективность при серийном производстве. По сравнению с металлическими конструкциями, эти балки не требуют дополнительной антикоррозийной обработки и обладают лучшими противопожарными характеристиками.

Монтаж балок серии 3.019.1-1 требует использования грузоподъемной техники из-за значительного веса конструкций. Балки устанавливаются на подготовленные опоры (колонны или стены) с обеспечением надежного опирания не менее 200 мм. Обязательно устройство гидроизоляции в местах опирания. При монтаже необходимо контролировать горизонтальность установки и равномерность распределения нагрузки. Соединение с другими элементами конструкции осуществляется через закладные детали, предусмотренные в балках.

Производство и применение балок навеса серии 3.019.1-1 регламентируется следующими основными документами: серийный рабочий чертеж 3.019.1-1, ГОСТ 13015-2012 "Изделия бетонные и железобетонные для строительства", СП 63.13330.2018 "Бетонные и железобетонные конструкции", а также техническими условиями завода-изготовителя. При проектировании и монтаже должны соблюдаться требования действующих строительных норм и правил безопасности.

Ранее смотрели
КФК 13-26 (ГОСТ 8020-2016)
КФК 13-26 (ГОСТ 8020-2016)
Рабочие камеры ГОСТ 8020-2016
Камни для кладки стен ТУ 5741-004-18576628-99 СКЦ 8 л
СКЦ 8 л
Камни для кладки стен ТУ 5741-004-18576628-99
МФ 1,3-1,5-1/10
МФ 1,3-1,5-1/10
Малозаглубленные фундаменты Серия 3.407.1-159
2ПР 1 АтVск н (ГОСТ 26992-86)
2ПР 1 АтVск н (ГОСТ 26992-86)
Прогоны железобетонные ГОСТ 26992-86
Камни для кладки стен ТУ 5741-004-18576628-99 СКЦ 4 л
СКЦ 4 л
Камни для кладки стен ТУ 5741-004-18576628-99
Колонны высотой 4,8; 6,0-4,8 м Серия 1.420.1-20с К 1-41 с
К 1-41 с
Колонны высотой 4,8; 6,0-4,8 м Серия 1.420.1-20с
ФБВ 9-6-6 с
ФБВ 9-6-6 с
Фундаментные блоки сплошные с вырезом ФБВ серия 1.116.1-8 и ГОСТ 13579-78
Каналы непроходные Серия 3.903 КЛ-14 КН 6-2
КН 6-2
Каналы непроходные Серия 3.903 КЛ-14

Уведомление о файлах cookie

Мы используем файлы cookie для улучшения вашего опыта просмотра и анализа трафика. Нажимая "Принять все", вы соглашаетесь с нашей политикой конфиденциальности и политикой обработки файлов cookie.

Дзен Телеграм Вконтакте vk